貼片超精密電阻 (AR)

貼片超精密電阻 (AR)

德銘特的片式精密貼片電阻,立產業精密標桿及增加強大功率的新選項。

因應市場需求,提高精度和穩定性,德銘特電子擴大了其薄膜晶片電阻器 AR 鎳鉻合金系列,並分為三大部分:標準系列,高精度系列,高功率系列。

除了提供寬廣的阻值範圍,緊密的公差精度,和低溫度係數 TCR,德銘特更提供在溫度波動下的高穩定度性 2ppm/°C,和低至 ± 0.01% 的超精密度公差,定義了表面貼裝電阻器的總輪廓。

德銘特 AR 精密貼片系列提供下列產品的解決方案:高精度的測試與測量,和電壓調整設計於工業、軍事、和醫療監測設備市場。展現出嚴格緊密的公差,高穩定性的低溫度係數 TCR,和高性能的額定功率。

德銘特 AR 系列現在還提供了額外的貼片尺寸。主要增強功能包括提供各種標準尺寸的 AR01(0201), AR02(0402), AR03(0603), AR05(0805), AR06(1206), AR13(1210), AR10(2010), 到 AR12(2512)。

精密 AR 的優勢是其內部結構的防滲鈍化層外加正常的保護塗層。在構建 AR 芯片系列時,鎳/鉻薄膜材料選擇性沈積在高純氧化鋁襯底上,加上兩端鍍一層鎳,錫金屬。 經過熱處理的 AR 貼片,使所需溫度係數(TCR)更加穩定,精確激光控製過程中調整出精確的電阻值。

德銘特 AR 系列提供 4Kpc,5Kpc,10Kpc 編帶封裝,符合 RoHS 標準和 100% 無鉛。
如有常規外的參數及技術要求或特殊應用,請與德銘特的業務代表聯系。

下載 PDF 版本: 貼片超精密電阻 (AR)

特性 :

  1. 最小尺寸可做到 0210
  2. 緊密公差精度至 ±0.01%
  3. 超低溫度係數至 ±2PPM/°C
  4. 100% 無鉛及符合 RoHS 標準
  5. 寬廣阻值範圍從 1 Ω - 3Mega Ω
  6. 鈍化保護膜及薄膜 NiCr 表面封裝貼片

常應用於:

  1. 醫療設備
  2. 測試/測量設備
  3. 轉換器,整流器
  4. 自動化設備控製器
  5. 打印機設備,消費產品
  6. 通信設備,移動電話,全球定位系統,掌上電腦
超精密貼片 - AR 系列 外形尺寸
超精密貼片電阻 AR結構圖
超精密貼片電阻 - AR 系列 結構圖
超精密貼片電阻 AR尺寸圖
超精密貼片電阻 - AR 系列 尺寸圖
品名 L (Unit: mm) W (Unit: mm) T (Unit: mm) D1 (Unit: mm) D2 (Unit: mm) 重量(g)/(1000pcs)
AR01 (0201) 0.58±0.05 0.29±0.05 0.23±0.05 0.12±0.05 0.15±0.05 0.14
AR02 (0402) 1.00±0.05 0.50±0.05 0.30±0.05 0.20±0.10 0.20±0.10 0.54
AR03 (0603) 1.55±0.10 0.80±0.10 0.45±0.10 0.30±0.20 0.30±0.20 1.83
AR05 (0805) 2.00±0.15 1.25±0.15 0.55±0.10 0.30±0.20 0.40±0.25 4.71
AR06 (1206) 3.05±0.15 1.55±0.15 0.55±0.10 0.42±0.20 0.35±0.25 9.02
AR13 (1210) 3.10±0.15 2.40±0.15 0.55±0.10 0.40±0.20 0.55±0.25 10
AR10 (2010) 4.90±0.15 2.40±0.15 0.55±0.10 0.60±0.30 0.50±0.25 23.61
AR12 (2512) 6.30±0.15 3.10±0.15 0.55±0.10 0.60±0.30 0.50±0.25 38.06
標準電氣規格 (AR)
品名 額定功率
at 70°C
使用溫度 最大
工作電壓
最大
負載電壓
精度公差
(%)
阻值範圍
(Ω)
溫度係數
PPM/°C
AR01
(0201)
1/32W -55 ~ +155°C 15V 30V ±0.5%
±1%
49.9Ω~4.99KΩ ±25
49.9Ω~33KΩ ±50
AR02
(0402)
1/16W -55 ~ +155°C 25V 50V ±0.05% 49.9Ω~12KΩ ±25, ±50
±0.1% 10Ω~255KΩ
±0.25%, ±0.5%, ±1% 4.7Ω~511KΩ
AR03
(0603)
1/16W -55 ~ +155°C 50V 100V ±0.05% 4.7Ω~332KΩ ±25, ±50
±0.1% 4.7Ω~1MΩ
±0.25%, ±0.5%, ±1% 1Ω~1MΩ
AR05
(0805)
1/10W -55 ~ +155°C 100V 200V ±0.05% 4.7Ω~1MΩ ±25, ±50
±0.1% 4.7Ω~2MΩ
±0.25%, ±0.5%, ±1% 1Ω~2MΩ
AR06
(1206)
1/8W -55 ~ +155°C 150V 300V ±0.05% 4.7Ω~1MΩ ±25, ±50
±0.1% 4.7Ω~2.49MΩ
±0.25%, ±0.5%, ±1% 1Ω~2.49MΩ
AR13
(1210)
1/4W -55 ~ +155°C 150V 300V ±0.05% 4.7Ω~1MΩ ±25, ±50
±0.1% 4.7Ω~2.49MΩ
±0.25%, ±0.5%, ±1% 1Ω~2.49MΩ
AR10
(2010)
1/4W -55 ~ +155°C 150V 300V ±0.05% 4.7Ω~1MΩ ±25, ±50
±0.1% 4.7Ω~3MΩ
±0.25%, ±0.5%, ±1% 1Ω~3MΩ
AR12
(2512)
1/2W -55 ~ +155°C 150V 300V ±0.05% 4.7Ω~1MΩ ±25, ±50
±0.1% 4.7Ω~3MΩ
±0.25%, ±0.5%, ±1% 1Ω~3MΩ
  • 工作電壓 = ( P * R ) , 或上表格中所列相對最大工作電壓, 兩數取其低者。
  • 負載電壓 = 2.5* ( P * R ) , 或上表格中所列相對最大負載電壓, 兩數取其低者。
  • 低阻值範圍:(1~10)Ω。規格外慘數,可洽德銘特。

超精密特殊電氣規格 (AR)
品名 額定功率
at 70°C
使用溫度 最大
工作電壓
最大
負載電壓
精度公差
(%)
阻值範圍
(Ω)
溫度係數
PPM/°C
AR02
(0402)
1/16W -55 ~ +155°C 25V 50V ±0.01%, ±0.05%, ±0.1% 49.9Ω~4.99KΩ ±2, ±3
±0.01%, ±0.05%, ±0.1%, ±0.25%, ±0.5%, ±1% 49.9Ω~4.99KΩ ±5
±0.01%, ±0.05% 49.9Ω~12KΩ ±10, ±15
±0.1%, ±0.25%, ±0.5%, ±1% 49.9Ω~60KΩ ±10
±0.1%, ±0.25%, ±0.5%, ±1% 49.9Ω~69.8KΩ ±15
AR03
(0603)
1/16W -55 ~ +155°C 50V 100V ±0.01%, ±0.05%, ±0.1% 24.9Ω~15KΩ ±2, ±3
±0.01%, ±0.05%, ±0.1%, ±0.25%, ±0.5%, ±1% 24.9Ω~15KΩ ±5
±0.01% 24.9Ω~100KΩ ±10, ±15
±0.05% 4.7Ω~332KΩ ±10, ±15
±0.1%, ±0.25%, ±0.5%, ±1% 4.7Ω~511KΩ ±10, ±15
AR05
(0805)
1/10W -55 ~ +155°C 100V 200V ±0.01%, ±0.05%, ±0.1% 24.9Ω~30KΩ ±2, ±3
±0.01%, ±0.05%, ±0.1%, ±0.25%, ±0.5%, ±1% 24.9Ω~30KΩ ±5
±0.01 24.9Ω~200KΩ ±10, ±15
±0.05%, ±0.1%, ±0.25%, ±0.5%, ±1% 4.7Ω~1MΩ ±10, ±15
AR06
(1206)
1/8W -55 ~ +155°C 150V 300V ±0.01%, ±0.05%, ±0.1% 24.9Ω~49.9KΩ ±2, ±3
±0.01%, ±0.05%, ±0.1%, ±0.25%, ±0.5%, ±1% 24.9Ω~49.9KΩ ±5
±0.01% 24.9Ω~499KΩ ±10, ±15
±0.05%, ±0.1%, ±0.25%, ±0.5%, ±1% 4.7Ω~1MKΩ ±10, ±15
AR13
(1210)
1/4W -55 ~ +155°C 150V 300V ±0.01%, ±0.05%, ±0.1% 24.9Ω~49.9KΩ ±2, ±3
±0.01%, ±0.05%, ±0.1%, ±0.25%, ±0.5%, ±1% 24.9Ω~49.9KΩ ±5
±0.01% 24.9Ω~499KΩ ±10, ±15
±0.05%, ±0.1%, ±0.25%, ±0.5%, ±1% 4.7Ω~1MΩ ±10, ±15
AR10
(2010)
1/4W -55 ~ +155°C 150V 300V ±0.01%, ±0.05%, ±0.1% 24.9Ω~100KΩ ±2, ±3
±0.01%, ±0.05%, ±0.1%, ±0.25%, ±0.5%, ±1% 24.9Ω~100KΩ ±5
±0.01% 24.9Ω~499KΩ ±10, ±15
±0.05%, ±0.1%, ±0.25%, ±0.5%, ±1% 4.7Ω~1MΩ ±10, ±15
AR12
(2512)
1/2W -55 ~ +155°C 150V 300V ±0.01%, ±0.05%, ±0.1% 24.9Ω~100KΩ ±2, ±3
±0.01%, ±0.05%, ±0.1%, ±0.25%, ±0.5%, ±1% 24.9Ω~100KΩ ±5
±0.01% 24.9Ω~499KΩ ±10, ±15
±0.05%, ±0.1%, ±0.25%, ±0.5%, ±1% 4.7Ω~1MΩ ±10, ±15
  • 工作電壓 = ( P * R ) , 或上表格中所列相對最大工作電壓, 兩數取其低者。
  • 負載電壓 = 2.5* ( P * R ) , 或上表格中所列相對最大負載電壓, 兩數取其低者。
  • 低阻值範圍:(1~10)Ω。規格外慘數,可洽德銘特。

高功率型-電氣規格 (AR)
品名 額定功率
at 70°C
使用溫度 最大工作電壓 最大負載電壓 精度公差
(%)
阻值範圍
(Ω)
溫度係數
PPM/°C
AR03
(0603)
1/10W -55 ~ +155°C 75V 150V ±0.01%, ±0.05%, ±0.1% 24.9Ω~15KΩ ±2, ±3
±0.01%, ±0.05%, ±0.1%, ±0.25%, ±0.5%, ±1% 24.9Ω~15KΩ ±5
±0.01% 24.9Ω~100KΩ ±10, ±15, ±25, ±50
±0.05% 4.7Ω~332KΩ ±10, ±15, ±25, ±50
±0.1%, ±0.25%, ±0.5%, ±1% 4.7Ω~332KΩ ±10, ±15
±0.1%, ±0.25%, ±0.5%, ±1% 4.7Ω~1MΩ ±25, ±50
1/6W -55 ~ +155°C 100V 150V ±0.05%, ±0.1%, ±0.25%, ±0.5%, ±1% 10Ω~332KΩ ±25, ±50
AR05
(0805)
1/8W -55 ~ +155°C 150V 300V ±0.01%, ±0.05%, ±0.1% 24.9Ω~30KΩ ±2, ±3
±0.01%, ±0.05%, ±0.1%, ±0.25%, ±0.5%, ±1% 24.9Ω~30KΩ ±5
±0.01% 24.9Ω~200KΩ ±10, ±15, ±25, ±50
±0.05% 4.7Ω~511KΩ ±10, ±15, ±25, ±50
±0.1%, ±0.25%, ±0.5%, ±1% 4.7Ω~511KΩ ±10
±0.1%, ±0.25%, ±0.5%, ±1% 4.7Ω~1MΩ ±15
±0.1% 4.7Ω~1MΩ ±25, ±50
±0.25%, ±0.5%, ±1% 1Ω~1MΩ ±25, ±50
1/4W -55 ~ +155°C 150V 300V ±0.05%, ±0.1%, ±0.25%, ±0.5%, ±1% 10Ω~499KΩ ±25, ±50
AR06
(1206)
1/4W -55 ~ +155°C 200V 400V ±0.01%, ±0.05%, ±0.1% 24.9Ω~49.9KΩ ±2, ±3
±0.01%, ±0.05%, ±0.1%, ±0.25%, ±0.5%, ±1% 24.9Ω~49.9KΩ ±5
±0.01% 24.9Ω~499KΩ ±10, ±15, ±25, ±50
±0.05%, ±0.1%, ±0.25%, ±0.5%, ±1% 4.7Ω~1MΩ ±10, ±15, ±25, ±50
1/3W -55 ~ +155°C 200V 400V ±0.05%, ±0.1%, ±0.25%, ±0.5%, ±1% 10Ω~1MΩ ±25, ±50
AR13
(1210)
1/3W -55 ~ +155°C 200V 400V ±0.01%, ±0.05%, ±0.1% 24.9Ω~49.9KΩ ±2, ±3
±0.01%, ±0.05%, ±0.1%, ±0.25%, ±0.5%, ±1% 24.9Ω~49.9KΩ ±5
±0.01% 24.9Ω~499KΩ ±10, ±15, ±25, ±50
±0.05%, ±0.1%, ±0.25%, ±0.5%, ±1% 4.7Ω~1MΩ ±10, ±15, ±25, ±50
AR10
(2010)
1/3W -55 ~ +155°C 200V 400V ±0.01%, ±0.05%, ±0.1% 24.9Ω~49.9KΩ ±2, ±3
±0.01%, ±0.05%, ±0.1%, ±0.25%, ±0.5%, ±1% 24.9Ω~49.9KΩ ±5
±0.01% 24.9Ω~499KΩ ±10, ±15, ±25, ±50
±0.05%, ±0.1%, ±0.25%, ±0.5%, ±1% 4.7Ω~1MΩ ±10, ±15, ±25, ±50
AR12
(2512)
3/4W -55 ~ +155°C 200V 400V ±0.01% 24.9Ω~2KΩ ±10, ±15, ±25, ±50
±0.05%, ±0.1% 4.7Ω~2KΩ ±10, ±15, ±25, ±50
±0.25%, ±0.5%, ±1% 1Ω~2KΩ ±10, ±15, ±25, ±50
1W -55 ~ +155°C 200V 400V ±0.1% 4.7Ω~100Ω ±25, ±50
±0.25%, ±0.5%, ±1% 1Ω~100Ω ±25, ±50
  • 工作電壓 = ( P * R ) , 或上表格中所列相對最大工作電壓, 兩數取其低者。
  • 負載電壓 = 2.5* ( P * R ) , 或上表格中所列相對最大負載電壓, 兩數取其低者。
  • 低阻值範圍:(1~10)Ω。規格外慘數,可洽德銘特。
電氣特性測試 (AR)
薄膜電阻 (AR) 系列 降額曲線圖
薄膜電阻 (AR) 系列 降額曲線圖
項目 規格 測試方法
Tol.≤0.05% Tol.>0.05%
溫度係數 如規格 MIL-STD-202F 304 方法
+25/-55/+25/+125/+25°C 溫度係數
短時間過負荷 ΔR±0.05% ΔR±0.5% JIS-C-5202-5.5
RCWV*2.5或最大過負荷電壓 5 秒
ΔR±0.5% for high power rating
耐電壓 依規格而定 MIL-STD-202F 301方法,
施以最大工作電壓一分鐘
絕緣阻抗 >1000M Ω MIL-STD-202F 302 方法,
施以 100VDC 一分鐘
熱沖擊 ΔR±0.05% ΔR±0.25% MIL-STD-202F 107G 方法,
-55°C~150°C,100 循環
負載壽命 ΔR±0.05% ΔR±0.2% MIL-STD-202F 108A 方法,
RCWV, 70°C, 1.5 小時開, 0.5 小時關, 1000~1048 小時
>7KΩ ΔR±0.5%
ΔR±0.5% for high power rating
耐濕
(穩定狀況下)
ΔR±0.05% ΔR±0.3% MIL-STD-202F 103B 方法,
40°C, 90~95%RH, RCWV 1.5 小時開, 0.5 小時關, 1000~1048 小時
ΔR±0.5% for high power rating
耐乾熱 ΔR±0.05% ΔR±0.2% JIS-C-5202-7.2
96 小時 @ +155°C 無負載狀況下
低溫測試 ΔR±0.05% ΔR±0.2% JIS-C-5202-7.1
1 小時, 於 -65°C 下做 45 分鐘的 RCWV
ΔR±0.5% for high power rating
抗彎強度 ΔR±0.05% ΔR±0.2% JIS-C-5202-6.1.4
彎幅 3mm, 10 秒鐘
可焊性 95%min coverage MIL-STD-202F 208H 方法,
260°C±5°C, 2±0.5(sec)
抗焊溫度 ΔR±0.05% ΔR±0.2% MIL-STD-202F 210E 方法,
260±5°C, 10±1 秒鐘
  • 額定工作電壓 (RCWV) = 額定功率 × 阻值 (Ω) 或最大工作電壓) 兩數取其低。
  • 儲存溫度: 15 ~ 28°C; 濕度 < 80%RH;
建議使用焊接區 (AR)
Precision Chip Resistor (AR) Recommend Land Pattern
精密貼片電阻 - AR 系列 建議使用焊接區
料號 A (mm) B (mm) C (mm)
AR12 4.90 1.60 3.10±0.2
AR10 3.60 1.40 2.50±0.2
AR13 2.00 1.15 2.50±0.2
AR06 2.00 1.15 1.70±0.2
AR05 1.00 1.00 1.35±0.2
AR03 0.80 1.00 0.90±0.2
AR02 0.50 0.50 0.60±0.2
AR01 0.25 0.30 0.40±0.2

建議焊接條件 (AR)
IR 回流焊IR 回流焊
波峰焊 (流焊)波峰焊 (流焊)
  • (1) 回流焊在最高溫度點的時間 260°C:10s。
  • (2) 波峰焊在最高溫度點的時間 260°C:10s。
  • (3) 烙鐵在最高溫度點的時間 410°C:5s。
包裝數量及卷裝規格 (AR)
AR 系列 包裝數量及卷裝規格
AR 系列 包裝數量及卷裝規格
料號 ΦA ΦB ΦC W T 紙帶
(PCS)
內襯塑膠帶
(PCS)
AR01 178.0±1.0 60.0±1.0 13.5±0.7 9.5±1.0 11.5±1.0 10,000 -
AR02 178.0±1.0 60.0±1.0 13.5±0.7 9.5±1.0 11.5±1.0 10,000 -
AR03 178.0±1.0 60.0±1.0 13.5±0.7 9.5±1.0 11.5±1.0 5,000 -
AR05 178.0±1.0 60.0±1.0 13.5±0.7 9.5±1.0 11.5±1.0 5,000 -
AR06 178.0±1.0 60.0±1.0 13.5±0.7 9.5±1.0 11.5±1.0 5,000 -
AR13 178.0±1.0 60.0±1.0 13.5±0.7 9.5±1.0 11.5±1.0 5,000 -
AR10 178.0±1.0 60.0±1.0 13.5±0.7 13.5±1.0 15.5±1.0 - 4,000
AR12 178.0±1.0 60.0±1.0 13.5±0.7 13.5±1.0 15.5±1.0 - 4,000

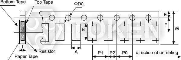
紙帶規格 (AR)
AR 系列 紙帶規格
AR 系列 紙帶規格
料號 A B W E F P0 P1 P2 ΦD0 T
AR01 0.40±0.05 0.70±0.05 8.00±0.10 1.75±0.05 3.5±0.05 4.00±0.10 2.00±0.05 2.00±0.05 1.55±0.05 0.265±0.05
AR02 0.70±0.05 1.16±0.05 8.00±0.10 1.75±0.05 3.5±0.05 4.00±0.10 2.00±0.05 2.00±0.05 1.55±0.05 0.40±0.03
AR03 1.10±0.05 1.90±0.05 8.00±0.10 1.75±0.05 3.5±0.05 4.00±0.10 4.00±0.10 2.00±0.05 1.55±0.05 0.60±0.03
AR05 1.60±0.05 2.37±0.05 8.00±0.10 1.75±0.05 3.5±0.05 4.00±0.10 4.00±0.10 2.00±0.05 1.55±0.05 0.75±0.05
AR06 2.00±0.05 3.55±0.05 8.00±0.10 1.75±0.05 3.5±0.05 4.00±0.10 4.00±0.10 2.00±0.05 1.55±0.05 0.75±0.05
AR13 2.75±0.05 3.40±0.05 8.00±0.10 1.75±0.05 3.5±0.05 4.00±0.10 4.00±0.10 2.00±0.05 1.60±0.10 0.75±0.05

內襯塑膠帶規格 (AR)
>AR 系列內襯塑膠帶規格
AR 系列 內襯塑膠帶規格
料號 A B W E F P0 P1 P2 ΦD0 T
AR10 2.85±0.10 5.45±0.10 12.0±0.10 1.75±0.10 5.5±0.05 4.00±0.05 4.00±0.10 2.00±0.05 1.50+0.10 1.00±0.20
AR12 3.40±0.10 6.65±0.10 12.0±0.10 1.75±0.10 5.5±0.05 4.00±0.05 4.00±0.10 2.00±0.05 1.50+0.10 1.00±0.20

剝離力測試 (AR)
剝離力測試剝離力測試
  • (1) 頂蓋膠帶剝離力。
  • (2) 剝離力速度t 300mm/min5±5%。
  • (3) 頂蓋膠帶剝離力應為 20 to 80g。
料號標示 (AR)
AR 05 B TR C3 X 4700  
型號
尺寸
(L×W) (mm)
01 EIA0201
02 EIA0402
03 EIA0603
05 EIA0805
06 EIA1206
13 EIA1210
10 EIA2010
12 EIA2512
精度公差 (%)
T ±0.01%
A5 ±0.05%
B ±0.10%
C ±0.25%
D ±0.50%
F ±1.00%
包裝方式
P 散裝
TR 編帶卷裝
溫度係數
(ppm/°C)
C7 ±5ppm/°C
C6 ±10ppm/°C
C5 ±15ppm/°C
C3 ±25ppm/°C
C2 ±50ppm/°C
額定功率 (W)
T 1W
U 1/2W
O 1/3W
V 1/4W
P 1/5W
W 1/8W
X 1/10W
Y 1/16W
Z 1/32W
阻值 (Ω)
1000 100Ω
4700 470Ω
1003 100KΩ
1004 1MΩ
1005 10MΩ
標示
  Standard Marking for E96/E24
N No Marking

0805~2512 4 位範例 標示
阻值 100Ω 2.2KΩ 10KΩ 49.9KΩ 100KΩ 1MΩ
標示 1000 2201 1002 4992 1003 1004

0603: 3 位標示 E24 公稱值表
E24 code 10 11 12 13 15 16 18 20 22 24 27 30 33 36 39 43 47 51 56 62 68 75 82 91
  • 範例: 101=100Ω 102=1KΩ 第一位數和第二位數是 E24 Code,第三位碼是 10乘數
  • 0603 精度公差 1%: 阻值 3 位數列於 E96 表 (E96 為高精密電阻係數,E24 系列除外)
  • 電阻係數範例: 13C=13K3Ω; 68B=4K99Ω; 68X=49.9Ω

標示表 E96 公稱值表
code 02 03 04 06 07 08 09 10 11 13 14 15 16 17 19 20 21 22 23 24 25 26 27
E96 102 103 107 113 115 118 121 124 127 133 137 140 143 147 154 158 162 165 169 174 178 182 187
code 28 29 31 32 33 34 35 36 37 38 39 40 41 42 43 44 45 46 47 48 49 50 51
E96 191 196 205 210 215 221 226 232 237 243 249 255 261 267 274 280 287 294 301 309 316 324 332
code 52 53 54 55 56 57 58 59 60 61 62 63 64 65 66 67 68 69 70 71 72 73 74
E96 340 348 357 365 374 383 392 402 412 422 432 442 453 464 475 487 499 511 523 536 549 562 576
code 75 76 77 78 79 80 81 82 83 84 86 87 88 89 90 91 92 93 94 95 96
E96 590 604 619 634 649 665 681 698 715 732 768 787 806 825 845 866 887 909 931 953 976

乘數 E96 標示係數表
Code A B C D E F X Y
Multiplier 100 101 102 103 104 105 10-1 10-2