抗蝕貼片電阻超精密薄膜電阻 - PR 系列

抗蝕防潮高精密貼片電阻 (PR)

德銘特電子增加了防腐精密芯片電阻器新產品,採用特殊抗酸、抗濕的鎳鉻皮膜,高精密,穩定性佳,具有低溫度係數 TCR,散熱性好的特性,消除了典型片式鎳鉻電阻器常見的濕度問題。 德銘特低價格的 PR 系列是替代稀少且昂貴的氮化鉭片式電阻的理想片式元件。

抗蝕精密片式電阻 PR 系列,採用一種特殊的鈍化層引入了鎳鉻合金電阻元件之間,加以高純度氧化鋁基底和環氧樹脂塗層,在最惡劣的潮濕環境中,確保性能穩定,使用壽命長。

在美軍軍規 MIL-STD-202F 濕度測試中,PR 系列表現出良好的穩定性,1000 小時壽命試驗後,阻值並沒隨著時間的推移,出現重大飄移變化。 傳統的片式鎳鉻薄膜電阻,應用在潮濕或高濕度環境中,常出現了腐蝕問題。針對這些產品應用,長時間的濕度測試,成為產品在使用設計上不可缺少的一部分。

德銘特 PR 系列提供齊全工業標準尺寸 0402、0603、0805、1206、2010、到 2512 和寬廣阻值範圍從 10 Ω 到 1M Ω,緊密的精度公差小至 ± 0.10%, 最低溫度係數 TCR 可達 25ppm/°C。可操作的溫度範圍為 -55°C to +155°C。德銘特 PR 芯片電阻器還提供了卓越的電氣和環境性能穩定性,是精密儀器設備應用的首選。

標準卷帶包裝為 4Kpc,5Kpc,和 10Kpc 數量取決於零件尺寸。 大多數尺寸和電阻值備有現貨,支援打開短缺,快速發貨,使德銘特 PR 系列成為您最佳的選擇。
價格隨尺寸大小,公差容寬,溫度係數,和數量不同而不等。

德銘特 PR 貼片系列是無鉛和符合 RoHS 標準。最新詳細規格,機械特性或電氣特性,請與我們的銷售代表聯系,以獲取更多信息。

下載 PDF 版本: 抗蝕防潮高精密貼片電阻 (PR)

特性:

  1. 最小公差精度 ± 0.1%
  2. 寬廣阻值範圍 10 Ω ~ 1Meg Ω
  3. 最低溫度係數 ±25 PPM/°C
  4. 特殊抗酸抗濕的鎳鉻 NiCr 皮膜
  5. 長期穩定的使用壽命和與先進薄膜技術
  6. Ta2N 展示了防腐蝕特性

常應用於:

  1. 汽車
  2. 戶外電子應用
  3. 高端多媒體電子
  4. 自動化設備控製器
  5. 高端計算機,工業設備
  6. 汽車,醫療設備,通訊設備
抗蝕高精密薄膜貼片尺寸結構 (PR)
抗蝕高精密薄膜貼片電阻結構
抗蝕高精密薄膜貼片電阻結構 Construction (PR)
氧化鋁基板
Alumina Substrate
底部電極
Bottom Electrode
頂部電極
Top Electrode
邊緣電極
Edge Electrode
阻隔層
Barrier Layer
外部電極
External Electrode
電阻層
Resistor Layer
主要塗層
Primary Overcoat
第二塗層
Secondary Overcoat
 







 
品名 L (Unit: mm) W (Unit: mm) T (Unit: mm) D1 (Unit: mm) D2 (Unit: mm) 重量 (g)/1000pcs
PR02 (0402) 1.00±0.05 0.50±0.05 0.35±0.05 0.20±0.10 0.20±0.10 0.55
PR03 (0603) 1.55±0.10 0.80±0.10 0.45±0.10 0.30±0.20 0.30±0.20 1.85
PR05 (0805) 2.00±0.15 1.25±0.15 0.55±0.10 0.35±0.20 0.40±0.25 4.76
PR06 (1206) 3.05±0.15 1.55±0.15 0.55±0.10 0.42±0.20 0.35±0.25 9.11
PR10 (2010) 4.90±0.15 2.40±0.15 0.55±0.10 0.60±0.30 0.50±0.25 23.82
PR12 (2512) 6.30±0.15 3.10±0.15 0.55±0.10 0.60±0.30 0.50±0.25 38.46
標準型電氣規格 (PR)
品名 額定功率
at 70°C
使用溫度 最大工作電壓 最大負載電壓 精度公差 % 阻值範圍 溫度係數
PPM/°C
PR02 (0402) 1/16W -55 ~ +155°C 25V 50V ±0.1, ±0.25, ±0.5 49.9Ω~12KΩ ±15
24.9Ω~24.9KΩ ±25, ±50
PR03 (0603) 1/16W -55 ~ +155°C 50V 100V ±0.1, ±0.25, ±0.5 24.9Ω~332KΩ ±15, ±25, ±50
PR05 (0805) 1/10W -55 ~ +155°C 100V 200V ±0.1, ±0.25, ±0.5 10Ω~1MΩ ±15, ±25, ±50
PR06 (1206) 1/8W -55 ~ +155°C 150V 300V ±0.1, ±0.25, ±0.5 10Ω~1MΩ ±15, ±25, ±50
PR10 (2010) 1/4W -55 ~ +155°C 150V 300V ±0.1, ±0.25, ±0.5 24.9Ω~1MΩ ±15
10Ω~1.5MΩ ±25, ±50
PR12 (2512) 1/2W -55 ~ +155°C 150V 300V ±0.1, ±0.25, ±0.5 24.9Ω~1MΩ ±15
10Ω~1.5MΩ ±25, ±50
  • 工作電壓 = ( P * R ) , 或上表格中所列相對最大工作電壓, 兩數取其低者。
  • 負載電壓 = 2.5* ( P * R ) , 或上表格中所列相對最大負載電壓, 兩數取其低者。
  • 低阻值範圍:(1~10)Ω。規格外慘數,可洽德銘特。

高功率型電氣規格 (PR)
品名 額定功率
at 70°C
使用溫度 最大工作電壓 最大負載電壓 精度公差 % 阻值範圍 溫度係數
PPM/°C
PR03 (0603) 1/10W -55 ~ +155°C 75V 150V ±0.1, ±0.25, ±0.5 24.9Ω~220KΩ ±15, ±25, ±50
PR05 (0805) 1/8W -55 ~ +155°C 150V 300V ±0.1, ±0.25, ±0.5 24.9Ω~680KΩ ±15, ±25, ±50
PR06 (1206) 1/4W -55 ~ +155°C 200V 400V ±0.1, ±0.25, ±0.5 24.9Ω~1MΩ ±15, ±25, ±50
  • 工作電壓 = ( P * R ) , 或上表格中所列相對最大工作電壓, 兩數取其低者。
  • 負載電壓 = 2.5* ( P * R ) , 或上表格中所列相對最大負載電壓, 兩數取其低者。
  • 低阻值範圍:(1~10)Ω。規格外慘數,可洽德銘特。
建議使用焊接區 (PR)
建議使用焊接區 (PR)
建議使用焊接區 (PR)
品名 A (mm) B (mm) C (mm)
PR02 (0402) 0.50 0.50 0.60±0.2
PR03 (0603) 0.80 1.00 0.90±0.2
PR05 (0805) 1.00 1.00 1.35±0.2
PR06 (1206) 2.00 1.15 1.70±0.2
PR10 (2010) 3.60 1.40 2.50±0.2
PR12 (2512) 4.90 1.60 3.10±0.2

降額曲線圖 (PR)
降額曲線圖 (PR)降額曲線圖 (PR)

焊接條件 (PR)
IR 回流焊IR 回流焊
波峰焊 (流焊)波峰焊 (流焊)
  • (1) 回流焊在最高溫度點的時間 260°C:10s。
  • (2) 波峰焊在最高溫度點的時間 260°C:10s。
  • (3) 烙鐵在最高溫度點的時間 410°C:5s。
超精密抗蝕貼片電氣特性測試 (PR)
測試項目 規格 測試方法
Size 0603/0805/1206/2010/2512 Size 0402
短時間過負荷
Short Time Overload
≤ ±0.02% ≤ ±0.1% JIS-C-5201-1 5.5
RCWV*2.5 或最大過負荷電壓 2 秒鐘。
≤ ±0.2% 高功率型
熱沖擊
Thermal Shock
≤ ±0.02% ≤ ±0.1% MIL-STD-202F Method 107G
-55°C~125°C, 100 次循環。
負載壽命
(Endurance)
≤ ±0.05% ≤ ±0.25% MIL-STD-202F Method 108A
RCWV, 70°C, 1.5 小時開, 0.5 小時關, 共 1000 小時。
≤ ±0.25% for 高功率型
耐濕 (穩定狀況下)
(Damp Heat with Load)
≤ ±0.05% ≤ ±0.5% MIL-STD-202F Method 103B
40±2°C, 90~95%RH, RCWV 1.5 小時開, 0.5小時關, 共 1000 小時。
≤ ±0.25% 高功率型
耐乾熱性
Resistance to Dry Heat
≤ ±0.05% ≤ ±0.5% JIS-C-5202-7.2
1000 hours @ +155°C 無負載。
抗焊溫度
Resistance to Soldering Heat
≤ ±0.02% ≤ ±0.1% MIL-STD-202F Method 210E
260±5°C, 10± 1 秒鐘。
可焊性
Solderability
覆蓋面最少 95% MIL-STD-202F Method 208H
245°C±5°C, 3±0.5(sec)
  • 額定工作電壓 (RCWV) = 額定功率 × 阻值 (Ω) 或最大工作電壓) 兩數取其低。
  • 儲存溫度: 15 ~ 28°C; 濕度 < 80%RH;
包裝數量及卷裝規格 (PR)
包裝數量及卷裝規格 (PR)
包裝數量及卷裝規格 (PR)
品名 ΦA (Unit: mm) ΦB (Unit: mm) ΦC (Unit: mm) W (Unit: mm) T (Unit: mm) 紙帶 (PCS) 模壓帶 (PCS)
PR02 (0402) 178.0±1.0 60.0±1.0 13.5±0.7 9.5±1.0 11.5±1.0 10,000 -
PR03 (0603) 178.0±1.0 60.0±1.0 13.5±0.7 9.5±1.0 11.5±1.0 5,000 -
PR05 (0805) 178.0±1.0 60.0±1.0 13.5±0.7 9.5±1.0 11.5±1.0 5,000 -
PR06 (1206) 178.0±1.0 60.0±1.0 13.5±0.7 9.5±1.0 11.5±1.0 5,000 -
PR10 (2010) 178.0±1.0 60.0±1.0 13.5±0.7 13.5±1.0 15.5±1.0 - 4,000
PR12 (2512) 178.0±1.0 60.0±1.0 13.5±0.7 13.5±1.0 15.5±1.0 - 4,000

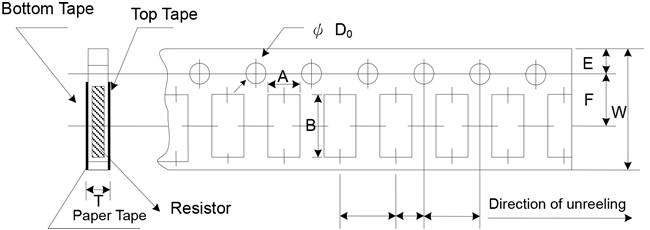
紙帶規格 (PR)
紙帶規格 (PR)
紙帶規格 (PR)
Codes A (mm) B (mm) W (mm) E (mm) F (mm) P0 (mm) P1 (mm) P2 (mm) ΦD0 (mm) T (mm)
PR02 0.70±0.05 1.16±0.05 8.00±0.10 1.75±0.05 3.5±0.05 4.00±0.10 2.00±0.05 2.00±0.05 1.55±0.05 0.40±0.03
PR03 1.10±0.05 1.90±0.05 8.00±0.10 1.75±0.05 3.5±0.05 4.00±0.10 4.00±0.10 2.00±0.05 1.55±0.05 0.60±0.03
PR05 1.60±0.05 2.37±0.05 8.00±0.10 1.75±0.05 3.5±0.05 4.00±0.10 4.00±0.10 2.00±0.05 1.55±0.05 0.75±0.05
PR06 2.00±0.05 3.55±0.05 8.00±0.10 1.75±0.05 3.5±0.05 4.00±0.10 4.00±0.10 2.00±0.05 1.55±0.05 0.75±0.05

紙帶剝離測試 (PR)
紙帶剝離測試紙帶剝離測試
  • (1) 頂蓋膠帶剝離力。
  • (2) 剝離力速度t 300mm/min5±5%。
  • (3) 頂蓋膠帶剝離力應為 8gf to 60gf。

模壓帶規格 (PR)
模壓帶規格 (PR)
模壓帶規格 (PR)
Codes A (mm) B (mm) W (mm) E (mm) F (mm) P0 (mm) P1 (mm) P2 (mm) ΦD0 (mm) T (mm)
PR10 2.85±0.10 5.45±0.10 12.0±0.10 1.75±0.10 5.5±0.05 4.00±0.05 4.00±0.10 2.00±0.05 1.50±0.10 1.00±0.20
PR12 3.40±0.10 6.65±0.10 12.0±0.10 1.75±0.10 5.5±0.05 4.00±0.05 4.00±0.10 2.00±0.05 1.50±0.10 1.00±0.20

模壓帶剝離測試 (PR)
模壓帶剝離測試模壓帶剝離測試
  • (1) 頂蓋膠帶剝離力。
  • (2) 剝離力速度t 300mm/min5±5%。
  • (3) 頂蓋膠帶剝離力應為 20gf to 80gf.
超精密抗蝕薄膜貼片電阻 - PR 系列 料號標示
PR 02 D TR C3 1002  
型號
尺寸 (L×W) (mm)
02 1.00×0.50mm EIA0402
03 1.60×0.80mm EIA0603
05 2.00×1.25mm EIA0805
06 3.00×1.50mm EIA1206
10 4.90×2.40mm EIA2010
12 6.30×3.10mm EIA2512
精度公差
(%)
B ±0.10%
C ±0.25%
D ±0.50%
包裝方式
P 散裝
TR 編帶卷裝
溫度係數
(ppm/°C)
C5 ±15ppm/°C
C3 ±25ppm/°C
C2 ±50ppm/°C
阻值
(Ω)
1000 100Ω
2201 2200Ω
1002 10000Ω
4992 49900Ω
1003 100KΩ
1004 1MΩ
1005 10MΩ
標示
  標準標示為
E96/E24
N 無標示

0805~2512 4 位範例 標示
阻值 100Ω 2.2KΩ 10KΩ 49.9KΩ 100KΩ 1MΩ
標示 1000 2201 1002 4992 1003 1004

0603: 3 位標示 E24 公稱值表
E24 code 10 11 12 13 15 16 18 20 22 24 27 30 33 36 39 43 47 51 56 62 68 75 82 91
  • 範例: 101=100Ω 102=1KΩ 第一位數和第二位數是 E24 Code,第三位碼是 10乘數
  • 0603 精度公差 1%: 阻值 3 位數列於 E96 表 (E96 為高精密電阻係數,E24 系列除外)
  • 電阻係數範例: 13C=13K3Ω; 68B=4K99Ω; 68X=49.9Ω

標示表 E96 公稱值表
code 02 03 04 06 07 08 09 10 11 13 14 15 16 17 19 20 21 22 23 24 25 26 27
E96 102 103 107 113 115 118 121 124 127 133 137 140 143 147 154 158 162 165 169 174 178 182 187
code 28 29 31 32 33 34 35 36 37 38 39 40 41 42 43 44 45 46 47 48 49 50 51
E96 191 196 205 210 215 221 226 232 237 243 249 255 261 267 274 280 287 294 301 309 316 324 332
code 52 53 54 55 56 57 58 59 60 61 62 63 64 65 66 67 68 69 70 71 72 73 74
E96 340 348 357 365 374 383 392 402 412 422 432 442 453 464 475 487 499 511 523 536 549 562 576
code 75 76 77 78 79 80 81 82 83 84 86 87 88 89 90 91 92 93 94 95 96
E96 590 604 619 634 649 665 681 698 715 732 768 787 806 825 845 866 887 909 931 953 976

乘數 E96 標示係數表
Code A B C D E F X Y
Multiplier 100 101 102 103 104 105 10-1 10-2