貼片排阻 網阻 合金電阻 (FCR、RCA、RCN) 系列

貼片排阻 網阻 合金電阻 (FCR、RCA、RCN)

高精度表面貼裝網絡電阻,排列貼片,和倒裝貼片是非常成熟,典型的芯片電阻器的代表。德銘特電子採用最新封裝技術,優化無引線表面貼裝的封裝,以滿足新的汽車行業對溫度和濕度的要求,同時提供高重復性,穩定性的工業、電信、和消費性電子產品。

適用於加工自動化 SMD 或 SMT 裝配系統,這些貼片元器件均符合 RoHS 標準,與無鉛(Pb-Free)要求,兼容錫/鉛(Sn / Pb)回流焊和汽相焊接工藝。

倒裝貼片電阻 (Flip Chips) FCR 系列:

  1. 倒裝貼片電阻尺寸結構(FCR 系列),有 EIA 0603,EIA 0805,和 EIA 1206 系列標準提供。
  2. 額定功率有 1/10W,1/8W,和 1/4W 可供選擇,最大電壓 100V,300V,和 300V。
  3. 精度公差有 F(± 1%), J(± 5%) 對應寬廣的阻值範圍 1Ω to 10MΩ.

貼片排列電阻(排阻) RCA 系列:

  1. RCA 排阻 1.6mm X 3.2mm 的封裝尺寸,非常方便於高密度電路的設計使用。
  2. 排阻是由多個電阻元組件排列封裝器件,如用一個排列電阻來取代 4 個精密電阻的設計,應用成本相對的節約很多。
  3. 貼片排阻精準公差比有 F(± 1%),G(± 2%),和 J(± 5%) 對應的阻值範圍從 10Ω 到 1MΩ.

網絡電阻(網阻) RCN 系列:

  1. RCN 網絡電阻提供寬廣阻值範圍從 10Ω 到 1MΩ, 工作溫度 -55°C~+125°C.
  2. 網阻的每一個電阻元組件功率為 1/16W 於 +70°C,可由客戶定製配置。

如需德銘特最新詳細規格,機械特性或電氣特性,請與我們的銷售代表聯系,以取得更新的信息。

下載 PDF 版本: 貼片排阻 網阻 合金電阻 (FCR、RCA、RCN)

厚膜貼片電阻器 (FCR) 外形尺寸
倒裝貼片電阻外形尺寸 (FCR)
倒裝貼片電阻 外形尺寸 (FCR)
尺寸型號 L W H L1 L2
FCR 03 1.60 ± 0.10 0.80 ± 0.10 0.45 ± 0.10 0.30 ± 0.20 0.30 ± 0.20
FCR 05 2.00 ± 0.15 1.25 ± 0.15 0.50 ± 0.10 0.40 ± 0.20 0.35 ± 0.15
FCR 06 3.10 ± 0.15 1.55 ± 0.15 0.55 ± 0.10 0.50 ± 0.25 0.50 ± 0.25
排列式貼片(RCA) 外形尺寸
 (RCA) 排列式貼片電阻外形尺寸
排列式貼片電阻外形尺寸 (RCA)
 (RCA) 排列式貼片電阻電路圖
排列式貼片電阻電路圖 (RCA)
尺寸型號 L W H L1 L2 P Q
RCA03-4D (0603) 3.2±0.2 1.6±0.15 0.5±0.1 0.30±0.15 0.35Max 0.8±0.1 0.5±0.1
厚膜排列電阻器 (RCN) 外形尺寸
厚膜網酪貼片電阻器外形尺寸 (RCN)
厚膜網酪貼片電阻器 外形尺寸 (RCN)
厚膜網酪貼片電阻器 電路圖 (RCN)
厚膜網酪貼片電阻器 電路圖 (RCN)
尺寸型號 L W H L1 L2 P Q
RCN06-10R
RCN06-10S
6.4 ± 0.2 3.1 ± 0.2 0.55 ± 0.1 0.5 ± 0.3 0.5 ± 0.2 1.27 ± 0.1 0.8 ± 0.2
厚膜貼片電阻器 (FCR) 電氣特性
型號 額定功率
at 70°C
最高
使用電壓
最高過
負荷電壓
公差
(%
阻值範圍 (Ω) 標準
阻值
Min. Max.
FCR03 1/10W 50V 100V ± 1% (F)
± 5% (J)
10Ω
1MΩ
10MΩ
E-96
E-24
FCR05 1/8W 150V 300V ± 1% (F)
± 5% (J)
10Ω
1MΩ
10MΩ
E-96
E-24
FCR06 1/4W 200V 300V ± 1% (F)
± 5% (J)
10Ω
1MΩ
10MΩ
E-96
E-24
排列式貼片電阻器 (RCA) 電氣特性
型號 額定
功率
at 70°C
最大
工作電壓
最大
負載電壓
T.C.R.
(ppm/°C)
阻值範圍 跳線電阻
額定電流
跳線電阻
阻值
使用
溫度範圍
F(±1%)
E-96
G(±2%)
J(±5%)
E-24
RCA03-4D
(0603)
0.063 50V 100V ± 200 100Ω~470KΩ 10Ω~1MΩ 1A 50mΩ
MAX
-55°C~+125°C
厚膜排列電阻器 (RCN) 電氣特性
型號 額定
功率
at 70°C
最大
工作電壓
最大
負載電壓
T.C.R.
(ppm/°C)
阻值範圍 端子數量 電阻數量 使用溫度
範圍
J (±5%) E-12
RCN06-10R
RCN06-10S
1/16W 50V 100V ±200 10Ω~1MΩ 10 8 -55°C~+125°C
厚膜 (FCR、RCA、RCN) 環境特性
規格 標準 測試方法
直流阻抗 DC Resistance J: ±5%, F: ±1% JIS C 5202 5.1
溫度係數
(TCR)
J: ±200ppm/°C
F: ±100ppm/°C
JIS C 5202 5.2 / IEC 115-1 4.8.4.2
T1T2
測試溫度:25°C → -55°C
25°C → -55°C
短時間過負荷 J: ΔR≤ ± (2%+0.1Ω)
F: ΔR≤ ± (1%+0.05Ω)
JIS C 5202 5.5 / IEC 115-1 4.13
2.5 x 額定電壓(最大過載電壓)5秒。
30分鐘後測量電阻值。
耐焊溫度 J: ΔR≤ ± (1%+0.1Ω)
F: ΔR≤ ± (0.5%+0.05Ω)
無機械損壞
JIS C 5202 6.4 / IEC 115-1 4.18
With 260 ± 5 °C for 10 ± 1秒.
焊接性 超過 95% 的端子
必須覆蓋焊料。
JIS C 5202 7.4 / IEC 115-1 4.17
浸入 ± 5°C 焊錫爐,浸 2 ± 0.5秒。
溫度循環測試 J: ΔR≤ ± (1%+0.1Ω)
F: ΔR≤ ± (0.5%+0.05Ω)
無機械損壞。
JIS C 5202 7.4 / IEC 115-1 4.19
重複 5 個循環,如下:
-55°C(30 分鐘)+25°C(10~15 分鐘)
+125°C(30 分鐘)+25°C(10~15 分鐘)
強度測試 ΔR≤ ± (0.5%+0.05Ω)
無機械損壞。
JIS C 5202 6.1
500g for 10 秒。
負載壽命 J: ΔR≤ ± (3%+0.1Ω)
F: ΔR≤ ± (1%+0.05Ω)
JIS C 5202 7.10 / IEC 115-1 4.25.1
1000+48/-0 小時後電阻值變化
(1.5 小時開,0.5小時關) 於 RCWV 或 最大值。
保持元件於 70 ± 3° 烤箱中。
耐濕性 J: ΔR≤ ± (3%+0.1Ω)
F: ΔR≤ ± (1%+0.05Ω)
JIS C 5202 7.9 / IEC 115-1 4.24.2
保持元件的溫度 40 ± 2 °C
及 90~95% RH 額定功率施加電壓。
循環,1.5小時開,0.5小時關,1000+48/-0 小時後,測量電阻值。
斷續過負荷 ΔR≤ ± (5%+0.1Ω)
無機械損壞。
JIS C 5202 5.8 2.5 x 額定電壓(最大過載電壓),
1秒 ON,25秒 OFF,測試 10,000 個循環。
厚膜 (FCR、RCA、RCN) 系列阻值標示
貼片電阻 阻值標示 (FCR、RCA、RCN)
貼片電阻 阻值標示 (FCR、RCA、RCN)
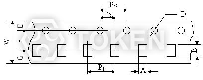
厚膜 (FCR、RCA、RCN) 系列捲帶尺寸 (單位:mm)
厚膜貼片電阻 卷帶尺寸 (FCR、RCA、RCN)
厚膜貼片電阻 卷帶尺寸 (FCR、RCA、RCN)
規格 A B W F E P1 P2 P0 D G
FCR03 1.10±0.20 1.90±0.20 8.0±0.3 3.50±0.05 1.75±0.10 4.0±0.1 2.00±0.05 4.0±0.1 1.5±0.1
-0
2.75
FCR05 1.65±0.20 2.45±0.20 8.0±0.3 3.50±0.05 1.75±0.10 4.0±0.1 2.00±0.05 4.0±0.1 1.5±0.1
-0
2.75
FCR06 2.00±0.10
-0.15
3.57±0.10
-0.15
8.0±0.3 3.50±0.05 1.75±0.10 4.0±0.1 2.00±0.05 4.0±0.1 1.5±0.1
-0
2.75
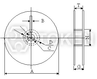
厚膜 (FCR、RCA、RCN) 捲盤尺寸 (單位:mm)
貼片電阻 卷盤尺寸 (FCR、RCA、RCN)
貼片電阻 卷盤尺寸 (FCR、RCA、RCN)
符號 A B C D G N T
Dimension尺寸 (mm) 178 ± 2.0 20 ± 0.5 13.0 ± 0.5 20 min. 100 ± 1.5 80.0 ± 0.5 14.9 max.
厚膜貼片電阻器 (FCR) 料號標識
FCR 03 100 J TR
型號
FCR
尺寸
(單位:mm)
03 1.60×0.80mm
05 2.00×1.25mm
06 3.10×1.55mm
公稱阻值
貼片
元件
3-Digit E24 系列
EX  10Ω=100
      47Ω=470
4-Digit E96 系列
EX  10.2Ω=10R2
      10KΩ=1002
零歐姆   000
精度公差(%)
F ±1%
J ±5%
包裝方式
TR 編帶卷裝
P 散裝
貼片排列電阻器 (RCA) 料號標識
RCA 03 - 4 D 101 J TR
 
型號
RCA
尺寸
(單位:mm)
03 3.20×1.60mm
 
端子數目
4 4 circuits
電極結構
D 凸形電極e
公稱阻值
貼片
元件
3-Digit E24 系列
EX  10Ω=100
      47Ω=470
4-Digit E96 系列
EX  10.2Ω=10R2
      10KΩ=1002
零歐姆   000
精度公差(%)
F ±1%
G ±2%
J ±5%
包裝方式
TR 編帶卷裝
P 散裝
貼片網絡電阻器 (RCN) 料號標識
RCN 06 - 10 R 103 J TR
 
型號
RCN
尺寸
(單位:mm)
06 6.40×3.10mm
 
端子數目
10
電路架構
R circuit
S circuit
公稱阻值
3-Digit E12 系列
EX  10Ω=100
      100Ω=101
精度公差(%)
J ±5%
包裝方式
TR 編帶卷裝
P 散裝