
德銘特電子 AEC-Q200 電流檢測電阻(LREA)具有出色的穩定性,高功率,小尺寸,優異的散熱性和焊點高可靠性,這使它們成為電動汽車,混合動力汽車,自動和無級變速傳動系統,以及其他車輛動力應用的優秀設計。
德銘特表面貼裝電流檢測電阻(LREA)功率型合金板在高溫應用中,提供卓越的電氣性能。封裝尺寸選擇範圍廣,包括 1206、2512、2725、4527,電阻值的選擇範圍為 0.25 mΩ 到 1Ω。 (LREA) 貼片電阻器提供的過載能力相當於線繞電阻,具有高功率處理 (可高達5W),溫度係數低至 ±50 ppm/°C。
貼片 (LREA) 電流感測電阻器符合汽車系統 AEC-Q200 的要求,可為工程師提供額外的保證,確保他們在牢靠的電子元件中進行設計。該器件針對電子控制應用進行了優化,包括底盤,器信息電子驅動,發動機和恆溫調節控制,是所有脈沖和電流檢測應用類型的理想選擇,包括線性電源開關,儀器,功率放大器和分流器等。
為了最大能量轉換效率並降低功耗,電流檢測電阻應該具有最低歐姆值,耐最高脈沖和浪湧可能。德銘特高功率電流檢測 (LREA) 電阻器,允許通過電路控制,可以卓越效率的將電路中的電流水平轉換為電壓來監控,典型應用例如電池供電設備。
德銘特電子為您縮窄電流範圍檢測應用中提供合適的芯片電阻。對於非車規的電流感測標準件,請鏈接到高功率低組抗電流感應貼片金屬合金板電阻器 (LRE)。如需更詳細的產品信息和數據表,或討論您的具體要求,請聯繫德銘特電子。
下載 PDF 版本: 貼片高功率毫歐微電阻 (LREA)。
| AEC-Q200 車規高功率電流感測電阻 (LREA) 合金板結構 & 尺寸 | ||||||||||||||||
|
||||||||||||||||
| 規格 | 額定功率 at 70°C (W) |
阻值範圍 (mΩ) |
尺寸 (單位:mm) | |||||||||||||
| L | W | T | D | |||||||||||||
| LREA1206 | 1 | 1.0~2.0 | 3.200±0.254 | 1.650±0.254 | 0.670±0.254 | 0.508±0.254 | ||||||||||
| 3.0~100.0 | 3.200±0.254 | 1.650±0.254 | 0.490±0.254 | 0.508±0.254 | ||||||||||||
| LREA2512 | 2 | 0.5~1.0 | 6.350±0.254 | 3.050±0.254 | 0.670±0.254 | 2.200±0.254 | ||||||||||
| 1.5 | 0.560±0.254 | 2.000±0.254 | ||||||||||||||
| 2.0 | 1.400±0.254 | |||||||||||||||
| 2.5~100.0 | 1.100±0.254 | |||||||||||||||
| 101.0~450.0 | 0.610±0.254 | 0.850±0.254 | ||||||||||||||
| 3 | 0.5~1.0 | 0.670±0.254 | 2.200±0.254 | |||||||||||||
| 1.5 | 2.000±0.254 | |||||||||||||||
| 2.0 | 1.400±0.254 | |||||||||||||||
| 2.5~50.0 | 1.100±0.254 | |||||||||||||||
| 51.0~100.0 | 0.740±0.254 | 1.100±0.254 | ||||||||||||||
| LREA2725 | 4 | 0.25 | 6.800±0.254 | 6.350±0.254 | 0.820±0.254 | 2.300±0.254 | ||||||||||
| 0.5 | 0.690±0.254 | |||||||||||||||
| 1 | 0.690±0.254 | 1.800±0.254 | ||||||||||||||
| 1.5~3.0 | 0.610±0.254 | |||||||||||||||
| LREA4527 | 3 | 501.0~680.0 | 11.300±0.500 | 6.600±0.500 | 0.770±0.254 | 2.000±0.254 | ||||||||||
| 681.0m~1.0R | 0.690±0.254 | |||||||||||||||
| 5 | 1.0 | 0.790±0.254 | 3.000±0.254 | |||||||||||||
| 1.5 | 0.840±0.254 | 2.000±0.254 | ||||||||||||||
| 2.0~500.0 | 0.840±0.254 | |||||||||||||||
| AEC-Q200 車規電流檢測電阻 (LREA) 電氣特性 | |||||||
| 規格 | 最大額定功率 (W) | 最大額定電流 (A)* | 最大過負載電流 (A) | 阻值範圍 (mΩ)* | 溫度係數 TCR (ppm/°C) |
操作溫度 (°C) | |
| D (±0.5%) |
F (±1%); G (±2%); J (±5%) |
||||||
| LREA1206 | 1 | 31.62 | 54.77 | 7.0~100.0 | 1.0~100.0 | ±50 | -55~+170°C |
| LREA2512 | 2 | 63.25 | 141.42 | 7.0~450.0 | 0.5~450.0 | ||
| 3 | 77.46 | 134.16 | 7.0~100.0 | 0.5~100.0 | |||
| LREA2725 | 4 | 126.49 | 252.98 | -- | 0.25~3.0 | ||
| LREA4527 | 3 | 2.45 | 4.24 | 501m~1.0R | 501m~1.0R | ||
| 5 | 70.71 | 122.47 | 7.0~500.0 | 1.0~500.0 | |||
|
|||||||
| 電流感測毫歐微電阻 (LREA) 建議焊盤尺寸 | ||||||
|
||||||
| 規格 | 最大額定功率 (Watts) | 阻值範圍 (mΩ) | 尺寸 (mm) | |||
| a | b | i | ||||
| LREA1206 | 1.0 | 1.0 ~ 100.0 | 1.60 | 2.18 | 0.66 | |
| LREA2512 | 2.0 & 3.0 | 0.5 ~1.5 | 3.05 | 3.68 | 1.27 | |
| 2.0 ~ 3.5 | 2.11 | 3.68 | 3.18 | |||
| 3.6 ~ 450.0 | 1.90 | 3.68 | 3.50 | |||
| LREA2725 | 4.0 | 0.25 ~ 0.5 | 3.18 | 6.86 | 1.32 | |
| 1.0 ~ 3.0 | 2.34 | 6.86 | 3.00 | |||
| LREA4527 | 3.0 & 5.0 | 1.0 ~ 3.0 | 4.50 | 8.74 | 4.50 | |
| 3.5 ~100.0 | 3.40 | 8.74 | 6.43 | |||
| 101.0m ~ 1R | 2.93 | 8.74 | 7.63 | |||
| 捲盤規格 (LREA) 單位: mm | |||||||
|
|||||||
| 捲盤規格 / 盤 | W | M | A | B | C | D | |
| 7” 捲盤 / 8 mm 模壓帶 (僅 LREA 0805 & LREA 1206 系列) | 12.00± 0.5 | 178 ± 1.0 | 2.0 ± 0.5 | 13.2 ± 0.5 | 17.7 ± 0.5 | 60.0 ± 0.5 | |
| 7” 捲盤 / 12 mm 模壓帶 | 16.2 ± 0.5 | 178 ± 1.0 | 2.5 ± 0.5 | 13.5 ± 0.5 | 17.7 ± 0.5 | 60.0 ± 0.5 | |
| 7” 捲盤 / 24 mm 模壓帶 (僅 LREA 4527 系列) | 24.4 +2/-0 | 178 ± 1.0 | 2.0 ± 0.5 | 13.2 ± 0.5 | 17.7 ± 0.5 | 60.0 ± 0.5 | |
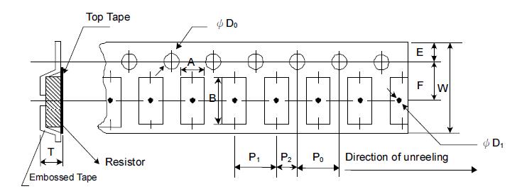
| 模壓帶尺寸規格 (LREA) 單位:mm | ||||||||||||
|
||||||||||||
| 規格 | A±0.1 | B±0.1 | W±0.3 | E±0.1 | F±0.1 | P0±0.1 | P1±0.3 | P2±0.1 | ΦD0±0.05 | ΦD1±0.1 | T±0.1 | |
| LREA1206 | 2.03 | 3.55 | 8.0 | 1.75 | 3.5 | 4.0 | 4.0 | 2.0 | 1.55 | 1.00 | 0.70 | |
| LREA2512 | 3.50 | 6.75 | 12.0 | 1.75 | 5.5 | 4.0 | 4.0 | 2.0 | 1.55 | 1.55 | 0.90 | |
| LREA2725 | 6.81 | 7.16 | 12.0 | 1.75 | 5.5 | 4.0 | 8.0 | 2.0 | 1.55 | 1.55 | 1.05 | |
| LREA4527 | 7.38 | 12.0 | 24.0 | 1.75 | 11.5 | 4.0 | 12.0 | 2.0 | 1.55 | 1.55 | 1.05 | |
|
||||||||||||
| 包裝數量 (LREA) | |||
| 規格 | 編帶寬度 | 捲盤直徑 | 數量/捲盤 |
| LREA1206 | 8 mm/模壓帶 | 178 mm/7” | 5,000 |
| LREA2512 | 12 mm/模壓帶 | 178 mm/7” | 4,000 |
| LREA2725 | 12 mm/模壓帶 | 178 mm/7” | 2,000 |
| LREA4527 | 24 mm/模壓帶 | 178 mm/7” | 1,000 |
| 降額曲線 (LREA) | |||||||||||||
![]() |
|||||||||||||
| 焊接條件 (僅回流焊) (LREA) | |||||||||||||
![]() |
|||||||||||||
| 環境測試 (LREA) | ||||
| 項目 | 規格標準 | 測試條件 | ||
| 溫度系數 Temperature Coefficient of Resistance (T.C.R.) |
As Spec. | JIS C 5201-1 4.8 +25/+150°C | ||
| 短時間過負載 Short Time Overload |
LREA4527: ΔR/R0≤±2.0% The others: ΔR/R0≤±0.5% |
JIS C 5201-1 4.13 最大過負荷電壓 5 秒 | ||
| 規格 | 功率 | 倍數 | ||
| LREA1206 | 1.0W | 3 times | ||
| LREA2512 | 2.0W | 5 times | ||
| LREA2512 | 3.0W | 3 times | ||
| LREA2725 | 4.0W | 4 times | ||
| LREA4527 | 3.0W, 5.0W | 3 times | ||
| 焊接性 Solderability |
最少覆蓋 95% | JIS-C5201-1 4.17 245±5°C for 3 秒 | ||
| 耐焊溫度 Resistance to Soldering Heat |
ΔR/R0≤± 0.5% | JIS-C5201-1 4.18 260±5°C for 10 秒 | ||
| 溫度循環 Temperature Cycling |
ΔR/R0≤± 0.5% | JIS-C5201-1 4.19 -55°C ~ 150°C, 1000 循環 | ||
| 高溫曝曬(存放) High Temperature Exposure (Storage) |
LREA4527: ΔR/R0≤±2.0% The others: ΔR/R0≤±1.0% | JIS-C5201-1 4.23.2 +170°C for 1000 Hrs. | ||
| 高濕偏置 Bias Humidity |
ΔR/R0≤± 0.5% | JIS-C5201-1 4.24 +85°C/85%RH for 1,000Hrs. with 1.5Hrs “ON”, 0.5Hr “OFF”. | ||
| 負載壽命 Load Life | LREA4527: ΔR/R0≤±2.0% The others: ΔR/R0≤±1.0% | JIS-C5201-1 4.25 80±2°C, RCWV for 1000 Hrs. with 1.5 Hrs. “ON” and 0.5 Hr. “OFF” | ||
| 料號標識 (LRC) | ||||||||||||||||||||||||||||||||||||||||||||||||||||||||||||||||||||||
| LREA | 2725 | F | TR | D | 4 | R010 | ||||||||||||||||||||||||||||||||||||||||||||||||||||||||||||||||
![]() |
![]() |
![]() |
![]() |
![]() |
![]() |
![]() |
||||||||||||||||||||||||||||||||||||||||||||||||||||||||||||||||
|
|
|
|
|
|
|
||||||||||||||||||||||||||||||||||||||||||||||||||||||||||||||||