金屬超低阻值貼片電阻器 (CSM) 系列

金屬超低阻值貼片電阻器 (CSM)

電流感測電阻器是一種快速發展的技術,專註於調節和監控從電源到終端設備的電力。

此外,基於德銘特 (CSM) 金屬合金的電流感測電阻器能夠處理更高的浪涌電流,具有更好的 TCR 能力,並且通常不會出現與 PCB 的熱膨脹差異的問題。 與包括霍爾效應傳感器,磁阻傳感器和電流互感器在內的競爭技術相比,基於金屬合金的電阻器是一種經濟高效的解決方案。

德銘特 (CSM) 在整個工作溫度範圍內提供高性能和可靠性,與同類標準電流檢測電阻相比,外殼尺寸小,額定功率高。 價阻值從1mΩ 開始; 併到700mΩ, 應用包括開關和 DC-DC 轉換器,電池組,充電器,適配器,音頻應用中的過流保護,電源管理應用,LED 驅動器,電機控制,電動工具和功率放大器。

德銘特 (CSM) 超低阻值金屬片式電阻器是專為電力電子系統中的電流檢測電路設計的 SMD 器件。 金屬合金結構確保了高可靠性和高性能,並具有非常低且穩定的 TCR(50ppm,75ppm,100ppm)值。尺寸小可提供 0.5W ~ 5W 的高額定功率,工作溫度為-55°C~ + 155°C。 精度公差有 ±0.5%和±1%兩種。

有多種標準行業尺寸規格可供選擇:0603, 0805, 1206, 2010, 2512, 3921, 4527, 0508, 0612, 0815, 1225 和 2139。 較小尺寸 0603, 0805, 1206, 0508 和 0612 每卷包裝數量 5K 個。2010, 2512, 0815 和 1225 每卷 4K 個。大尺寸 2139 每卷 2K 個。

用於電流檢測的超低歐姆貼片電阻(CSM)符合 RoHS 標準和無鉛要求。 客戶可以指定電阻,尺寸和規格,以滿足設計挑戰和特定技術要求。 請聯繫德銘特 業務部獲取最新產品信息。

下載 PDF 版本 : 金屬超低阻值貼片電阻器 (CSM)

特性 :
  1. SMD 自動插件設計、小尺寸高額定功率。
  2. 專為電力電子系統中的電流檢測電路而設計。
  3. 用於電流檢測的低阻電阻器。並且符合 RoHS 及無鉛要求。
  4. 金屬片結構確保了高可靠性和高性能以及非常低且穩定的 TCR。
应用 :
  1. 電源開關、電源管理應用。
  2. 音頻應用中的過流保護。
  3. 電壓調節模塊(VRM。
  4. DC-DC轉換器,電池組,充電器,適配器。
CSM - 結構和尺寸
(CSM) 金屬超低阻值貼片電阻 - 結構圖
(CSM) 金屬超低阻值貼片電阻 - 結構圖
氧化鋁基板 外部電極
底電極 粘合處
頂部電極 電極層
邊緣電極 外塗層
阻隔層 標識
型號 額定功率為 70°C (W) 電阻範圍 (mΩ) 尺寸 (單位: mm)
L W T D
CSM0603 0.5 5 1.60±0.25 0.80±0.25 0.65±0.20 0.50±0.20
6~100 0.40±0.20
CSM0805 0.75 4~270 2.00±0.25 1.20±0.25 0.65±0.20 0.50±0.20
CSM1206 1 4~700 3.20±0.25 1.60±0.25 0.65±0.20 0.68±0.30
CSM2010 1.5 2~3 5.08±0.25 2.54±0.25 0.65±0.20 2.10±0.30
4~500 0.70±0.30
CSM2512 2 2 6.40±0.30 3.20±0.30 0.75±0.20 1.65±0.30
3 0.75±0.20 1.65±0.30
4~560 0.65±0.20 1.05±0.30
CSM3921 4 10~50 11.10±0.30 5.10±0.30 0.65±0.30 2.36±0.30
CSM4527 5 10~50 11.60±1.0 7.10±1.0 0.65±0.30 2.70±0.40
CSM0508 1 1~100 1.35±0.20 2.10±0.20 0.65±0.20 0.43±0.20
CSM0612 1.5 1 1.60±0.25 3.20±0.25 0.65±0.20 0.50±0.30
2~100 0.40±0.20
CSM0815 2 1~20 2.20±0.20 3.80±0.20 0.65±0.20 0.61±0.20
CSM1225 3 1~100 3.20±0.30 6.40±0.30 0.65±0.20 0.60±0.20
CSM2139 5 1~100 5.10±0.40 11.10±0.30 0.65±0.30 0.90±0.30
CSM - 電氣特性
型號 最大額定功率 (W) 最大額定電流 (A)* 最大過載電流 (A) 電阻範圍 (mΩ)* 溫度係數 (ppm/°C) 材料
D (±0.5%) F (±1%)
CSM0603 0.5 10 15.81 - 5~9 ±75 R005~R049: MnCu
R050~R100: Cu Alloy
7.07 11.18 10~100 ±50
CSM0805 0.75 13.69 21.65 - 4~9 ±75 R004~R049: MnCu
R050~R270: Cu Alloy
8.66 13.69 10~270 ±50
CSM1206 1 15.81 25 - 4~9 ±75 R004~R049: MnCu
R050~R700: Cu Alloy
10 15.81 10~700 ±50
CSM2010 1.5 27.38 43.30 - 2~9 ±100 R002~R500: Cu Alloy
12.24 19.36 10~500 ±50
CSM2512 2 31.62 50 - 2~9 ±75 R002~R049: MnCu
R050~R560: Cu Alloy
14.14 22.36 10~560 ±50
CSM3921 4 20 31.62 10~50 ±50 R010~R050: Cu Alloy
CSM4527 5 22.36 35.35 10~50 ±50 R010~R050: Cu Alloy
CSM0508 1 31.62 50 - 1~9 ±100 R001~R009: MnCu
R010~R100: Cu Alloy
10 15.81 10~100 ±50
CSM0612 1.5 38.72 61.23 - 1~9 ±100 R001~R009: MnCu
R010~R100: Cu Alloy
12.24 19.36 10~100 ±50
CSM0815 2 44.72 70.71 - 1~9 ±100 R001~R020: Cu Alloy
14.14 22.36 10~20 ±50
CSM1225 3 54.77 86.60 - 1~9 ±100 R001~R020: MnCu
R021~R100: Cu Alloy
17.32 27.38 10~100 ±50
CSM2139 5 111.80 70.71 - 1~9 ±100 R001~R020: MnCu
R021~R100: Cu Alloy
22.36 35.35 10~100 ±50

* 工作温度-55°C ~ +155°C

CSM - 環境測試
測試項目 標準規格 測試方法
溫度係數 (T.C.R) 視規格而定 JIS-C-5201-1 4.8
IEC-60115-1 4.8
-55°C~+125°C, 25°C 是參考溫度。
短時間過負載 ±(1.0% + 0. 5mΩ) JIS-C-5201-1 4.13
IEC 60115-1 4.13
RCWV*2.5 或最大過負荷電壓少於 5 秒。
可焊性測試 95% Min. coverage. JIS-C-5201-1 4.17
IEC-60115-1 4.17
245±5°C 3秒。
耐焊性測試 ±(1.0% + 0.5mΩ) JIS-C-5201-1 4.18
IEC-60115-1 4.18
260±5°C 10秒。
冷熱循環 ±(1.0% + 0.5mΩ) JIS-C-5201-1 4.19
IEC-60115-1 4.19
-55°C 到 +155°C, 100次。
耐乾旱性 ±(1.0% + 0.5mΩ) JIS-C-5201-1 4.23
IEC-60115-1 4.23.2
在 +155°C 下,1000小時。
耐濕性 ±(2.0% + 0.5mΩ)
JIS-C-5201-1 4.24
IEC-60115-1 4.24
40±2°C,90~95% R.H. 1.5小時開,0.5小時關。負載額定電流1000小時。
負載壽命 ±(2.0% + 0. 5mΩ) JIS-C-5201-1 4.25
IEC-60115-1 4.25.1
70±2°C, 1.5小時開,0.5小時關。負載額定電流1000小時。
彎曲強度 ±(1.0% + 0.5mΩ) JIS-C-5201-1 4.33
IEC-60115-1 4.33
以 2mm 翹曲 5 秒鐘。
CSM - 建議焊盤尺寸
(CSM) 建議焊盤尺寸
(CSM) 建議焊盤尺寸
型號 最大額定功率 (Watts) 電阻範圍 (mΩ) 尺寸 (mm)
a b i
CSM0603 0.5 5 1.35 0.92 0.50
6~100 1.30 0.92 0.60
CSM0805 0.75 4~270 1.40 1.44 0.80
CSM1206 1 4~700 1.80 1.84 1.20
CSM2010 1.5 2~3 3.65 2.88 0.70
4~500 2.65 2.88 2.70
CSM2512 2 2~3 3.85 3.57 1.60
4~560 3.10 3.57 3.10
CSM3921 4 10~50 4.50 5.75 5.00
CSM4527 5 10~50 4.65 8.05 5.20
CSM0508 1 1~100 1.10 2.30 0.60
CSM0612 1.5 1 1.35 3.68 0.50
2~100 1.30 3.68 0.60
CSM0815 2 1~20 2.40 4.26 0.70
CSM1225 3 1~100 2.35 7.25 1.40
CSM2139 5 1~100 2.80 12.65 2.40

CSM - 降額曲線
額定功率 vs 環境溫度 (降額曲線圖)
額定功率 vs 環境溫度 (降額曲線圖)
CSM - IR 迴流焊
IR 迴流焊
IR 迴流焊

CSM - 波峰焊 (流焊)
波峰焊 (流焊)</h5>
波峰焊 (流焊)
  1. 迴流焊在最高溫度點的時間 260°C:10s。
  2. 波峰焊在最高溫度點的時間 260°C:10s。
  3. 烙鐵在最高溫度點的時間 410°C:5s。
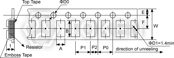
CSM - 紙帶規格
紙帶規格
紙帶規格
型號 A(mm) B(mm) W(mm) E(mm) F(mm) P0(mm) P1(mm) P2(mm) ΦD0(mm) T(mm)
CSM0603 1.18±0.20 1.98±0.20 8.00±0.30 1.75±0.10 3.50±0.10 4.0±0.10 4.00±0.10 2.00±0.10 1.50+0.1,-0 0.75±0.20
CSM0805 1.68±0.20 2.38±0.20 8.00±0.30 1.75±0.10 3.50±0.10 4.0±0.10 4.00±0.10 2.00±0.10 1.50+0.1,-0 0.87±0.20
CSM0508 1.68±0.20 2.38±0.20 8.00±0.30 1.75±0.10 3.50±0.10 4.0±0.10 4.00±0.10 2.00±0.10 1.50+0.1,-0 0.87±0.20
CSM1206 2.05±0.20 3.65±0.20 8.00±0.30 1.75±0.10 3.50±0.10 4.0±0.10 4.00±0.10 2.00±0.10 1.50+0.1,-0 0.87±0.20
CSM0612 2.05±0.20 3.65±0.20 8.00±0.30 1.75±0.10 3.50±0.10 4.0±0.10 4.00±0.10 2.00±0.10 1.50+0.1,-0 0.87±0.20

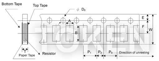
CSM - 模壓帶規格
模壓帶規格
模壓帶規格
型號 A(mm) B(mm) W(mm) E(mm) F(mm) P0(mm) P1(mm) P2(mm) ΦD0(mm) T(mm)
CSM1508 2.40±0.20 4.10±0.20 12.0±0.30 1.75±0.10 5.50±0.10 4.0±0.10 4.00±0.10 2.00±0.10 1.50+0.1,-0 0.75±0.20
CSM2010 2.85±0.20 5.45±0.20 12.0±0.30 1.75±0.10 5.50±0.10 4.0±0.10 4.00±0.10 2.00±0.10 1.50+0.1,-0 0.80±0.20
CSM2512 3.40±0.20 6.75±0.20 12.0±0.30 1.75±0.10 5.50±0.10 4.0±0.10 4.00±0.10 2.00±0.10 1.50+0.1,-0 1.00±0.20
CSM1225 3.40±0.20 6.75±0.20 12.0±0.30 1.75±0.10 5.50±0.10 4.0±0.10 4.00±0.10 2.00±0.10 1.50+0.1,-0 1.00±0.20
CSM3921 5.50±0.20 11.5±0.20 24.0±0.30 1.75±0.10 11.5±0.10 4.0±0.10 8.00±0.10 2.00±0.10 1.50+0.1,-0 0.90±0.20
CSM2139 5.50±0.20 11.5±0.20 24.0±0.30 1.75±0.10 11.5±0.10 4.0±0.10 8.00±0.10 2.00±0.10 1.50+0.1,-0 0.90±0.20
CSM4527 7.50±0.20 12.0±0.20 24.0±0.30 1.75±0.10 11.5±0.10 4.0±0.10 12.0±0.10 2.00±0.10 1.50+0.1,-0 0.90±0.20

CSM - 包裝數量 & 卷盤規格
CSM - 包裝數量 & 卷盤規格
CSM - 包裝數量 & 卷盤規格
型號 包裝數量 帶寬 卷盤直徑 ΦA(mm) ΦB(mm) ΦC(mm) W(mm) T(mm)
CSM0603 5000Pcs 8mm 7inch 178±5.0 60±2.0 13.0±1.0 9.0±1.0 11.4±1.0
CSM0805 5000Pcs 8mm 7inch 178±5.0 60±2.0 13.0±1.0 9.0±1.0 11.4±1.0
CSM1206 5000Pcs 8mm 7inch 178±5.0 60±2.0 13.0±1.0 9.0±1.0 11.4±1.0
CSM2010 4000Pcs 12mm 7inch 178±5.0 60±2.0 13.0±1.0 13.0±1.0 15.5±1.0
CSM2512 4000Pcs 12mm 7inch 178±5.0 60±2.0 13.0±1.0 13.0±1.0 15.5±1.0
CSM3921 2000Pcs 24mm 7inch 178±5.0 60±2.0 13.0±1.0 24.5±1.0 26.5±1.0
CSM4527 1000Pcs 24mm 7inch 178±5.0 60±2.0 13.0±1.0 24.5±1.0 26.5±1.0
CSM0508 5000Pcs 8mm 7inch 178±5.0 60±2.0 13.0±1.0 9.0±1.0 11.4±1.0
CSM0612 5000Pcs 8mm 7inch 178±5.0 60±2.0 13.0±1.0 9.0±1.0 11.4±1.0
CSM0815 4000Pcs 12mm 7inch 178±5.0 60±2.0 13.0±1.0 13.0±1.0 15.5±1.0
CSM1225 4000Pcs 12mm 7inch 178±5.0 60±2.0 13.0±1.0 13.0±1.0 15.5±1.0
CSM2139 2000Pcs 24mm 7inch 178±5.0 60±2.0 13.0±1.0 24.5±1.0 26.5±1.0
料號標識 (CSM) 系列
CSM 0603 F TR D U R015 M
型号
CSM
尺寸 (L×W) (mm)
0603 1.60x0.80
0805 2.00x1.20
1206 3.20x1.60
2010 5.08x2.54
2512 6.40x3.20
3921 11.10x5.10
4527 11.60x7.10
0508 1.35x2.10
0612 1.60x3.20
0815 2.20x3.80
1225 3.20x6.40
2139 5.10x11.10
阻值公差 (%)
D ±0.5%
F ±1%
包装
TR Taping Reel
温度系数 (PPM/°C)
D ±50ppm/°C
W ±75ppm/°C
E ±100ppm/°C
额定功率(W)
W 1/8W
V 1/4W
O 1/3W
U 1/2W
Q 3/4W
T 1W
A 1.5W
S 2W
R 3W
4 4W
5 5W
阻值 (Ω)
R015 0.015Ω
R050 0.05Ω
R010 0.01Ω
材料
M 锰铜
C 铜合金