合金貼片薄膜電阻器 - TCS 系列

貼片合金薄膜電阻器 (TCS)

德銘特貼片功率型 TCS 系列,超低阻值電流感測薄膜電阻器,具有薄膜電阻均勻厚度的特點,及鎳鉻合金電阻的超低阻值的特性 (50m-1)Ω,為無感(低感),採用高純度的鋁基片設計,提高散熱性。適用於高功率及高電流的電源供應器,電路板的電路偵測,具有高穩定性,低溫度係數,散熱性佳等特性,是高端電流採樣、取樣的首選。

德銘特電子提供完整毫歐貼片電阻尺寸 TCS0402、TCS0603、TCS0805、TCS1206、TCS2010、TCS2512,阻值範圍齊全,並提供電流感測/採樣/取樣電阻系列產品目錄下載。可依客戶的需求製造,若需特殊規格型式,請與德銘特電子業務聯系。

小型化的趨勢,對便攜式和手持式電子設備,增加了對超小型化電流感應電阻器的需求。針對此需求,德銘特電子生產的 TCS 低阻值貼片系列,使用薄膜的結構,使他們能夠實現精密電阻容差,小型化,低噪音,和長期穩定性。

德銘特片式精密電阻 TCS 採用鎳鉻合金、薄膜陶瓷晶片,使溫度係數低至 ±50PPM/°C 和緊密公差精度為 ±0.5%,大大提升產品的穩定性及長期的使用壽命。

德銘特的片式 TCS 電阻具有優異的穩定性在高頻率產品應用中,並適合在高電壓運行,提供更多小型化尺寸以供選擇 0402, 0603, 0402, 0805, 1206, 2010, 和 2512。全範圍的阻值從 50mΩ 到 1Ω。這 TCS 低值電阻器件,特別適合用於汽車引擎管理單元作為電流感應分流電阻。

德銘特 TCS 分流電阻系列完全符合 RoHS 標準,依產品尺寸大小,提供每卷 4Kpc,5Kpcs,10Kpcs 標準的卷盤包裝,方便使用於自動裝配工藝。

下載 PDF 版本: 貼片合金薄膜電阻器 (TCS)

特性 :
  1. 薄膜工藝。
  2. 阻值範圍從 50mΩ 到 1Ω。
  3. 公差精度從 ±1% 到 ±0.5%。
  4. 絕佳的低溫度係數從 ±200 PPM/°C 到 ±50PPM/°C。
  5. 採用高純度鋁材,具有極高的散熱性。
  6. 符合 RoHS 標準與無鉛電極焊端。
應用 :
  1. 磁盤驅動器,開關電源。
  2. 過電流保護的音頻應用。
  3. 電壓調節模塊(VRM)。
  4. 便攜式設備(PDA,手機)。
  5. DC-DC 轉換器,電池,充電器,適配器。
  6. 汽車發動機控製,電源管理應用。
結構 & 尺寸 (單位: mm) (TCS)
貼片薄膜結構尺寸
貼片薄膜結構尺寸
氧化鋁基板 邊緣電極 電阻層
底電極 阻隔層 外塗層
頂部電極 外部電極 標識
規格 L (單位: mm) W (單位: mm) T (單位: mm) D1 (單位: mm) D2 (單位: mm) 重量(g)/1000pcs
TCS02 (0402) 1.00±0.05 0.50±0.05 0.32±0.10 0.25±0.10 0.20±0.10 0.56
TCS03 (0603) 1.60±0.10 0.80±0.10 0.45±0.10 0.30±0.20 0.30±0.20 3.1
TCS05 (0805) 2.00±0.15 1.25±0.15 0.55±0.10 0.30±0.20 0.40±0.25 5.6
TCS06 (1206) 3.05±0.15 1.55±0.15 0.55±0.10 0.50±0.30 0.40±0.25 12.3
TCS10 (2010) 5.00±0.20 2.45±0.15 0.60±0.15 0.60±0.30 0.50±0.25 26.7
TCS12 (2512) 6.35±0.20 3.15±0.15 0.60±0.10 0.60±0.30 0.55±0.25 49.6
標準型-電氣特性 (TCS)
規格 額定功率 at 70°C 阻值公差 阻值範圍 溫度係數 操作溫度範圍
TCS02 (0402) 1/16W ±0.5%, ±1.0% 500mΩ~1000mΩ ±100PPM/°C
±50PPM/°C
-55 ~ +155°C
TCS03 (0603) 1/10W ±0.5%, ±1.0% 200mΩ~300mΩ
301mΩ~1000mΩ
±100PPM/°C
±50PPM/°C
TCS05 (0805) 1/8W
TCS06 (1206) 1/4W ±1.0% 50mΩ~100mΩ ±200PPM/°C
±100PPM/°C
±50PPM/°C
±0.5%,±1.0% 101mΩ~300mΩ
301mΩ~1000mΩ
TCS10 (2010) 3/4W ±0.5%,±1.0% 50mΩ~100mΩ
101mΩ~300mΩ
301mΩ~1000mΩ
±200PPM/°C
±100PPM/°C
±50PPM/°C
TCS12 (2512) 1W

高功率型-電氣特性 (TCS)
規格 額定功率 at 70°C 阻值公差 阻值範圍 溫度係數 操作溫度範圍
TCS12 (2512) 3W ±0.5%, ±1.0% 100mΩ~1000mΩ ±100PPM/°C -55 ~ +155°C
德銘特電子可以依客戶的需求的規格製造生產。如需更多的資訊,請與德銘特業務部接洽。

降額曲線 (TCS)
降額曲線 (TCS)降額曲線 (TCS)

焊盤建議 (TCS)
焊盤建議
焊盤建議
規格 A (mm) B (mm) C (mm)
TCS02 0.50 0.50 0.60±0.2
TCS03 0.80 1.00 0.90±0.2
TCS05 1.00 1.00 1.35±0.2
TCS06 2.00 1.15 1.70±0.2
TCS10 3.60 1.40 2.50±0.2
TCS12 4.90 1.60 3.10±0.2
環境測試條件 (TCS)
項目 規格標準 測試條件
溫度係數 (TCR) As Spec MIL-STD-202F Method 304
+25/-55/+25/+125/+25°C。
短時間過負載 (Short Time Overload) ±1% JIS-C-5202-5.5
RCWV*2.5 or 最大過負荷電壓 5 seconds。
絕緣耐電壓 (Dielectric Withstand Voltage) by Type MIL-STD-202F Method 301
施以最大過負荷電壓 l 分鐘。
絕緣性 (Insulation Resistance) >1000MΩ MIL-STD-202F Method 302
施以 100VDC for 1 分鐘。
耐熱性 Thermal Shock ±0.5% MIL-STD-202F Method 107G
-55°C~150°C, 100次循環。
負載壽命 (Load Life or Endurance) ±1% MIL-STD-202F Method 108A
70±2°C, RCWV, 70°C, 1.5 小時開 ,0.5 小時關 1000小時。
耐濕性 (Humidity) ±0.5% MIL-STD-202F Method 103B
40°C, 90~95%RH, RCWV 1.5 小時開,0.5 小時關, 1000小時。
耐低溫性 (Low Temperature Operation) ±0.5% JIS-C-5202-7.1
1hour, -65°C 加以 45 分鐘的 RCWV。
彎曲強度 (Bending Strength) As Spec JIS-C-5202-6.1.4
以 3mm 翹曲 10 秒鐘。
焊接性 (Solderability) 95%min 覆蓋 MIL-STD-202F Method 208H
245°C±5°C, 3 秒鐘。
耐焊溫度 (Resistance to Soldering Heat) ±0.5% MIL-STD-202F Method 210E
260±5°C, 10±1 秒鐘。
額定工作電壓 (RCWV) = 額定功率 × 阻值 (Ω) 或最大工作電壓) 兩數取其低。儲存溫度: 15~28°C, 濕度 < 80%RH

回流焊 (TCS)
回流焊回流焊
包裝數量 & 卷盤規格 (TCS)
卷盤規格
卷盤規格
規格 ΦA ΦB ΦC W T 紙帶 (EA) 模壓帶 (EA)
TCS02 178.0±1.0 60.0±1.0 13.5±0.7 9.5±1.0 11.5±1.0 10,000Pcs -
TCS03 178.0±1.0 60.0±1.0 13.5±0.7 9.5±1.0 11.5±1.0 5,000Pcs -
TCS05 178.0±1.0 60.0±1.0 13.5±0.7 9.5±1.0 11.5±1.0 5,000Pcs -
TCS06 178.0±1.0 60.0±1.0 13.5±0.7 9.5±1.0 11.5±1.0 5,000Pcs -
TCS10 178.0±1.0 60.0±1.0 13.5±0.7 13.5±1.0 15.5±1.0 - 4,000Pcs
TCS12 178.0±1.0 60.0±1.0 13.5±0.7 13.5±1.0 15.5±1.0 - 4,000Pcs

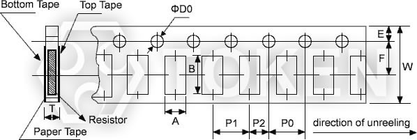
紙帶規格 (TCS)
紙帶規格
紙帶規格
剝離力
剝離力
規格 A B W E F P0 P1 P2 ΦD0 T
TCS02 0.70±0.05 1.16±0.05 8.00±0.10 1.75±0.05 3.50±0.05 4.00±0.10 2.00±0.10 2.00±0.05 1.55±0.05 0.40±0.03
TCS03 1.10±0.05 1.90±0.05 8.00±0.10 1.75±0.05 3.50±0.05 4.00±0.10 4.00±0.10 2.00±0.05 1.55±0.05 0.60±0.03
TCS05 1.60±0.05 2.37±0.05 8.00±0.10 1.75±0.05 3.50±0.05 4.00±0.10 4.00±0.10 2.00±0.05 1.55±0.05 0.75±0.05
TCS06 2.00±0.05 3.55±0.05 8.00±0.10 1.75±0.05 3.50±0.05 4.00±0.10 4.00±0.10 2.00±0.05 1.55±0.05 0.75±0.05
◉ 頂蓋膠帶剝離力。
◉ 剝離力速度t 300mm/min5±5%。
◉ 頂蓋膠帶剝離力應為 10 to 100g。

模壓帶規格 (TCS)
模壓帶規格 (TCS)
模壓帶規格 (TCS)
規格 A B W E F P0 P1 P2 ΦD0 T
TCS10 2.85±0.10 5.45±0.10 12.0±0.10 1.75±0.10 5.5±0.05 4.00±0.05 4.00±0.10 2.00±0.05 1.50+0.10 1.00±0.20
TCS12 3.40±0.10 6.65±0.10 12.0±0.10 1.75±0.10 5.5±0.05 4.00±0.05 4.00±0.10 2.00±0.05 1.50+0.10 1.00±0.20
料號標識 (TCS)
TCS 02 D TR E   1R00 N
型號
尺寸
(L×W) (mm)
02 0402
03 0603
05 0805
06 1206
10 2010
12 2512
阻值公差(%)
F ±1%
D ±0.5%
包裝方式
P 散裝
TR 編帶卷裝
溫度係數
(ppm/°C)
D ±50ppm/°C
E ±100ppm/°C
F ±200ppm/°C
額定功率
(W)
  標準標示
R 3W
阻值
(Ω)
R010 0.01Ω
R100 0.100Ω
1R00 1.000Ω
標示
  標準標示
N 無標示

3 位數標示 0603 (TCS)
阻值 0.1Ω 0.15Ω 0.01Ω 0.101Ω 0.035Ω
Codes 1R0 R10 R15 R01 101 035

4 位數標示 (0805~2512) (TCS)
阻值 0.1Ω 0.05Ω 0.015Ω 0.01Ω 0.39Ω
Codes 1R00 R100 R050 R015 R010 R390