功率合金超低阻值電阻 (LRP)

功率合金超低阻值電阻 (LRP)

德建電子 (Token Electronics) Power Metal Strip (LRP 2512) 貼片電阻採用合金鎳鉻電阻芯的全焊接結構,具有優異的電性能,可實現在 -55°C ~ +170°C 溫度範圍工作的高功率電阻,低溫度係數 TCR ±50PPM/°C ~ ±75PPM/°C ,同時保持 Power Metal Strip 特性。

德建 (LRP 2512) 貼片低阻值電阻,適合所有類型的電流檢測和脈沖應用,包括開關和線性電源、功率放大器、儀表;服務器、筆記本電腦的VRM、鋰離子電池安全和管理的DC/DC轉換器;混合動力系統的逆變器控製;測量設備等工業控製、石油/天然氣井鉆探的井下測試;汽車空調、電池管理控製、及無刷直流電機、引擎、防抱死剎車等汽車電子控製裝置中的分流應用。

(LRP) 適用於需要大範圍的應用設計,功率範圍從 1W 到 3W,超低阻值範圍從 7mΩ 到 100mΩ,±0.5%, ±1%, ±5% 的超精密公差,且具有完全的尺寸 2512。實現工程師設計能用更少、更小的元器件來完成更輕的產品,從而節省電路板空間,並降低成本。

德銘特的 (LRP 2512) 功率合金電阻,符合RoHS和無鉛標準,提供更有競爭力的價格和快速交貨服務,是 Vishay 理想的替代元器件。 需最新的詳細規格信息,或特定需求,請聯系德銘特客服。

下載 PDF 版本: 功率合金超低阻值電阻 (LRP)

特性
  1. 低阻值從 7mΩ 到 100mΩ。
  2. Power Metal Strip 功率合金條工藝。
  3. 公差精度從 ±0.5%,±1% 到 ±5%。
  4. 低溫度係數 ±50 PPM/°C ~ ±75 PPM/°C。
  5. 功率範圍從 1 到 3W。
應用 :
  1. 電流檢測和脈沖應用。
  2. 電壓調節模塊(VRM)。
  3. 磁盤驅動器,開關電源。
  4. 便攜式設備(PDA,手機)。
  5. DC-DC 轉換器,電池,充電器,適配器。
  6. 汽車發動機控製,電源管理應用。
功率合金條結構 (LRP 2512)
功率合金條結構 (LRP)Chip 功率合金條結構 (LRP 2512)
規格 尺寸 (Inch) L(mm) W(mm) T(mm) D(mm)
LRP12 2512 6.40±0.25 3.20±0.25 0.70±0.20 0.90±0.30

Construction (LRP)
a b c d e f
外塗層 標示 合金板 內部電極 阻隔層 焊料電鍍

註: 德銘特電子可以依客戶的需求的規格製造生產。如需更多的資訊,請與德銘特業務部接洽。

電氣特性 (LRP 2512)
規格 額定功率
(at 70°C)
操作溫度範圍
°C
阻值公差
(±%)
阻值範圍
(mΩ)
溫度係數
(±PPM/°C)
LRP12 (2512) 1W, 2W, 3W -55°C ~ +170°C ±0.5%, ±1%, ±5% 15, 18, 20, 22, 25, 30, 33, 35, 39, 40, 47, 50, 60, 68, 70, 75, 80, 82, 90, 91, 100 ±50
7, 8, 9, 10, 12, 15, 18, 20, 22, 25, 30, 33, 35, 39, 40, 47, 50, 60, 68, 70, 75, 80, 82, 90, 91, 100 ±75
額定電壓 V = ( ( P * R )   或最大工作電壓) 兩數取其低。
儲存溫度: (15 ~ 28)°C; 濕度 < 80%RH。
德銘特電子可以依客戶的需求的規格製造生產。如需更多的資訊,請與德銘特業務部接洽。

降額曲線圖 (LRP 2512)
降額曲線圖(LRP) 降額曲線圖

建議焊盤布局 (LRP 2512)
建議焊盤布局
建議焊盤布局
規格 A (mm) B (mm) C (mm)
LRP12 4.00 2.00 3.50

*FR4 銅板, 銅墊厚度 100μm

包裝數量 & 卷盤規格 (LRP 2512)
卷盤規格
卷盤規格
規格 包裝數量 編帶寬度 卷盤直徑 ΦA (mm) ΦB (mm) ΦC (mm) W (mm) T (mm)
LRP12 Embossed 4,000 pcs 12 mm 7 inch 178.0±1.5 60.0±1.0 13.0±0.5 13.0±1.0 15.5±0.5

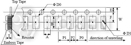
模壓帶規格 (LRP 2512)
(LRP 2512) 模壓帶規格(LRP 2512) 模壓帶規格
規格 A (mm) B (mm) W (mm) E (mm) F (mm) P0 (mm) P1 (mm) P2 (mm) ΦD0 (mm) ΦD1 (mm) T
LRP12 3.50±0.10 6.70±0.10 12.0±0.30 1.75±0.10 5.5±0.05 4.0±0.10 4.0±0.10 2.0±0.05 1.50±0.10 1.50±0.25 1.2±0.15
Notice : 1. 10 鏈輪孔間距的累積公差 ±0.2mm。
2. 載體倉不可超過 1mm 每 250mm 長度。
3. A&B 從包體的底部測量 0.3mm。
4. T 為從包體的內底部測量到載體的頂表面。
5. 相對於鏈輪孔和小口袋盒位置測量是以實際小口袋盒的位置,而不是小口袋盒孔。
焊接條件 (僅回流焊) (LRP 2512)
回流焊 (LRP 2512)回流焊 (LRP 2512)

     IR 回流焊在最高溫度點的時間: 260°C:10s。
     烙鐵在最高溫度點的時間: 410°C:5s

Environmental Characteristics (LRP)
項目 規格標準 測試條件
耐熱性 (Thermal Shock)
±1%
IEC-60115-1 4.19
JIS-C-5201-1 4.19
-55°C ~ 155°C, 5 次循環。
短時間過負載 (Short Time Overload)
±1%
IEC60115-1 4.13
JIS-C-5201-1 4.13
5*最大過負荷電壓 5 秒。
低溫儲藏 (Low Temperature Storage)
±1%
IEC-60115-1 4.23.4
JIS-C-5201-1 4.23.4
at-55°C for 1000 小時。
高濕偏置 (Biased Humidity)
±1%
MIL-STD-202 Method 103
工作功率 1000 小時, 85°C/85% RH 10%。
彎曲強度 (Bending Stength)
±1%
IEC-60115-1 4.33
JIS-C-5201-1 4.33
以 2mm 翹曲一次 5 秒鐘。
負載壽命 (Endurance)
±1%
IEC60115-1 4.25
JIS-C-5201-1 4.25.1
70±2°C, RCWV 1.5 小時開 ,0.5 小時關 1000 小時。
耐乾旱性 (Dry Heat)
±1%
IEC60115-1 4.23.2
JIS-C-5201-1 4.23.2
at +170°C for 1000 小時。
耐焊溫度 (Resistance to Soldering Heat)
±0.5%
IEC-60115-1 4.18
JIS-C-5201-1 4.18
260±5°C, for 10 秒鐘。
絕緣性 (Insulation Resistance)
>100MΩ
IEC60115-1 4.6
JIS-C-5201-1 4.13
100V DC for 1 minute
焊接性 (Solderability)
95% min coverage
IEC-60115-1 4.17
JIS-C-5201-1 4.17
245±5°C for 3 秒鐘。
溫度係數 (T.C.R.)
As Spec.
IEC60115-1 4.8
JIS-C-5201-1 4.8
-55°C ~+125°C. (25°C 是參考溫度。)
額定電壓 V = ( ( P * R )   或最大工作電壓) 兩數取其低。
儲存溫度: (15 ~ 28)°C; 濕度 < 80%RH。
料號標識 (LRP)
LRP 12 F TR D S R050  
型號
尺寸
(L×W)(mm)
12 EIA2512
阻值公差 (%)
D ±0.5%
F ±1%
J ±5%
包裝方式
TR 編帶卷裝
溫度係數 (PPM/°C)
D ±50PPM/°C
W ±75PPM/°C
額定功率
T 1W
S 2W
R 3W
阻值 (Ω)
R015 0.015Ω
R050 0.05Ω
標示
  無標示