大電流電子束焊精密分流器 (FLW) 系列

大電流型 電子束焊精密分流器 (FLW)

在國際上,生產更高品質的競爭壓力越來越大,尤其需以經濟的價格於短時間內生產高性價比的元器件。德銘特電子因此一直跟隨新科技優勢,採用專業的電子束焊 Electron Beam Welding (EBW) 製程。推出新增強匯流排精密分流電阻器 (FLW) 系列,由新一代的自動裝載機生產,以滿足所有這些要求在電子束焊接領域。

電子束焊精密分流電阻器 (FLW) 於電壓降 75 mV, 1.5 mΩ 到 0.075 mΩ 歐姆值時,可承載高達 50A 至1000A 的高電流,低溫度係數 TCR (10-6) ± 20,± 50, 提供精度 ±0.5% 和 ±1% 公差的選擇。

(FLW) 大電流電子束焊精密分流器,採用全電子束焊接技術,易於裝配,機械強度高,抗振性強,運行可靠。其低電感值的特性,常被應用於各種電能表逆變器,交流/直流變流器, UPS,電池管理模組,變頻器,電源模組等低電感產品應用。

德銘特 (FLW) 系列的形狀和尺寸可以客製化, 無鉛散裝包裝,產品符合 RoHS 標準。我們工程師將與客戶協同合作,創建和開發產品設計,以滿足客戶市場需求。對於非標準的特殊阻值、尺寸、規格、產品最新信息,技術要求及特殊應用,請與我們聯繫確認。

下載 PDF 版本: 大電流電子束焊精密分流器 (FLW)

特性
  1. 高精度 ±0.5%、±1%,低溫度係數 TCR (10-6) ±20、±50。
  2. 低阻值、低電感、低功耗、長期穩定佳。
  3. 電阻體採用高能電子束焊工藝。
應用 :
  1. 電力配電、蓄電池管理變頻、負載測試。
  2. 適用于電源等回路的限流、電流平衡或取樣檢測。
  3. 適用于功能性低電感電源的應用。
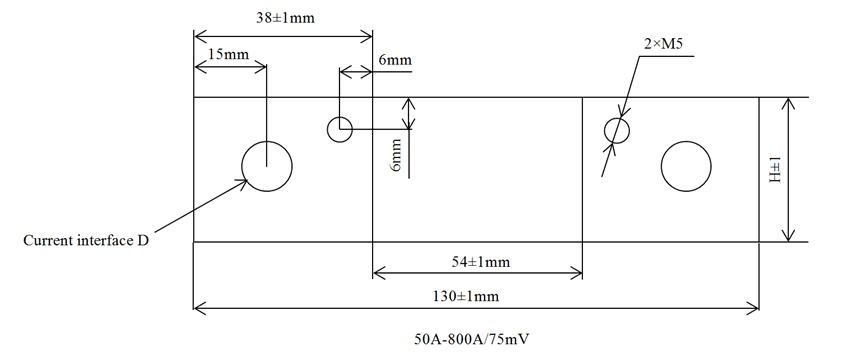
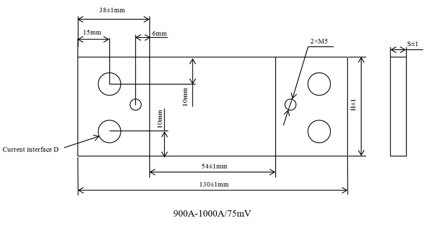
尺寸 (Unit: mm) 及性能技術指標
大電流電子束焊精密分流器 (FLW) 50A-800A 大電流電子束焊精密分流器 (FLW) 900A-1000A大電流電子束焊精密分流器 (FLW)
型號 額定電流
(A)
標稱阻值
(mΩ)
電壓降
(mV)
阻值精度
(%)
溫度係數
(10-6)
外形尺寸 (mm)
S H ΦD
FLW 50 1.5 75 ± 0.5(D)
± 1(F)
± 20
± 50
1.5 9 Φ6.5x2
100 0.75 2.0 16.5
150 0.5 2.5 20
200 0.375 2.5 26 Φ8.5x2
300 0.25 3.2 30
400 0.1875 4.0 33 Φ10.5x2
500 0.15 5.0 33
600 0.125 6.0 33
700 0.1014 6.0 40 Φ10.5x4
800 0.0938 6.5 40
900 0.0833 6.5 45
1000 0.075 6.5 50
功耗曲線
功耗曲線功耗曲線
性能測試
測試項目 性能要求 測試方法
短期過負荷
Short time overload
≤ ±(1%+0.05Ω) 10PR、5S
衝擊
Shock
≤ ±(1%+0.05Ω) 1000m/S2、6mS
振動
Vibration
≤ ±(1%+0.05Ω) 10-1000Hz、0.75mm、98m/S2
室溫耐久度
Durability at room temperature
≤ ±(2%+0.05Ω) 25°C、PR、1000h
料號標識 (FLW)
FLW 50A 75mV D P
型號
FLW
額定電流 (A)
50A 50 A
100A 100 A
700A 700 A
1000A 1000 A
壓降 (mV)
75mV 75 mV
精度等級 (%)
F ±1%
D ±0.5%
包裝方式
P 散裝