片式陶瓷鑒頻器 - JTCV10.7M 系列

片式陶瓷鑒頻器 調頻窄帶型 (JTCV10.7M)

德銘特電子生產片式陶瓷鑒頻器、片式陶瓷濾波器、陶瓷諧振器、陶瓷陷波器等,與村田壓電陶瓷兼容,符合 RoHS 標準,以充分滿足客戶及環境保護的要求。

鑒頻器是一種具有移相鑒頻特性的陶瓷濾波元件,主要用在電視機或錄像機的伴音中頻放大或解調電路中,以及 FM 調頻收音機的鑒頻器電路中。

它分為平衡型和微分型兩種類型,前者用於同步鑒相器作平衡式鑒頻解調,後者用於差分峰值鑒頻器作差動微分式鑒頻解調。

德銘特調頻音頻窄帶型 JTCV10.7M 系列片式鑒頻器,搭配多種 IC 應用於 FM 程序檢驗,轉換頻率為有用的音頻信號。

下載 PDF 版本: 片式陶瓷鑒頻器 調頻窄帶型 (JTCV10.7M)

特性 :
  1. 點失真度 (%) max:0.7 ~ 1.0。
  2. fo 點鑒頻輸出(mv) min:25 ~ 650。
  3. 小體積尺寸(單位 mm):3.7±0.2 × 3.1±0.2 × 1.4±0.2。
  4. 多種規格可供多種 IC 搭配選擇,穩定,高靈敏度,體積小,重量輕。
  5. 操作溫度範圍:-20 ~ +80 (°C),儲藏溫度範圍:-40 ~ +85 (°C)。
調頻用 (JTCV10.7M) 鑒頻器貼片尺寸(單位 mm)
調頻用片式陶瓷鑒頻器 (JTCV10.7M) 尺寸圖
調頻用片式陶瓷鑒頻器 (JTCV10.7M) 尺寸圖
調頻用 (JTCV10.7M) 測試電路
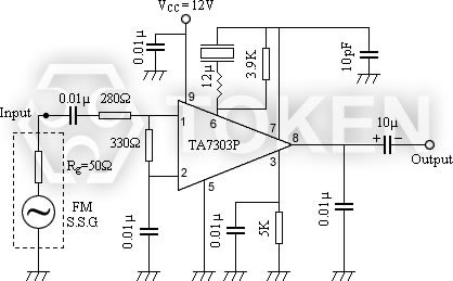
片式陶瓷鑒頻器 JTCV10.7MG3 測試電路圖
片式陶瓷鑒頻器 JTCV10.7MG3 測試電路圖
片式陶瓷鑒頻器 JTCV10.7MG16 測試電路圖
片式陶瓷鑒頻器 JTCV10.7MG16 測試電路圖
片式陶瓷鑒頻器 JTCV10.7MG18 測試電路圖
片式陶瓷鑒頻器 JTCV10.7MG18 測試電路圖
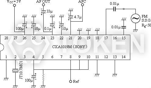
片式陶瓷鑒頻器 JTCV10.7MC1 測試電路圖
片式陶瓷鑒頻器 JTCV10.7MC1 測試電路圖
調頻用 (JTCV10.7M) 鑒頻器技術特性
型 號 點鑒頻輸出
(mv) min
點失真度
(%) max
鑒頻輸出 3 分貝帶寬
(KHz) max
適用
IC
JTCV10.7MG1 25 1.0 345 CX-2009, CX-20111
JTCV10.7MG3 650 1.0 ±150 TA7303P, TA7130, μPC1028H, LA1150
JTCV10.7MG16 60~90 0.9 300 TA8122AN
JTCV10.7MG18 60~90 0.9 300 TA8132N
JTCV10.7MG33 45 0.7 250 TA2007
JTCV10.7MG80 65 1.0 300 TA2104AFN
JTCV10.7MG82 90 0.8 320 TA2099N
JTCV10.7MG92 60 1.0 300 TA2132P
JTCV10.7MC1 35 1.0 242 CXA1019M, CX-20091
調頻用 (JTCV10.7M) 料號標識
JTCV10.7MG3 TR
型號
包裝方式 (TR:編帶卷裝)