
隨著開關電源類的數字電路的普及和發展,電子設備輻射和泄漏的電磁波不僅嚴重干擾其他電子設備正常工作,導致設備功能紊亂、傳輸錯誤、控製失靈,而且威脅著人類的健康與安全,已成為一種無形汗染。因此降低電子設備的電磁干擾 (EMI) 已成為世界電子行業關註的問題。
降低電子設備的電磁干擾已成為電子產品是否有市場的關鍵問題。而軟磁材料已成為 EMI 濾波器中不可少的元件,並起著舉足輕重的作用。
德銘特電子採用多種軟磁材料,利用軟磁材料具有的獨特性能,製成的各種抑製 EMI 元器件,使其在抗電磁干擾領域發揮主要作用,並廣泛地應用於各種電子電路和設備之中。
EMI 濾波器的作用是阻隔不需要的信號並以發熱的形式消耗掉,而讓需要的信號無衰減或幾乎不衰減地通過。德銘特提供客護訂製 EMI 線性濾波電感器服務,挑選這合頻段的磁性材料,使濾波電感達到最經濟和最佳效果,並滿足客護設計的電子設備 EMC 標準,
德銘特提供完整 EMI 線性濾波電感尺寸,感量範圍齊全,可依客護的需求製造,若需特殊規格型式,請與德銘特業務聯系。
下載 PDF 版本: EMI 抑製器 線性濾波電感器 (TCUU/TCET)。
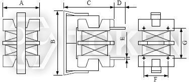
| EMI抑製器 線性濾波電感器 結構及尺寸(單位:mm) (TCUU98V) | ||||||||
|
||||||||
| 型號 | A (max) | B (max) | C (max) | D | E | F | G | |
| TCUU98V | 11.0 | 16.5 | 16.5 | 3.5 | Φ0.6 | 7.0 | 8.0 | |
備註:可依客護特殊需求設計。
| EMI抑製器 線性濾波電感器 電子特性 at 25°C (TCUU98V) | ||||
| 產品料號 | 電感值 (mH)(min) | 電感公差 (µH max) | 直流阻抗 (Ω)(max) | 定格電流 (A)(max) |
| TCUU98V-471 | 0.47 | 25 | 0.15 | 1.00 |
| TCUU98V-681 | 0.68 | 25 | 0.25 | 0.85 |
| TCUU98V-102 | 1.0 | 50 | 0.35 | 0.70 |
| TCUU98V-222 | 2.2 | 50 | 0.7 | 0.50 |
| TCUU98V-392 | 3.9 | 100 | 1.20 | 0.38 |
| TCUU98V-472 | 4.7 | 100 | 1.60 | 0.34 |
| TCUU98V-682 | 6.8 | 150 | 2.50 | 0.25 |
| TCUU98V-103 | 10.0 | 200 | 4.00 | 0.20 |
備註:測試頻率:1.0kHz
允許電流值:當溫度升到 40°C 的直流電流。(Ta=25°C )
| EMI抑製器 濾波電感器 結構及尺寸(單位:mm) (TCUU98H) | |||||||
|
|||||||
| 型號 | A (max) | B (max) | C (max) | D | E | F | |
| TCUU98H | 15.5 | 16.5 | 12.5 | Φ0.6 | 7.0 | 8.0 | |
備註:可依客護特殊需求設計。
| EMI抑製器 濾波電感器 電子特性 at 25°C (TCUU98H) | ||||
| 產品料號 | 電感值 (mH)(min) | 電感公差 (µH max) | 直流阻抗 (Ω)(max) | 定格電流 (A)(max) |
| TCUU98H-471 | 0.47 | 25 | 0.15 | 1.00 |
| TCUU98H-681 | 0.68 | 25 | 0.25 | 0.85 |
| TCUU98H-102 | 1.0 | 50 | 0.35 | 0.70 |
| TCUU98H-222 | 2.2 | 50 | 0.7 | 0.50 |
| TCUU98H-392 | 3.9 | 100 | 1.20 | 0.38 |
| TCUU98H-472 | 4.7 | 100 | 1.60 | 0.34 |
| TCUU98H-682 | 6.8 | 150 | 2.50 | 0.25 |
| TCUU98H-103 | 10.0 | 200 | 4.00 | 0.20 |
備註:測試頻率:1.0kHz
允許電流值:當溫度升到 40°C 的直流電流。(Ta=25°C )
| EMI抑製器 濾波電感器 結構及尺寸 (單位:mm) (TCUU10) | ||||||||
|
||||||||
| 型號 | A (max) | B (max) | C (max) | D | E | F | G | |
| TCUU10 | 17.0 | 18.5 | 23.0 | 4.0 | Φ0.7 | 10.0 | 13.0 | |
備註:可依客護特殊需求設計。
| EMI抑製器 濾波電感器 電子特性 at 25°C (TCUU10) | ||||
| 產品料號 | 電感值 (mH)(min) | 電感公差 (µH max) | 直流阻抗 (Ω)(max) | 定格電流 (A)(max) |
| TCUU10-332 | 3.3 | 100 | 0.71 | 0.65 |
| TCUU10-682 | 6.8 | 200 | 1.26 | 0.435 |
| TCUU10-123 | 12.0 | 360 | 2.20 | 0.34 |
| TCUU10-223 | 22.0 | 440 | 3.64 | 0.25 |
| TCUU10-333 | 33.0 | 660 | 5.74 | 0.20 |
| TCUU10-513 | 51.0 | 1000 | 9.12 | 0.15 |
備註:測試頻率:1.0kHz
允許電流值:當溫度升到 40°C 的直流電流。(Ta=25°C )
| EMI抑製器 濾波電感器 結構及尺寸(單位:mm) (TCUU16) | ||||||||
|
||||||||
| 型號 | A (max) | B (max) | C (max) | D | E | F | G | |
| TCUU16 | 22.0 | 20.0 | 28.5 | 4.5 | Φ0.7 | 10.0 | 13.0 | |
備註:可依客護特殊需求設計。
| EMI抑製器 濾波電感器 電子特性 at 25°C (TCUU16) | ||||
| 產品料號 | 電感值 (mH)(min) | 電感公差 (µH max) | 直流阻抗 (Ω)(max) | 定格電流 (A)(max) |
| TCUU16-152 | 1.5 | 40 | 0.125 | 1.90 |
| TCUU16-402 | 4.0 | 60 | 0.27 | 1.20 |
| TCUU16-802 | 8.0 | 80 | 0.46 | 0.90 |
| TCUU16-203 | 20.0 | 150 | 1.60 | 0.50 |
| TCUU16-303 | 30.0 | 200 | 2.50 | 0.40 |
備註:測試頻率:1.0kHz
允許電流值:當溫度升到 40°C 的直流電流。(Ta=25°C )
| EMI抑製器 濾波電感器 結構及尺寸(單位:mm) (TCUT20) | ||||||||
|
||||||||
| 型號 | A (max) | B(max) | C(max) | D | E | F | G | |
| TCUT20 | 17.2 | 22.0 | 22.5 | 4.5 | Φ0.8 | 10.0 | 13.0 | |
備註:可依客護特殊需求設計。
| EMI抑製器 濾波電感器 電子特性 at 25°C (TCUT20) | ||||
| 產品料號 | 電感值 (mH)(min) | 電感公差 (µH max) | 直流阻抗 (Ω)(max) | 定格電流 (A)(max) |
| TCUT20-222 | 2.2 | 150 | 0.24 | 1.30 |
| TCUT20-392 | 3.9 | 150 | 0.41 | 1.00 |
| TCUT20-103 | 10.0 | 550 | 1.00 | 0.60 |
| TCUT20-183 | 18.0 | 600 | 1.63 | 0.50 |
| TCUT20-223 | 22.0 | 800 | 2.04 | 0.40 |
| TCUT20-333 | 33.0 | 800 | 3.42 | 0.30 |
備註:測試頻率:1.0kHz
允許電流值:當溫度升到 40°C 的直流電流。(Ta=25°C )
| EMI抑製器 濾波電感器 結構及尺寸(單位:mm) (TCET24B) | ||||||||
|
||||||||
| 型號 | A (max) | B(max) | C(max) | D | E | F | G | |
| TCET24B | 18.5 | 25.5 | 31.0 | 4.0 | Φ0.8 | 10.0 | 13.0 | |
備註:可依客護特殊需求設計。
| EMI抑製器 濾波電感器 電子特性 at 25°C (TCET24B) | ||||
| 產品料號 | 電感值 (mH)(min) | 電感公差 (µH max) | 直流阻抗 (Ω)(max) | 定格電流 (A)(max) |
| TCET24B-252 | 2.5 | 100 | 0.13 | 2.00 |
| TCET24B-352 | 3.5 | 150 | 0.18 | 1.70 |
| TCET24B-452 | 4.5 | 200 | 0.21 | 1.50 |
| TCET24B-103 | 10.0 | 300 | 0.47 | 1.00 |
| TCET24B-153 | 15.0 | 400 | 0.73 | 0.80 |
| TCET24B-203 | 20.0 | 600 | 0.87 | 0.70 |
| TCET24B-353 | 35.0 | 800 | 1.58 | 0.60 |
備註:測試頻率:1.0kHz
允許電流值:當溫度升到 40°C 的直流電流。(Ta=25°C )
| EMI抑製器 濾波電感器 結構及尺寸(單位:mm) (TCET24H) | ||||||||
|
||||||||
| 型號 | A (max) | B(max) | C(max) | D | E | F | G | |
| TCET24H | 18.5 | 25.5 | 31.0 | 4.0 | Φ0.8 | 10.0 | 13.0 | |
備註:可依客護特殊需求設計
| EMI抑製器 濾波電感器 電子特性 at 25°C (TCET24H) | ||||
| 產品料號 | 電感值 (mH)(min) | 電感公差 (µH max) | 直流阻抗 (Ω)(max) | 定格電流 (A)(max) |
| TCET24H-252 | 2.5 | 100 | 0.13 | 2.00 |
| TCET24H-352 | 3.5 | 150 | 0.18 | 1.70 |
| TCET24H-452 | 4.5 | 200 | 0.21 | 1.50 |
| TCET24H-103 | 10.0 | 300 | 0.47 | 1.00 |
| TCET24H-153 | 15.0 | 400 | 0.73 | 0.80 |
| TCET24H-203 | 20.0 | 600 | 0.87 | 0.70 |
| TCET24H-353 | 35.0 | 800 | 1.58 | 0.60 |
備註:測試頻率:1.0kHz
允許電流值:當溫度升到 40°C 的直流電流。(Ta=25°C )
| EMI抑製器 濾波電感器 結構及尺寸(單位:mm) (TCET28B) | ||||||||
|
||||||||
| 型號 | A (max) | B(max) | C(max) | D | E | F | G | |
| TCET28B | 22.0 | 31.0 | 35.5 | 4.0 | Φ0.8 | 10.0 | 13.0 | |
備註:可依客護特殊需求設計
| EMI抑製器 濾波電感器 電子特性 at 25°C (TCET28B) | ||||
| 產品料號 | 電感值 (mH)(min) | 電感公差 (µH max) | 直流阻抗 (Ω)(max) | 定格電流 (A)(max) |
| TCET28B-182 | 1.8 | 100 | 0.072 | 2.60 |
| TCET28B-682 | 6.8 | 200 | 0.23 | 1.60 |
| TCET28B-123 | 12.0 | 400 | 0.38 | 1.20 |
| TCET28B-223 | 22.0 | 500 | 0.65 | 1.00 |
| TCET28B-393 | 39.0 | 700 | 1.43 | 0.70 |
| TCET28B-683 | 68.0 | 850 | 1.82 | 0.60 |
備註:測試頻率:1.0kHz
允許電流值:當溫度升到 40°C 的直流電流。(Ta=25°C )
| EMI抑製器 濾波電感器 結構及尺寸(單位:mm) (TCET28H) | ||||||||
|
||||||||
| 型號 | A (max) | B(max) | C(max) | D | E | F | G | |
| TCET28H | 30.0 | 30.0 | 23.5 | 3.5 ± 0.5 | Φ0.8 ±0.1 | 24.0 ± 0.5 | 20.0 ± 0.5 | |
備註:可依客護特殊需求設計。
| EMI抑製器 濾波電感器 電子特性 at 25°C (TCET28H) | ||||
| 產品料號 | 電感值 (mH)(min) | 電感公差 (µH max) | 直流阻抗 (Ω)(max) | 定格電流 (A)(max) |
| TCET28H-182 | 1.8 | 100 | 0.072 | 2.60 |
| TCET28H-682 | 6.8 | 200 | 0.23 | 1.60 |
| TCET28H-123 | 12.0 | 400 | 0.38 | 1.20 |
| TCET28H-223 | 22.0 | 500 | 0.65 | 1.00 |
| TCET28H-393 | 39.0 | 700 | 1.43 | 0.70 |
| TCET28H-683 | 68.0 | 850 | 1.82 | 0.60 |
備註:測試頻率:1.0kHz
允許電流值:當溫度升到 40°C 的直流電流。(Ta=25°C )
| EMI抑製器 濾波電感器 料號標識 (TCUU98V,TCUU98H,TCUU10,TCUU16) | ||||||||||||||||||||||||||||
| TCUU98V | 471 | D | P | |||||||||||||||||||||||||
![]() | ![]() | ![]() | ![]() | |||||||||||||||||||||||||
|
|
|
|
|||||||||||||||||||||||||
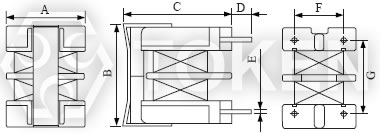
| EMI抑製器 濾波電感器 料號標識 (TCUT20,TCET24B,TCET24H,TCET28B,TCET28H) | ||||||||||||||||||||||
| TCUT20 | 222 | P | ||||||||||||||||||||
![]() | ![]() | ![]() | ||||||||||||||||||||
|
|
|
||||||||||||||||||||