
耐沖擊晶圓電阻器 MELF,提供最大的散熱性
為設計工程師提供晶圓電阻系列,專為浪湧及脈沖應用,德銘特電子 MELF 電阻器擴展功率性能可達 3W。
德銘特表面貼裝浪湧脈沖電阻有 RGM16M,RGM17M,RGM18M,和 RGM74 系列,這功率型表面貼裝系列,都使用德銘特的金屬釉膜電阻元件的高含鋁陶瓷棒。 RGM 系列於圓柱形電阻器的終端壓入鐵帽,以增加電阻器的散熱效果。
RGM MELF 功率系列擁有出色的散熱性能及各種浪湧能力。堅固 RGM18M 系列額定功率可高達 3W,並提供最大的散熱性能。而 RGM74 系列,提供高達 3 倍於傳統電阻的浪湧能力,相當於 10 倍的小型厚膜貼片電阻浪湧等級。 耐沖擊晶圓電阻器提供的功能範圍,使客戶能夠選擇最好、最穩定的性能,甚至應用在惡劣環境下。
金屬釉厚膜阻抗材料是在 1000°C 燒結到高純鋁的陶瓷棒,使其電阻皮膜堅實附著在瓷棒上。額定功率有 0.5W,1W,2W 和 3W 在 70°C。 阻值範圍從 10kΩ ~ 1GΩ,標準公差為 ±0.5%,最高電壓高達 6000V,電阻溫度係數為 TCRs ±100ppm/°C。最高工作溫度為 +125°C。
RGM 晶圓電阻器是最好的選擇,當防浪湧、防脈沖、耐沖擊電阻器是必需的時。其他主要應用有:交流電源保護,電視機的隔離主電路/二次回路,分壓器,點火/開關電路的電子鎮流器。
德銘特也可產生超出上述規格的 RGM,以滿足客戶的要求。聯系我們與您的特定需求。
下載 PDF 版本: 防浪湧脈沖 耐沖擊晶圓電阻 RGM。
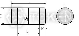
| 防浪湧脈衝型 RGM 系列 尺寸及建議焊盤尺寸 | ||||||
|
||||||
| 型 號 | RGM74 | RGM16M | RGM17M | RGM18M | ||
| DIN type | DIN: 0207 | DIN: 0207 | DIN: 0309 | DIN: 0411 | ||
| 尺寸 Max (±0.3 mm) | L | 5.7 | 6.1 | 8.7 | 11 | |
| L1 | 3.5 | 3.9 | 6.2 | 8.8 | ||
| D | 2.1 | 2.1 | 3.1 | 3.9 | ||
| K | 0.6 | 0.8 | 1.0 | 1.3 | ||
| D1 | D+0/D-0.5 | D+0/D-0.5 | D+0/D-0.5 | D+0/D-0.5 | ||
| 建議焊盤尺寸和間距 (單位: mm) | S | 3.3 | 3.5 | 5.6 | 7.2 | |
| W | 3.2 | 4.0 | 5.0 | 7.0 | ||
| H | 3.2 | 4.5 | 5.0 | 5.0 | ||
| RGM MELF無引線系列 電子特性 | ||||
| 型 號 | RGM74 | RGM16M | RGM17M | RGM18M |
| DIN type | DIN: 0207 | DIN: 0207 | DIN: 0309 | DIN: 0411 |
| 阻值範圍 (Ω) | 10k ~ 1G | 10k ~ 1G | 10k ~ 1G | 10k ~ 1G |
| 精 度 | D(±0.5%); F(±1%); J(±5.0%); K(±10%) | |||
| 溫度係數 | ±100ppm/°C; ±200ppm/°C | |||
| 額定功率 (W) P70 | 0.50 | 1.0 | 2.0 | 3.0 |
| 最高使用電壓 (V) Umax | 1600 | 1600 | 2000 | 3000 |
| 短時間過負荷電壓 (V) | 3200 | 3200 | 4000 | 6000 |
| 工作環境溫度 | -55°C ~ 125°C | |||
| Endurance, 最大阻值變化率 at P70, ΔR/R max., after 1000h |
10KΩ ~ 1MΩ | 10KΩ ~ 1MΩ | 10KΩ ~ 1MΩ | 10KΩ ~ 1MΩ |
| ≤1.50% | ||||
| 絕緣電壓 | >500V | |||
| 絕緣阻值 | >1GΩ | |||
| 防浪湧脈衝型 RGM 系列 料號標識 | ||||||||||||||||||||||||||||||||||||
| RGM16M | 510K | J | TR | |||||||||||||||||||||||||||||||||
![]() |
![]() |
![]() |
![]() |
|||||||||||||||||||||||||||||||||
|
|
|
|
|||||||||||||||||||||||||||||||||