金屬膜超精密晶圓電阻 RJM

金屬膜超精密晶圓電阻 RJM

金屬膜 MELF 精密精密電阻器提供更多的設計選項。

德銘特電子的 RJM 是專業的表面貼裝薄膜精密電阻器(MELF 圓柱型電阻器),是要求可靠性和穩定性現代電子產品的最佳選擇最。

德銘特金屬膜 RJM 晶圓系列,採用先進薄膜技術,優越整體穩定性,廣泛應用於高功率設備,是新一代表面貼裝線路設計。 結合高可靠性及晶圓無引線設計,具有先進水平的精度和穩定性,是為首次實現軸向高精度薄膜電阻器。

晶圓電阻 MELF Resistor 又可稱為圓柱型電阻、無腳電阻、或無引線電阻,主要用於表面貼裝加工過程。晶圓無引腳電阻與晶片(貼片)電阻,同樣為表面貼裝元件,晶圓電阻在功能上,機械結構上,電氣特性上,安全性上,明顯優於貼片(晶片)電阻,且雜音比厚膜晶片電阻器更低。圓柱型MELF電阻主要適用於功率型/高壓沖擊型/精密型/安全性要求高的高階電路中。

這種獨特的組合使得產品非常適合於所有的應用要求,可以實現優異的可靠精度和穩定性。 典型的應用領域有電信、汽車、和醫療設備等,驗證了其可靠性並反映了優秀性能水平。

德銘特的 RJM 精密晶圓電阻器可以替代 Vishay,Ohmite,IRC,松下等精密元件,並提供更有競爭力的價格和快速交貨服務。
聯系我們與您的特定需求。

下載 PDF 版本: 金屬膜超精密晶圓電阻 RJM

特性 :
  1. 純錫端子及鎳阻隔層。
  2. 非常高的性能價格比。
  3. 壓入式鐵帽,鍍錫於鎳皮。
  4. 高精度公差低至 ± 0.05 %。
  5. 兼容無鉛(Pb),及含鉛焊接工藝。
  6. 優越的整體穩定,最先進的薄膜技術。
  7. 尺寸:DIN 0102, DIN 0204, DIN 0207, DIN 0411。
  8. 溫度係數低至 ± 5ppm/°C,寬廣阻值範圍:0.1Ω to 22MΩ。
常應用於:
  1. 醫療電子。
  2. 測量和校準設備。
  3. 工業製程控製系統。
  4. 航天和飛機電子設備。
  5. 測試與測量儀器。
  6. 電子電信設備。
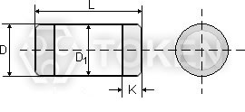
RJM 金屬膜晶圓系列 尺寸及建議焊盤尺寸
超精密無引線電阻 (RJM) 尺寸圖
超精密無引線電阻 (RJM) 尺寸圖
建議焊盤尺寸 (RJM)
建議焊盤尺寸 (RJM)
型 號 RJM72P RJM73P RJM73M RJM74S RJM74P RJM16M RJM17M RJM18M
Metric type DIN: 0102 DIN: 0204 DIN: 0207 DIN: 0309 DIN: 0411
尺寸 (單位: mm) L(±0.3) 2.0 3.5 3.5 5.7 6.0 8.7 11.8
D(±0.3) 1.25 1.3 1.3 2.1 2.1 3.1 3.6
K(±0.2) ≥0.4 ≥0.6 ≥0.6 ≥0.6 ≥0.6 ≥1.0 ≥1.0
D1(±0.1) ≥D-0.1 ≥D-0.2 ≥D-0.2 ≥D-0.3 ≥D-0.3 ≥D-0.4 ≥D-0.4
建議焊盤尺寸和間距 (單位: mm) S 1.3 1.5 1.5 2.8 3.2 5.6 8.2
W 2.0 1.6 3.0 3.0 3.5 4.0 5.0
H 1.3 1.6 3.0 3.0 3.5 4.0 5.0
RJM 金屬膜晶圓系列 電子特性
型 號 RJM72P RJM73P RJM73M RJM74S RJM74P RJM16M RJM17M RJM18M
Metric type DIN: 0102 DIN: 0204 DIN: 0207 DIN: 0309 DIN: 0411
額定功率 (W)   P70 0.125W 0.25W 0.5W 0.25W 0.50W 1.0W 2.0W 3.0W
阻值範圍 (Ω) 10 ~ 1M 10 ~ 10M
精度 (%) J ( ±5 ); F ( ±1 ); D ( ±0.5 ); C ( ±0.25 ); B ( ±0.10 ); A5 ( ±0.05 )
溫度係數 (ppm/°C) C1 ( ±100 ); C2 ( ±50 ); C3 ( ±25 ); C5( ±15 ); C6 ( ±10 ); C7 ( ±5 )
氣候類型 (LCT/UCT/days) 55 / 125 / 56
工作電壓   Umax 150V 200V 250V 250V 300V 350V 400V 450V
工作環境溫度 -55°C to 125°C
絕緣電壓 (V) 300 500 500 500 600 700 800 900
絕緣阻抗 >1GΩ
備註: 德銘特可以提供精度和溫度係數選配服務。
RJM 金屬膜晶圓系列 料號標識
RJM74P 10R D C6 P
型號
RJM72P
RJM73P
RJM73M
RJM74S
RJM74P
RJM16M
RJM17M
RJM18M
阻值 (Ω)
0R1 0.1Ω
10R 10Ω
100R 100Ω
1K 1KΩ
10K 10KΩ
100K 100KΩ
1M 1MΩ
10M 10MΩ
阻值精度 (%)
J ±5%
F ±1%
D ±0.5%
C ±0.25%
B ±0.10%
A5 ±0.05%
溫度係數 (PPM/°C)
C1 ±100ppm/°C
C2 ±50ppm/°C
C3 ±25ppm/°C
C5 ±15ppm/°C
C6 ±10ppm/°C
C7 ±5ppm/°C
包裝方式
P 散裝
TR 編帶卷裝