
德銘特新型 (2~4) 端子平面無感厚膜大功率電阻器增強調節功率峰值穩定性。
德銘特電子致力於厚膜無感電阻器的開發, 特別專注於小型化大功率型元器件研發。
平面無感厚膜(TAP120)高功率電阻器採用高強度塑外殼 SOT227 封裝,底板電阻層為高級氧化鋁陶瓷,可優化放電效應和改善熱傳導。外殼用環氧樹脂填封裝,使端子之間的空氣距離大,達到高絕緣電阻。
功率電阻器 (TAP120) 調節功率峰值,例如當高端電子設備打開和關閉時發生的功率峰值,並且它們轉移功率浪湧。它們還有助於調節電動機的轉速,例如用於工業設備和有軌電車和機車等車輛的電動機的轉速。在電場和變電站中,它們幫助實現以直流為基礎產生的能量的傳輸。
厚膜電阻器 (TAP120) 系列提供 4 種連接組成選項。工作電壓可達1500伏,精密度公差為0.5%、1%、2%、5%、10%。當底板的中心溫度低於 85°C 時,Type 1和 Type 2 型仍可保持 120W 的全功率。
對於定制設計、非規格的公差、非標準的技術要求,或定制的特殊應用,電郵或電洽我們此產品最新資訊。
下載 PDF 版本: 平面厚膜無感功率電阻 (TAP120)。
可依客戶規格訂製生產規格以外的產品,以滿足不同客戶的要求。請與德銘特電子業務聯系。
下載 PDF 版本: TO-247 塑封模壓封裝 功率無感電阻(RMG100)。
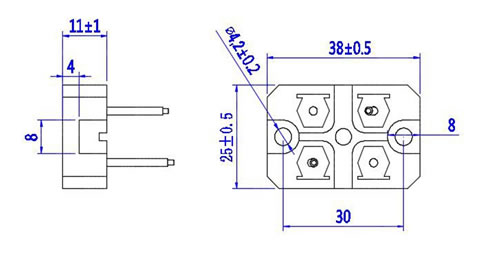
| (TAP120) 外形尺寸 (單位: mm) | ||||||||||||
![]() ![]() ![]() |
||||||||||||
| (TAP120) 電氣特性 | ||
| 電氣特性 | 標稱值 | |
| 額定功率 W (底板中心溫度 ≤ 85°C) | 120W | |
| 阻值範圍 (Ω) | 0.1Ω ∼ 1MΩ | |
| 阻值公差 (%) | ±0.5% ∼ ±10% | |
| 溫度係數 TCR (ppm/°C) (25°C~105^°C) | ±50 ppm/°C, ±100 ppm/°C, ±300 ppm/°C | |
| 最大工作電壓 (VDC) | 1500V | |
| 引線材料 | 硅膠線/電子線 | |
| 絕緣電阻 | 500V, ≥10GΩ | |
| 安裝扭矩 | M4 螺絲最大1.2Nm | |
| 工作溫度範圍 (°C) | -55°C ∼ +155°C | |
| (TAP120) 測試條件 | ||
| 測試項目 | 測試方法 | 性能要求 |
| 短時間過負荷 | JIS-C-5201-1 4.13 1.5P 不超過 1.5 Umax 5s. |
ΔR/R ≤±(0.3%+0.1Ω). |
| 絕緣阻抗 | JIS-C-5261 6-1 500VDC. | 10GΩ 最小. |
| 絕緣耐壓 | JIC-C-5261 7-1 施以 3000 VAC 或 5000VDC 於 端子與引線中間 1 分鐘. |
無明顯外觀或結構變形. |
| 振動測試 | JIS-C-5261 6-6 50HZ 振幅2mm,持續 4h. |
ΔR/R≤±(0.1%+0.1Ω). |
| 負載壽命 | JIS-C-5261 7-7 額定功率 2000Hrs, 底板中心溫度 < 85°C. |
ΔR/R≤±(1%+0.1Ω). |
| 冷熱衝擊 | JIS-C5201-1 4.19 -55°C ~ 125°C, 5 次循環. |
ΔR/R≤±(0.3%+0.1Ω). |
| 穩態濕熱 | JIS-C5201-1 4.24 +40°C, RH≥95% for 96Hr. |
ΔR/R≤±(0.25%+0.1Ω). |
| (TAP120) 降额曲线 |
(TAP120) 降額曲線圖 |
| TAP120 系列 - 功率塑封模壓電阻 料號標識 | ||||||||||||||||||||||||||||||||||||||||||||||
| TAP120 | 1 | D | 10R | K | ||||||||||||||||||||||||||||||||||||||||||
![]() | ![]() | ![]() | ![]() | |||||||||||||||||||||||||||||||||||||||||||
|
|
|
|
|
||||||||||||||||||||||||||||||||||||||||||