橢圓電阻 扁型電阻 扁平電阻 扁形電阻 扁管電阻 (ZR)

超薄功率線繞雲母板電阻器 - (ASM)

德銘特電子推出高功率超薄尺寸,高電流雲母板扁平制動電阻器(ASM)系列。為設計人員提供節省空間設計標準的低成本選擇,德銘特 (ASM) 超薄型雲母板電阻器採用扁平繞線技術,可改善低電流損耗,在相同的封裝大小下,具有出色的熱穩定性能和功率容量。

雲母板電阻 (ASM) 的結構緊湊扁平超薄,電阻絲纏繞在雲母基板上,兩側用雲母片絕緣。為了確保電阻器的對稱擴展和對高負載脈衝的最大穩定性,該器件採用鋁和鋅製成的薄金屬合金外殼封裝。針對電阻繞組,我們使用由 CuNi、NiCr、或 CrAl 合金組成的高品質帶狀電阻線。這確保電阻器元件達到其最大脈衝負載。

由於其外形超薄扁平,(ASM) 雲母板功率電阻器可以輕鬆安裝在電壓頻率轉換器 (VFC) 的背面。特別是,(ASM) 可提供足夠的給定空間,非常適合當作內部制動電阻使用,及作為變頻器的串聯電阻器,當中間電路電容器充電時的電流限制。可作為負載組、動態制動、電機控制或保護電阻器的進一步應用。亦可通過強制空氣冷卻或將電阻器安裝在散熱器上可以改善額定負載。

扁平雲母板電阻器 (ASM) 提供 100W,200W,300W,400W 四種功率選擇。1Ω 至10KΩ 阻值範圍,溫度係數 TCR ±260ppm /°C。該器件的工作溫度範圍為 -55°C 至 +275°C,精度公差為 ±5%和 ±10%,符合 RoHS 指令和無鉛標準。

如需指定功率負載和制動應用,請聯繫德銘特電子。對於每種載荷情況,對於每個負載情況,可以計算熱模擬以確定給定應用的適用性。也可根據要求定製設計。

下載 PDF 版本: 制動功率線繞雲母板電阻器 (ASM)。

特性 :
  1. 卓越的高溫負載性能,低電流損耗,優異的機械強度。
  2. 絕熱絕緣,高介電強度,低吸濕性,優良的熱穩定性。
  3. 產品扁,平,薄,尺寸小,成本效益及性價比高。
  4. 散熱器在使用時必須按要求安裝。
應用 :
  1. 適用於功率電源,配電,負載測試,變頻電源等。
  2. 適用於工業控制系統的驅動和製動部分。
結構尺寸 (單位 : mm)
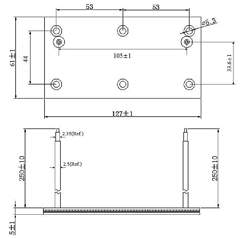
ASM-5002-100W 制動功率線繞雲母板電阻器 尺寸
ASM-5002-100W 制動功率線繞雲母板電阻器 尺寸
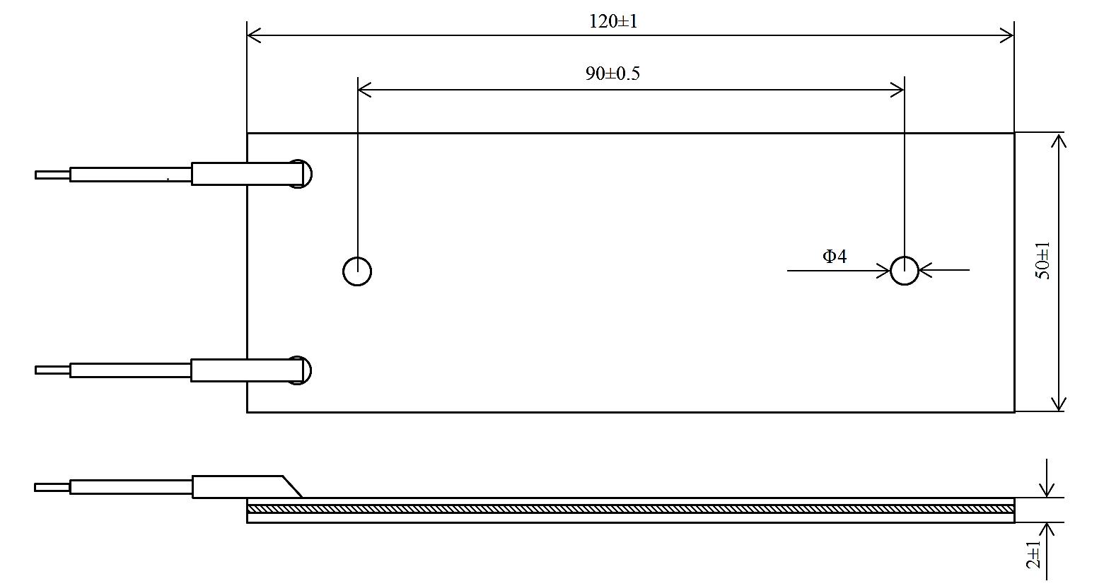
ASM-6405-200W 功率線繞雲母板制動電阻器 尺寸
ASM-6405-200W 功率線繞雲母板制動電阻器 尺寸
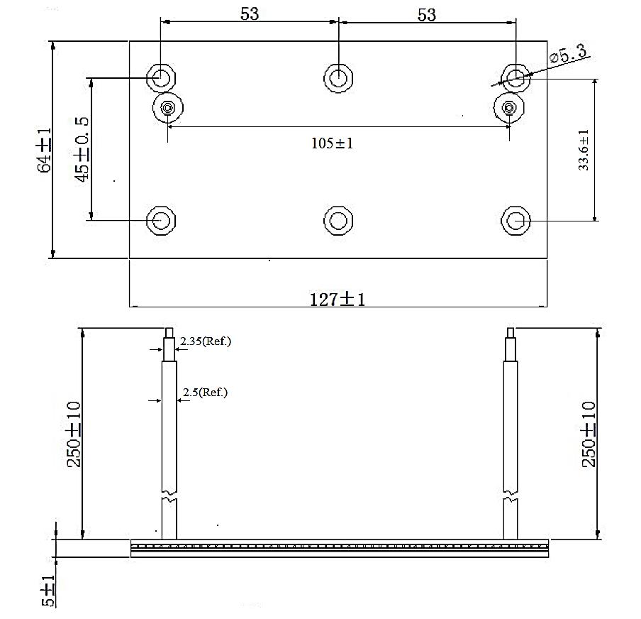
ASM-6405-300W 線繞雲母板制動功率電阻器 尺寸
ASM-6405-300W 線繞雲母板制動功率電阻器 尺寸
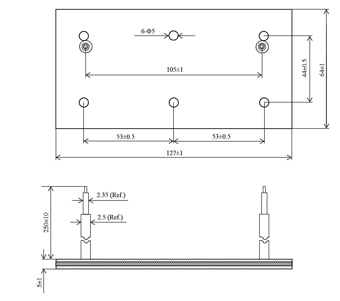
ASM-6105-400W 雲母板制動功率線繞電阻器 尺寸
ASM-6105-400W 雲母板制動功率線繞電阻器 尺寸
規格 額定功率 (W) 阻值範圍 (Ω) 精度公差 (%) 溫度係數 (ppm/°C) 最大操作電壓 最大過負載電壓 絕緣電壓 操作溫度
ASM-5002 100W 1~10K J(±5%), K(±10%) ±260 PR 5PR 1500VAC -55 ~ +275°C
ASM-6405 200W 1~10K J(±5%), K(±10%)
ASM-6405 300W 1~10K J(±5%), K(±10%)
ASM-6105 400W 1~10K J(±5%), K(±10%)
電氣特性 (ASM)
No. 測試項目 測試方法 性能
1 最大操作電壓
Operating Voltage Max
- PR
2 最大過負載電壓
Overload Voltage Max
- 5PR
3 絕緣電壓
Insulation voltage
- 1500VAC
4 溫度係數 TCR 在室溫下測量受測電阻器的阻值,將其連續放入-55°C 和 125°C 的恆溫室中,然後分別在 30-50 分鐘後測量電阻。 ±260ppm/°C
5 端子強度
Terminal strength
電阻器主體應牢固安裝,在引線方向上施加 8kg 的預定直接拉力,每次保持一端 10±1 秒。試驗後,電阻器無明顯損壞,電阻變化不大於 ± (1.0%R+0.05Ω)。 ΔR≤±(1.0%R+0.05Ω)
6 耐高溫性能
High temperature resistance
將電阻器放在恆溫器中; 將其升至 275±5°C,保持2小時,然後冷卻至室溫。 電阻器的外觀應無機械損壞。 ΔR≤±(1.0%R+0.05Ω)
7 耐壓測試
Withstand voltage
電阻器通常安裝在金屬板上。 金屬板應大於電阻體。施加 1500AC 1 分鐘,並在連接在一起的端子和金屬安裝板之間施加電壓。 電阻應無損壞,電弧,閃爍和絕緣擊穿。 ΔR≤±(1.0%R+0.05Ω)
8 絕緣電阻
Insulation resistance
DC 500V,端子與外殼之間的絕緣電阻 ≥100MΩ。 乾燥的條件:R≥100MΩ;
濕度測試後:R≥100MΩ
9 熱衝擊測試
Thermal shock
電阻器固定安裝在規定的鋁製底盤上。電阻器應通風良好。 施加電源的額定電壓,直至達到熱穩定性。然後切斷電壓。 在 8 到 12 秒內,將電阻器置於 -55±5°C 的恆溫室中 15 至 30 分鐘。移除2小時後,再次測量電阻。 試驗前後的阻力變化不應大於:± (1.0% R + 0.05 Ω)。 電阻應無機械損壞。 ΔR≤±(1.0%R+0.05Ω)
10 短時間過負載
Short-time overload
電阻器固定安裝在規定的鋁製底盤上。 電阻器應通風良好。 施加 5 倍電源額定功率 5 秒鐘。 在電阻器穩定在室溫後,測量電阻。試驗前後的阻值變化不應大於:± (1.0% R + 0.05 Ω)。 電阻器應無電弧,燒焦和炭化。 ΔR≤±(1.0%R+0.05Ω)
11 防潮性測試
Moisture resistance
MIL-STD-202 端子應無裂縫,裂縫,鬆動或腐蝕。 絕緣電阻不應小於 100MΩ。 ΔR≤±(1.0%R+0.05Ω)
12 長時間負載測試
Long-time life
電阻器固定安裝在規定的鋁製底盤上。 電阻器應通風良好。 施加電源的額定電壓為 1000h,1.5h 開和 0.5h 關。 電阻應無機械損壞。 絕緣電阻值不應小於 100MΩ。 ΔR≤±(1.0%R+0.05Ω)
13 衝擊測試
Impact Test
測試電阻應採用 MIL-STD-202 的 213 方法。 測試條件的符號為 I,加速度:100 g,脈衝持續時間:6 ms,鋸齒波。 試驗後,電阻應無明顯損壞,電阻應能滿足規定的介電壓力要求。 ΔR≤±(1.0%R+0.05Ω)
14 高頻振動
High frequency vibration
MIL-STD-202,方法 204。振動台的振動頻率從 10Hz 逐漸增加到 2000Hz,然後從 2000Hz 逐漸減小到 10Hz。 頻率變化在 20 分鐘內完成,振幅應為 1.5mm。 根據上述方法,在三個方向中的每個方向上掃描 X,Y 和 Z 軸 12 次。 總持續時間約為12小時。 電阻器應無機械損壞,並應能滿足規定的介電壓力要求。 ΔR≤±(1.0%R+0.05Ω)
降額曲線 (ASM)
ASM Power Mica Resistor Derating Curve
制動雲母板電阻器 料號標識 (ASM)
ASM-6105 400W 20R J
規格
ASM-5002
ASM-6405
ASM-6405
ASM-6105
額定功率 (W)
100W
200W
300W
400W
阻值 (Ω)
20R 20Ω
1K 1KΩ
10K 10KΩ
精度公差 (%)
J ±5%
K ±10%