
德銘特片式薄膜電感器為設計人員在極高頻率處理,提供一個很好的解決方案。薄膜電感器 (TRAL) 的性能優勢,對於實現某一特定電路功能,可以減少所需的元件數量。通過減少所用的元件數量,可以減小設計尺寸,還能節省組裝時間和降低組裝費用,同時提高產品的可靠性。由於薄膜元器件的電氣性能更加穩定,損耗更低,因此產品的整體電氣性能也得到提升。
薄膜電感與空芯電感相比,薄膜電感具備許多實用的優點(雖然它們無法達到相同的Q值)。在表面貼裝的過程中,薄膜電感要比空氣芯電感更便於抓取和放置。同時,在處理過程中以及搬運和強震動環境中,都能夠保持電感值不變。雖然不能像空氣芯電感可以在電路中進行調諧,但是一旦確定了實現一定電路功能所需要的準確電感值,就可以使用薄膜電感來替代空氣芯電感。
得益於德銘特的線寬控製以及高絕緣積層的質量/精度,貼片薄膜電感的 ESR(等效串聯電阻)和損耗顯著降低。這使得成品尺寸可以縮小到 0402 封裝,並可以實現大部分所需的電感值。此外,穩定的金屬化工藝使得薄膜電感具備了較高的載流能力:不同產品之間載流能力存在差別,最高可達 800mA。
薄膜貼片系列,採用光蝕刻單層陶瓷基板,高共振頻率,高 Q 值,高穩定性、高精密度 ±1%,±0.1nH,頻率控製範圍在 10%、穩定的高頻電路電感量,高穩定設計。廣泛使用在移動電話,全球定位系統上,VCO, TCXO 電路和射頻收發器模組,無線網絡,藍牙模組,通訊設備。
德銘特電子提供完整貼片電感尺寸 0402/0603/0805/1206/1210/1806/1812,感量範圍齊全,可依客戶的需求製造,特殊規格請與德銘特業務聯系。
下載 PDF 版本: 薄膜電感 高頻貼片電感 (TRAL)。
| TRAL Series 薄膜電感 - 結構圖及規格尺寸(Unit: mm) | |||||
|
|||||
| 型號 | A | B | C | D | |
| TRAL01 (0201) | 0.6 ± 0.05 | 0.3 ± 0.05 | 0.23 ± 0.05 | 0.15 ± 0.05 | |
| TRAL02 (0402) | 1.0 ± 0.05 | 0.5 ± 0.05 | 0.32 ± 0.05 | 0.2 ± 0.10 | |
| TRAL03 (0603) | 1.6 ± 0.10 | 0.8 ± 0.10 | 0.45 ± 0.10 | 0.3 ± 0.20 | |
| 標准電氣特性 薄膜電感 - TRAL01 (EIA 0201) | ||||||
| 產品料號 | 電感量 (nH) |
公差 (% or nH) |
Q 值 (min) |
直流阻抗 (Ω)(max) |
定格電流 (mA)(max) |
共振頻率 (GHz)(min) |
| TRAL01*TR0N1 | 0.1 | ± 0.1, 0.2, 0.3nH | 8 / 500MHz | 0.20 | 400 | 9 |
| TRAL01*TR0N2 | 0.2 | ± 0.1, 0.2, 0.3nH | 8 / 500MHz | 0.20 | 400 | 9 |
| TRAL01*TR0N3 | 0.3 | ± 0.1, 0.2, 0.3nH | 8 / 500MHz | 0.20 | 400 | 9 |
| TRAL01*TR0N4 | 0.4 | ± 0.1, 0.2, 0.3nH | 8 / 500MHz | 0.25 | 350 | 9 |
| TRAL01*TR0N5 | 0.5 | ± 0.1, 0.2, 0.3nH | 8 / 500MHz | 0.25 | 350 | 9 |
| TRAL01*TR0N6 | 0.6 | ± 0.1, 0.2, 0.3nH | 8 / 500MHz | 0.25 | 350 | 9 |
| TRAL01*TR0N7 | 0.7 | ± 0.1, 0.2, 0.3nH | 8 / 500MHz | 0.30 | 300 | 9 |
| TRAL01*TR0N8 | 0.8 | ± 0.1, 0.2, 0.3nH | 8 / 500MHz | 0.30 | 300 | 9 |
| TRAL01*TR0N9 | 0.9 | ± 0.1, 0.2, 0.3nH | 8 / 500MHz | 0.30 | 300 | 9 |
| TRAL01*TR1N0 | 1.0 | ± 0.1, 0.2, 0.3nH | 8 / 500MHz | 0.30 | 300 | 9 |
| TRAL01*TR1N1 | 1.1 | ± 0.1, 0.2, 0.3nH | 8 / 500MHz | 0.35 | 300 | 9 |
| TRAL01*TR1N2 | 1.2 | ± 0.1, 0.2, 0.3nH | 8 / 500MHz | 0.35 | 300 | 9 |
| TRAL01*TR1N3 | 1.3 | ± 0.1, 0.2, 0.3nH | 8 / 500MHz | 0.45 | 250 | 9 |
| TRAL01*TR1N4 | 1.4 | ± 0.1, 0.2, 0.3nH | 8 / 500MHz | 0.45 | 250 | 9 |
| TRAL01*TR1N5 | 1.5 | ± 0.1, 0.2, 0.3nH | 8 / 500MHz | 0.45 | 250 | 9 |
| TRAL01*TR1N6 | 1.6 | ± 0.1, 0.2, 0.3nH | 8 / 500MHz | 0.55 | 200 | 9 |
| TRAL01*TR1N7 | 1.7 | ± 0.1, 0.2, 0.3nH | 8 / 500MHz | 0.55 | 200 | 9 |
| TRAL01*TR1N8 | 1.8 | ± 0.1, 0.2, 0.3nH | 8 / 500MHz | 0.55 | 200 | 9 |
| TRAL01*TR1N9 | 1.9 | ± 0.1, 0.2, 0.3nH | 8 / 500MHz | 0.55 | 200 | 9 |
| TRAL01*TR2N0 | 2.0 | ± 0.1, 0.2, 0.3nH | 8 / 500MHz | 0.70 | 200 | 8 |
| TRAL01*TR2N1 | 2.1 | ± 0.1, 0.2, 0.3nH | 8 / 500MHz | 0.70 | 200 | 8 |
| TRAL01*TR2N2 | 2.2 | ± 0.1, 0.2, 0.3nH | 8 / 500MHz | 0.70 | 200 | 8 |
| TRAL01*TR2N3 | 2.3 | ± 0.1, 0.2, 0.3nH | 8 / 500MHz | 0.80 | 150 | 8 |
| TRAL01*TR2N4 | 2.4 | ± 0.1, 0.2, 0.3nH | 8 / 500MHz | 0.80 | 150 | 8 |
| TRAL01*TR2N5 | 2.5 | ± 0.1, 0.2, 0.3nH | 8 / 500MHz | 0.80 | 150 | 8 |
| TRAL01*TR2N6 | 2.6 | ± 0.1, 0.2, 0.3nH | 8 / 500MHz | 0.80 | 150 | 8 |
| TRAL01*TR2N7 | 2.7 | ± 0.1, 0.2, 0.3nH | 8 / 500MHz | 0.80 | 150 | 8 |
| TRAL01*TR2N8 | 2.8 | ± 0.1, 0.2, 0.3nH | 8 / 500MHz | 1.00 | 150 | 6 |
| TRAL01*TR2N9 | 2.9 | ± 0.1, 0.2, 0.3nH | 8 / 500MHz | 1.00 | 150 | 6 |
| TRAL01*TR3N0 | 3.0 | ± 0.1, 0.2, 0.3nH | 8 / 500MHz | 1.00 | 150 | 6 |
| TRAL01*TR3N1 | 3.1 | ± 0.1, 0.2, 0.3nH | 8 / 500MHz | 1.00 | 150 | 6 |
| TRAL01*TR3N2 | 3.2 | ± 0.1, 0.2, 0.3nH | 8 / 500MHz | 1.00 | 150 | 6 |
| TRAL01*TR3N3 | 3.3 | ± 0.1, 0.2, 0.3nH | 8 / 500MHz | 1.00 | 150 | 6 |
| TRAL01*TR3N4 | 3.4 | ± 0.1, 0.2, 0.3nH | 8 / 500MHz | 1.20 | 150 | 6 |
| TRAL01*TR3N5 | 3.5 | ± 0.1, 0.2, 0.3nH | 8 / 500MHz | 1.20 | 150 | 6 |
| TRAL01*TR3N6 | 3.6 | ± 0.1, 0.2, 0.3nH | 8 / 500MHz | 1.20 | 150 | 6 |
| TRAL01*TR3N7 | 3.7 | ± 0.1, 0.2, 0.3nH | 8 / 500MHz | 1.20 | 150 | 6 |
| TRAL01*TR3N8 | 3.8 | ± 0.1, 0.2, 0.3nH | 8 / 500MHz | 1.20 | 150 | 6 |
| TRAL01*TR3N9 | 3.9 | ± 0.1, 0.2, 0.3nH | 8 / 500MHz | 1.20 | 150 | 6 |
| TRAL01*TR4N0 | 4.0 | ± 0.1, 0.2, 0.3nH | 8 / 500MHz | 1.20 | 150 | 6 |
| TRAL01*TR4N4 | 4.4 | ± 0.1, 0.2, 0.3nH | 8 / 500MHz | 1.30 | 140 | 6 |
| TRAL01*TR4N7 | 4.7 | ± 0.1, 0.2, 0.3nH | 8 / 500MHz | 1.40 | 130 | 6 |
| TRAL01*TR4N9 | 4.9 | ± 0.1, 0.2, 0.3nH | 8 / 500MHz | 1.60 | 130 | 6 |
| TRAL01*TR5N6 | 5.6 | ± 2,± 5% | 8 / 500MHz | 1.80 | 130 | 4 |
| TRAL01*TR6N1 | 6.1 | ± 2, ± 5% | 8 / 500MHz | 2.00 | 120 | 4 |
| TRAL01*TR6N8 | 6.8 | ± 2,± 5% | 8 / 500MHz | 2.30 | 110 | 4 |
| TRAL01*TR7N4 | 7.4 | ± 2, ± 5% | 8 / 500MHz | 2.80 | 110 | 4 |
| TRAL01*TR8N2 | 8.2 | ± 2,± 5% | 8 / 500MHz | 3.00 | 110 | 3 |
| TRAL01*TR9N1 | 9.1 | ± 2, ± 5% | 8 / 500MHz | 3.25 | 100 | 3 |
| TRAL01*TR9N2 | 9.2 | ± 2,± 5% | 8 / 500MHz | 3.25 | 100 | 3 |
| TRAL01*TR10N | 10 | ± 2, ± 5% | 8 / 500MHz | 3.50 | 80 | 2 |
| 可依客戶規格設計生產 | ||||||
| 標准電氣特性 薄膜電感 - TRAL02 (EIA 0402) | ||||||
| 產品料號 | 電感量 (nH) |
公差 (% or nH) |
Q 值 (min) |
直流阻抗 (Ω)(max) |
定格電流 (mA)(max) |
共振頻率 (GHz)(min) |
| TRAL02*TR0N2 | 0.2 | 0.1/0.2/0.3(nH) | 13 / 500MHz | 0.10 | 800 | 14 |
| TRAL02*TR0N4 | 0.4 | 0.1/0.2/0.3(nH) | 13 / 500MHz | 0.10 | 800 | 14 |
| TRAL02*TR0N8 | 0.8 | 0.1/0.2/0.3(nH) | 13 / 500MHz | 0.15 | 700 | 14 |
| TRAL02*TR1N0 | 1.0 | 0.1/0.2/0.3(nH) | 13 / 500MHz | 0.15 | 700 | 12 |
| TRAL02*TR1N2 | 1.2 | 0.1/0.2/0.3(nH) | 13 / 500MHz | 0.15 | 700 | 12 |
| TRAL02*TR1N5 | 1.5 | 0.1/0.2/0.3(nH) | 13 / 500MHz | 0.25 | 700 | 10 |
| TRAL02*TR1N6 | 1.6 | 0.1/0.2/0.3(nH) | 13 / 500MHz | 0.25 | 560 | 10 |
| TRAL02*TR1N8 | 1.8 | 0.1/0.2/0.3(nH) | 13 / 500MHz | 0.25 | 560 | 10 |
| TRAL02*TR2N0 | 2.0 | 0.1/0.2/0.3(nH) | 13 / 500MHz | 0.35 | 560 | 8 |
| TRAL02*TR2N2 | 2.2 | 0.1/0.2/0.3(nH) | 13 / 500MHz | 0.35 | 440 | 8 |
| TRAL02*TR2N7 | 2.7 | 0.1/0.2/0.3(nH) | 13 / 500MHz | 0.35 | 440 | 8 |
| TRAL02*TR3N1 | 3.1 | 0.1/0.2/0.3(nH) | 13 / 500MHz | 0.45 | 380 | 6 |
| TRAL02*TR3N3 | 3.3 | 0.1/0.2/0.3(nH) | 13 / 500MHz | 0.45 | 380 | 6 |
| TRAL02*TR3N6 | 3.6 | 0.1/0.2/0.3(nH) | 13 / 500MHz | 0.55 | 380 | 6 |
| TRAL02*TR3N9 | 3.9 | 0.1/0.2/0.3(nH) | 13 / 500MHz | 0.55 | 340 | 6 |
| TRAL02*TR4N7 | 4.7 | 0.1/0.2/0.3(nH) | 13 / 500MHz | 0.65 | 320 | 6 |
| TRAL02*TR5N6 | 5.6 | 0.1/0.2/0.3(nH) | 13 / 500MHz | 0.85 | 280 | 6 |
| TRAL02*TR5N9 | 5.9 | 0.1/0.2/0.3(nH) | 13 / 500MHz | 0.85 | 280 | 6 |
| TRAL02*TR6N8 | 6.8 | 0.1/0.2/0.3(nH) | 13 / 500MHz | 1.05 | 260 | 6 |
| TRAL02*TR7N2 | 7.2 | 0.1/0.2/0.3(nH) | 13 / 500MHz | 1.05 | 260 | 6 |
| TRAL02*TR8N0 | 8.0 | 0.1/0.2/0.3(nH) | 13 / 500MHz | 1.25 | 220 | 5.5 |
| TRAL02*TR8N2 | 8.2 | 0.1/0.2/0.3(nH) | 13 / 500MHz | 1.25 | 220 | 5.5 |
| TRAL02*TR9N1 | 9.1 | 0.1/0.2/0.3(nH) | 13 / 500MHz | 1.25 | 220 | 5.5 |
| TRAL02*TR10N | 10 | 1/2/3/5(%) | 13 / 500MHz | 1.35 | 200 | 4.5 |
| TRAL02*TR12N | 12 | 1/2/3/5(%) | 13 / 500MHz | 1.55 | 180 | 3.7 |
| TRAL02*TR13N8 | 13.8 | 1/2/3/5(%) | 13 / 500MHz | 1.75 | 180 | 3.7 |
| TRAL02*TR15N | 15 | 1/2/3/5(%) | 13 / 500MHz | 1.75 | 130 | 3.3 |
| TRAL02*TR17N | 17 | 1/2/3/5(%) | 13 / 500MHz | 1.95 | 100 | 3.1 |
| TRAL02*TR18N | 18 | 1/2/3/5(%) | 13 / 500MHz | 2.15 | 100 | 3.1 |
| TRAL02*TR20N8 | 20.8 | 1/2/3/5(%) | 13 / 500MHz | 2.55 | 90 | 2.8 |
| TRAL02*TR22N | 22 | 1/2/3/5(%) | 13 / 500MHz | 2.65 | 90 | 2.8 |
| TRAL02*TR27N | 27 | 1/2/3/5(%) | 13 / 500MHz | 3.25 | 75 | 2.5 |
| TRAL02*TR33N | 33 | 1/2/3/5(%) | 13 / 500MHz | 3.75 | 75 | 2.5 |
| 可依客戶規格設計生產 | ||||||
| 標准電氣特性 薄膜電感 - TRAL03 (EIA 0603) | ||||||
| 產品料號 | 電感量 (nH) |
公差 (% or nH) |
Q 值 (min) |
直流阻抗 (Ω)(max) |
定格電流 (mA)(max) |
共振頻率 (GHz)(min) |
| TRAL03*TR1N0 | 1.0 | 0.1/0.2/0.3(nH) | 15 / 300MHz | 0.35 | 800 | 13 |
| TRAL03*TR1N2 | 1.2 | 0.1/0.2/0.3(nH) | 15 / 300MHz | 0.35 | 800 | 13 |
| TRAL03*TR1N5 | 1.5 | 0.1/0.2/0.3(nH) | 15 / 300MHz | 0.35 | 800 | 10 |
| TRAL03*TR1N8 | 1.8 | 0.1/0.2/0.3(nH) | 15 / 300MHz | 0.35 | 300 | 10 |
| TRAL03*TR2N2 | 2.2 | 0.1/0.2/0.3(nH) | 15 / 300MHz | 0.35 | 300 | 8 |
| TRAL03*TR2N7 | 2.7 | 0.1/0.2/0.3(nH) | 15 / 300MHz | 0.45 | 300 | 6 |
| TRAL03*TR3N3 | 3.3 | 0.1/0.2/0.3(nH) | 15 / 300MHz | 0.45 | 300 | 6 |
| TRAL03*TR3N9 | 3.9 | 0.1/0.2/0.3(nH) | 15 / 300MHz | 0.45 | 300 | 6 |
| TRAL03*TR4N7 | 4.7 | 0.1/0.2/0.3(nH) | 15 / 300MHz | 0.55 | 300 | 5 |
| TRAL03*TR5N6 | 5.6 | 0.1/0.2/0.3(nH) | 15 / 300MHz | 0.65 | 300 | 5 |
| TRAL03*TR6N8 | 6.8 | 0.1/0.2/0.3(nH) | 15 / 300MHz | 0.75 | 300 | 5 |
| TRAL03*TR8N2 | 8.2 | 0.1/0.2/0.3(nH) | 15 / 300MHz | 0.95 | 300 | 4 |
| TRAL03*TR10N | 10 | 1/2/3/5(%) | 15 / 300MHz | 0.95 | 300 | 4 |
| TRAL03*TR12N | 12 | 1/2/3/5(%) | 15 / 300MHz | 1.05 | 300 | 3 |
| TRAL03*TR15N | 15 | 1/2/3/5(%) | 15 / 300MHz | 1.35 | 300 | 3 |
| TRAL03*TR18N | 18 | 1/2/3/5(%) | 15 / 300MHz | 1.65 | 300 | 2 |
| TRAL03*TR22N | 22 | 1/2/3/5(%) | 15 / 300MHz | 1.95 | 250 | 2 |
| TRAL03*TR27N | 27 | 1/2/3/5(%) | 15 / 300MHz | 2.35 | 250 | 2 |
| TRAL03*TR33N | 33 | 1/2/3/5(%) | 15 / 300MHz | 2.75 | 250 | 1.5 |
| TRAL03*TR39N | 39 | 1/2/3/5(%) | 15 / 300MHz | 3.00 | 200 | 1.5 |
| TRAL03*TR47N | 47 | 1/2/3/5(%) | 15 / 300MHz | 3.00 | 200 | 1.5 |
| TRAL03*TR56N | 56 | 1/2/3/5(%) | 15 / 300MHz | 5.00 | 150 | 1 |
| TRAL03*TR68N | 68 | 1/2/3/5(%) | 15 / 300MHz | 5.00 | 150 | 1 |
| TRAL03*TRR10 | 100 | 1/2/3/5(%) | 15 / 300MHz | 7.50 | 100 | 1 |
| 可依客戶規格設計生產 | ||||||
| TRAL 系列 薄膜電感 - 包裝數量及捲裝規格 (Unit: mm) | |||||||
|
|||||||
| 型號 | ΦA | ΦB | ΦC | W | T | 紙帶 (PCS) | |
| TRAL01 | 178.0 ± 1.0 | 60 ± 1.0 | 13.5 ± 0.7 | 9.5 ± 1.0 | 11.5 ± 1.0 | 10,000 | |
| TRAL02 | 178.0 ± 1.0 | 60 ± 1.0 | 13.5 ± 0.7 | 9.5 ± 1.0 | 11.5 ± 1.0 | 10,000 | |
| TRAL03 | 178.0 ± 1.0 | 60 + 1.0 | 13.5 ± 0.7 | 9.5 ± 1.0 | 11.5 ± 1.0 | 5,000 | |
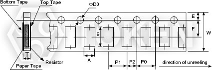
| TRAL 系列 薄膜電感 - 紙帶規格(Unit: mm) | |||||||||||
|
|||||||||||
| 型號 | A±0.05 | B±0.05 | W±0.10 | E±0.05 | F±0.05 | P0±0.10 | P1 | P2±0.05 | ΦD0 | T | |
| TRAL01 | 0.40 | 0.70 | 8.00 | 1.75 | 3.5 | 4.00 | 2.00±0.05 | 2.00 | 1.55±0.03 | 0.42±0.02 | |
| TRAL02 | 0.70 | 1.16 | 8.00 | 1.75 | 3.5 | 4.00 | 2.00±0.05 | 2.00 | 1.55±0.05 | 0.40±0.03 | |
| TRAL03 | 1.10 | 1.90 | 8.00 | 1.75 | 3.5 | 4.00 | 4.00±0.10 | 2.00 | 1.55±0.05 | 0.60±0.03 | |
| TRAL Series 薄膜電感 -環境特性 | ||
| 項目 | 規格 | 測試方法 |
| 抗彎強度 | 如規格 | JIS-C-5202-6.1.4 彎幅3mm,10 秒鐘. |
| 耐電壓 | >100V | MIL-STD-202F 301 方法 施以100VA電壓一分鐘。 |
| 絕緣阻抗 | >1000MΩ | MIL-STD-202F 302 方法 施以100VDC 一分鐘。 |
| 抗焊溫度 | ΔL≤10% | MIL-STD-202F 210E 方法 260±5°C,10±1秒鐘。 |
| 高溫曝光 | ΔL≤10% | JIS-C-5202-7.2 85±2°C, 1000 +48/-0 小時 |
| 耐濕試驗 | ΔL≤10% | MIL-STD-202F 103B 方法 40±2°C,90~95%RH,1000 +48/-0 小時 |
| 低溫儲藏溫度 | ΔL≤10% | JIS-C-5202-7.1 -40±3°C,1000 +48/-0 小時 |
| 溫度循環 | ΔL≤10% | JIS-C-5202-7.4 -40/RT/85/RT,10 次循環 |
| 可焊性 | 最小95% 的覆蓋率 | MIL-STD-202F 208H 方法 245°C±5°C,3秒鐘 |
| 註: 儲存溫度:25±3°C;濕度:<80%RH | ||
| TRAL 系列 薄膜電感 - 料號標識 | ||||||||||||||||||||||||||||||||||||||||||||||||||
| TRAL | 02 | G | TR | 10N | ||||||||||||||||||||||||||||||||||||||||||||||
![]() | ![]() | ![]() | ![]() | ![]() | ||||||||||||||||||||||||||||||||||||||||||||||
|
|
|
|
|
||||||||||||||||||||||||||||||||||||||||||||||