分页: 2/2
- 1. 產品包裝尺寸 - SMP-03, SMP-53, SMP-53-S, QCC8C, QCC4A, QCC8B, DCC6, QCC8D
- 2. 產品包裝尺寸 - DCC6C, ARC11A, F11SMD, TO-39, F-11, D-11, SIP5T, TO39-2
|
DCC6C - 產品包裝尺寸 (單位: mm)
|
 SAW (DCC6C) 尺寸圖
|
|
| 類型 |
A |
B |
C |
D |
E |
F |
| DCC6C |
0.6 |
1.5 |
0.75 |
1.3 |
3.0 |
3.0 |
|
ARC11A - 產品包裝尺寸 (單位: mm)
|
 SAW (ARC11A) 尺寸圖
|
|
| 類型 |
A |
B |
C |
D |
E |
F |
G |
H |
| ARC11A |
11.0 |
1.5 |
1.1 |
0.7 |
2.54 |
1.27 |
4.0 |
1.5 |
|
F11SMD - 產品包裝尺寸 (單位: mm)
|
 SAW (F11SMD) 尺寸圖
|
|
| 類型 |
A |
B |
C |
D |
E |
F |
G |
| F11SMD |
11.0 |
4.5 |
2.45 |
0.6 |
3.4 |
3×2.54 |
4.1 |
|
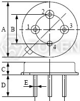
TO-39 - 產品包裝尺寸 (單位: mm)
|
 SAW (TO-39) 尺寸圖
|
|
| 類型 |
A |
B |
C |
D |
E |
| TO-39 |
Φ9.15 |
Φ5.08 |
3.3 |
Φ0.45 |
3.0 |
|
F-11 - 產品包裝尺寸 (單位: mm)
|
 SAW (F-11) 尺寸圖
|
|
| 類型 |
A |
B |
C |
D |
E |
F |
| F-11 |
11.0 |
4.5 |
3.4 |
Φ0.5 |
5.0 |
3×2.54 |
|
D-11 - 產品包裝尺寸 (單位: mm)
|
 SAW (D-11) 尺寸圖
|
|
| 類型 |
A |
B |
C |
D |
E |
F |
| D-11 |
8.36 |
3.45 |
3.0 |
Φ0.45 |
3.0 |
2×2.54 |
|
SIP5T - 產品包裝尺寸 (單位: mm)
|
 SAW (SIP5T) 尺寸圖
|
|
| 類型 |
A |
B |
C |
D |
E |
F |
G |
| SIP5T |
13.8 |
0.55 |
4×2.54 |
2.6 |
4.8 |
3.5 |
0.25 |
|
TO39-2 - 產品包裝尺寸 (單位: mm)
|
 SAW (TO39-2) Dimensions
|
|
| Type |
A |
B |
C |
D |
E |
| TO39-2 |
9.35±0.10 |
5.08±0.10 |
3.40±0.10 |
3.00±0.20 |
4-Φ0.45±0.20 |