貼片共模電感器 共模線圈 - TCB4F 系列

貼片共模電感器 共模線圈(TCB4F)

貼片式共模電感(Common mode Choke),也叫共模扼流圈、共模線圈、或共模扼流線圈,常用於電腦的開關電源中過濾共模的電磁干擾信號。貼片共模線圈、貼片共模電感採用高頻之雜訊抑製對策,共模扼流線圈結構,訊號不衰減,體積小、使用方便。

什麽要用共模扼流圈?當電感中流過較大電流時,電感會發生飽和,導致電感量下降,共模扼流圈可以避免這種情況的發生。共模扼流圈的結構:是將傳輸電流的兩根導線(例如直流供電的電源線和地線,交流供電的火線和零線)繞製。這時,兩根導線中的電流在磁芯中產生的磁力線方向相反,並且強度相同,剛好抵消,所以磁芯中總的磁感應強度為 0,因此磁芯不會飽和。

而對於兩根導線上方向相同的共模干擾電流,則沒有抵消的效果,呈現較大的電感。由於這種電感只對共模干擾電流有抑製作用,而對差模電流沒有影響,因此叫共模扼流圈。

德銘特電子提供完整共模線圈貼片尺寸,電感量範圍齊全,若需特殊規格產品,請與德銘特電子業務聯系,我們將竭誠為您服務。

下載 PDF 版本: 貼片共模電感器 共模線圈(TCB4F)

特性 :
  1. 使用雙線並繞方式平衡度更佳
用途:
  1. 雙平衡調音裝置、多頻變壓器、阻抗變壓器、平衡及不平衡轉換變壓器...等
結構圖及規格尺寸 (TCB4F) 單位:mm
貼片共模電感器 (TCB4F) 尺寸圖
貼片共模電感器 (TCB4F) 尺寸圖
型號 A B (max) C (max) D E (max) F G H I J K L
TCB4F 3.8 4.4 3.2 2.0 5.5 0.45 3.0 2.7 4.4 1.3 3.0 1.0
註: 可依客戶特殊需求設計
貼片共模電感器 電氣特性 (TCB4F - 617DB)
產品料號 圈 數
1-6=2-4=2-6=3-4
μiac
TCB4F - 617DB1673 2 1/2 T 300
TCB4F - 617DB1674 3 1/2 T 300
TCB4F - 617DB1675 4 1/2 T 300
TCB4F - 617DB1714 5 1/2 T 300

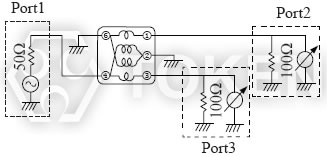
貼片共模電感器 測試電路 (TCB4F - 617DB)
貼片共模電感器 (TCB4F - 617DB) 測試電路
貼片共模電感器 (TCB4F - 617DB) 測試電路

貼片共模電感器 代表特性圖 (TCB4F - 617DB)
貼片共模電感器 (TCB4F - 617DB) 代表特性圖
貼片共模電感器 (TCB4F - 617DB) 代表特性圖

貼片共模電感器 電氣特性 (TCB4F - 617DB)
產品料號 圈 數 μiac
TCB4F - 617DB1653 2 1/2 T 300
TCB4F - 617DB1654 3 1/2 T 300
TCB4F - 617DB1655 4 1/2 T 300
TCB4F - 617DB1724 5 1/2 T 300

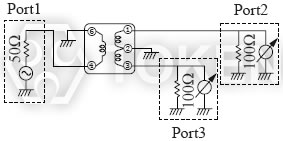
貼片共模電感器 測試電路 (TCB4F - 617DB)
貼片共模電感器 (TCB4F - 617DB) 測試電路
貼片共模電感器 (TCB4F - 617DB) 測試電路

貼片共模電感器 代表特性圖 (TCB4F - 617DB)
貼片共模電感器 (TCB4F - 617DB) 代表特性圖
貼片共模電感器 (TCB4F - 617DB) 代表特性圖

貼片共模電感器 電氣特性 (TCB4F - 617DB)
產品料號 圈 數 μiac
TCB4F - 617DB1643 2 1/2 T 1500
TCB4F - 617DB1644 3 1/2 T 1500
TCB4F - 617DB1645 4 1/2 T 1500
TCB4F - 617DB1646 5 1/2 T 1500

貼片共模電感器 電氣特性 (TCB4F - 617DB)
貼片共模電感器 (TCB4F - 617DB) 測試電路
貼片共模電感器 (TCB4F - 617DB) 測試電路

貼片共模電感器 代表特性圖 (TCB4F - 617DB)
貼片共模電感器 (TCB4F - 617DB) 代表特性圖
貼片共模電感器 (TCB4F - 617DB) 代表特性圖
貼片共模電感器 電氣特性 & 電路 (TCB4F - 617PT)
產品料號 圈 數
1-2=2-3=4-6
μiac
TCB4F - 617PT1667 2T 300
TCB4F - 617PT1669 3T 300
TCB4F - 617PT1699 4T 300
TCB4F - 617PT1664 5T 300

貼片共模電感器 測試電路 (TCB4F - 617PT)
貼片共模電感器 (TCB4F - 617PT) 測試電路
貼片共模電感器 (TCB4F - 617PT) 測試電路

貼片共模電感器 代表特性圖 (TCB4F - 617PT)
貼片共模電感器 (TCB4F - 617PT) 代表特性圖
貼片共模電感器 (TCB4F - 617PT) 代表特性圖
料號標識 (TCB4F)
TCB4F - 617DB1673
 
型號
TCB4F
 
型號
617DB1673 Frequency mixer
617PT1667 Frequency mixer
617DB1653 Balun Transformers
617DB1643 Balun Transformers