貼片平衡-不平衡變壓器 共模扼流電感(TCB5F)

貼片平衡-不平衡變壓器 - TCB5F 系列

平衡器即 Balancing Device,其主要作用是完成由單端傳輸(如:同軸線、微帶線等)變換為差分傳輸(如:半波振子天線,推挽電路等)之間的變換,又稱為平衡-不平衡變壓器,即 Balance-Unbalance,英文將其合並縮寫成一個新詞 Balun,音譯為巴倫。一般設計工程師所提到的平衡器、平衡-不平衡變換器、巴倫,都是指這一類器件。

平衡器有很多種,按平衡條件可以分為四大類:扼流式(扼製不平衡電流)、對稱式(對地阻抗平衡)、倒相式(電壓倒相)、磁藕合式(電流共扼)。同時具備阻抗變換作用的巴倫,兼有扼流式和磁藕合式的特征。其原理結構多種多樣,並且可以互相組合。平衡-不平衡變壓器的重要指標,可以用類似電路中的共模信號和差模信號來描述不平衡信號和平衡信號,或用共模抑製比來描述這個指標,也可以稱做不平衡抑製。它即受阻抗變換比例的影響,也受共模電感量的影響。

在板卡設計中,共模扼流圈共模電感也是起 EMI 濾波的作用,用於抑製高速信號線產生的電磁波向外輻射發射。為了消除信號線上輸入的干擾信號及感應的各種干擾,我們必須合理安排濾波電路來過濾共模和串模的干擾,共模扼流圈共模電感就是濾波電路中的一個組成部分。

共模扼流圈(Common mode Choke),也叫共模電感、共模線圈、貼片平衡-不平衡變壓器、或共模扼流線圈,常用於電腦的開關電源中過濾共模的電磁干擾信號。德銘特電子共模扼流圈/共模貼片電感採用高頻之雜訊抑製對策,共模線圈結構,訊號不衰減,體積小、使用方便。

下載 PDF 版本: 貼片平衡-不平衡變壓器 共模扼流電感(TCB5F)

特性 :
  1. 使用雙線並繞方式平衡度更佳
用途 :
  1. 雙平衡調音設置、多頻變壓器、阻接變壓器 ..等
結構圖及規格尺寸 (TCB5F) 單位:mm
貼片平衡-不平衡變壓器 (TCB5F) 尺寸圖
貼片平衡-不平衡變壓器 (TCB5F) 尺寸圖
型號 A
(max)
B
(max)
C
(max)
D E F G H I J
TCB5F 6.9 6.9 4.4 4.0 3.8 0.6 5.7 1.7 1.2 4.0
註: 可依客戶特殊需求設計
電氣特性 (TCB5F - 458DB)
產品料號 圈 數
1-6=2-4=2-6=3-4
μiac
TCB5F - 458DB1614 2 1/2 T 300
TCB5F - 458DB1615 3 1/2 T 300
TCB5F - 458DB1616 4 1/2 T 300

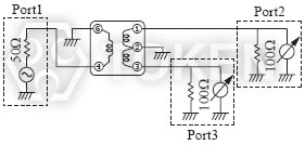
測試電路 (TCB5F - 458DB)
(TCB5F - 458DB) 貼片平衡-不平衡變壓器 測試電路
(TCB5F - 458DB) 貼片平衡-不平衡變壓器 測試電路

代表特性圖 (TCB5F - 458DB)
(TCB5F - 458DB) 貼片平衡-不平衡變壓器 代表特性圖
(TCB5F - 458DB) 貼片平衡-不平衡變壓器 代表特性圖
電氣特性 (TCB5F - 458PT)
產品料號 圈 數
1-2=2-3=4-6
μiac
TCB5F - 458PT1619 2 T 300
TCB5F - 458PT1586 3 T 230
TCB5F - 458PT1587 4 T 230
TCB5F - 458PT1565 5 T 230

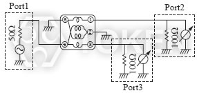
測試電路 (TCB5F - 458PT)
(TCB5F - 458PT) 貼片平衡-不平衡變壓器 測試電路
(TCB5F - 458PT) 貼片平衡-不平衡變壓器 測試電路

代表特性圖 (TCB5F - 458PT)
(TCB5F - 458PT) 貼片平衡-不平衡變壓器 代表特性圖
(TCB5F - 458PT) 貼片平衡-不平衡變壓器 代表特性圖
料號標識 (TCB5F)
TCB5F - 458DB1614
 
型號
TCB5F
 
型號
458DB1614 Frequency mixer
458DB1615 Frequency mixer
458PT1619 Frequency mixer
458PT1586 Frequency mixer