Balun 變壓器、共模扼流線圈(TCB5FL)

Balun 巴倫 (BALanced to UNbalanced) 用於將平衡信號轉換為不平衡信號,反之亦然,是一種平衡饋電轉換器,在 80 年代之前,國內一直稱平衡器。此外,Balun 巴倫還能提供阻抗變換功能,因此被命名為平衡-不平衡變壓器 (Balun Transformer),或巴倫變壓器。

Balun 變壓器 共模扼流線圈 - TCB5FL 系列

饋電平衡的器件可以通過幾個方式定性:是指電流大小相等,方向相反,對地阻抗一致,共模電流為零。這些概念產生出磁藕合式,反向式,對稱式,扼流式等的平衡器類型。衡量 BALUN 的常用指標:工作頻率,帶寬,承載功率,阻抗變換比,共模抑製比。

共模線圈(Common mode Choke),也叫共模電感、共模線圈、或共模扼流圈,常用於Dell等電腦的開關電源中過濾共模的電磁干擾信號。在板卡設計中,共模扼流線圈共模線圈也是起EMI濾波的作用,用於抑製高速信號線產生的電磁波向外輻射發射。

美國FCC、國際無線電干擾特別委員會的CISPR22以及我國的GB9254等標準規範等都對信息技術設備通信端口的共模傳導干擾和輻射發射有相關的限制要求。為了消除信號線上輸入的干擾信號及感應的各種干擾,我們必須合理安排濾波電路來過濾共模和串模的干擾,共模線圈共模扼流線圈就是濾波電路中的一個組成部分。

德銘特電子貼片型的小型共模電感、共模線圈,Balun 變壓器,採用高頻之雜訊抑製對策,共模扼流線圈結構,訊號不衰減,體積小、使用方便,具有平衡度佳、使用方便、高品質等優點。

下載 PDF 版本: Balun 變壓器、共模扼流線圈(TCB5FL)

特性 :
  1. 使用雙線並繞方式平衡度更佳
用途 :
  1. 雙平衡調音設置、多頻變壓器、阻接變壓器 ..等。
結構圖及規格尺寸 (TCB5FL) 單位:mm
貼片式 Balun 變壓器、共模扼流線圈 (TCB5FL) 尺寸圖
貼片式 Balun 變壓器、共模扼流線圈 (TCB5FL) 尺寸圖
型號 A
(max)
B
(max)
C
(max)
D E F G H I
TCB5FL 6.9 6.9 3.6 4.0 5-0.6 5.7 1.7 1.2 4.0
註: 可依客護特殊需求設計
電氣特性 (TCB5FL)
產品料號 圈 數
1-6=2-4=2-6=3-4
μiac
TCB5FL - 616DB1196 2 1/2 T 300
TCB5FL - 616DB1197 3 1/2 T 300
TCB5FL - 616DB1198 4 1/2 T 300

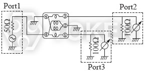
測試電路 (TCB5FL)
貼片式小型巴倫共模線圈 (TCB5FL) 測試電路
貼片式小型巴倫共模線圈 (TCB5FL) 測試電路
代表特性圖 (TCB5FL)
貼片式小型巴倫共模線圈 (TCB5FL) 代表特性圖
貼片式小型巴倫共模線圈 (TCB5FL) 代表特性圖
料號標識 (TCB5FL)
TCB5F - 616DB1196
 
型號
TCB5FL
 
型號
616DB1196 Frequency mixer
616DB1197 Frequency mixer