
德銘特電子 TPUDF 功率型大電流電感系列,提供全範圍電感量。金屬化鼓芯設計,利用德銘特的自動繞線技術和優質鐵氧體磁芯,可節省電路板空間,適用範圍概括一般電子產品及用途。採用開磁式開磁路構造設計,錳鋅材料的鐵芯,大電流及低直流阻抗,直接線端結構,輕便薄小,厚度薄,容易表面貼裝。
採用平底表面設計,可確保穩固的安裝,具有優異的端面強度,良好的焊錫性,及耐熱度。低直流電阻,耐大電流等特點,廣泛應用于高精度的工業設備中。TPUDF 功率型系列具有高功率、高磁飽和性、高品質、高能量存儲、耐大電流、低電阻。同時具有良好的焊錫性及耐熱性。産品包裝符合 EIA-481 標準,適用于 SMT 自動貼片。
TPUDF 功率電感系列具有寬電感範圍從 1.00 μH to 1000.00 μH,TPUDF3308F 最小厚度僅為 3.0 mm。新款的 TPUDF5022F 系列,低直流電阻低至 0.009 歐姆,電感值為 1.00 μH to 1000.00 μH,額定電流高達 20.00 A。由於其溫度的穩定性,可在 -40°C to +85°C 環境溫度範圍內使用。
德銘特可以生產超出這些規格的電感器,可根據要求提供定制。TPUDF 產品符合 RoHS 標準,無鉛焊接技術及 100% 無鉛,與 TDK 電感器兼容,並提供更有競爭力的價格和快速交貨服務。聯繫我們的銷售部門以瞭解更多信息。
下載 PDF 版本: 貼片線繞大電流電感器 (TPUDF)。
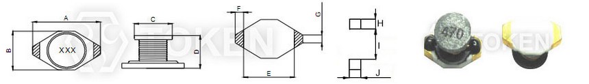
| 開磁式貼片型 (TPUDF1608) 外觀尺寸 (Unit: mm) | |||||||||||
|
|||||||||||
| 型號 | A Max. | B Max. | C Max. | D Max. | E Ref. | F Ref. | G Ref. | H Ref. | I Ref. | J Ref. | |
| TPUDF1608 | 6.60 | 4.45 | 3.94 | 2.92 | 4.32 | 1.02 | 1.27 | 1.40 | 4.06 | 3.56 | |
| 開磁式貼片型 (TPUDF3308) 外觀尺寸 (Unit: mm) | |||||||||||
|
|||||||||||
| 型號 | A Max. | B Max. | C Max. | D Max. | E Ref. | F Ref. | G Ref. | H Ref. | I Ref. | J Ref. | |
| TPUDF3308 | 12.95 | 9.40 | 8.38 | 3.00 | 7.62 | 2.54 | 2.54 | 2.92 | 7.37 | 2.79 | |
| 開磁式貼片型 (TPUDF3316) 外觀尺寸 (Unit: mm) | |||||||||||
|
|||||||||||
| 型號 | A Max. | B Max. | C Max. | D Max. | E Ref. | F Ref. | G Ref. | H Ref. | I Ref. | J Ref. | |
| TPUDF3316 | 12.95 | 9.40 | 8.38 | 5.12 | 7.62 | 2.54 | 2.54 | 2.92 | 7.37 | 2.79 | |
| 開磁式貼片型 (TPUDF3340) 外觀尺寸 (Unit: mm) | |||||||||||
|
|||||||||||
| 型號 | A Max. | B Max. | C Max. | D Max. | E Ref. | F Ref. | G Ref. | H Ref. | I Ref. | J Ref. | |
| TPUDF3340 | 12.95 | 9.40 | 8.38 | 11.43 | 7.62 | 2.54 | 2.54 | 2.92 | 7.37 | 2.92 | |
| 開磁式貼片型 (TPUDF5022) 外觀尺寸 (Unit: mm) | |||||||||||
|
|||||||||||
| 型號 | A Max. | B Max. | C Max. | D Max. | E Ref. | F Ref. | G Ref. | H Ref. | I Ref. | J Ref. | |
| TPUDF5022 | 18.45 | 15.24 | 12.70 | 7.11 | 12.70 | 2.54 | 2.54 | 2.92 | 12.45 | 2.79 | |
| 開磁式貼片型 (TPUDF) 電性表 | |||||||||||
| Inductance (µH) | TPUDF1608 | TPUDF3308 | TPUDF3316 | TPUDF3340 | TPUDF5022 | ||||||
| 標識 | 電感值 (µH) | 直流阻抗 (Ω) Max. |
額定電流 (A) |
直流阻抗 (Ω) Max. |
額定電流 (A) |
直流阻抗 (Ω) Max. |
額定電流 (A) |
直流阻抗 (Ω) Max. |
額定電流 (A) |
直流阻抗 (Ω) Max. |
額定電流 (A) |
| 1R0 | 1.0 | 0.05 | 2.90 | 0.009 | 9.0 | 0.009 | 20.0 | ||||
| 1R5 | 1.5 | 0.05 | 2.60 | 0.010 | 8.0 | ||||||
| 2R2 | 2.2 | 0.07 | 2.30 | 0.012 | 7.0 | 0.014 | 16.0 | ||||
| 3R3 | 3.3 | 0.08 | 2.00 | 0.015 | 6.4 | 0.020 | 12.0 | ||||
| 3R9 | |||||||||||
| 4R7 | 4.7 | 0.09 | 1.50 | 0.018 | 5.4 | ||||||
| 5R6 | 0.020 | 12.0 | |||||||||
| 6R8 | 6.8 | 0.13 | 1.20 | 0.027 | 4.6 | ||||||
| 8R2 | |||||||||||
| 100 | 10 | 0.16 | 1.10 | 0.11 | 2.4 | 0.038 | 3.8 | 0.040 | 8.0 | 0.031 | 10.0 |
| 150 | 15 | 0.23 | 0.90 | 0.15 | 2.0 | 0.046 | 3.0 | 0.05 | 7.00 | 0.036 | 8.0 |
| 220 | 22 | 0.37 | 0.70 | 0.23 | 1.6 | 0.085 | 2.6 | 0.066 | 5.50 | 0.047 | 7.0 |
| 270 | |||||||||||
| 300 | |||||||||||
| 330 | 33 | 0.51 | 0.58 | 0.30 | 1.4 | 0.10 | 2.0 | 0.080 | 4.00 | 0.066 | 5.5 |
| 390 | |||||||||||
| 470 | 47 | 0.64 | 0.50 | 0.39 | 1.0 | 0.14 | 1.6 | 0.110 | 3.80 | 0.086 | 4.5 |
| 560 | |||||||||||
| 680 | 68 | 0.86 | 0.40 | 0.66 | 0.9 | 0.20 | 1.4 | 0.17 | 3.00 | 0.13 | 3.5 |
| 820 | |||||||||||
| 101 | 100 | 1.27 | 0.31 | 0.84 | 0.7 | 0.28 | 1.2 | 0.22 | 2.5 | 0.19 | 3.0 |
| 151 | 150 | 2.00 | 0.27 | 1.2 | 0.6 | 0.4 | 1.0 | 0.34 | 2.00 | 0.25 | 2.6 |
| 181 | |||||||||||
| 221 | 220 | 2.65 | 0.22 | 1.9 | 0.5 | 0.61 | 0.8 | 0.440 | 1.60 | 0.38 | 2.4 |
| 271 | |||||||||||
| 331 | 330 | 3.80 | 0.18 | 2.7 | 0.4 | 1.02 | 0.6 | 0.7 | 1.20 | 0.56 | 1.9 |
| 391 | |||||||||||
| 471 | 470 | 5.06 | 0.16 | 4.0 | 0.3 | 1.27 | 0.5 | 0.95 | 1.00 | 0.85 | 1.4 |
| 561 | |||||||||||
| 681 | 680 | 5.3 | 0.2 | 2.02 | 0.4 | 1.200 | 1.00 | 1.10 | 1.2 | ||
| 102 | 1000 | 13.80 | 0.10 | 2.000 | 0.80 | 1.80 | 1.0 | ||||
| 開磁式貼片型 (TPUDF) 料號標識 | |||||||||||||||||||||||||||||||||
| TPUDF1608 | - | 1R0 | M | ||||||||||||||||||||||||||||||
![]() | ![]() | ![]() | |||||||||||||||||||||||||||||||
|
|
|
|||||||||||||||||||||||||||||||