厚膜贴片微欧姆电阻器 - CS 系列

厚膜贴片微欧姆电阻器 (CS)

德铭特电子新推出的超小型化、低阻值、电流检测表面贴装芯片电阻器家族中 CS 系列产品。这些较小型化的贴片低阻电阻不但可以节省电路板的空间,还可以生产更小型,更轻的产品。

电流感测 CS 新系列补充了德铭特现有的合金贴片电阻 LRC 系列,提供了陶瓷结构的金属薄膜的低欧姆电阻器,在德铭特多样化的电流采样、取样、锰铜合金、毫欧低阻值电阻器互补下,CS 系列提供给产品设计师更多的选择,尺寸有 0201, 0402, 0603, 0805, 1206, 2010, 2512, 1225, 3720, 和 7520 的选择。

专为电流检测在电力电子系统,完全符合 RoHS 标准,CS 系列适合的应用范围包括监测功耗和电池寿命;并提供电源输出和保护;以及消费性电子和汽车产品,如卫星导航系统,手持 PDA 和数字电视机顶盒。

德铭特 CS 系列提供欧姆值低至 1mΩ 以减少功耗,和具有环境温度操作范围 -55°C 到 +155°C。

展现宽广电阻范围达和良好散热的特点,且 CS 系列为设计人员提供了增强的功率处理能力,和避免威胁局部加热结构,使产品在生产更节能。

随着缩小尺寸、手持和便携式设备在低电操作的需求不断增加,设计师将更关注制造商生产更小,更小的电流检测电阻。
德铭特预期其需求电阻尺寸小型化最新范围标准会很高。联系我们与您的特定需求。

下载 PDF 版本: 厚膜贴片微欧姆电阻 (CS)

特性:
  1. 阻值范围从 1mΩ 到 8000mΩ。
  2. 低温度系数 TCR ±100 PPM/°C。
  3. 1W 的尺寸体积可达到 3W 的功率,1225 封装。
  4. 高纯度的铝基片,解决高功率的散热问题。
  5. 具有高负载额定功率长尺寸电极焊端。
  6. 100% 无铅,符合 RoHS 标准。
应用:
  1. 磁盘驱动器,开关电源。
  2. 过电流保护的音频应用。
  3. 电压调节模块(VRM)。
  4. 便携式设备(PDA,手机)。
  5. DC-DC 转换器,电池组,充电器,适配器。
  6. 汽车发动机控制,电源管理应用程序。
结构 & 尺寸 (CS)
贴片低阻微欧姆电阻/毫欧电阻/电流检测电阻器 CS 系列结构图
贴片低阻微欧姆电阻/毫欧电阻/电流检测电阻器 CS 系列 结构图
贴片低阻毫欧电阻 CS 系列 尺寸图
贴片低阻毫欧电阻 CS 系列 尺寸图
规格 L (Unit: mm) W (Unit: mm) T (Unit: mm) D1 (Unit: mm) D2 (Unit: mm) 重量 (g) / 1000pcs
CS01 (0201) 0.60±0.03 0.30±0.03 0.23±0.05 0.12±0.05 0.15±0.05 0.18
CS02 (0402) 1.00±0.05 0.50±0.05 0.32±0.10 0.25±0.10 0.20±0.10 0.7
CS03 (0603) 1.60±0.10 0.80±0.10 0.45±0.10 0.30±0.20 0.30±0.20 1.99
CS05 (0805) 2.00±0.10 1.25±0.10 0.55±0.10 0.30±0.20 0.40±0.25 5.3
CS06 (1206) 3.10±0.10 1.55±0.10 0.55±0.10 0.50±0.30 0.40±0.25 8.82
CS13 (1210) 3.10±0.10 2.60±0.15 0.55±0.10 0.50±0.30 0.50±0.25 15.5
CS10 (2010) 5.00±0.10 2.50±0.15 0.60±0.15 0.60±0.30 0.50±0.25 27.03
CS12 (2512) 6.35±0.10 3.10±0.15 0.60±0.10 0.60±0.30 0.55±0.25 43.08
CS12 (2512) 2W (10 ~ 99)mΩ 6.35±0.20 3.15±0.15 0.74±0.10 0.60±0.30 0.55±0.25 53.08
CS12 (2512) 2W (100 ~ 1000)mΩ 6.35±0.20 3.15±0.15 0.74±0.10 0.60±0.30 2.10±0.10 53.08
CS25 (1225) 3.10±0.15 6.30±0.15 0.90±0.15 0.60±0.30 0.80±0.25 64.88
CS37 (3720) 2.00±0.20 3.75±0.20 0.60±0.10 0.40±0.20 0.40±0.20 19.96
CS75 (7520) 2.00±0.20 7.50±0.30 0.60±0.10 0.40±0.20 0.40±0.20 35.71
CS62 (0612) 1.55±0.10 3.10±0.15 0.55±0.10 0.30±0.15 0.45±0.15 10.19

0603 标示 (CS)
标示 阻值
1R0 1.000Ω
R10 0.100Ω
R01 0.010Ω
138 0.138Ω
039 0.039Ω
标准型-电气特性 (CS)
规格 额定功率
(at 70°C)
操作温度范围
°C
阻值公差
(%)
最大工作电流
(A)
阻值范围
(mΩ)
温度系数
(PPM/°C)
CS01 (0201) 1/20W (-55 ~ +155)°C ±1%
±2%
±5%
0.70A 100 - 147
150 - 500
510 - 1000
±1000
±600
±300
CS02 (0402) 1/16W 1.11A 50 - 100
102 - 500
510 - 1000
±400
±300
±200
CS03 (0603) 1/10W 2.23A 20 - 50
51 - 100
102 - 500
510 - 1000
±600
±400
±300
±200
CS05 (0805) 1/8W 2.50A 20 - 50
51 - 100
102 -196
200 - 1000
±600
±400
±300
±200
CS06 (1206) 1/4W 5.00A 10 - 20
21 - 50
51 - 91
100 - 1000
±600
±400
±300
±200
CS13 (1210) 1/2W 7.07A
CS10 (2010) 3/4W 8.66A
CS12 (2512) 1W 10.0A
CS25 (1225) 3W 31.6A 3 - 5
6 - 20
21 - 30
33 - 8000
±300
±200
±150
±100
CS37 (3720) 1W 10.0A 10 - 18
20 - 500
±300
±150
CS75 (7520) 2W ±2%,±5% 44.7A 1 - 4 ±300
±1%
±2%
±5%
5 - 10
11 - 350
±200
±150
CS62 (0612) 1W 10.0A 10 - 27
30 - 91
100 – 499
500 - 1000
±600
±300
±200
±100
额定电压 V = ( ( P * R ) 或最大工作电压) 两数取其低。 德铭特电子可以依客护的需求的规格制造生产。如需更多的资讯,请与德铭特业务部接洽

高功率型 - 电气特性 (CS)
规格 额定功率
(at 70°C)
操作温度范围
°C
阻值公差
(%)
最大工作电流
(A)
阻值范围
(mΩ)
温度系数
(PPM/°C)
CS02 (0402) 1/8W (-55 ~ +155)°C ±1%
±2%
±5%
1.56A 51 - 100
102 - 500
510 - 1000
±400
±300
±200
CS03 (0603) 1/8W, 1/5W 1.98A
CS05 (0805) 1/4W 2.21A
CS06 (1206) 1/2W 7.07A 10 - 20
21 - 50
51 - 91
100 - 1000
±600
±400
±300
±200
CS13 (1210) 3/4W 8.66A
CS10 (2010) 1W 10.0A
CS12 (2512) 1.5W 12.2A
CS12 (2512) *2W 14.1A
*: 超高功率型

低温度系数型 - 电气特性 (CS)
规格 额定功率
(at 70°C)
操作温度范围
°C
阻值公差
(%)
最大工作电流
(A)
阻值范围
(mΩ)
温度系数
(PPM/°C)
CS05 (0805) 1/8W (-55 ~ +155)°C ±1%
±2%
±5%
1.11A 100 - 1000 ±100
CS06 (1206) 1/4W 1.58A 100 - 1000 ±100
CS13 (1210) 1/2W 2.58A 75 - 1000 ±100
CS10 (2010) 3/4W 3.87A 50 - 1000 ±100
CS12 (2512) 1W 7.07A 20 - 1000 ±100
CS12 (2512) *2W 6.32A 50 - 1000 ±100
CS37 (3720) 1W 3.16A 100 - 500 ±100
CS75 (7520) 2W 6.32A 50 - 350 ±100
建议焊盘布局 (超高功率 CS12 系列除外) (CS)
图片 规格 A B C
(CS) Recommend Land Pattern
(CS) Recommend Land Pattern
CS01 0.25 0.30 0.40±0.2
CS02 0.50 0.50 0.60±0.2
CS03 0.80 1.00 0.90±0.2
CS05 1.00 1.00 1.35±0.2
CS06 2.00 1.15 1.70±0.2
CS13 2.00 1.15 2.50±0.2
CS10 3.60 1.40 2.50±0.2
CS12 4.90 1.60 3.20±0.2
CS25 1.20 2.00 7.00±0.2
CS37 1.00 1.80 3.90±0.2
CS75 1.00 1.80 7.60±0.2
CS62 0.60 1.00 3.20±0.2

建议焊盘布局 - 超高功率 CS12 系列 (CS)
规格 阻值范围 A B C
CS12 (10~99)mΩ 4.90 1.60 3.20±0.2
CS12 (100~1000)mΩ 1.00 3.55 3.20±0.2
焊接条件 (CS)
IR 回流焊IR 回流焊
波峰焊 (流焊)波峰焊 (流焊)
(1) 回流焊在最高温度点的时间 260°C:10s (2) 波峰焊在最高温度点的时间 260°C:10s (3) 烙铁在最高温度点的时间 410°C:5s

降额曲线图 (CS)
(CS) 降额曲线图
(CS) 降额曲线图
环境测试 (CS)
项目 规格标准 测试条件
温度系数 (T.C.R) 视规格而定 JIS-C-5201-1 4.8
IEC-60115-1 4.8
-55°C~+125°C, 25°C 是惨考温度。
短时间过负载 (Short Time Overload) ±(0.5%+0.05Ω) JIS C 5201-1 4.13
IEC 60115-1 4.13
RCWV*2.5 或最大过负荷电压少于 5 秒。
±(1.0%+0.05Ω 对于高功率额定值
绝缘性 (Insulation Resistance) ≥10GΩ JIS-C-5201-1 4.6
IEC-60115-1 4.6
最大过载电压 1 分钟。
负载寿命 (Endurance) ±(1.0%+0.05Ω) JIS-C-5201-1 4.25
IEC-60115-1 4.25.1
70±2°C, RCWV, 70°C, 1.5 小时开 ,0.5 小时关 1000 小时。
耐湿性 (Damp Heat with Load) ±(0.5%+0.05Ω) JIS-C-5201-1 4.24
IEC-60115-1 4.24
40±2°C, 90~95% R.H., RCWV 1.5 小时开,0.5 小时关,
最大工作电压 1000 小时。
耐干旱性 (Dry Heat) ±(0.5%+0.05Ω) JIS-C-5201-1 4.23
IEC-60115-1 4.23.2
at +155°C for 1000 hrs
弯曲强度 (Bending Strength) ±(1.0%+0.05Ω) JIS-C-5201-1 4.33
IEC-60115-1 4.33
以 3mm 翘曲 5 秒钟;2010, 2512: 2mm。
焊接性 (Solderability) 95% min coverage JIS-C-5201-1 4.17
IEC-60115-1 4.17
245±5°C for 3 seconds
耐焊温度
(Resistance to Soldering Heat)
±(0.5%+0.05Ω) JIS-C-5201-1 4.18
IEC-60115-1 4.18
260±5°C for 10 seconds
耐电压 (Voltage Proof) 无击穿或闪酪 JIS-C-5201-1 4.7
IEC-60115-1 4.7
最大 1.42 倍工作电压,1 分钟。
浸析 (Leaching) 个别浸出区≤5%,总浸出面积≤10%。 JIS-C-5201-1 4.18
IEC-60068-2-58 8.2.1
260±5°C for 30 秒钟。
急速温度变化
Rapid Change of Temperature
±(0.5%+0.05Ω) JIS-C-5201-1 4.19
IEC-60115-1 4.19
-55°C to +155°C, 5 循环。
额定工作电压 (RCWV) = 额定功率 × 阻值 (Ω) 或最大工作电压) 两数取其低。储存温度: 15 ~ 28°C; 湿度 < 80%RH;
包装数量 & 卷盘规格 (CS)
卷盘规格
卷盘规格
规格 ΦA (mm) ΦB (mm) ΦC (mm) W (mm) T (mm) 纸带 (EA) 模压带 (EA)
CS01 178.0±1.0 60.0+1.0 13.5±0.7 9.5±0.1 11.5±1.0 10,000Pcs -
CS02 178.0±1.0 60.0+1.0 13.5±0.7 9.5±0.1 11.5±1.0 10,000Pcs -
CS03 178.0±1.0 60.0+1.0 13.5±0.7 9.5±0.1 11.5±1.0 5,000Pcs -
CS05 178.0±1.0 60.0+1.0 13.5±0.7 9.5±0.1 11.5±1.0 5,000Pcs -
CS06 178.0±1.0 60.0+1.0 13.5±0.7 9.5±0.1 11.5±1.0 5,000Pcs -
CS13 178.0±1.0 60.0+1.0 13.5±0.7 9.5±0.1 11.5±1.0 5,000Pcs -
CS10 178.0±1.0 60.0+1.0 13.5±0.7 13.5±1.0 15.5±1.0 - 4,000Pcs
CS12 178.0±1.0 60.0+1.0 13.5±0.7 13.5±1.0 15.5±1.0 - 4,000Pcs
CS12 (2W) 178.0±1.0 60.0+1.0 13.5±0.7 13.5±1.0 15.5±1.0 - 2,000Pcs
CS25 178.0±1.0 60.0+1.0 13.5±0.7 13.5±1.0 15.5±1.0 - 2,000Pcs
CS37 178.0±1.0 60.0+1.0 13.5±0.7 13.5±1.0 15.5±1.0 - 2,000Pcs
CS75 178.0±1.0 60.0+1.0 13.5±0.7 17.5±1.0 19.5±1.0 - 2,000Pcs
CS62 178.0±1.0 60.0+1.0 13.5±0.7 9.5±0.1 11.5±1.0 5,000Pcs -

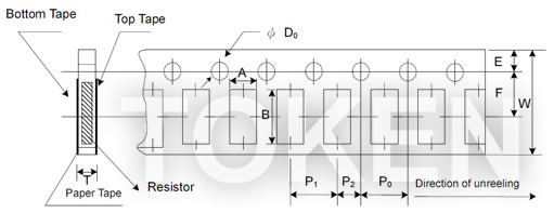
纸带规格 (CS)
纸带规格纸带规格
规格 A (mm) B (mm) W (mm) E (mm) F (mm) P0 (mm) P1 (mm) P2 (mm) ΦD0 (mm) T
CS01 0.38±0.05 0.68±0.05 8.0±0.20 1.75±0.10 3.50±0.05 4.00±0.10 2.00±0.05 2.00±0.05 1.50+0.1,-0 0.42±0.20
CS02 0.65±0.10 1.15±0.10 8.0±0.20 1.75±0.10 3.50±0.05 4.00±0.10 2.00±0.05 2.00±0.05 1.50+0.1,-0 0.45±0.10
CS03 1.10±0.10 1.90±0.10 8.0±0.20 1.75±0.10 3.50±0.05 4.00±0.10 4.00±0.05 2.00±0.05 1.50+0.1,-0 0.70±0.10
CS05 1.60±0.10 2.40±0.20 8.0±0.20 1.75±0.10 3.50±0.05 4.00±0.10 4.00±0.05 2.00±0.05 1.50+0.1,-0 0.85±0.10
CS06 1.90±0.10 3.50±0.20 8.0±0.20 1.75±0.10 3.50±0.05 4.00±0.10 4.00±0.05 2.00±0.05 1.50+0.1,-0 0.85±0.10
CS13 2.90±0.10 3.50±0.20 8.0±0.20 1.75±0.10 3.50±0.05 4.00±0.10 4.00±0.05 2.00±0.05 1.50+0.1,-0 0.85±0.10
CS62 1.90±0.10 3.50±0.20 8.0±0.20 1.75±0.10 3.50±0.05 4.00±0.10 4.00±0.05 2.00±0.05 1.50+0.1,-0 0.85±0.10

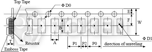
模压带规格 (CS)
(CS) 模压带规格模压带规格
规格 A (mm) B (mm) W (mm) E (mm) F (mm) P0 (mm) P1 (mm) P2 (mm) ΦD0 (mm) ΦD1 (mm) T
CS10 2.80±0.10 5.50±0.10 12.0±0.30 1.75±0.10 5.5±0.05 4.00±0.05 4.00±0.10 2.00±0.05 1.50+0.10 1.4 Min. 1.00±0.20
CS12 3.50±0.10 6.70±0.10 12.0±0.30 1.75±0.10 5.5±0.05 4.00±0.05 4.00±0.10 2.00±0.05 1.50+0.10 1.4 Min. 1.00±0.20
CS12 (2W) 3.38±0.10 6.68±0.10 12.0±0.30 1.75±0.10 5.5±0.10 4.00±0.10 4.00±0.10 2.00±0.05 1.55+0.05 1.4 Min. 1.45±0.20
CS25 3.38±0.10 6.68±0.10 12.0±0.30 1.75±0.10 5.5±0.10 4.00±0.10 4.00±0.10 2.00±0.05 1.55+0.05 1.4 Min. 1.45±0.20
CS37 2.50±0.20 4.45±0.20 12.0±0.30 1.75±0.10 5.5±0.05 4.00±0.05 4.00±0.10 2.00±0.05 1.50+0.10 1.4 Min. 1.20±0.20
CS75 2.50±0.20 8.30±0.20 16.0±0.30 1.75±0.10 7.8±0.05 4.00±0.05 4.00±0.10 2.00±0.05 1.50+0.10 1.4 Min. 1.20±0.20
料号标识 (CS)
CS 12 J TR G A R100 N
型号
CS
尺寸编码
(L×W) (mm)
01 0201
02 0402
03 0603
05 0805
06 1206
13 1210
10 2010
12 2512
25 1225
37 3720
75 7520
62 0612
阻值公差(%)
J ±5%
G ±2%
F ±1%
包装方式
P 散装
TR 编带卷装
温度系数(PPM/°C)
E ±100ppm/°C
K ±150ppm/°C
F ±200ppm/°C
G ±300ppm/°C
H ±400ppm/°C
J ±600ppm/°C
R ±1000ppm/°C
额定功率(W)
R 3W
S 2W
A 1.5W
T 1W
Q 3/4W
U 1/2W
V 1/4W
P 1/5W
W 1/8W
X 1/10W
Y 1/16W
标称阻值(Ω)
R010 0.01Ω
R100 0.1Ω
1R00
标识
N 无标识
W Wide