合金贴片薄膜电阻器 - TCS 系列

贴片合金薄膜电阻器 (TCS)

德铭特贴片功率型 TCS 系列,超低阻值电流感测薄膜电阻器,具有薄膜电阻均匀厚度的特点,及镍铬合金电阻的超低阻值的特性 (50m-1)Ω,为无感(低感),采用高纯度的铝基片设计,提高散热性。适用于高功率及高电流的电源供应器,电路板的电路侦测,具有高稳定性,低温度系数,散热性佳等特性,是高端电流采样、取样的首选。

德铭特电子提供完整毫欧贴片电阻尺寸 TCS0402、TCS0603、TCS0805、TCS1206、TCS2010、TCS2512,阻值范围齐全,并提供电流感测/采样/取样电阻系列产品目录下载。可依客户的需求制造,若需特殊规格型式,请与德铭特电子业务联系。

小型化的趋势,对便携式和手持式电子设备,增加了对超小型化电流感应电阻器的需求。针对此需求,德铭特电子生产的 TCS 低阻值贴片系列,使用薄膜的结构,使他们能够实现精密电阻容差,小型化,低噪音,和长期稳定性。

德铭特片式精密电阻 TCS 采用镍铬合金、薄膜陶瓷晶片,使温度系数低至 ±50PPM/°C 和紧密公差精度为 ±0.5%,大大提升产品的稳定性及长期的使用寿命。

德铭特的片式 TCS 电阻具有优异的稳定性在高频率产品应用中,并适合在高电压运行,提供更多小型化尺寸以供选择 0402, 0603, 0402, 0805, 1206, 2010, 和 2512。全范围的阻值从 50mΩ 到 1Ω。这 TCS 低值电阻器件,特别适合用于汽车引擎管理单元作为电流感应分流电阻。

德铭特 TCS 分流电阻系列完全符合 RoHS 标准,依产品尺寸大小,提供每卷 4Kpc,5Kpcs,10Kpcs 标准的卷盘包装,方便使用于自动装配工艺。

下载 PDF 版本: 贴片合金薄膜电阻器 (TCS)

特性 :
  1. 薄膜工艺。
  2. 阻值范围从 50mΩ 到 1Ω。
  3. 公差精度从 ±1% 到 ±0.5%。
  4. 绝佳的低温度系数从 ±200 PPM/°C 到 ±50PPM/°C。
  5. 采用高纯度铝材,具有极高的散热性。
  6. 符合 RoHS 标准与无铅电极焊端。
应用 :
  1. 磁盘驱动器,开关电源。
  2. 过电流保护的音频应用。
  3. 电压调节模块(VRM)。
  4. 便携式设备(PDA,手机)。
  5. DC-DC 转换器,电池,充电器,适配器。
  6. 汽车发动机控制,电源管理应用。
结构 & 尺寸 (单位: mm) (TCS)
贴片薄膜结构尺寸
贴片薄膜结构尺寸
氧化铝基板 边缘电极 电阻层
底电极 阻隔层 外涂层
顶部电极 外部电极 标识
规格 L (单位: mm) W (单位: mm) T (单位: mm) D1 (单位: mm) D2 (单位: mm) 重量(g)/1000pcs
TCS02 (0402) 1.00±0.05 0.50±0.05 0.32±0.10 0.25±0.10 0.20±0.10 0.56
TCS03 (0603) 1.60±0.10 0.80±0.10 0.45±0.10 0.30±0.20 0.30±0.20 3.1
TCS05 (0805) 2.00±0.15 1.25±0.15 0.55±0.10 0.30±0.20 0.40±0.25 5.6
TCS06 (1206) 3.05±0.15 1.55±0.15 0.55±0.10 0.50±0.30 0.40±0.25 12.3
TCS10 (2010) 5.00±0.20 2.45±0.15 0.60±0.15 0.60±0.30 0.50±0.25 26.7
TCS12 (2512) 6.35±0.20 3.15±0.15 0.60±0.10 0.60±0.30 0.55±0.25 49.6
标准型-电气特性 (TCS)
规格 额定功率 at 70°C 阻值公差 阻值范围 温度系数 操作温度范围
TCS02 (0402) 1/16W ±0.5%, ±1.0% 500mΩ~1000mΩ ±100PPM/°C
±50PPM/°C
-55 ~ +155°C
TCS03 (0603) 1/10W ±0.5%, ±1.0% 200mΩ~300mΩ
301mΩ~1000mΩ
±100PPM/°C
±50PPM/°C
TCS05 (0805) 1/8W
TCS06 (1206) 1/4W ±1.0% 50mΩ~100mΩ ±200PPM/°C
±100PPM/°C
±50PPM/°C
±0.5%,±1.0% 101mΩ~300mΩ
301mΩ~1000mΩ
TCS10 (2010) 3/4W ±0.5%,±1.0% 50mΩ~100mΩ
101mΩ~300mΩ
301mΩ~1000mΩ
±200PPM/°C
±100PPM/°C
±50PPM/°C
TCS12 (2512) 1W

高功率型-电气特性 (TCS)
规格 额定功率 at 70°C 阻值公差 阻值范围 温度系数 操作温度范围
TCS12 (2512) 3W ±0.5%, ±1.0% 100mΩ~1000mΩ ±100PPM/°C -55 ~ +155°C
德铭特电子可以依客户的需求的规格制造生产。如需更多的资讯,请与德铭特业务部接洽。

降额曲线 (TCS)
降额曲线 (TCS)降额曲线 (TCS)

焊盘建议 (TCS)
焊盘建议
焊盘建议
规格 A (mm) B (mm) C (mm)
TCS02 0.50 0.50 0.60±0.2
TCS03 0.80 1.00 0.90±0.2
TCS05 1.00 1.00 1.35±0.2
TCS06 2.00 1.15 1.70±0.2
TCS10 3.60 1.40 2.50±0.2
TCS12 4.90 1.60 3.10±0.2
环境测试条件 (TCS)
项目 规格标准 测试条件
温度系数 (TCR) As Spec MIL-STD-202F Method 304
+25/-55/+25/+125/+25°C。
短时间过负载 (Short Time Overload) ±1% JIS-C-5202-5.5
RCWV*2.5 or 最大过负荷电压 5 seconds。
绝缘耐电压 (Dielectric Withstand Voltage) by Type MIL-STD-202F Method 301
施以最大过负荷电压 l 分钟。
绝缘性 (Insulation Resistance) >1000MΩ MIL-STD-202F Method 302
施以 100VDC for 1 分钟。
耐热性 Thermal Shock ±0.5% MIL-STD-202F Method 107G
-55°C~150°C, 100次循环。
负载寿命 (Load Life or Endurance) ±1% MIL-STD-202F Method 108A
70±2°C, RCWV, 70°C, 1.5 小时开 ,0.5 小时关 1000小时。
耐湿性 (Humidity) ±0.5% MIL-STD-202F Method 103B
40°C, 90~95%RH, RCWV 1.5 小时开,0.5 小时关, 1000小时。
耐低温性 (Low Temperature Operation) ±0.5% JIS-C-5202-7.1
1hour, -65°C 加以 45 分钟的 RCWV。
弯曲强度 (Bending Strength) As Spec JIS-C-5202-6.1.4
以 3mm 翘曲 10 秒钟。
焊接性 (Solderability) 95%min 覆盖 MIL-STD-202F Method 208H
245°C±5°C, 3 秒钟。
耐焊温度 (Resistance to Soldering Heat) ±0.5% MIL-STD-202F Method 210E
260±5°C, 10±1 秒钟。
额定工作电压 (RCWV) = 额定功率 × 阻值 (Ω) 或最大工作电压) 两数取其低。储存温度: 15~28°C, 湿度 < 80%RH

回流焊 (TCS)
回流焊回流焊
包装数量 & 卷盘规格 (TCS)
卷盘规格
卷盘规格
规格 ΦA ΦB ΦC W T 纸带 (EA) 模压带 (EA)
TCS02 178.0±1.0 60.0±1.0 13.5±0.7 9.5±1.0 11.5±1.0 10,000Pcs -
TCS03 178.0±1.0 60.0±1.0 13.5±0.7 9.5±1.0 11.5±1.0 5,000Pcs -
TCS05 178.0±1.0 60.0±1.0 13.5±0.7 9.5±1.0 11.5±1.0 5,000Pcs -
TCS06 178.0±1.0 60.0±1.0 13.5±0.7 9.5±1.0 11.5±1.0 5,000Pcs -
TCS10 178.0±1.0 60.0±1.0 13.5±0.7 13.5±1.0 15.5±1.0 - 4,000Pcs
TCS12 178.0±1.0 60.0±1.0 13.5±0.7 13.5±1.0 15.5±1.0 - 4,000Pcs

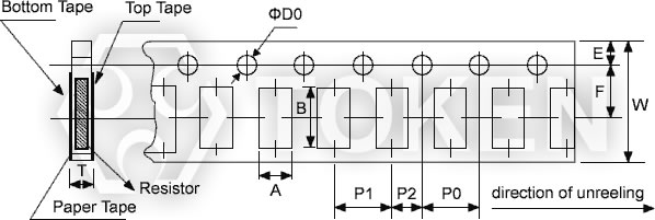
纸带规格 (TCS)
纸带规格
纸带规格
剥离力
剥离力
规格 A B W E F P0 P1 P2 ΦD0 T
TCS02 0.70±0.05 1.16±0.05 8.00±0.10 1.75±0.05 3.50±0.05 4.00±0.10 2.00±0.10 2.00±0.05 1.55±0.05 0.40±0.03
TCS03 1.10±0.05 1.90±0.05 8.00±0.10 1.75±0.05 3.50±0.05 4.00±0.10 4.00±0.10 2.00±0.05 1.55±0.05 0.60±0.03
TCS05 1.60±0.05 2.37±0.05 8.00±0.10 1.75±0.05 3.50±0.05 4.00±0.10 4.00±0.10 2.00±0.05 1.55±0.05 0.75±0.05
TCS06 2.00±0.05 3.55±0.05 8.00±0.10 1.75±0.05 3.50±0.05 4.00±0.10 4.00±0.10 2.00±0.05 1.55±0.05 0.75±0.05
◉ 顶盖胶带剥离力。
◉ 剥离力速度t 300mm/min5±5%。
◉ 顶盖胶带剥离力应为 10 to 100g。

模压带规格 (TCS)
模压带规格 (TCS)
模压带规格 (TCS)
规格 A B W E F P0 P1 P2 ΦD0 T
TCS10 2.85±0.10 5.45±0.10 12.0±0.10 1.75±0.10 5.5±0.05 4.00±0.05 4.00±0.10 2.00±0.05 1.50+0.10 1.00±0.20
TCS12 3.40±0.10 6.65±0.10 12.0±0.10 1.75±0.10 5.5±0.05 4.00±0.05 4.00±0.10 2.00±0.05 1.50+0.10 1.00±0.20
料号标识 (TCS)
TCS 02 D TR E   1R00 N
型号
尺寸
(L×W) (mm)
02 0402
03 0603
05 0805
06 1206
10 2010
12 2512
阻值公差(%)
F ±1%
D ±0.5%
包装方式
P 散装
TR 编带卷装
温度系数
(ppm/°C)
D ±50ppm/°C
E ±100ppm/°C
F ±200ppm/°C
额定功率
(W)
  标准标示
R 3W
阻值
(Ω)
R010 0.01Ω
R100 0.100Ω
1R00 1.000Ω
标示
  标准标示
N 无标示

3 位数标示 0603 (TCS)
阻值 0.1Ω 0.15Ω 0.01Ω 0.101Ω 0.035Ω
Codes 1R0 R10 R15 R01 101 035

4 位数标示 (0805~2512) (TCS)
阻值 0.1Ω 0.05Ω 0.015Ω 0.01Ω 0.39Ω
Codes 1R00 R100 R050 R015 R010 R390