
在快速电瞬变中,诸如机械式开关闭路或电池组件外挂,电阻器的耐脉冲能力局限于电阻元件温度升高的热能量。更大的金属合金片/条功率电阻器元件,对于相同的脉冲能量,具有更小的温升,并转化为优异的耐脉冲能力。
对于电流感测应用,贴片金属合金电阻器提供比厚膜和薄膜器件更稳健的技术。薄膜和厚膜电阻器技术都需要陶瓷基板来支撑。金属合金 (Power Alloy Metal) 技术与厚膜或薄膜技术有很大不同,因为它是一种金属片焊接结构,其厚度足以自支撑 (没有基板)。这是因为金属合金片能输送大电流,提供更大的浪涌容量。功率处理能力提供更高的额定功率,并延伸到非常低阻抗范围。
与其他金属合金电流检测电阻器制造商不同,德铭特金属合金贴片电阻 (LRE)具有一系列优势,功率高达 5W,低阻值范围 0.25mΩ to 1Ω 温度系数 ±50 ppm/°C; ,多样封装尺寸 0805/1206/2010/2512/2725/2728/2817/4527 可供选择,适用于需要高功率处理的应用。依产品尺寸大小,提供每卷 1Kpcs,2Kpcs,4Kpcs,5Kpcs 标准的卷盘包装,方便使用于自动装配工艺。
德铭特 (LRE) 电流感测系列提供多种灵活的设计选项,允许设计人员指定其电路所需的电阻值和容差,而不是将电路设计为默认的电阻值。与此同时,德铭特(LRE)分流电阻更扩展到AEC-Q200 车规级 (LREA) 系列规格,适用于车辆应用,如电子控制(防抱死制动,音频电子,发动机和变速箱控制,恒温调节控制等)。
德铭特电子为您的低阻值电流感测应用提供合适的表面贴装电阻,符合 RoHS 标准。如需更详细的产品信息和数据表或讨论您的具体要求,请联系德铭特电子。
下载 PDF 版本: 贴片大功率超低阻抗电阻 (LRE)。
| 贴片电流感测电阻 (LRE) 金属合金板结构 & 尺寸 | ||||||||||||||||
|
||||||||||||||||
| 规格 | 额定功率 at 70°C (W) |
阻值范围 (mΩ) |
尺寸 (单位:mm) | |||||||||||||
| L | W | T | D | |||||||||||||
| LRE0805 | 0.75 | 3.0 ~ 100.0 | 2.100±0.254 | 1.500±0.254 | 0.320±0.254 | 0.400±0.254 | ||||||||||
| 1.0 | 3.0 ~ 10.0 | |||||||||||||||
| LRE1206 | 0.5 | 51.0 ~ 100.0 | 3.200±0.254 | 1.650±0.254 | 0.300±0.254 | 0.508±0.254 | ||||||||||
| 0.75 | 21.0 ~50.0 | 0.390±0.254 | ||||||||||||||
| 1.0 | 1.0~2.0 | 0.670±0.254 | ||||||||||||||
| 3.0~100.0 | 0.490±0.254 | |||||||||||||||
| 1.5 | 1.0~2.0 | 0.670±0.254 | ||||||||||||||
| 3.0~100.0 | 0.490±0.254 | |||||||||||||||
| LRE2010 | 0.75 | 71.0~100.0 | 5.100±0.254 | 2.400±0.254 | 0.310±0.254 | 0.840±0.254 | ||||||||||
| 1 | 31.0~70.0 | 0.460±0.254 | ||||||||||||||
| 1.5 | 1.0~2.0 | 0.670±0.254 | ||||||||||||||
| 2.5~30.0 | 0.460±0.254 | |||||||||||||||
| 31.0~100.0 | 0.590±0.254 | |||||||||||||||
| LRE2512 | 1 | 0.5~1.0 | 6.350±0.254 | 3.050±0.254 | 0.670±0.254 | 2.200±0.254 | ||||||||||
| 1.5 | 0.560±0.254 | 2.000±0.254 | ||||||||||||||
| 2.0 | 1.400±0.254 | |||||||||||||||
| 2.5~100.0 | 1.100±0.254 | |||||||||||||||
| 101.0~680.0 | 0.490±0.254 | 0.850±0.254 | ||||||||||||||
| 2 | 0.5~1.0 | 0.670±0.254 | 2.200±0.254 | |||||||||||||
| 1.5 | 0.560±0.254 | 2.000±0.254 | ||||||||||||||
| 2.0 | 1.400±0.254 | |||||||||||||||
| 2.5~100.0 | 1.100±0.254 | |||||||||||||||
| 101.0~450.0 | 0.610±0.254 | 0.850±0.254 | ||||||||||||||
| 3 | 0.5~1.0 | 6.350±0.254 | 3.050±0.254 | 0.670±0.254 | 2.200±0.254 | |||||||||||
| 1.5 | 2.000±0.254 | |||||||||||||||
| 2.0 | 1.400±0.254 | |||||||||||||||
| 2.5~50.0 | 1.100±0.254 | |||||||||||||||
| 51.0~100.0 | 0.740±0.254 | |||||||||||||||
| LRE2725 | 4 | 0.25 | 6.800±0.254 | 6.350±0.254 | 0.820±0.254 | 2.300±0.254 | ||||||||||
| 0.5 | 0.690±0.254 | |||||||||||||||
| 1 | 0.690±0.254 | 1.800±0.254 | ||||||||||||||
| 1.5~3.0 | 0.610±0.254 | |||||||||||||||
| LRE2728 | 4 | 4.0~50.0 | 6.600±0.254 | 6.700±0.254 | 0.720±0.254 | 1.200±0.254 | ||||||||||
| 51.0~450.0 | 0.840±0.254 | |||||||||||||||
| 451.0~600.0 | 0.770±0.254 | |||||||||||||||
| LRE2817 | 3 | 1.0 | 7.300±0.254 | 4.400±0.254 | 0.690±0.254 | 1.800±0.254 | ||||||||||
| 2.0~30.0 | 0.610±0.254 | 1.500±0.254 | ||||||||||||||
| 31.0~100.0 | 0.720±0.254 | |||||||||||||||
| 101.0~130.0 | 0.770±0.254 | |||||||||||||||
| 131.0~200.0 | 0.690±0.254 | |||||||||||||||
| LRE4527 | 3 | 501.0~680.0 | 11.300±0.500 | 6.600±0.500 | 0.770±0.254 | 2.000±0.254 | ||||||||||
| 681.0m~1.0R | 0.690±0.254 | |||||||||||||||
| 5 | 1.0 | 0.790±0.254 | 3.000±0.254 | |||||||||||||
| 1.5 | 0.840±0.254 | 2.000±0.254 | ||||||||||||||
| 2.0~500.0 | 0.840±0.254 | |||||||||||||||
| 贴片大功率分流电阻 (LRE) 电气特性 | |||||||
| 规格 | 最大额定功率 (W) | 最大额定电流 (A)* | 最大过负载电流 (A) | 阻值范围 (mΩ)* | 温度系数 TCR (ppm/°C) |
操作温度 (°C) | |
| D (±0.5%) |
F (±1%); G (±2%); J (±5%) |
||||||
| LRE0805 | 0.75 | 15.81 | 31.62 | 10.0~100.0 | 3.0~100.0 | ±50 | -55~+170°C |
| 1 | 18.26 | 36.51 | 10.0 | 3.0~10.0 | |||
| LRE1206 | 0.50 | 3.13 | 6.26 | 51.0~100.0 | 51.0~100.0 | ||
| 0.75 | 5.98 | 11.95 | 21.0~50.0 | 21.0~50.0 | |||
| 1 | 31.62 | 63.25 | 7.0~100.0 | 1.0~100.0 | |||
| 1.5 | 38.73 | 67.08 | 7.0~100.0 | 1.0~100.0 | |||
| LRE2010 | 0.75 | 3.25 | 7.27 | 71.0~100.0 | 71.0~100.0 | ||
| 1 | 5.68 | 12.70 | 31.0~70.0 | 31.0~70.0 | |||
| 1.5 | 38.73 | 77.46 | 7.0~100.0 | 1.0~100.0 | |||
| LRE2512 | 1 | 44.72 | 100.00 | 7.0~680.0 | 0.5~680.0 | ||
| 2 | 63.25 | 141.42 | 7.0~450.0 | 0.5~450.0 | |||
| 3 | 77.46 | 134.16 | 7.0~100.0 | 0.5~100.0 | |||
| LRE2725 | 4 | 126.49 | 252.98 | -- | 0.25~3.0 | ||
| LRE2728 | 4 | 31.62 | 54.77 | 7.0~600.0 | 4.0~600.0 | ||
| LRE2817 | 3 | 54.77 | 109.54 | 7.0~200.0 | 1.0~200.0 | ||
| LRE4527 | 3 | 2.45 | 4.24 | 501m~1.0R | 501m~1.0R | ||
| 5 | 70.71 | 122.47 | 7.0~500.0 | 1.0~500.0 | |||
|
|||||||
| 大功率电流检测贴片 (LRE) 建议焊盘尺寸 | ||||||
|
||||||
| 规格 | 最大额定功率 (Watts) | 阻值范围 (mΩ) | 尺寸 (mm) | |||
| a | b | i | ||||
| LRE0805 | 0.75 | 3.0 ~ 100.0 | 1.80 | 2.18 | 0.66 | |
| 1.0 | 3.0 ~ 10.0 | 1.80 | 2.18 | 0.66 | ||
| LRE1206 | 0.5 & 0.75 & 1.0 & 1.5 | 1.0 ~ 100.0 | 1.60 | 2.18 | 0.66 | |
| LRE2010 | 0.75 & 1.0 & 1.5 | 1.0 ~ 3.0 | 2.89 | 2.92 | 1.22 | |
| 3.1 ~ 100.0 | 2.29 | 2.92 | 2.41 | |||
| LRE2512 | 1.0 & 2.0 & 3.0 | 0.5 ~1.5 | 3.05 | 3.68 | 1.27 | |
| 2.0 ~ 3.5 | 2.11 | 3.68 | 3.18 | |||
| 3.6 ~ 680.0 | 1.90 | 3.68 | 3.50 | |||
| LRE2725 | 4.0 | 0.25 ~ 0.5 | 3.18 | 6.86 | 1.32 | |
| 4.0 | 1.0 ~ 3.0 | 2.34 | 6.86 | 3.00 | ||
| LRE2728 | 4.0 | 4.0 ~600.0 | 2.75 | 7.82 | 3.51 | |
| LRE2817 | 3.0 | 1.0 ~ 3.0 | 2.75 | 7.82 | 3.51 | |
| 3.0 | 3.5 ~200.0 | 2.45 | 7.82 | 3.11 | ||
| LRE4527 | 3.0 & 5.0 | 1.0 ~ 3.0 | 4.50 | 8.74 | 4.50 | |
| 3.5 ~100.0 | 3.4 | 8.74 | 6.43 | |||
| 101.0m ~ 1R | 2.93 | 8.74 | 7.63 | |||
| 卷盘规格 (LRE) 单位: mm | |||||||
|
|||||||
| 卷盘规格 / 盘 | W | M | A | B | C | D | |
| 7” 卷盘 / 8 mm 模压带 (仅 LRE 0805 & LRE 1206 系列) | 12.00± 0.5 | 178 ± 1.0 | 2.0 ± 0.5 | 13.2 ± 0.5 | 17.7 ± 0.5 | 60.0 ± 0.5 | |
| 7” 卷盘 / 12 mm 模压带 | 16.2 ± 0.5 | 178 ± 1.0 | 2.5 ± 0.5 | 13.5 ± 0.5 | 17.7 ± 0.5 | 60.0 ± 0.5 | |
| 7” 卷盘 / 24 mm 模压带 (仅 LRE 4527 系列) | 24.4 +2/-0 | 178 ± 1.0 | 2.0 ± 0.5 | 13.2 ± 0.5 | 17.7 ± 0.5 | 60.0 ± 0.5 | |
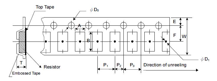
| 模压带尺寸规格 (LRE) 单位:mm | ||||||||||||
|
||||||||||||
| 规格 | A±0.1 | B±0.1 | W±0.3 | E±0.1 | F±0.1 | P0±0.1 | P1±0.3 | P2±0.1 | ΦD0±0.05 | ΦD1±0.1 | T±0.1 | |
| LRE0805 | 1.70 | 2.45 | 8.0 | 1.75 | 3.5 | 4.0 | 4.0 | 2.0 | 1.55 | 1.00 | 0.50 | |
| LRE1206 | 2.03 | 3.55 | 8.0 | 1.75 | 3.5 | 4.0 | 4.0 | 2.0 | 1.55 | 1.00 | 0.70 | |
| LRE2010 | 2.85 | 5.55 | 12.0 | 1.75 | 5.5 | 4.0 | 4.0 | 2.0 | 1.55 | 1.55 | 0.82 | |
| LRE2512 | 3.50 | 6.75 | 12.0 | 1.75 | 5.5 | 4.0 | 4.0 | 2.0 | 1.55 | 1.55 | 0.90 | |
| LRE2725 | 6.81 | 7.16 | 12.0 | 1.75 | 5.5 | 4.0 | 8.0 | 2.0 | 1.55 | 1.55 | 1.05 | |
| LRE2728 | 7.10 | 7.05 | 12.0 | 1.75 | 5.5 | 4.0 | 8.0 | 2.0 | 1.55 | 1.55 | 0.95 | |
| LRE2817 | 4.60 | 7.50 | 12.0 | 1.75 | 5.5 | 4.0 | 8.0 | 2.0 | 1.55 | 1.55 | 1.20 | |
| LRE4527 | 7.38 | 12.0 | 24.0 | 1.75 | 11.5 | 4.0 | 12.0 | 2.0 | 1.55 | 1.55 | 1.05 | |
|
||||||||||||
| 包装数量 (LRE) | |||
| 规格 | 编带宽度 | 卷盘直径 | 数量/卷盘 |
| LRE0805 | 8 mm/模压带 | 178 mm/7” | 5,000 |
| LRE1206 | 8 mm/模压带 | 178 mm/7” | 5,000 |
| LRE2010 | 12 mm/模压带 | 178 mm/7” | 4,000 |
| LRE2512 | 12 mm/模压带 | 178 mm/7” | 4,000 |
| LRE2725 | 12 mm/模压带 | 178 mm/7” | 2,000 |
| LRE2728 | 12 mm/模压带 | 178 mm/7” | 2,000 |
| LRE2817 | 12 mm/模压带 | 178 mm/7” | 1,000 |
| LRE4527 | 24 mm/模压带 | 178 mm/7” | 1,000 |
| 降额曲线 (LRE) | |||||||||||||
![]() |
|||||||||||||
| 焊接条件 (仅回流焊) (LRE) | |||||||||||||
![]() |
|||||||||||||
| 环境测试 (LRE) | ||||
| 项目 | 规格标准 | 测试条件 | ||
| 温度系数 Temperature Coefficient of Resistance (T.C.R.) |
As Spec. | JIS C 5201-1 4.8 +25/+125°C | ||
| 短时间过负载 Short Time Overload |
LRE4527: ΔR/R0≤±2.0% The others: ΔR/R0≤±0.5% | JIS C 5201-1 4.13 最大过负荷电压 5 秒 | ||
| 规格 | 功率 | 倍数 | ||
| LRE0805 | 0.75W, 1.0W | 4 times | ||
| LRE1206 | 0.5W, 0.75W, 1.0W | 4 times | ||
| LRE1206 | 1.5W | 3 times | ||
| LRE2010 | 0.75W, 1.0W | 5 times | ||
| LRE2010 | 1.5W | 4 times | ||
| LRE2512 | 1.0W, 2.0W, 3.0W | 5 times | ||
| LRE2725 | 4.0W | 4 times | ||
| LRE2728 | 4.0W | 3 times | ||
| LRE2817 | 3.0W | 4 times | ||
| LRE4527 | 3.0W, 5.0W | 3 times | ||
| 焊接性 Solderability |
最少覆蓋 95% | JIS-C5201-1 4.17 245±5°C for 3 秒 | ||
| 耐焊温度 Resistance to Soldering Heat |
ΔR/R0≤± 0.5% | JIS-C5201-1 4.18 260±5°C for 10 秒 | ||
| 温度循环 Temperature Cycling |
ΔR/R0≤± 0.5% | JIS-C5201-1 4.19 -55°C ~ 150°C, 100 循环 | ||
| 高湿偏置 Bias Humidity |
ΔR/R0≤± 0.5% | JIS-C5201-1 4.24 +85°C/85%RH for 1,000Hrs. with 1.5Hrs “ON”, 0.5Hr “OFF”. | ||
| 高温曝晒 (存放) High Temperature Exposure (Storage) |
LRE4527: ΔR/R0≤±2.0% The others: ΔR/R0≤±1.0% | JIS-C5201-1 4.23.2 +170°C for 1000 Hrs. | ||
| 负载寿命 Load Life |
LRE4527: ΔR/R0≤±2.0% The others: ΔR/R0≤±1.0% | JIS-C5201-1 4.25 70±2°C, RCWV for 1000 Hrs. with 1.5 Hrs. “ON” and 0.5 Hr. “OFF” | ||
| 料号标识 (LRC) | |||||||||||||||||||||||||||||||||||||||||||||||||||||||||||||||||||||||||||||||||||||||||||
| LRE | 2728 | F | TR | D | 4 | R010 | |||||||||||||||||||||||||||||||||||||||||||||||||||||||||||||||||||||||||||||||||||||
![]() |
![]() |
![]() |
![]() |
![]() |
![]() |
![]() |
![]() |
||||||||||||||||||||||||||||||||||||||||||||||||||||||||||||||||||||||||||||||||||||
|
|
|
|
|
|
|
|
||||||||||||||||||||||||||||||||||||||||||||||||||||||||||||||||||||||||||||||||||||
|