大电流电子束焊精密分流器 (FLW) 系列

大电流型 电子束焊精密分流器 (FLW)

在国际上,生产更高品质的竞争压力越来越大,尤其需以经济的价格于短时间内生产高性价比的元器件。德铭特电子因此一直跟随新科技优势,采用专业的电子束焊 Electron Beam Welding (EBW) 制程。推出新增强汇流排精密分流电阻器 (FLW) 系列,由新一代的自动装载机生产,以满足所有这些要求在电子束焊接领域。

电子束焊精密分流电阻器 (FLW) 于电压降 75 mV, 1.5 mΩ 到 0.075 mΩ 欧姆值时,可承载高达 50A 至1000A 的高电流,低温度系数 TCR (10-6) ± 20,± 50, 提供精度 ±0.5% 和 ±1% 公差的选择。

(FLW) 大电流电子束焊精密分流器,采用全电子束焊接技术,易于装配,机械强度高,抗振性强,运行可靠。其低电感值的特性,常被应用于各种电能表逆变器,交流/直流变流器, UPS,电池管理模组,变频器,电源模组等低电感产品应用。

德铭特 (FLW) 系列的形状和尺寸可以客制化, 无铅散装包装,产品符合 RoHS 标准。我们工程师将与客户协同合作,创建和开发产品设计,以满足客户市场需求。对于非标准的特殊阻值、尺寸、规格、产品最新信息,技术要求及特殊应用,请与我们联系确认。

下载 PDF 版本: 大电流电子束焊精密分流器 (FLW)

特性
  1. 高精度 ±0.5%、±1%,低温度系数 TCR (10-6) ±20、±50。
  2. 低阻值、低电感、低功耗、长期稳定佳。
  3. 电阻体采用高能电子束焊工艺。
应用 :
  1. 电力配电、蓄电池管理变频、负载测试。
  2. 适用于电源等回路的限流、电流平衡或取样检测。
  3. 适用于功能性低电感电源的应用。
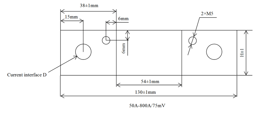
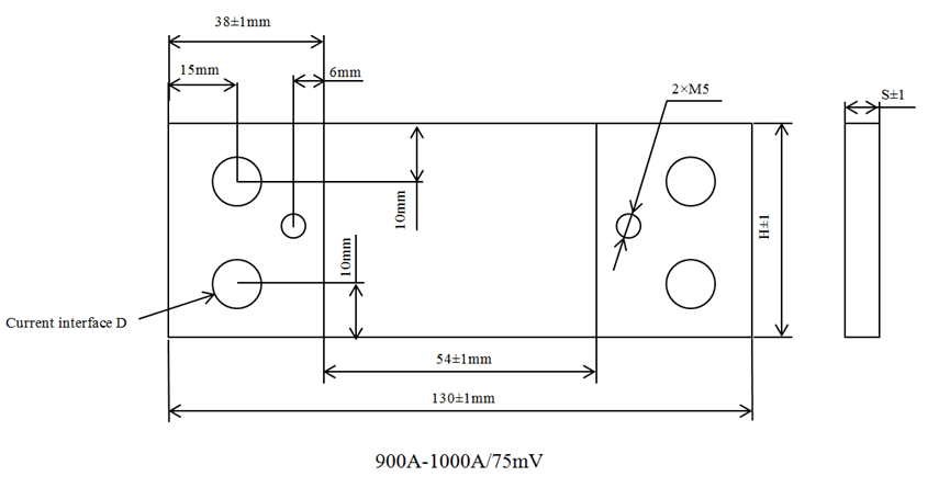
尺寸 (Unit: mm) 及性能技术指标
大电流电子束焊精密分流器 (FLW) 50A-800A 大电流电子束焊精密分流器 (FLW) 900A-1000A大电流电子束焊精密分流器 (FLW)
型号 额定电流
(A)
标称阻值
(mΩ)
电压降
(mV)
阻值精度
(%)
温度系数
(10-6)
外形尺寸 (mm)
S H ΦD
FLW 50 1.5 75 ± 0.5(D)
± 1(F)
± 20
± 50
1.5 9 Φ6.5x2
100 0.75 2.0 16.5
150 0.5 2.5 20
200 0.375 2.5 26 Φ8.5x2
300 0.25 3.2 30
400 0.1875 4.0 33 Φ10.5x2
500 0.15 5.0 33
600 0.125 6.0 33
700 0.1014 6.0 40 Φ10.5x4
800 0.0938 6.5 40
900 0.0833 6.5 45
1000 0.075 6.5 50
功耗曲线
功耗曲线功耗曲线
性能测试
测试项目 性能要求 测试方法
短期过负荷
Short time overload
≤ ±(1%+0.05Ω) 10PR、5S
冲击
Shock
≤ ±(1%+0.05Ω) 1000m/S2、6mS
振动
Vibration
≤ ±(1%+0.05Ω) 10-1000Hz、0.75mm、98m/S2
室温耐久度
Durability at room temperature
≤ ±(2%+0.05Ω) 25°C、PR、1000h
料号标识 (FLW)
FLW 50A 75mV D P
型号
FLW
额定电流 (A)
50A 50 A
100A 100 A
700A 700 A
1000A 1000 A
压降 (mV)
75mV 75 mV
精度等级 (%)
F ±1%
D ±0.5%
包装方式
P 散装