Precision Chip Resistors (AR)

DeMint's thin-film precision chip resistors (AR) take accuracy pole position and add powerful new options.

In response to market demands for increased precision and stability, DeMint Passive Components has expanded its AR Series of nichrome thin-film chip resistors into three sectors, Standard, High-Precision, and High-Power resistor.

Offering a wide value range with closer tolerances and low TCR figures, DeMint offers a surface mount resistor with a defined total contour that provides high stability under temperature fluctuations of 2ppm/°C and with a tolerance down to ± 0.01%.

The AR Series offering solutions to precision test and measurement and voltage regulation across industrial, military and medical monitoring equipment markets proposing superior tight tolerance, low TCR, and high power rating performance.

The range now also offers additional chip sizes. Key features of the enhanced AR Series include the availability of all standard sizes from AR01(0201), AR02(0402), AR03(0603), AR05(0805), AR06(1206), AR13(1210), AR10(2010), to AR12(2512).

The AR benefits from an impervious internal passivation layer applied in addition to the normal protective coating. When constructing the AR Chip Series, a Ni/Cr thin-film material is selectively deposited on an alumina substrate, together with Ni and Sn metallic contacts at each end layer plating. The AR chips are heat treated to give the required temperature coefficient (TCR) and stability, and then a precisely controlled laser trim process adjusts the resistance value.

The AR Series is available in taping packaging and is RoHS compliant and lead free.
For non-standard technical requirements and special applications, please contact us with your specific needs.

Download Complete PDF Specification (442KB) Thin-Film Precision Chip Resistors.

Features :
  1. Miniature Size 0201 available
  2. Thin Film Passivated NiCr Chips
  3. Very Tight Tolerance Down to ±0.01%
  4. Wide Resistance Value Range 1 Ω - 3Mega Ω
  5. Extremely Low TCR Down to ±2PPM/°C
  6. Products with Pb-free Terminations Meet RoHS Requirments
Applications :
  1. Converters
  2. Medical Equipment
  3. Automatic Equipment Controller
  4. Testing / Measurement Equipment
  5. Printer Equipment, Consumer Product
  6. Communication Device, Cell phone, GPS, PDA
Dimensions (Unit: mm) (AR)
Precision Chip (AR) Construction
Precision Chip (AR) Construction
Precision Chip (AR) Dimensions
Precision Chip (AR) Dimensions
Codes L (Unit: mm) W (Unit: mm) T (Unit: mm) D1 (Unit: mm) D2 (Unit: mm) Weight(g)/(1000pcs)
AR01 (0201) 0.58±0.05 0.29±0.05 0.23±0.05 0.12±0.05 0.15±0.05 0.14
AR02 (0402) 1.00±0.05 0.50±0.05 0.30±0.05 0.20±0.10 0.20±0.10 0.54
AR03 (0603) 1.55±0.10 0.80±0.10 0.45±0.10 0.30±0.20 0.30±0.20 1.83
AR05 (0805) 2.00±0.15 1.25±0.15 0.55±0.10 0.30±0.20 0.40±0.25 4.71
AR06 (1206) 3.05±0.15 1.55±0.15 0.55±0.10 0.42±0.20 0.35±0.25 9.02
AR13 (1210) 3.10±0.15 2.40±0.15 0.55±0.10 0.40±0.20 0.55±0.25 10
AR10 (2010) 4.90±0.15 2.40±0.15 0.55±0.10 0.60±0.30 0.50±0.25 23.61
AR12 (2512) 6.30±0.15 3.10±0.15 0.55±0.10 0.60±0.30 0.50±0.25 38.06
Standard Electrical Specifications (AR)
Type Power Rating
at 70°C
Operating Temp. Range Max Operating Voltage Max Overloading Voltage Resistance Tolerance
(%)
Resistance Range
(Ω)
TCR
PPM/°C
AR01
(0201)
1/32W -55 ~ +155°C 15V 30V ±0.5%
±1%
49.9Ω~4.99KΩ ±25
49.9Ω~33KΩ ±50
AR02
(0402)
1/16W -55 ~ +155°C 25V 50V ±0.05% 49.9Ω~12KΩ ±25, ±50
±0.1% 10Ω~255KΩ
±0.25%, ±0.5%, ±1% 4.7Ω~511KΩ
AR03
(0603)
1/16W -55 ~ +155°C 50V 100V ±0.05% 4.7Ω~332KΩ ±25, ±50
±0.1% 4.7Ω~1MΩ
±0.25%, ±0.5%, ±1% 1Ω~1MΩ
AR05
(0805)
1/10W -55 ~ +155°C 100V 200V ±0.05% 4.7Ω~1MΩ ±25, ±50
±0.1% 4.7Ω~2MΩ
±0.25%, ±0.5%, ±1% 1Ω~2MΩ
AR06
(1206)
1/8W -55 ~ +155°C 150V 300V ±0.05% 4.7Ω~1MΩ ±25, ±50
±0.1% 4.7Ω~2.49MΩ
±0.25%, ±0.5%, ±1% 1Ω~2.49MΩ
AR13
(1210)
1/4W -55 ~ +155°C 150V 300V ±0.05% 4.7Ω~1MΩ ±25, ±50
±0.1% 4.7Ω~2.49MΩ
±0.25%, ±0.5%, ±1% 1Ω~2.49MΩ
AR10
(2010)
1/4W -55 ~ +155°C 150V 300V ±0.05% 4.7Ω~1MΩ ±25, ±50
±0.1% 4.7Ω~3MΩ
±0.25%, ±0.5%, ±1% 1Ω~3MΩ
AR12
(2512)
1/2W -55 ~ +155°C 150V 300V ±0.05% 4.7Ω~1MΩ ±25, ±50
±0.1% 4.7Ω~3MΩ
±0.25%, ±0.5%, ±1% 1Ω~3MΩ
  • Lower Resistance:(1~10)Ω.
  • Operating Voltage = ( P * R ) , or Max. Operating Voltage listed in above table whichever is lower.
  • Overloading Voltage = 2.5* ( P * R ) , or Max. Overloading Voltage listed in above table whichever is lower.
  • Optional specifications can be required.

High-Precision Electrical Specifications (AR)
Type Power Rating
at 70°C
Operating Temp. Range Max Operating Voltage Max Overloading Voltage Resistance Tolerance
(%)
Resistance Range
(Ω)
TCR
PPM/°C
AR02
(0402)
1/16W -55 ~ +155°C 25V 50V ±0.01%, ±0.05%, ±0.1% 49.9Ω~4.99KΩ ±2, ±3
±0.01%, ±0.05%, ±0.1%, ±0.25%, ±0.5%, ±1% 49.9Ω~4.99KΩ ±5
±0.01%, ±0.05% 49.9Ω~12KΩ ±10, ±15
±0.1%, ±0.25%, ±0.5%, ±1% 49.9Ω~60KΩ ±10
±0.1%, ±0.25%, ±0.5%, ±1% 49.9Ω~69.8KΩ ±15
AR03
(0603)
1/16W -55 ~ +155°C 50V 100V ±0.01%, ±0.05%, ±0.1% 24.9Ω~15KΩ ±2, ±3
±0.01%, ±0.05%, ±0.1%, ±0.25%, ±0.5%, ±1% 24.9Ω~15KΩ ±5
±0.01% 24.9Ω~100KΩ ±10, ±15
±0.05% 4.7Ω~332KΩ ±10, ±15
±0.1%, ±0.25%, ±0.5%, ±1% 4.7Ω~511KΩ ±10, ±15
AR05
(0805)
1/10W -55 ~ +155°C 100V 200V ±0.01%, ±0.05%, ±0.1% 24.9Ω~30KΩ ±2, ±3
±0.01%, ±0.05%, ±0.1%, ±0.25%, ±0.5%, ±1% 24.9Ω~30KΩ ±5
±0.01 24.9Ω~200KΩ ±10, ±15
±0.05%, ±0.1%, ±0.25%, ±0.5%, ±1% 4.7Ω~1MΩ ±10, ±15
AR06
(1206)
1/8W -55 ~ +155°C 150V 300V ±0.01%, ±0.05%, ±0.1% 24.9Ω~49.9KΩ ±2, ±3
±0.01%, ±0.05%, ±0.1%, ±0.25%, ±0.5%, ±1% 24.9Ω~49.9KΩ ±5
±0.01% 24.9Ω~499KΩ ±10, ±15
±0.05%, ±0.1%, ±0.25%, ±0.5%, ±1% 4.7Ω~1MKΩ ±10, ±15
AR13
(1210)
1/4W -55 ~ +155°C 150V 300V ±0.01%, ±0.05%, ±0.1% 24.9Ω~49.9KΩ ±2, ±3
±0.01%, ±0.05%, ±0.1%, ±0.25%, ±0.5%, ±1% 24.9Ω~49.9KΩ ±5
±0.01% 24.9Ω~499KΩ ±10, ±15
±0.05%, ±0.1%, ±0.25%, ±0.5%, ±1% 4.7Ω~1MΩ ±10, ±15
AR10
(2010)
1/4W -55 ~ +155°C 150V 300V ±0.01%, ±0.05%, ±0.1% 24.9Ω~100KΩ ±2, ±3
±0.01%, ±0.05%, ±0.1%, ±0.25%, ±0.5%, ±1% 24.9Ω~100KΩ ±5
±0.01% 24.9Ω~499KΩ ±10, ±15
±0.05%, ±0.1%, ±0.25%, ±0.5%, ±1% 4.7Ω~1MΩ ±10, ±15
AR12
(2512)
1/2W -55 ~ +155°C 150V 300V ±0.01%, ±0.05%, ±0.1% 24.9Ω~100KΩ ±2, ±3
±0.01%, ±0.05%, ±0.1%, ±0.25%, ±0.5%, ±1% 24.9Ω~100KΩ ±5
±0.01% 24.9Ω~499KΩ ±10, ±15
±0.05%, ±0.1%, ±0.25%, ±0.5%, ±1% 4.7Ω~1MΩ ±10, ±15
  • Lower Resistance:(1~10)Ω.
  • Operating Voltage = ( P * R ) , or Max. Operating Voltage listed in above table whichever is lower.
  • Overloading Voltage = 2.5* ( P * R ) , or Max. Overloading Voltage listed in above table whichever is lower.
  • Optional specifications can be required.

High-Power Rating Electrical Specifications (AR)
Type Power Rating
at 70°C
Operating Temp. Range Max Operating Voltage Max Overloading Voltage Resistance Tolerance
(%)
Resistance Range
(Ω)
TCR
PPM/°C
AR03
(0603)
1/10W -55 ~ +155°C 75V 150V ±0.01%, ±0.05%, ±0.1% 24.9Ω~15KΩ ±2, ±3
±0.01%, ±0.05%, ±0.1%, ±0.25%, ±0.5%, ±1% 24.9Ω~15KΩ ±5
±0.01% 24.9Ω~100KΩ ±10, ±15, ±25, ±50
±0.05% 4.7Ω~332KΩ ±10, ±15, ±25, ±50
±0.1%, ±0.25%, ±0.5%, ±1% 4.7Ω~332KΩ ±10, ±15
±0.1%, ±0.25%, ±0.5%, ±1% 4.7Ω~1MΩ ±25, ±50
1/6W -55 ~ +155°C 100V 150V ±0.05%, ±0.1%, ±0.25%, ±0.5%, ±1% 10Ω~332KΩ ±25, ±50
AR05
(0805)
1/8W -55 ~ +155°C 150V 300V ±0.01%, ±0.05%, ±0.1% 24.9Ω~30KΩ ±2, ±3
±0.01%, ±0.05%, ±0.1%, ±0.25%, ±0.5%, ±1% 24.9Ω~30KΩ ±5
±0.01% 24.9Ω~200KΩ ±10, ±15, ±25, ±50
±0.05% 4.7Ω~511KΩ ±10, ±15, ±25, ±50
±0.1%, ±0.25%, ±0.5%, ±1% 4.7Ω~511KΩ ±10
±0.1%, ±0.25%, ±0.5%, ±1% 4.7Ω~1MΩ ±15
±0.1% 4.7Ω~1MΩ ±25, ±50
±0.25%, ±0.5%, ±1% 1Ω~1MΩ ±25, ±50
1/4W -55 ~ +155°C 150V 300V ±0.05%, ±0.1%, ±0.25%, ±0.5%, ±1% 10Ω~499KΩ ±25, ±50
AR06
(1206)
1/4W -55 ~ +155°C 200V 400V ±0.01%, ±0.05%, ±0.1% 24.9Ω~49.9KΩ ±2, ±3
±0.01%, ±0.05%, ±0.1%, ±0.25%, ±0.5%, ±1% 24.9Ω~49.9KΩ ±5
±0.01% 24.9Ω~499KΩ ±10, ±15, ±25, ±50
±0.05%, ±0.1%, ±0.25%, ±0.5%, ±1% 4.7Ω~1MΩ ±10, ±15, ±25, ±50
1/3W -55 ~ +155°C 200V 400V ±0.05%, ±0.1%, ±0.25%, ±0.5%, ±1% 10Ω~1MΩ ±25, ±50
AR13
(1210)
1/3W -55 ~ +155°C 200V 400V ±0.01%, ±0.05%, ±0.1% 24.9Ω~49.9KΩ ±2, ±3
±0.01%, ±0.05%, ±0.1%, ±0.25%, ±0.5%, ±1% 24.9Ω~49.9KΩ ±5
±0.01% 24.9Ω~499KΩ ±10, ±15, ±25, ±50
±0.05%, ±0.1%, ±0.25%, ±0.5%, ±1% 4.7Ω~1MΩ ±10, ±15, ±25, ±50
AR10
(2010)
1/3W -55 ~ +155°C 200V 400V ±0.01%, ±0.05%, ±0.1% 24.9Ω~49.9KΩ ±2, ±3
±0.01%, ±0.05%, ±0.1%, ±0.25%, ±0.5%, ±1% 24.9Ω~49.9KΩ ±5
±0.01% 24.9Ω~499KΩ ±10, ±15, ±25, ±50
±0.05%, ±0.1%, ±0.25%, ±0.5%, ±1% 4.7Ω~1MΩ ±10, ±15, ±25, ±50
AR12
(2512)
3/4W -55 ~ +155°C 200V 400V ±0.01% 24.9Ω~2KΩ ±10, ±15, ±25, ±50
±0.05%, ±0.1% 4.7Ω~2KΩ ±10, ±15, ±25, ±50
±0.25%, ±0.5%, ±1% 1Ω~2KΩ ±10, ±15, ±25, ±50
1W -55 ~ +155°C 200V 400V ±0.1% 4.7Ω~100Ω ±25, ±50
±0.25%, ±0.5%, ±1% 1Ω~100Ω ±25, ±50
  • Lower Resistance:(1~10)Ω.
  • Operating Voltage = ( P * R ) , or Max. Operating Voltage listed in above table whichever is lower.
  • Overloading Voltage = 2.5* ( P * R ) , or Max. Overloading Voltage listed in above table whichever is lower.
  • Optional specifications can be required.
Environmental Characteristics (AR)
Power Derating Curve (AR)
Power Derating Curve (AR)
Item Specification Test Method
Tol.≤0.05% Tol.>0.05%
Temperature Coefficient of Resistance AS Spec MIL-STD-202F Method 304
+25/-55/+25/+125/+25°C
Short Time Overload ΔR±0.05% ΔR±0.5% JIS-C-5202-5.5
RCWV*2.5 or Max Overloading Voltage whichever is lower for 5 seconds.
ΔR±0.5% for high power rating
Dielectric Withstand Voltage By type MIL-STD-202F Method 301
Apply Max Overload Voltage for l minute
Insulation Resistance >1000M Ω MIL-STD-202F Method 302
Apply 100VDC for 1minute
Thermal Shock ΔR±0.05% ΔR±0.25% MIL-STD-202F Method 107G
-55°C~150°C, 100cycles
Load Life
(Endurance)
ΔR±0.05% ΔR±0.2% MIL-STD-202F Method 108A
RCWV, 70°C, 1.5 hours ON, 0.5 hours OFF, 1000 hours
>7KΩ ΔR±0.5%
ΔR±0.5% for high power rating
humidity (Steady State )
(Damp Heat with Load)
ΔR±0.05% ΔR±0.3% MIL-STD-202F Method 103B
40°C, 90~95%RH, RCWV 1.5 hours ON,
0.5 hours OFF, total 1000 hours
ΔR±0.5% for high power rating
Resistance to dry heat ΔR±0.05% ΔR±0.2% JIS-C-5202-7.2
96 hours @ +155°C without load
Low Temperature Operation ΔR±0.05% ΔR±0.2% JIS-C-5202-7.1
1hour, -65°C, followed by 45minutes of RCWV
ΔR±0.5% for high power rating
Bending Strength ΔR±0.05% ΔR±0.2% JIS-C-5202-6.1.4
Bending Amplitude 3mm for 10seconds
Solderability 95%min coverage MIL-STD-202F Method 208H
245°C±5°C, 2±0.5(sec)
Resistance to Soldering Heat ΔR±0.05% ΔR±0.2% MIL-STD-202F Method 210E
260±5°C, 10±1 second
  • Rated continuous Working Voltage (RCWV) = Power Rating × Resistance Value (Ω) or Max. Operating voltage whichever is lower.
  • Storage Temperature: 15~28°C; Humidity < 80%RH;
Recommend Land Pattern (Unit: mm) (AR)
Precision Chip Resistor (AR) Recommend Land Pattern
Recommend Land Pattern (AR)
Codes A (mm) B (mm) C (mm)
AR12 4.90 1.60 3.10±0.2
AR10 3.60 1.40 2.50±0.2
AR13 2.00 1.15 2.50±0.2
AR06 2.00 1.15 1.70±0.2
AR05 1.00 1.00 1.35±0.2
AR03 0.80 1.00 0.90±0.2
AR02 0.50 0.50 0.60±0.2
AR01 0.25 0.30 0.40±0.2

Recommend Soldering Condition (AR)
IR Reflow SolderingIR Reflow Soldering
波峰焊 (流焊)Wave Soldering (Flow Soldering)
  • (1) Time of IR reflow soldering at maximum temperature point 260°C:10s
  • (2) Time of wave soldering at maximum temperature point 260°C:10s
  • (3) Time of soldering iron at maximum temperature point 410°C:5s
Packaging Quantity & Reel Specifications (Unit: mm) (AR)
Reel Packaging (AR)
Reel Packaging (AR)
Codes ΦA ΦB ΦC W T Paper
Tape(PCS)
Emboss Plastic
Tape (PCS)
AR01 178.0±1.0 60.0±1.0 13.5±0.7 9.5±1.0 11.5±1.0 10,000 -
AR02 178.0±1.0 60.0±1.0 13.5±0.7 9.5±1.0 11.5±1.0 10,000 -
AR03 178.0±1.0 60.0±1.0 13.5±0.7 9.5±1.0 11.5±1.0 5,000 -
AR05 178.0±1.0 60.0±1.0 13.5±0.7 9.5±1.0 11.5±1.0 5,000 -
AR06 178.0±1.0 60.0±1.0 13.5±0.7 9.5±1.0 11.5±1.0 5,000 -
AR13 178.0±1.0 60.0±1.0 13.5±0.7 9.5±1.0 11.5±1.0 5,000 -
AR10 178.0±1.0 60.0±1.0 13.5±0.7 13.5±1.0 15.5±1.0 - 4,000
AR12 178.0±1.0 60.0±1.0 13.5±0.7 13.5±1.0 15.5±1.0 - 4,000

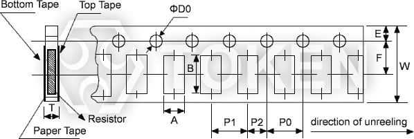
Paper Tape Specifications (Unit: mm) (AR)
Thin Film Precision Chip Resistors (AR) Paper Tape Specifications
Thin Film Precision Chip Resistors (AR) Paper Tape Specifications
Codes A B W E F P0 P1 P2 ΦD0 T
AR01 0.40±0.05 0.70±0.05 8.00±0.10 1.75±0.05 3.5±0.05 4.00±0.10 2.00±0.05 2.00±0.05 1.55±0.05 0.265±0.05
AR02 0.70±0.05 1.16±0.05 8.00±0.10 1.75±0.05 3.5±0.05 4.00±0.10 2.00±0.05 2.00±0.05 1.55±0.05 0.40±0.03
AR03 1.10±0.05 1.90±0.05 8.00±0.10 1.75±0.05 3.5±0.05 4.00±0.10 4.00±0.10 2.00±0.05 1.55±0.05 0.60±0.03
AR05 1.60±0.05 2.37±0.05 8.00±0.10 1.75±0.05 3.5±0.05 4.00±0.10 4.00±0.10 2.00±0.05 1.55±0.05 0.75±0.05
AR06 2.00±0.05 3.55±0.05 8.00±0.10 1.75±0.05 3.5±0.05 4.00±0.10 4.00±0.10 2.00±0.05 1.55±0.05 0.75±0.05
AR13 2.75±0.05 3.40±0.05 8.00±0.10 1.75±0.05 3.5±0.05 4.00±0.10 4.00±0.10 2.00±0.05 1.60±0.10 0.75±0.05

Emboss Plastic Tape Specifications (Unit: mm) (AR)
Surface Mount (AR) Emboss Plastic Tape Specifications
Surface Mount (AR) Emboss Plastic Tape Specifications
Codes A B W E F P0 P1 P2 ΦD0 T
AR10 2.85±0.10 5.45±0.10 12.0±0.10 1.75±0.10 5.5±0.05 4.00±0.05 4.00±0.10 2.00±0.05 1.50+0.10 1.00±0.20
AR12 3.40±0.10 6.65±0.10 12.0±0.10 1.75±0.10 5.5±0.05 4.00±0.05 4.00±0.10 2.00±0.05 1.50+0.10 1.00±0.20

Tape Peel Force (AR)
Tape Peel ForceTape Peel Force
  • (1) Peel force of top cover tape.
  • (2) The peel speed shall be about 300 mm/min±5%
  • (3) The peel force of top cover tape shall be between 20gf to 80gf.
Order Codes (AR)
AR 05 B TR C3 X 4700  
Part Number
Dimensions
(L×W) (mm)
01 EIA0201
02 EIA0402
03 EIA0603
05 EIA0805
06 EIA1206
13 EIA1210
10 EIA2010
12 EIA2512
Resistance
Tolerance (%)
T ±0.01%
A5 ±0.05%
B ±0.10%
C ±0.25%
D ±0.50%
F ±1.00%
Package
P Bulk
TR Taping Reel
TCR
(ppm/°C)
C7 ±5ppm/°C
C6 ±10ppm/°C
C5 ±15ppm/°C
C3 ±25ppm/°C
C2 ±50ppm/°C
Power Rating (W)
T 1W
U 1/2W
O 1/3W
V 1/4W
P 1/5W
W 1/8W
X 1/10W
Y 1/16W
Z 1/32W
Resistance (Ω)
1000 100Ω
4700 470Ω
1003 100KΩ
1004 1MΩ
1005 10MΩ
Marking
  Standard Marking for E96/E24
N No Marking

0805~2512 4 digits marking for Example Marking
Resistance 100Ω 2.2KΩ 10KΩ 49.9KΩ 100KΩ 1MΩ
Marking 1000 2201 1002 4992 1003 1004

0603: 3 digits Marking E24 Nominal Table
E24 code 10 11 12 13 15 16 18 20 22 24 27 30 33 36 39 43 47 51 56 62 68 75 82 91
  • Example: 101=100Ω 102=1KΩ (1st and 2nd are E24 code and 3rd code is multiplier)
  • Resistance tolerance 1% for 0603: 3 digits marking in E96 (E96 series except E24 series)
  • Digits marking for Example: 13C=13K3Ω; 68B=4K99Ω; 68X=49.9Ω

Marking Table E96 Nominal Table
code 02 03 04 06 07 08 09 10 11 13 14 15 16 17 19 20 21 22 23 24 25 26 27
E96 102 103 107 113 115 118 121 124 127 133 137 140 143 147 154 158 162 165 169 174 178 182 187
code 28 29 31 32 33 34 35 36 37 38 39 40 41 42 43 44 45 46 47 48 49 50 51
E96 191 196 205 210 215 221 226 232 237 243 249 255 261 267 274 280 287 294 301 309 316 324 332
code 52 53 54 55 56 57 58 59 60 61 62 63 64 65 66 67 68 69 70 71 72 73 74
E96 340 348 357 365 374 383 392 402 412 422 432 442 453 464 475 487 499 511 523 536 549 562 576
code 75 76 77 78 79 80 81 82 83 84 86 87 88 89 90 91 92 93 94 95 96
E96 590 604 619 634 649 665 681 698 715 732 768 787 806 825 845 866 887 909 931 953 976

Multiplier E96 Marking
Code A B C D E F X Y
Multiplier 100 101 102 103 104 105 10-1 10-2