Surface Mount Resistors (PR)

Anti-corrosive thin film resistor of moisture-proof is ideal for high humidity precision applications.

DeMint Electronics has introduced a new line of SMD Anti-Corrosive Precision Resistors that eliminates moisture concerns associated with typical Nickel Chromium precision resistors. The PR Series is an ideal low-cost alternative for expensive and hard-to-find tantalum nitride chip resistors.

A proprietary passivation layer is introduced between the nichrome resistive element with a superior alumina substrate and the epoxy overcoat to ensure stable performance and long life in the harshest and wettest environments.

In MIL-STD-202F method moisture testing, the PR Series demonstrated excellent stability over time and no significant shift in resistance after the 1000 hour life test. Applications require operation in humid or high moisture environments or have experienced corrosion problems with standard Nichrome thin film resistors. For those applications, long term extended humidity testing is essential before a part can be considered for usage on a design.

Designated the (PR) SMD resistor, it is available in industry standard 0402, 0603, 0805, 1206, 2010, to 2512 sizes and has a resistance range from 10 Ω to 1M Ω, with tolerances tight to ± 0.10% and TCRs as low as 25ppm/°C. The PR Series has an operating temperature range of -55°C to +155°C. The PR chip also offers outstanding electrical stability and environmental stability performance that would be expected from a precision resistor.

The standard packaging is tape and reel in 4Kpc, 5Kpc, and 10Kpc quantities depending on part size. Most sizes and resistance values are also offered in stock, making them an outstanding choice to support quick turn shortages. Pricing varies with size, tolerance, and TCR and ranges in reel quantities.

The chip PR series is lead-free and RoHS compliant. Detailed specifications, both mechanical and electrical, download complete PDF specification (420KB) Anti-Corrosive Thin Film Precision Chip Resistors. Contact our sales representative for more information.

Features :

  1. Tight Tolerance down to ± 0.1%
  2. Wide R-Value Range 10 Ω ~ 1Meg Ω
  3. Extremely Low TCR down to ±25 PPM/°C
  4. Special Passivated NiCr Film for Anti-Acid and Anti-Damp
  5. Long Term Life Stability with Advance Thin Film Technology
  6. Demonstrated the Anti-Corrosion Claims Characterized by Ta2N

Applications :

  1. Telecommunication Device
  2. Automotive,Medical Equipment
  3. Outdoor Electronic Applications
  4. High-end Multimedia Electronics
  5. Automatic Equipment Controller
  6. High-end Computer, Industrial Equipment
Construction & Dimensions (Unit: mm) (PR)
Anti-Corrosive Thin Film Resistor Resistor Construction (PR)
Alumina Substrate
Bottom Electrode
Top Electrode
Edge Electrode
Barrier Layer
External Electrode
Resistor Layer
Primary Overcoat
Secondary Overcoat
 







 
Type L (Unit: mm) W (Unit: mm) T (Unit: mm) D1 (Unit: mm) D2 (Unit: mm) Weight (g)/1000pcs
PR02 (0402) 1.00±0.05 0.50±0.05 0.35±0.05 0.20±0.10 0.20±0.10 0.55
PR03 (0603) 1.55±0.10 0.80±0.10 0.45±0.10 0.30±0.20 0.30±0.20 1.85
PR05 (0805) 2.00±0.15 1.25±0.15 0.55±0.10 0.35±0.20 0.40±0.25 4.76
PR06 (1206) 3.05±0.15 1.55±0.15 0.55±0.10 0.42±0.20 0.35±0.25 9.11
PR10 (2010) 4.90±0.15 2.40±0.15 0.55±0.10 0.60±0.30 0.50±0.25 23.82
PR12 (2512) 6.30±0.15 3.10±0.15 0.55±0.10 0.60±0.30 0.50±0.25 38.46
Standard Electrical Specifications (PR)
Type Power Rating
at 70°C
Operating Temp. Range Max Operating Voltage Max Overloading Voltage Resistance Tolerance % Resistance Range TCR
PPM/°C
PR02 (0402) 1/16W -55 ~ +155°C 25V 50V ±0.1, ±0.25, ±0.5 49.9Ω~12KΩ ±15
24.9Ω~24.9KΩ ±25, ±50
PR03 (0603) 1/16W -55 ~ +155°C 50V 100V ±0.1, ±0.25, ±0.5 24.9Ω~332KΩ ±15, ±25, ±50
PR05 (0805) 1/10W -55 ~ +155°C 100V 200V ±0.1, ±0.25, ±0.5 10Ω~1MΩ ±15, ±25, ±50
PR06 (1206) 1/8W -55 ~ +155°C 150V 300V ±0.1, ±0.25, ±0.5 10Ω~1MΩ ±15, ±25, ±50
PR10 (2010) 1/4W -55 ~ +155°C 150V 300V ±0.1, ±0.25, ±0.5 24.9Ω~1MΩ ±15
10Ω~1.5MΩ ±25, ±50
PR12 (2512) 1/2W -55 ~ +155°C 150V 300V ±0.1, ±0.25, ±0.5 24.9Ω~1MΩ ±15
10Ω~1.5MΩ ±25, ±50
  • Operating Voltage = ( P * R ) , or Max. Operating Voltage listed in above table whichever is lower.
  • Overloading Voltage = 2.5* ( P * R ) , or Max. Overloading Voltage listed in above table whichever is lower.
  • Optional specifications can be required.

High Power Rating Electrical Specifications (PR)
Type Power Rating
at 70°C
Operating Temp. Range Max Operating Voltage Max Overloading Voltage Resistance Tolerance % Resistance Range TCR
PPM/°C
PR03 (0603) 1/10W -55 ~ +155°C 75V 150V ±0.1, ±0.25, ±0.5 24.9Ω~220KΩ ±15, ±25, ±50
PR05 (0805) 1/8W -55 ~ +155°C 150V 300V ±0.1, ±0.25, ±0.5 24.9Ω~680KΩ ±15, ±25, ±50
PR06 (1206) 1/4W -55 ~ +155°C 200V 400V ±0.1, ±0.25, ±0.5 24.9Ω~1MΩ ±15, ±25, ±50
  • Operating Voltage = ( P * R ) , or Max. Operating Voltage listed in above table whichever is lower.
  • Overloading Voltage = 2.5* ( P * R ) , or Max. Overloading Voltage listed in above table whichever is lower.
  • Optional specifications can be required.
Recommend Land Pattern (Unit: mm) (PR)
Recommend Land Pattern (PR)
Recommend Land Pattern (PR)
Type A (mm) B (mm) C (mm)
PR02 (0402) 0.50 0.50 0.60±0.2
PR03 (0603) 0.80 1.00 0.90±0.2
PR05 (0805) 1.00 1.00 1.35±0.2
PR06 (1206) 2.00 1.15 1.70±0.2
PR10 (2010) 3.60 1.40 2.50±0.2
PR12 (2512) 4.90 1.60 3.10±0.2

Power Derating Curve (PR)
Power Derating Curve (PR)Power Derating Curve (PR)

Soldering Condition (PR)
IR Reflow SolderingIR Reflow Soldering
Wave Soldering (Flow Soldering)Wave Soldering (Flow Soldering)
  • (1) Time of IR reflow soldering at maximum temperature point 260°C:10s
  • (2) Time of wave soldering at maximum temperature point 260°C:10s
  • (3) Time of soldering iron at maximum temperature point 410°C:5s
Environmental Characteristics (PR)
Test Item Specification Test Method
Size 0603/0805/1206/2010/2512 Size 0402
Short Time Overload ≤ ±0.02% ≤ ±0.1% JIS-C-5201-1 5.5
RCWV*2.5 or Max Overloading Voltage, 2 seconds
≤ ±0.2% for high power rating
Thermal Shock ≤ ±0.02% ≤ ±0.1% MIL-STD-202F Method 107G
-55°C~125°C, 100 cycles
Load Life
(Endurance)
≤ ±0.05% ≤ ±0.25% MIL-STD-202F Method 108A
RCWV, 70°C, 1.5 hours ON, 0.5 hours OFF, total 1000 hours
≤ ±0.25% for high power rating
Humidity (Steady State)
(Damp Heat with Load)
≤ ±0.05% ≤ ±0.5% MIL-STD-202F Method 103B
40±2°C, 90~95%RH, RCWV 1.5 hours ON, 0.5 hours OFF,
total 1000 hours
≤ ±0.25% for high power rating
Resistance to
Dry Heat
≤ ±0.05% ≤ ±0.5% JIS-C-5202-7.2
1000 hours @ +155°C without load
Resistance to
Soldering Heat
≤ ±0.02% ≤ ±0.1% MIL-STD-202F Method 210E
260±5°C, 10±1seconds
Solderability 95%min coverage MIL-STD-202F Method 208H
245°C±5°C, 3±0.5(sec)
  • Rated continuous Working Voltage (RCWV) = Power Rating × Resistance Value (Ω) or Max. Operating voltage whichever is lower.
  • Storage Temperature:15~28°C; Humidity < 80%RH;
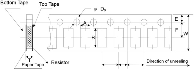
Packaging Quantity & Reel Specifications (Unit: mm) (PR)
Packaging Quantity & Reel Specifications (PR)
Packaging Quantity & Reel Specifications (PR)
Type ΦA (Unit: mm) ΦB (Unit: mm) ΦC (Unit: mm) W (Unit: mm) T (Unit: mm) Paper
Tape (PCS)
Emboss Plastic
Tape (PCS)
PR02 (0402) 178.0±1.0 60.0±1.0 13.5±0.7 9.5±1.0 11.5±1.0 10,000 -
PR03 (0603) 178.0±1.0 60.0±1.0 13.5±0.7 9.5±1.0 11.5±1.0 5,000 -
PR05 (0805) 178.0±1.0 60.0±1.0 13.5±0.7 9.5±1.0 11.5±1.0 5,000 -
PR06 (1206) 178.0±1.0 60.0±1.0 13.5±0.7 9.5±1.0 11.5±1.0 5,000 -
PR10 (2010) 178.0±1.0 60.0±1.0 13.5±0.7 13.5±1.0 15.5±1.0 - 4,000
PR12 (2512) 178.0±1.0 60.0±1.0 13.5±0.7 13.5±1.0 15.5±1.0 - 4,000

Paper Tape Specifications (Unit: mm) (PR)
Paper Tape Specifications (Unit: mm)(PR)
Paper Tape Specifications (Unit: mm)(PR)
Codes A (mm) B (mm) W (mm) E (mm) F (mm) P0 (mm) P1 (mm) P2 (mm) ΦD0 (mm) T (mm)
PR02 0.70±0.05 1.16±0.05 8.00±0.10 1.75±0.05 3.5±0.05 4.00±0.10 2.00±0.05 2.00±0.05 1.55±0.05 0.40±0.03
PR03 1.10±0.05 1.90±0.05 8.00±0.10 1.75±0.05 3.5±0.05 4.00±0.10 4.00±0.10 2.00±0.05 1.55±0.05 0.60±0.03
PR05 1.60±0.05 2.37±0.05 8.00±0.10 1.75±0.05 3.5±0.05 4.00±0.10 4.00±0.10 2.00±0.05 1.55±0.05 0.75±0.05
PR06 2.00±0.05 3.55±0.05 8.00±0.10 1.75±0.05 3.5±0.05 4.00±0.10 4.00±0.10 2.00±0.05 1.55±0.05 0.75±0.05

Paper Tape Peel Force (PR)
Paper Tape Peel ForcePaper Tape Peel Force
  • (1) Peel force of top cover tape.
  • (2) The peel speed shall be about 300 mm/min±5%
  • (3) The peel force of top cover tape shall be between 8gf to 60gf.

Emboss Plastic Tape Specifications (Unit: mm) (PR)
Emboss Plastic Tape Specifications (Unit: mm) (PR)
Emboss Plastic Tape Specifications (Unit: mm) (PR)
Codes A (mm) B (mm) W (mm) E (mm) F (mm) P0 (mm) P1 (mm) P2 (mm) ΦD0 (mm) T (mm)
PR10 2.85±0.10 5.45±0.10 12.0±0.10 1.75±0.10 5.5±0.05 4.00±0.05 4.00±0.10 2.00±0.05 1.50±0.10 1.00±0.20
PR12 3.40±0.10 6.65±0.10 12.0±0.10 1.75±0.10 5.5±0.05 4.00±0.05 4.00±0.10 2.00±0.05 1.50±0.10 1.00±0.20

Emboss Tape Peel Force (PR)
Emboss Tape Peel ForceEmboss Tape Peel Force
  • (1) Peel force of top cover tape.
  • (2) The peel speed shall be about 300 mm/min±5%
  • (3) The peel force of top cover tape shall be between 20gf to 80gf.
Order Codes (PR)
PR 02 D TR C3 1002  
Part Number
Dimensions (L×W) (mm)
02 1.00×0.50mm EIA0402
03 1.60×0.80mm EIA0603
05 2.00×1.25mm EIA0805
06 3.00×1.50mm EIA1206
10 4.90×2.40mm EIA2010
12 6.30×3.10mm EIA2512
Resistance
Tolerance(%)
B ±0.10%
C ±0.25%
D ±0.50%
Package
P Bulk
TR Taping Reel
TCR
(ppm/°C)
C5 ±15ppm/°C
C3 ±25ppm/°C
C2 ±50ppm/°C
Resistance
(Ω)
1000 100Ω
2201 2200Ω
1002 10000Ω
4992 49900Ω
1003 100KΩ
1004 1MΩ
1005 10MΩ
Marking
  Standard Marking
E96/E24
N No Marking

0805~2512 4 digits marking for Example Marking
Resistance 100Ω 2.2KΩ 10KΩ 49.9KΩ 100KΩ 1MΩ
Marking 1000 2201 1002 4992 1003 1004

0603: 3 digits Marking E24 Nominal Table
E24 code 10 11 12 13 15 16 18 20 22 24 27 30 33 36 39 43 47 51 56 62 68 75 82 91
  • Example: 101=100Ω 102=1KΩ (1st and 2nd are E24 code and 3rd code is multiplier)
  • Resistance tolerance 1% for 0603: 3 digits marking in E96 (E96 series except E24 series)
  • Digits marking for Example: 13C=13K3Ω; 68B=4K99Ω; 68X=49.9Ω

Marking Table E96 Nominal Table
code 02 03 04 06 07 08 09 10 11 13 14 15 16 17 19 20 21 22 23 24 25 26 27
E96 102 103 107 113 115 118 121 124 127 133 137 140 143 147 154 158 162 165 169 174 178 182 187
code 28 29 31 32 33 34 35 36 37 38 39 40 41 42 43 44 45 46 47 48 49 50 51
E96 191 196 205 210 215 221 226 232 237 243 249 255 261 267 274 280 287 294 301 309 316 324 332
code 52 53 54 55 56 57 58 59 60 61 62 63 64 65 66 67 68 69 70 71 72 73 74
E96 340 348 357 365 374 383 392 402 412 422 432 442 453 464 475 487 499 511 523 536 549 562 576
code 75 76 77 78 79 80 81 82 83 84 86 87 88 89 90 91 92 93 94 95 96
E96 590 604 619 634 649 665 681 698 715 732 768 787 806 825 845 866 887 909 931 953 976

Multiplier E96 Marking
Code A B C D E F X Y
Multiplier 100 101 102 103 104 105 10-1 10-2