Flip Chip Array Resistor Network Resistors (FCR, RCA, RCN)

DeMint makes Flip Chip, Resistor Networks, Chip Array a green old age.

DeMint has introduced precision surface-mount resistor networks, chip array, and flip-chips. Those no-lead packages are optimized to meet new automotive industry requirements for temperature and humidity, while offering high repeatability and stable performance for industrial, telecommunication, and consumer electronics.

Suitable for processing on automatic SMD assembly systems, those new devices are RoHS-compliant and compatible with lead (Pb)-free and tin/lead (Sn/Pb) reflow and vapor-phase soldering processes.

Flip Chip Resistor FCR Series:

  1. The resistor flip chip configurations (FCR Series) are available in industry standard EIA0603, EIA0805, and EIA1206.
  2. Power Rating 1/10W, 1/8W, and 1/4W are available in max. voltage 100V, 300V, and 300V respectively.
  3. Resistance tolerance is tight to F(± 1%), J(± 5%) with resistance range 1Ω to 10MΩ.

Resistor Chip Array RCA Series:

  1. Its small 1.6mm by 3.2mm package enables the design of high-density circuits.
  2. The resistor chip array (RCA Series) offers a low cost when compared to using four high-precision resistors.
  3. The devices feature precision ratio tolerances to F(± 1%), G(± 2%), and J(± 5%) are available with resistance range 10Ω to 1MΩ.

Resistor Networks RCN Series:

  1. The (RCN) resistor networks offer a resistance range from 10Ω to 1MΩ at operating temperature range -55°C~+125°C.
  2. All devices offer power ratings of 1/16W at +70°C per resistor, custom configurations of the devices are available.

Full line products meet RoHS compliant. Detailed specifications, both mechanical and electrical, please contact our sales representative for more information.
Downloads Complete PDF Specification (377KB) Flip Chip Array Resistor Network Resistors.

Surface Mount Flip Resistor Dimensions (Unit: mm) (FCR)
Thick Film Flip Chip Resistor (FCR) Dimensions
Thick Film Flip Chip Resistor (FCR) Dimensions
Dimensions Type L W H L1 L2
FCR 03 1.60 ± 0.10 0.80 ± 0.10 0.45 ± 0.10 0.30 ± 0.20 0.30 ± 0.20
FCR 05 2.00 ± 0.15 1.25 ± 0.15 0.50 ± 0.10 0.40 ± 0.20 0.35 ± 0.15
FCR 06 3.10 ± 0.15 1.55 ± 0.15 0.55 ± 0.10 0.50 ± 0.25 0.50 ± 0.25
SMD Array Resistor Dimensions (Unit: mm) (RCA)
 Thick Film Resistor Chip Array (RCA) Dimensions
Thick Film Resistor Chip Array (RCA) Dimensions
 Chip Array (RCA) Circuit
Chip Array (RCA) Circuit
Dimensions Type L W H L1 L2 P Q
RCA03-4D (0603) 3.2±0.2 1.6±0.15 0.5±0.1 0.30±0.15 0.35Max 0.8±0.1 0.5±0.1
SMD Network Resistor Dimensions (Unit: mm) (RCN)
Resistor Chip Networks (RCN) Dimensions
Resistor Chip Networks (RCN) Dimensions
Chip Network (RCN) Circuit
Chip Network (RCN) Circuit
Dimensions Type L W H L1 L2 P Q
RCN06-10R
RCN06-10S
6.4 ± 0.2 3.1 ± 0.2 0.55 ± 0.1 0.5 ± 0.3 0.5 ± 0.2 1.27 ± 0.1 0.8 ± 0.2
Electrical Specifications (FCR)
Type Power Rating at 70°C Max. RCWV Max. Overload Voltage Resistance Tolerance(%) Resistance Range (Ω) Standard Resistance Values
Min. Max.
FCR03 1/10W 50V 100V ± 1% (F)
± 5% (J)
10Ω
1MΩ
10MΩ
E-96
E-24
FCR05 1/8W 150V 300V ± 1% (F)
± 5% (J)
10Ω
1MΩ
10MΩ
E-96
E-24
FCR06 1/4W 200V 300V ± 1% (F)
± 5% (J)
10Ω
1MΩ
10MΩ
E-96
E-24
Electrical Specifications (RCA)
Type Rated Power at70°C Max. Working Voltage Max. Overload Voltage T.C.R. (ppm/°C) Resistance Range Jumper Rated Current Jumper Resistance Value Operating Temperature Range
F(±1%)
E-96
G(±2%)
J(±5%)
E-24
RCA03-4D
(0603)
0.063 50V 100V ± 200 100Ω~470KΩ 10Ω~1MΩ 1A 50mΩ
MAX
-55°C~+125°C
Electrical Specifications (RCN)
Type Rated Power at70°C Max. Working Voltage Max. Overload Voltage T.C.R. (ppm/°C) Resistance Range Number of
Terminals
Number of
Elements
Operating
Temperature
Range
J (±5%) E-12
RCN06-10R
RCN06-10S
1/16W 50V 100V ±200 10Ω~1MΩ 10 8 -55°C~+125°C
Environmental Characteristics (FCR, RCA, RCN)
ITEM SPECIFICATION TEST METHOD
DC Resistance J: ±5%, F: ±1% JIS C 5202 5.1
Temperature
Coefficient of
Resistance(TCR)
J: ±200ppm/°C
F: ±100ppm/°C
JIS C 5202 5.2 / IEC 115-1 4.8.4.2
T1 T2
Test temperature:25°C → -55°C
25°C → -55°C
Short Time Overload J: ΔR≤ ± (2%+0.1Ω)
F: ΔR≤ ± (1%+0.05Ω)
JIS C 5202 5.5 / IEC 115-1 4.13
2.5xRated voltage (Max. Overload Voltage) for 5 sec.
measure resistance after 30 minutes
Resistance to
Solder Heat
J: ΔR≤ ± (1%+0.1Ω)
F: ΔR≤ ± (0.5%+0.05Ω)
No mechanical damage
JIS C 5202 6.4 / IEC 115-1 4.18
With 260 ± 5 °C for 10 ± 1 sec.
Solderability Over 95% of termination
must becovered with solder
JIS C 5202 7.4 / IEC 115-1 4.17
After immersing flux, dip in the 235 ± 5°C molten solder
bath for 2 ± 0.5 sec.
Temperature Cycle J: ΔR≤ ± (1%+0.1Ω)
F: ΔR≤ ± (0.5%+0.05Ω)
No mechanical damage
JIS C 5202 7.4 / IEC 115-1 4.19
Repeat 5 cycles as follow
-55°C(30minutes)+25°C(10~15minutes)
+125°C(30minutes)+25°C(10~15minutes)
Terminal Strength ΔR≤ ± (0.5%+0.05Ω)
No mechanical damage
JIS C 5202 6.1
500g for 10 seconds
Load Life J: ΔR≤ ± (3%+0.1Ω)
F: ΔR≤ ± (1%+0.05Ω)
JIS C 5202 7.10 / IEC 115-1 4.25.1
Permanent resistance change after 1000+48/-0
hours (1.5 hours ON,0.5hour OFF) at RCWV or Max.
Keep the element at 70 ± 3°Cambient
Load Life Humidity J: ΔR≤ ± (3%+0.1Ω)
F: ΔR≤ ± (1%+0.05Ω)
JIS C 5202 7.9 / IEC 115-1 4.24.2
Maintain the temperature of the element at
40 ± 2 °Cand 90~95% RH with the rated
voltage applied. Cycle ON for 1.5hours
and Off for 0.5hour for 1000+48/-0 hours.
After one hour, measure the resistance value.
Intermittent Overload ΔR≤ ± (5%+0.1Ω)
No mechanical damage
JIS C 5202 5.8 2.5xRated Voltage(Max. Overload Voltage),
1secON,25sec OFF, test 10,000 cycles
Marking (FCR, RCA, RCN)
SMD Resistor Marking
SMD Resistor Marking
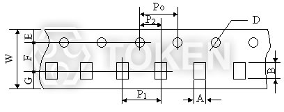
Tape Specifications (Unit: mm) (FCR, RCA, RCN)
SMD Surface Mount Tape Dimensions
SMD Surface Mount Tape Dimensions
TYPE A B W F E P1 P2 P0 D G
FCR03 1.10±0.20 1.90±0.20 8.0±0.3 3.50±0.05 1.75±0.10 4.0±0.1 2.00±0.05 4.0±0.1 1.5±0.1
-0
2.75
FCR05 1.65±0.20 2.45±0.20 8.0±0.3 3.50±0.05 1.75±0.10 4.0±0.1 2.00±0.05 4.0±0.1 1.5±0.1
-0
2.75
FCR06 2.00±0.10
-0.15
3.57±0.10
-0.15
8.0±0.3 3.50±0.05 1.75±0.10 4.0±0.1 2.00±0.05 4.0±0.1 1.5±0.1
-0
2.75
Reel Packaging (Unit: mm) (FCR, RCA, RCN)
Reel Packaging Dimensions
Reel Packaging Dimensions
Symbol A B C D G N T
Dimension (mm) 178 ± 2.0 20 ± 0.5 13.0 ± 0.5 20 min. 100 ± 1.5 80.0 ± 0.5 14.9 max.
Order Codes Flip SMD Resistors (FCR)
FCR 03 100 J TR
Part Number
FCR
Size
(mm)
03 1.60×0.80mm
05 2.00×1.25mm
06 3.10×1.55mm
Nominal Resistance
SMD
Elements
3-Digit E24 Series
EX  10Ω=100
      47Ω=470
4-Digit E96 Series
EX  10.2Ω=10R2
      10KΩ=1002
Jumper   000
Resistance Tolerance(%)
F ±1%
J ±5%
Package
TR Taping Reel
P Bulk
Order Codes Resistor SMD Array (RCA)
RCA 03 - 4 D 101 J TR
 
Part Number
RCA
Size
(mm)
03 3.20×1.60mm
 
Number of circuits
4 4 circuits
Electrode Structure
D protruding electrode
Nominal Resistance
SMD
Elements
3-Digit E24 Series
EX  10Ω=100
      47Ω=470
4-Digit E96 Series
EX  10.2Ω=10R2
      10KΩ=1002
Jumper   000
Resistance Tolerance(%)
F ±1%
G ±2%
J ±5%
Package
TR Taping Reel
P Bulk
Order Codes SMD Resistor Networks (RCN)
RCN 06 - 10 R 103 J TR
 
Part Number
RCN
Size
(mm)
06 6.40×3.10mm
 
Number of circuits
10
Circuit Structure
R circuit
S circuit
Nominal Resistance
3-Digit E12 Series
EX  10Ω=100
      100Ω=101
Resistance Tolerance(%)
J ±5%
Package
TR Taping Reel
P Bulk