Quartz Crystal Resonators (TA7C/6C/5C/4C)

A New Package Type - Surface Mount Ceramic Housed Quartz Crystal Resonator. DeMint Electronics offers two series SMD Quartz Crystals in terms of TA*C series and TA*CA series. The TA*C series incorporates a sub-miniature AT-cut strip quartz crystal resonator packed in a miniature 4.0×2.5×1.2mm ceramic package, while the TA*CA series incorporates a sub-miniature AT-cut strip quartz crystal unit housed in a miniature 2-pad 4.0×2.5mm ceramic package.

Both compact crystals chip components of TA*C series and TA*CA series are ideal for surface mount, densely-populated PCB applications. Download (TACA) Datasheet, PDF (390KB).

Features :

  1. Seam welded ceramic package, 1.2mm max. low profile.
  2. Ideally suit for disc driver, PCMCIA, PC and hand-held products.
  3. Tight stability, High reliability, Wide frequency range, High frequency.
  4. Rugged AT-cut crystal construction, Ultra miniature for maximum spacing saving.
  5. Tape and Reel packing method, Tight specifications available, RoHS Compliant.
Configurations & Dimensions (TA7C/6C/5C/4C)
(TA7C/6C/5C/4C) Configurations & Dimensions
(TA7C/6C/5C/4C) Configurations & Dimensions
Part
Number
Dimensions (unit: mm)
L1 L2 L3 L4 L5 L6 L7 L8 L9
TA4C  
TA4CA
4.0±0.3 2.5±0.3 1.2±0.2 1.2±0.2 0.9±0.2 4.2±0.2 2.7±0.2 1.4±0.2 1.1±0.2
TA5C  
TA5CA
5.0±0.3 3.2±0.3 1.2±0.2 1.4±0.2 1.0±0.2 5.2±0.2 3.4±0.2 1.6±0.2 1.2±0.2
TA6C  
TA6CA
6.0±0.3 3.5±0.3 1.2±0.2 1.5±0.2 1.2±0.2 6.2±0.2 3.7±0.2 1.8±0.2 1.4±0.2
TA7C  
TA7CA
7.0±0.3 5.0±0.3 1.2±0.2 1.5±0.2 1.2±0.2 8.0±0.2 3.9±0.2 2.2±0.2 1.4±0.2
Electrical Specifications (TA7C/6C/5C/4C)
Part
Number
Frequency Range
(MHz)
Resonance Resistance
(Ω) Max
Fundamental
/ Overtone
Adjustment
Tolerance × 10-6
Temp.Range
Tolerance Over × 10-6
TA4C  
TA4CA
12.000 ~ 19.999 80 Fund. 30 50
20.000 ~ 25.999 70
26.000 ~ 36.000 50
TA5C  
TA5CA
10.000 ~ 11.999 120
12.000 ~ 14.399 80
14.400 ~ 36.000 50
TA6C  
TA6CA
8.000 ~ 11.999 80
12.000 ~ 16.000 60
16.001 ~ 40.000 40
TA7C  
TA7CA
7.600 ~ 11.999 80
12.000 ~ 16.000 60
16.001 ~ 35.000 40
Recommended Land Pattern (TA7C/6C/5C/4C)
(TA7C/6C/5C/4C) Recommended Land Pattern
(TA7C/6C/5C/4C) Recommended Land Pattern

Recommended Reflow Soldering Standard Conditions (TA7C/6C/5C/4C)
Standard Conditions Recommended Reflow Soldering (TA7C/6C/5C/4C)
Test Condition Of Peeling Strength (TA7C/6C/5C/4C)
(TA7C/6C/5C/4C) Test Condition Of Peeling Strength
(TA7C/6C/5C/4C) Test Condition Of Peeling Strength
Packing Method (TA7C/6C/5C/4C)
(TA7C/6C/5C/4C) Packing Method
(TA7C/6C/5C/4C) Packing Method
Reel Dimensions (Unit: mm) (TA7C/6C/5C/4C)
(TA7C/6C/5C/4C) Reel Dimensions
(TA7C/6C/5C/4C) Reel Dimensions
ΦA ΦB W T Pieces per reel Carrier tape size
179 ± 2 60typ 12.4min 19.4max 3000typ 12
179 ± 2 60typ 16.4min 22.4max 1000typ 16
330 ± 3 80min 12.4min 19.4max 4000typ 12
330 ± 3 80min 16.4min 22.4max 4000typ 16
179 ± 2 60typ 8.4min 12.4max 3000typ 8
* typ : (Typical Value)
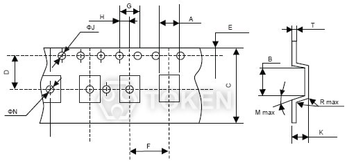
Carrier Tape Dimensions (TA7C/6C/5C/4C)
(TA7C/6C/5C/4C) Carrier Tape Dimensions
(TA7C/6C/5C/4C) Carrier Tape Dimensions
Part
Number
Dimensions (unit: mm)
A B C D E F G H ΦJ ΦN Mmax Rmax K T
TA4C  
TA4CA
2.9±0.2 4.4±0.2 12.0±0.2 5.5±0.1 1.75±0.1 4.0±0.1 4.0±0.1 2.0±0.1 1.5±0.1 1.6±0.1 10° 0.3 1.4±0.2 0.3±0.1
TA5C  
TA5CA
3.6±0.2 5.4±0.2 16.0±0.2 7.5±0.1 1.75±0.1 4.0±0.1 2.0±0.1 1.5±0.1 1.6±0.1 1.6±0.1 10° 0.3 1.4±0.2 0.3±0.1
TA6C  
TA6CA
3.9±0.2 6.4±0.2 16.0±0.2 7.5±0.1 1.75±0.1 4.0±0.1 2.0±0.1 1.5±0.1 1.6±0.1 1.6±0.1 10° 0.3 1.4±0.2 0.3±0.1
TA7C  
TA7CA
5.4±0.2 7.4±0.2 16.0±0.2 7.5±0.1 1.75±0.1 4.0±0.1 2.0±0.1 1.5±0.1 1.6±0.1 1.6±0.1 10° 0.3 1.4±0.2 0.3±0.1
Order Codes (TA7C/6C/5C/4C)
TA6C 12.000M TR
Part Number
Frequency (MHz)
Package
P Bulk
TR Taping Reel