SMD Ceramic Discriminator (JTCV10.7M)

DeMint offers compact low-cost low power processor SMD ceramic discriminator for FM. DeMint takes advantages of SMD ceramic discriminators which convert the changes in frequency into an audio signal via the various detection methods based on impedance or phase characteristics of piezoelectrics technology. The incorporation of piezoelectrics technology allows the product's function and feature set to be easily configured via surface mount installation.

The discriminator functions to convert the change of the frequency into audio frequency, an unique system of detection only used for FM broadcasting. The detection of FM wave is made through the circuit in which the relation between the frequency and the output voltage is linear. FM wave detection methods, such as ratio detection, Foster-Seeley detection, quadrature detection, differential peak detection, etc. are known.

Surface mount ceramic discriminators (JTCV10.7M) for FM are resonated devices that offer adjustment free audio detection in both wide and narrow bandwidths. These IC dependent devices utilize FM specific detection methods to convert changes in frequency into an intelligible audio signal.

Custom parts are available on request. DeMint will also produce devices outside these specifications to meet specific customer requirements, please contact our sales for more information.

Download complete PDF SMD Ceramic Discriminator (JTCV10.7M).

Characteristics :
  1. Center Frequency: 10.7MHz.
  2. Storage temperature range: -40°C to +85°C.
  3. Operating temperature range: -20°C to +80°C.
  4. Dimensions: (3.7±0.2 x 3.1±0.2 x 1.4±0.2) Unit: mm.
  5. Available IC: CX-2009, CX-20111, CXA1019M, CX-20091, μPC1028H, LA1150, TA7303P, TA7130, TA8122AN, TA8132N, TA2007, TA2104AFN, TA2099N, TA2132P.
Features :
  1. High sensitivity and stability.
  2. Small in size and light weight.
  3. Wide range of standard products are available for various ICs.
Dimensions (Unit: mm) (JTCV10.7M)
FM JTCV10.7M Dimensions
FM JTCV10.7M Dimensions
Test Circuit (JTCV10.7M)
Chip Ceramic Discriminator for FM (JTCV10.7M) Test Circuit
FM (JTCV10.7MG3) Test Circuit
Chip Ceramic Discriminator for FM (JTCV10.7M) Test Circuit
FM (JTCV10.7MG16) Test Circuit
Chip Ceramic Discriminator for FM (JTCV10.7M) Test Circuit
FM (JTCV10.7MG18) Test Circuit
Chip Ceramic Discriminator for FM (JTCV10.7M) Test Circuit
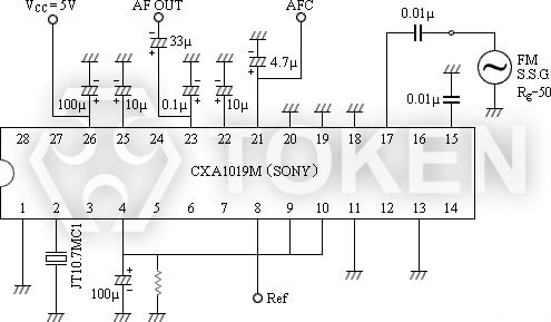
FM (JTCV10.7MC1) Test Circuit
Technical Characteristics (JTCV10.7M)
Part
Number
Demodulation Output at fo
(mv) min
Distortion Factor at fo
(%) max
Demodulation 3dB Band Width
(KHz) max
Applicable
IC
JTCV10.7MG1 25 1.0 345 CX-2009, CX-20111
JTCV10.7MG3 650 1.0 ±150 TA7303P, TA7130, μPC1028H, LA1150
JTCV10.7MG16 60~90 0.9 300 TA8122AN
JTCV10.7MG18 60~90 0.9 300 TA8132N
JTCV10.7MG33 45 0.7 250 TA2007
JTCV10.7MG80 65 1.0 300 TA2104AFN
JTCV10.7MG82 90 0.8 320 TA2099N
JTCV10.7MG92 60 1.0 300 TA2132P
JTCV10.7MC1 35 1.0 242 CXA1019M, CX-20091
Order Codes (JTCV10.7M)
JTCV10.7MG3 TR
Part Number
Package (TR:Taping Reel)