TO-220 Heat Sink Resistors (RMG20)

DeMint power resistor TO-220 package deliver thermal efficiency.

Providing design engineers with superior heat dissipation in a standard industry-recognised package, DeMint Electronics has introduced a TO220-style power resistor using a highly reliable, economical copper power film.

The RMG20 Series, designed by DeMint, are rugged resistors feature noninductive performance and low thermal resistance, making them ideal for a variety of industrial applications such as power supplies, industrial controls and automotive, where cost effective performance and reliability are paramount.

The non-noble copper ink construction of the RMG20 Series resistor makes it an efficient alternative to other thick film leaded power resistors while maintaining the excellent thermal conductivity and heat dissipation necessary for demanding power applications.

With low resistance values at higher power ratings, DeMint's proprietary resistor element ensures design engineers the highest quality noninductive performance in an efficient package.

Operating temperatures range from -65°C to +150°C.

Constructed with proprietary power-film copper conductors and alloy resistors on an alumina ceramic substrate, the RMG20 Series resistor features low thermal impedance for high power dissipation. Contact us with your specific needs. Download PDF Specification 20W TO-220 Heat Sink Resistors (RMG20).

Features :
  1. Molded Case for Protection and Easy to Mount.
  2. 20 Watt at 25°C Case Temperature Heat Sink Mounted.
  3. Isolated Case, Non Inductive, TO-220 Style Power Package.
Applications :
  1. VHF Amplifiers, Snubber Circuits, Voltage Regulation, Load Resistor for Pulse Generators, High Speed Switching Power Supplies.
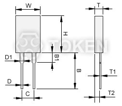
Dimensions (Unit: mm) (RMG20) TO220
TO220 Power Resistors (RMG20) Dimensions
TO-220 (RMG20)
Dimensions (Unit: mm)
Type W H T T1 T2 B B1 C D D1
RMG20 10.15~10.67 16.00~16.52 2.92~3.44 0.40~0.60 1.52~2.04 11.43~13.97 2.54~4.06 4.82~5.34 0.66~0.86 1.14~1.40
Electrical Characteristics Specifications (RMG20) TO220
Resistance Range Resistance Tolerance TCR(PPM/°C)
0.05Ω~1Ω ±5.00%
±10.0%
-
2Ω~5Ω ±1.00%
±5.00%
±10.0%
±200
5Ω~10Ω ±1.00%
±5.00%
±10.0%
±100
±200
11Ω~10KΩ ±0.50%
±1.00%
±5.00%
±10.0%
±50
±100
±200
Operating Voltage:350V Max. Dielectric Strength: 1800VAC. Insulation Resistance: 10GΩmin.
Working Temperature Range:-65°C to +150°C. Resistance Value < 1Ω is Available
Environmental Characteristics (RMG20) TO220
Test Item Specification Test Method
Temperature Coefficient of Resistance 10Ω and above, ±50ppm/°C
1Ω and 10Ω, (±100ppm)/°C
Referenced to 25°C, ΔR taken at +105°C
Short Time Overload Δ R±0.3% 2 times rated power with applied voltage not to exceed 1.5 times maximum continuous operating voltage for 5 seconds.
Load Life Δ R±1.0% MIL-R-39009,2,000 hours at rated power.
Humidity (Steady State) Δ R±0.5% MIL-STD-202F, Method 103B
40°C, 90~95%RH, RCWV 1.5hours ON, 0.5hours OFF. total 1000~1048 hours.
Thermal Shock Δ R±0.3% MIL-STD-202, Method 107G.
-65°C~150°C,100 cycle
Terminal Strength Δ R±0.2% MIL-STD-202, Method 211, Cond.A(Pull Test) 2.4N.
Vibration, High Frequency Δ R±0.2% MIL-STD-202, Method 204, Cond.D.
Lead Material: Tinned Copper. Without a Heat Sink, when in Free Air at 25°C, the RMG20 is Rated for 2.25W.
The Case Temperature Measurement Must be Made with a Thermocouple Contacting the Center of the Component Mounted on the Designed Heat Sink.
Thermal Grease Should be Applied Properly.
Power Derating Curve (RMG20) TO220
(RMG20) Power Derating Curve
(RMG20) Power Derating Curve
Order Codes (RMG20) TO220
RMG 20 J P D 10R
Part Number
Power Rating (W)
Resistance Tolerance (%)
D ±0.5%
F ±1%
G ±2%
J ±5%
K ±10%
Package
T Tube
P Bulk
TCR (PPM/°C)
D ±50PPM/°C
E ±100PPM/°C
F ±200PPM/°C
- No specified
Resistance (Ω)
0R1 0.1Ω
10R 10Ω
1K 1KΩ
10K 10KΩ