Thick Film Non-Inductive Power Resistors (TAP120)

Thick Film Non-Inductive Power Resistors(TAP120)

New high-power non-inductive resistor (TAP120) enforces mechanical stability available,Contact us with your specific needs.

DeMint is devoting in the development of thick film non-inductive power resistors in particularly and powerful compact.

Non-inductive Thick Film (TAP120) Ultra-High-Power Resistors packaged in SOT227 with alumina ceramic metalized on the bottom for optimum discharge and improved heat transfer. Case encapsulates with resin-filled epoxy and enables large air distance between the terminals to achieve high insulation resistance.

Power Resistor (TAP120) handles power peaks, including those that happen whenever high-end electronic products are switched on and off, and it redirect power surges. Also Non-inductive (TAP120) help handle the rotational speed of electric motors such as those used in vehicles like locomotives and trams and in industrial equipment.

The thick flim resistor (TAP120) series consists of 4 connection options. Operating voltage can reach 1500V. Precision tolerance has 0.5%、1%、2%、5%、10% alternative. While the center temperature of the bottom plate lower than 85°C, the type 1 and type 2 can remain full power of 120W.

DeMint will also produce devices outside these specifications to meet customer requirements.

Download PDF Specification Power Non-Inductive Resistors(TAP120) PDF.

Features :
  1. Thick film, Non-inductive.
  2. Small size and high power.
  3. High stability, Wide range of resistance.
  4. High insulation & partial discharge performance.
Applications :
  1. Variable Speed Drives.
  2. Power Supplies, Control Devices.
  3. Telecommunications, Robotics.
  4. Motor Controls and other Switching Devices.
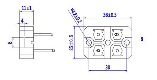
Dimensions (Unit: mm) (TAP120)
Thick Film Non-Inductive Power Resistors (TAP120)
Non-Inductive Thick Film Power Resistors (TAP120) Dimensions (Unspecified Tolerance: ±0.3 mm)
Thick Film Power Non-Inductive Resistors (TAP120) Type
Thick Film Non-Inductive Power Resistors (TAP120)
Dimensions (Unspecified Tolerance: ±0.3 mm)
Electrical Characteristics (TAP120)
Technical Specifications Values
Rated Power (W) (Base Plate Center Temp ≤ 85°C) 120W
Resistance range (Ω) 0.1Ω ~ 1MΩ
Tolerance (%) ±0.5% ~ ±10%
TCR (ppm/°C) (25°C~105°C) ±50 ppm/°C, ±100 ppm/°C, ±300 ppm/°C
Max.working voltage (VDC) 1500 V
Lead Material Silica Wire / Electronic Wire
Insulation Resistance 500V, ≥10GΩ
Mounting-torque for contacts M4 screw 1.2 Nm Max
Temperature range (°C) -55°C~+155°C
Test Condition (TAP120)
Test Item Test Methods Characteristics
Short Time Overload JIS-C-5201-1 4.13
1.5P amount does not exceed
1.5UMax/5s
ΔR/R ≤±(0.3%+0.1Ω)
Insulation resistance JIS-C-5261 6-1 500VDC 10GΩ Min.
Dielectric withstanding voltage JIC-C-5261 7-1 3000VAC or 5000VDC
1 minute between terminal and axis.
Free of appearance or structural irregularity.
Vibration JIS-C-5261 6-6
50HZ, amplitude 2mm, lasting 4Hrs.
ΔR/R≤±(0.1%+0.1Ω)
Load life JIS-C-5261 7-7
Rated power 2000Hrs,
Base Plate Center Temperature < 85°C.
ΔR/R≤±(1%+0.1Ω)
Temperature Cycling JIS-C5201-1 4.19
-55°C ~ 125°C, 5 cycles
ΔR/R≤±(0.3%+0.1Ω)
Humidity JIS-C5201-1 4.24
+40°C, RH≥95% for 96Hrs.
ΔR/R≤±(0.25%+0.1Ω)
Power Derating Curve (TAP120)
(TAP120) Power Derating Curve
(TAP120) Power Derating Curve
Order Codes (TAP120)
TAP120 1 D 10R K
Part Number
TAP120
Configurations
1 Type 1, 120W
2 Type 2, 120W
3 Type 3, 40W x 2
4 Type 4, 40W x 2
TCR (ppm/°C)
D ±50ppm
E ±100ppm
G ±300ppm
Resistance (Ω)
10R 10Ω
100R 100Ω
1K 1000Ω
1M 1000000Ω
Resistance Tolerance (%)
K ±10%
J ±5%
G ±2%
F ±1%
D ±0.5%