SMD RF Balun Transformers (TCB4F)

DeMint Electronics has introduced SMD Common Mode RF Transformers (RF Balun Transformers) in 3.8 x 4.4 mm compact size, which are used to convert between unbalanced-balanced signals in the antenna inputs of tuner circuits for terrestrial digital broadcast compatible compact devices. Up to now baluns have been made by winding wire around a spectacle-shaped ferrite core, and are widely used in electronic devices such as TVs and desktop PCs.

DeMint SMD common mode (TCB4F) Baluns are primarily designed for choking power lines and conform to the RoHS compliant and Lead-free. SMD (TCB4F) can be customed designs and tighter tolerances available on request.

Windings use paired or and triple wires for high uniformity. Base pins are end proccessed to allow direct mounting on PCB. Ideal for use in double balanced mixers, and as broad band transformers, transistors and for impedance conversion. Application of SMD choke coils specific designs also available including different inductance values and Q specifications adjusted to frequency requirements.

DeMint is equipped to design and produce standard and custom Balun components to meet many design and reliability demands. Custom parts are available on request. DeMint will also produce devices outside these specifications to meet specific customer requirements, please contact our sales for more information.

Download Complete Datasheet SMD Common Mode RF Balun Transformer and Frequency Mixer (TCB4F) PDF (428KB).

Features :
  1. Pair and triple wire coil
    for high stability and high balance.
  2. Available in tape & reel
    for automatic surface mounting..
Applications :
  1. Impedance Transformers.
  2. Broad-Band Transformers.
  3. Double Balance Mixers, Frequency Mixer.
  4. Common Mode Filter, Balun Transformers.
Configurations & Dimensions (TCB4F) Unit: mm
SMD Common Mode RF Balun Transformer (TCB4F) Dimensions
SMD Common Mode RF Balun Transformer (TCB4F) Dimensions
Type A B (max) C (max) D E (max) F G H I J K L
TCB4F 3.8 4.4 3.2 2.0 5.5 0.45 3.0 2.7 4.4 1.3 3.0 1.0
Note: Design as Customer's Requested Specifications.
Electrical Characteristics A (TCB4F - 617DB)
Part Number Winding Turns
1-6=2-4=2-6=3-4
μiac
TCB4F - 617DB1673 2 1/2 T 300
TCB4F - 617DB1674 3 1/2 T 300
TCB4F - 617DB1675 4 1/2 T 300
TCB4F - 617DB1714 5 1/2 T 300

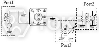
Test Circuit A (TCB4F - 617DB)
SMD Common Mode RF Balun Transformer (TCB4F - 617DB) Test Circuit A
SMD Common Mode RF Balun Transformer (TCB4F - 617DB) Test Circuit A

Typical Characteristics A (TCB4F - 617DB)
SMD Common Mode RF Balun Transformers and Frequency Mixer (TCB4F - 617DB) Typical Characteristics A
SMD Common Mode RF Balun Transformers and Frequency Mixer (TCB4F - 617DB) Typical Characteristics A
Electrical Characteristics B (TCB4F - 617DB)
Part Number Winding Turns μiac
TCB4F - 617DB1653 2 1/2 T 300
TCB4F - 617DB1654 3 1/2 T 300
TCB4F - 617DB1655 4 1/2 T 300
TCB4F - 617DB1724 5 1/2 T 300

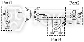
Test Circuit B (TCB4F - 617DB)
Common Mode RF Balun Transformers (TCB4F - 617DB) Test Circuit B

Typical Characteristics B (TCB4F - 617DB)
SMD Common Mode RF Balun Transformers(TCB4F - 617DB) Typical Characteristics B
Electrical Characteristics C (TCB4F - 617DB)
Part Number Winding Turns μiac
TCB4F - 617DB1643 2 1/2 T 1500
TCB4F - 617DB1644 3 1/2 T 1500
TCB4F - 617DB1645 4 1/2 T 1500
TCB4F - 617DB1646 5 1/2 T 1500

Test Circuit C (TCB4F - 617DB)
Common Mode RF Balun Transformers(TCB4F - 617DB) Test Circuit C
Common Mode RF Balun Transformers(TCB4F - 617DB) Test Circuit C

Typical Characteristics C (TCB4F - 617DB)
贴片共模Inductors (TCB4F - 617DB) 代表特性图
SMD Common Mode RF Balun Transformers(TCB4F - 617DB) Typical Characteristics C
Electrical Characteristics (TCB4F - 617PT)
Part Number Winding Turns
1-2=2-3=4-6
μiac
TCB4F - 617PT1667 2T 300
TCB4F - 617PT1669 3T 300
TCB4F - 617PT1699 4T 300
TCB4F - 617PT1664 5T 300

Test Circuit (TCB4F - 617PT)
SMD Common Mode RF Balun Transformer(TCB4F - 617PT) Test Circuit
SMD Common Mode RF Balun Transformer (TCB4F - 617PT) Test Circuit

Typical Characteristics (TCB4F - 617PT)
SMD Common Mode RF Balun Transformer and Frequency Mixer (TCB4F - 617PT) Typical Characteristics
SMD Common Mode RF Balun Transformer and Frequency Mixer (TCB4F - 617PT) Typical Characteristics
Order Codes (TCB4F)
TCB4F - 617DB1673
 
Part Number
TCB4F
 
Type
617DB1673 Frequency mixer
617PT1667 Frequency mixer
617DB1653 Balun Transformers
617DB1643 Balun Transformers