RF Baluns (TCB5F)

DeMint utilizes the latest winding technology using paired wires for high uniformity and enabling the most cost-effective designs in manufacturing SMD Common Mode RF Balun Transformers.

Base pins are end proccessed to allow direct mounting on PCB. Ideal for use in double balanced mixers, and as broad band transformers, transistors and for impedance conversion.

DeMint (TCB5F) RF Baluns are primarily designed for choking power lines and conform to the RoHS compliant and Lead-free. SMD TCB5F feature with ultra-compact size, wide inductance selection, and low-resistance coils. SMD choke coils can be customed designs and tighter tolerances available on request.

Application of RF Transformer specific designs also available including different inductance values and Q specifications adjusted to frequency requirements.

DeMint is equipped to design and produce custom components to meet many design and reliability demands. Custom parts are available on request. DeMint will also produce devices outside these specifications to meet specific customer requirements, please contact our sales for more information.

Download Complete Datasheet Surface Mount RF Baluns, RF Transformers (TCB5F) PDF (396KB).

Features :
  1. Pair wire coil for high stability.
Applications :
  1. Double Balance Mixers, Broad-Band Transformers;
  2. Impedance Transformers, Balun Transformers.
Configurations & Dimensions (TCB5F) Unit: mm
Surface mount RF Balun Transformer (TCB5F) Dimensions
Surface mount RF Balun Transformer (TCB5F) Dimensions
Type A
(max)
B
(max)
C
(max)
D E F G H I J
TCB5F 6.9 6.9 4.4 4.0 3.8 0.6 5.7 1.7 1.2 4.0
Note: Design as Customer's Requested Specifications.
Electrical Characteristics (TCB5F - 458DB)
Part Number Winding Turns
1-6=2-4=2-6=3-4
μiac
TCB5F - 458DB1614 2 1/2 T 300
TCB5F - 458DB1615 3 1/2 T 300
TCB5F - 458DB1616 4 1/2 T 300

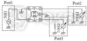
Test Circuit (TCB5F - 458DB)
(TCB5F - 458DB) Test Circuit
(TCB5F - 458DB) Test Circuit

Typical Characteristics (TCB5F - 458DB)
SMD Baluns, RF Transformer (TCB5F - 458DB) Typical Characteristics
SMD Baluns, RF Transformer (TCB5F - 458DB) Typical Characteristics
Electrical Characteristics (TCB5F - 458PT)
Part Number Winding Turns
1-2=2-3=4-6
μiac
TCB5F - 458PT1619 2 T 300
TCB5F - 458PT1586 3 T 230
TCB5F - 458PT1587 4 T 230
TCB5F - 458PT1565 5 T 230

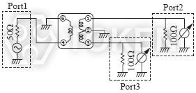
Test Circuit (TCB5F - 458PT)
(TCB5F - 458PT) Test Circuit
(TCB5F - 458PT) Test Circuit

Typical Characteristics (TCB5F - 458PT)
SMD Baluns, RF Transformers (TCB5F - 458PT) Typical Characteristics
SMD Baluns, RF Transformers (TCB5F - 458PT) Typical Characteristics
Order Codes (TCB5F)
TCB5F - 458DB1614
 
Part Number
TCB5F
 
Type
458DB1614 Frequency mixer
458DB1615 Frequency mixer
458PT1619 Frequency mixer
458PT1586 Frequency mixer