Balun Transformers (TCB5FL)

A Balun is a device which converts balanced impedance to unbalanced and vice versa. In addition, baluns can also provide impedance transformation, hence the name Balun Transformers.

DeMint utilizes the latest winding technology using paired wires for high uniformity and enabling the most cost-effective designs in manufacturing surface mount baluns.

DeMint (TCB5FL) baluns are primarily designed for choking power lines and conform to the RoHS compliant and Lead-free. SMD (TCB5FL) feature with ultra-compact size, wide inductance selection, and low-resistance coils. SMD (TCB5FL) can be customed designs and tighter tolerances available on request.

Application of RF balun transformer specific designs also available including different inductance values and Q specifications adjusted to frequency requirements. Base pins are end proccessed to allow direct mounting on PCB. Ideal for use in double balanced mixers, and as broad band transformers, transistors and for impedance conversion.

DeMint will also produce devices outside these specifications to meet customer requirements, with comprehensive application engineering and design support available for customers worldwide.

Download Complete Datasheet Common Mode SMD Balun Transformers (TCB5FL) PDF (378KB).

Features :
  1. Pair wire coil for high stability.
Applications :
  1. Double Balance Mixers, Broad-Band Transformers;
  2. Impedance Transformers, Balun Transformers, etc..
Configurations & Dimensions (TCB5FL) Unit: mm
Surface Mount Balun Transformers (TCB5FL) Dimensions
Surface Mount Balun Transformers (TCB5FL) Dimensions
Type A
(max)
B
(max)
C
(max)
D E F G H I
TCB5FL 6.9 6.9 3.6 4.0 5-0.6 5.7 1.7 1.2 4.0
Note: Design as Customer's Requested Specifications.
Electrical Characteristics (TCB5FL)
Part Number Winding Turns
1-6=2-4=2-6=3-4
μiac
TCB5FL - 616DB1196 2 1/2 T 300
TCB5FL - 616DB1197 3 1/2 T 300
TCB5FL - 616DB1198 4 1/2 T 300

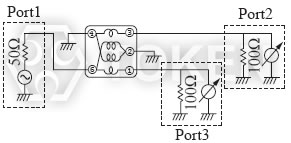
Test Circuit (TCB5FL)
SMD Balun Transformer (TCB5FL) Test Circuit
SMD Balun Transformer (TCB5FL) Test Circuit
Typical Characteristics (TCB5FL)
SMD Balun Transformers (TCB5FL) Typical Characteristics
SMD Balun Transformers (TCB5FL) Typical Characteristics
Order Codes (TCB5FL)
TCB5F - 616DB1196
 
Part Number
TCB5FL
 
Type
616DB1196 Frequency mixer
616DB1197 Frequency mixer