
随着开关电源类的数字电路的普及和发展,电子设备辐射和泄漏的电磁波不仅严重干扰其他电子设备正常工作,导致设备功能紊乱、传输错误、控制失灵,而且威胁着人类的健康与安全,已成为一种无形汗染。因此降低电子设备的电磁干扰 (EMI) 已成为世界电子行业关注的问题。
降低电子设备的电磁干扰已成为电子产品是否有市场的关键问题。而软磁材料已成为 EMI 滤波器中不可少的元件,并起着举足轻重的作用。
德铭特电子采用多种软磁材料,利用软磁材料具有的独特性能,制成的各种抑制 EMI 元器件,使其在抗电磁干扰领域发挥主要作用,并广泛地应用于各种电子电路和设备之中。
EMI 滤波器的作用是阻隔不需要的信号并以发热的形式消耗掉,而让需要的信号无衰减或几乎不衰减地通过。德铭特提供客护订制 EMI 线性滤波电感器服务,挑选这合频段的磁性材料,使滤波电感达到最经济和最佳效果,并满足客护设计的电子设备 EMC 标准,
德铭特提供完整 EMI 线性滤波电感尺寸,感量范围齐全,可依客护的需求制造,若需特殊规格型式,请与德铭特业务联系。
下载 PDF 版本: EMI 抑制器 线性滤波电感器 (TCUU/TCET)。
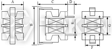
| EMI抑制器 线性滤波电感器 结构及尺寸(单位:mm) (TCUU98V) | ||||||||
|
||||||||
| 型号 | A (max) | B (max) | C (max) | D | E | F | G | |
| TCUU98V | 11.0 | 16.5 | 16.5 | 3.5 | Φ0.6 | 7.0 | 8.0 | |
备注:可依客护特殊需求设计。
| EMI抑制器 线性滤波电感器 电子特性 at 25°C (TCUU98V) | ||||
| 产品料号 | 电感值 (mH)(min) | 电感公差 (µH max) | 直流阻抗 (Ω)(max) | 定格电流 (A)(max) |
| TCUU98V-471 | 0.47 | 25 | 0.15 | 1.00 |
| TCUU98V-681 | 0.68 | 25 | 0.25 | 0.85 |
| TCUU98V-102 | 1.0 | 50 | 0.35 | 0.70 |
| TCUU98V-222 | 2.2 | 50 | 0.7 | 0.50 |
| TCUU98V-392 | 3.9 | 100 | 1.20 | 0.38 |
| TCUU98V-472 | 4.7 | 100 | 1.60 | 0.34 |
| TCUU98V-682 | 6.8 | 150 | 2.50 | 0.25 |
| TCUU98V-103 | 10.0 | 200 | 4.00 | 0.20 |
备注:测试频率:1.0kHz
允许电流值:当温度升到 40°C 的直流电流。(Ta=25°C )
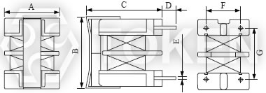
| EMI抑制器 滤波电感器 结构及尺寸(单位:mm) (TCUU98H) | |||||||
|
|||||||
| 型号 | A (max) | B (max) | C (max) | D | E | F | |
| TCUU98H | 15.5 | 16.5 | 12.5 | Φ0.6 | 7.0 | 8.0 | |
备注:可依客护特殊需求设计。
| EMI抑制器 滤波电感器 电子特性 at 25°C (TCUU98H) | ||||
| 产品料号 | 电感值 (mH)(min) | 电感公差 (µH max) | 直流阻抗 (Ω)(max) | 定格电流 (A)(max) |
| TCUU98H-471 | 0.47 | 25 | 0.15 | 1.00 |
| TCUU98H-681 | 0.68 | 25 | 0.25 | 0.85 |
| TCUU98H-102 | 1.0 | 50 | 0.35 | 0.70 |
| TCUU98H-222 | 2.2 | 50 | 0.7 | 0.50 |
| TCUU98H-392 | 3.9 | 100 | 1.20 | 0.38 |
| TCUU98H-472 | 4.7 | 100 | 1.60 | 0.34 |
| TCUU98H-682 | 6.8 | 150 | 2.50 | 0.25 |
| TCUU98H-103 | 10.0 | 200 | 4.00 | 0.20 |
备注:测试频率:1.0kHz
允许电流值:当温度升到 40°C 的直流电流。(Ta=25°C )
| EMI抑制器 滤波电感器 结构及尺寸 (单位:mm) (TCUU10) | ||||||||
|
||||||||
| 型号 | A (max) | B (max) | C (max) | D | E | F | G | |
| TCUU10 | 17.0 | 18.5 | 23.0 | 4.0 | Φ0.7 | 10.0 | 13.0 | |
备注:可依客护特殊需求设计。
| EMI抑制器 滤波电感器 电子特性 at 25°C (TCUU10) | ||||
| 产品料号 | 电感值 (mH)(min) | 电感公差 (µH max) | 直流阻抗 (Ω)(max) | 定格电流 (A)(max) |
| TCUU10-332 | 3.3 | 100 | 0.71 | 0.65 |
| TCUU10-682 | 6.8 | 200 | 1.26 | 0.435 |
| TCUU10-123 | 12.0 | 360 | 2.20 | 0.34 |
| TCUU10-223 | 22.0 | 440 | 3.64 | 0.25 |
| TCUU10-333 | 33.0 | 660 | 5.74 | 0.20 |
| TCUU10-513 | 51.0 | 1000 | 9.12 | 0.15 |
备注:测试频率:1.0kHz
允许电流值:当温度升到 40°C 的直流电流。(Ta=25°C )
| EMI抑制器 滤波电感器 结构及尺寸(单位:mm) (TCUU16) | ||||||||
|
||||||||
| 型号 | A (max) | B (max) | C (max) | D | E | F | G | |
| TCUU16 | 22.0 | 20.0 | 28.5 | 4.5 | Φ0.7 | 10.0 | 13.0 | |
备注:可依客护特殊需求设计。
| EMI抑制器 滤波电感器 电子特性 at 25°C (TCUU16) | ||||
| 产品料号 | 电感值 (mH)(min) | 电感公差 (µH max) | 直流阻抗 (Ω)(max) | 定格电流 (A)(max) |
| TCUU16-152 | 1.5 | 40 | 0.125 | 1.90 |
| TCUU16-402 | 4.0 | 60 | 0.27 | 1.20 |
| TCUU16-802 | 8.0 | 80 | 0.46 | 0.90 |
| TCUU16-203 | 20.0 | 150 | 1.60 | 0.50 |
| TCUU16-303 | 30.0 | 200 | 2.50 | 0.40 |
备注:测试频率:1.0kHz
允许电流值:当温度升到 40°C 的直流电流。(Ta=25°C )
| EMI抑制器 滤波电感器 结构及尺寸(单位:mm) (TCUT20) | ||||||||
|
||||||||
| 型号 | A (max) | B(max) | C(max) | D | E | F | G | |
| TCUT20 | 17.2 | 22.0 | 22.5 | 4.5 | Φ0.8 | 10.0 | 13.0 | |
备注:可依客护特殊需求设计。
| EMI抑制器 滤波电感器 电子特性 at 25°C (TCUT20) | ||||
| 产品料号 | 电感值 (mH)(min) | 电感公差 (µH max) | 直流阻抗 (Ω)(max) | 定格电流 (A)(max) |
| TCUT20-222 | 2.2 | 150 | 0.24 | 1.30 |
| TCUT20-392 | 3.9 | 150 | 0.41 | 1.00 |
| TCUT20-103 | 10.0 | 550 | 1.00 | 0.60 |
| TCUT20-183 | 18.0 | 600 | 1.63 | 0.50 |
| TCUT20-223 | 22.0 | 800 | 2.04 | 0.40 |
| TCUT20-333 | 33.0 | 800 | 3.42 | 0.30 |
备注:测试频率:1.0kHz
允许电流值:当温度升到 40°C 的直流电流。(Ta=25°C )
| EMI抑制器 滤波电感器 结构及尺寸(单位:mm) (TCET24B) | ||||||||
|
||||||||
| 型号 | A (max) | B(max) | C(max) | D | E | F | G | |
| TCET24B | 18.5 | 25.5 | 31.0 | 4.0 | Φ0.8 | 10.0 | 13.0 | |
备注:可依客护特殊需求设计。
| EMI抑制器 滤波电感器 电子特性 at 25°C (TCET24B) | ||||
| 产品料号 | 电感值 (mH)(min) | 电感公差 (µH max) | 直流阻抗 (Ω)(max) | 定格电流 (A)(max) |
| TCET24B-252 | 2.5 | 100 | 0.13 | 2.00 |
| TCET24B-352 | 3.5 | 150 | 0.18 | 1.70 |
| TCET24B-452 | 4.5 | 200 | 0.21 | 1.50 |
| TCET24B-103 | 10.0 | 300 | 0.47 | 1.00 |
| TCET24B-153 | 15.0 | 400 | 0.73 | 0.80 |
| TCET24B-203 | 20.0 | 600 | 0.87 | 0.70 |
| TCET24B-353 | 35.0 | 800 | 1.58 | 0.60 |
备注:测试频率:1.0kHz
允许电流值:当温度升到 40°C 的直流电流。(Ta=25°C )
| EMI抑制器 滤波电感器 结构及尺寸(单位:mm) (TCET24H) | ||||||||
|
||||||||
| 型号 | A (max) | B(max) | C(max) | D | E | F | G | |
| TCET24H | 18.5 | 25.5 | 31.0 | 4.0 | Φ0.8 | 10.0 | 13.0 | |
备注:可依客护特殊需求设计
| EMI抑制器 滤波电感器 电子特性 at 25°C (TCET24H) | ||||
| 产品料号 | 电感值 (mH)(min) | 电感公差 (µH max) | 直流阻抗 (Ω)(max) | 定格电流 (A)(max) |
| TCET24H-252 | 2.5 | 100 | 0.13 | 2.00 |
| TCET24H-352 | 3.5 | 150 | 0.18 | 1.70 |
| TCET24H-452 | 4.5 | 200 | 0.21 | 1.50 |
| TCET24H-103 | 10.0 | 300 | 0.47 | 1.00 |
| TCET24H-153 | 15.0 | 400 | 0.73 | 0.80 |
| TCET24H-203 | 20.0 | 600 | 0.87 | 0.70 |
| TCET24H-353 | 35.0 | 800 | 1.58 | 0.60 |
备注:测试频率:1.0kHz
允许电流值:当温度升到 40°C 的直流电流。(Ta=25°C )
| EMI抑制器 滤波电感器 结构及尺寸(单位:mm) (TCET28B) | ||||||||
|
||||||||
| 型号 | A (max) | B(max) | C(max) | D | E | F | G | |
| TCET28B | 22.0 | 31.0 | 35.5 | 4.0 | Φ0.8 | 10.0 | 13.0 | |
备注:可依客护特殊需求设计
| EMI抑制器 滤波电感器 电子特性 at 25°C (TCET28B) | ||||
| 产品料号 | 电感值 (mH)(min) | 电感公差 (µH max) | 直流阻抗 (Ω)(max) | 定格电流 (A)(max) |
| TCET28B-182 | 1.8 | 100 | 0.072 | 2.60 |
| TCET28B-682 | 6.8 | 200 | 0.23 | 1.60 |
| TCET28B-123 | 12.0 | 400 | 0.38 | 1.20 |
| TCET28B-223 | 22.0 | 500 | 0.65 | 1.00 |
| TCET28B-393 | 39.0 | 700 | 1.43 | 0.70 |
| TCET28B-683 | 68.0 | 850 | 1.82 | 0.60 |
备注:测试频率:1.0kHz
允许电流值:当温度升到 40°C 的直流电流。(Ta=25°C )
| EMI抑制器 滤波电感器 结构及尺寸(单位:mm) (TCET28H) | ||||||||
|
||||||||
| 型号 | A (max) | B(max) | C(max) | D | E | F | G | |
| TCET28H | 30.0 | 30.0 | 23.5 | 3.5 ± 0.5 | Φ0.8 ±0.1 | 24.0 ± 0.5 | 20.0 ± 0.5 | |
备注:可依客护特殊需求设计。
| EMI抑制器 滤波电感器 电子特性 at 25°C (TCET28H) | ||||
| 产品料号 | 电感值 (mH)(min) | 电感公差 (µH max) | 直流阻抗 (Ω)(max) | 定格电流 (A)(max) |
| TCET28H-182 | 1.8 | 100 | 0.072 | 2.60 |
| TCET28H-682 | 6.8 | 200 | 0.23 | 1.60 |
| TCET28H-123 | 12.0 | 400 | 0.38 | 1.20 |
| TCET28H-223 | 22.0 | 500 | 0.65 | 1.00 |
| TCET28H-393 | 39.0 | 700 | 1.43 | 0.70 |
| TCET28H-683 | 68.0 | 850 | 1.82 | 0.60 |
备注:测试频率:1.0kHz
允许电流值:当温度升到 40°C 的直流电流。(Ta=25°C )
| EMI抑制器 滤波电感器 料号标识 (TCUU98V,TCUU98H,TCUU10,TCUU16) | ||||||||||||||||||||||||||||
| TCUU98V | 471 | D | P | |||||||||||||||||||||||||
![]() | ![]() | ![]() | ![]() | |||||||||||||||||||||||||
|
|
|
|
|||||||||||||||||||||||||
| EMI抑制器 滤波电感器 料号标识 (TCUT20,TCET24B,TCET24H,TCET28B,TCET28H) | ||||||||||||||||||||||
| TCUT20 | 222 | P | ||||||||||||||||||||
![]() | ![]() | ![]() | ||||||||||||||||||||
|
|
|
||||||||||||||||||||