高频无感晶圆电阻 RFM

高频无感晶圆电阻 RFM

无感晶圆电阻器提供更多高频应用的选择。

高频无感晶圆电阻器 RFM 高频系列贴片型色环电阻,具备无感特性,适合于高频电路使用。阻值范围: 25Ω ~ 200Ω。阻值精度可达到 ±0.5%。散热性好,(70°C) 功率可达到 0.75W。体积小。对高频的射频降功耗小,有益于高频性能的稳定性和可靠性,是新一代表面贴装线路设计的优质选择。

晶圆电阻 MELF Resistor 又可称为无脚电阻、圆柱型电阻、或无引线电阻,主要用于表面贴装加工过程。晶圆无脚电阻与晶片(贴片)电阻,同样为表面贴装元件,晶圆电阻在功能上,机械结构上,电气特性上,安全性上,明显优于贴片(晶片)电阻,且杂音比厚膜晶片电阻器更低。

在高频电路设计时,解决寄生电感问题,晶圆无感电阻是最佳选择。传统电阻采用螺旋微调电阻值,易产生寄生电感,这于高频或脉冲应用时是不能接受的。 典型的应用是在电信设备和工业电子设备领域。

这些高稳定性,无感电阻的体积非常接近于贴片电阻,并保持其精确性和提供更高的稳定性,以及更宽广的温度范围。 尺寸范围从 5.7 x 2.1 mm RFM74 晶圆-0207,到 3.45 x 1.3 mm RFM73 晶圆-0204,小到 2.2 x 1.3 mm RFM72 晶圆-0102。

德铭特电子无感晶圆电阻生产是经严格的制程控制,遵循生产作业标准书,生产品质一致的产品。 德铭特采用金属合金薄膜特殊设计调值工艺,实现高频无感特性于高纯陶瓷棒。 保护涂层设计使 RFM 系列得以在机械、电气、和严苛气候下长期操作,元件的终端电极的纯锡电镀保持完美的可焊性。 第四,五个颜色代码环,指定了电阻值和容忍,符合 IEC 60062 标准。

德铭特的高频无感晶圆电阻 RFM 系列是 Vishay,Ohmite,IRC,松下理想的替代元件,并提供更有竞争力的价格和快速交货服务。 联系我们与您的特定需求。

下载 PDF 版本: 高频无感晶圆电阻 RFM

特性 :
  1. 专业射频高频应用的产品。
  2. 额定功耗于 70°C 达到 0.75W。
  3. 低电感量,非螺旋阻值微调的产品。
  4. 符合 RoHS 规范,Lead-Free 无铅标准。
  5. 适用于超过 GHz 的运作,卓越的整体稳定性。
  6. 公差范围: ±0.5% to ±5.0%; 电阻范围:25Ω 到 200Ω。
  7. 专业特殊金属膜技术,尺寸:DIN 0102, DIN 0204, DIN 0207。
常应用于:
  1. 医疗设备。
  2. 工业电子产品。
  3. 自动化设备控制器。
  4. 高频和脉冲加载应用。
  5. 测试及测量仪器设备。
  6. 消费产品,打印机设备。
  7. 通信设备,移动电话,GPS,掌上电脑。
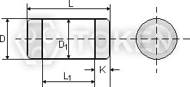
无感高频 (RFM) 尺寸及建议焊盘尺寸
无感高频晶圆 (RFM) 尺寸图
无感高频晶圆 (RFM) 尺寸图
无感高频晶圆电阻器 MELF (RFM) 建议焊盘尺寸
建议焊盘尺寸 (RFM)
型 号 RFM72 RFM73 RFM74 RFM75
Metric sizes DIN: 0102 DIN: 0204 DIN: 0207 DIN: 0207
尺寸 (单位: mm) L±0.2 2.2 3.45 5.7 6.0
L1±0.2 1.2 1.6 3.0 3.3
D±0.2 1.3 1.3 2.1 2.1
K±0.1 0.4 0.8 min 1.2 min 1.2 min
D1±0.1 D+0/D-0.15 D+0/D-0.25 D+0/D-0.3 D+0/D-0.3
建议焊盘尺寸和间距 (单位: mm) S 1.0 1.6 2.6 2.8
W 2.0 2.0 2.5 2.5
H 2.0 2.5 2.5 2.5
高频无感 (RFM) 电子特性
型 号 RFM72 RFM73 RFM74 RFM75
Metric sizes DIN: 0102 DIN: 0204 DIN: 0207 DIN: 0207
阻值范围 25Ω ~ 200Ω
工作环境温度 -55°C ~ 125°C
精 度 (%) D(±0.5);   F(±1.0);   J(±5.0)
温度系数 (PPM/°C) C1(±100);   C2(±50);   C3(±25);   C5(±15);   C6(±10)
额定功率 (W)   P70 0.125 0.25 0.5 0.75
工作模式 standard standard standard power
气候类型 (LCT/UCT/days) 55/125/56 55/125/56 55/155/56 55/155/56
最大阻值变化率 at P70,
ΔR/R max., after 1000h
≤0.5% for Tol.=±1%   &   ≤1% for Tol.=±5%
降功率 standard type linear from 70°C to 125°C
绝缘电压 500V
绝缘阻值 >1GΩ
高频无感 (RFM) 料号标识
RFM73 100R F C3 TR
型号
RFM72
RFM73
RFM74
RFM75
阻值 (Ω)
100R 100Ω
阻值精度 (%)
D ±0.5%
F ±1.0%
J ±5.0%
温度系数 (PPM/°C)
C1 ±100ppm/°C
C2 ±50ppm/°C
C3 ±25ppm/°C
C5 ±15ppm/°C
C6 ±10ppm/°C
包装方式
P 散装
TR 编带卷装