金属膜超精密晶圆电阻 RJM

金属膜超精密晶圆电阻 RJM

金属膜 MELF 精密精密电阻器提供更多的设计选项。

德铭特电子的 RJM 是专业的表面贴装薄膜精密电阻器(MELF 圆柱型电阻器),是要求可靠性和稳定性现代电子产品的最佳选择最。

德铭特金属膜 RJM 晶圆系列,采用先进薄膜技术,优越整体稳定性,广泛应用于高功率设备,是新一代表面贴装线路设计。 结合高可靠性及晶圆无引线设计,具有先进水平的精度和稳定性,是为首次实现轴向高精度薄膜电阻器。

晶圆电阻 MELF Resistor 又可称为圆柱型电阻、无脚电阻、或无引线电阻,主要用于表面贴装加工过程。晶圆无引脚电阻与晶片(贴片)电阻,同样为表面贴装元件,晶圆电阻在功能上,机械结构上,电气特性上,安全性上,明显优于贴片(晶片)电阻,且杂音比厚膜晶片电阻器更低。圆柱型MELF电阻主要适用于功率型/高压冲击型/精密型/安全性要求高的高阶电路中。

这种独特的组合使得产品非常适合于所有的应用要求,可以实现优异的可靠精度和稳定性。 典型的应用领域有电信、汽车、和医疗设备等,验证了其可靠性并反映了优秀性能水平。

德铭特的 RJM 精密晶圆电阻器可以替代 Vishay,Ohmite,IRC,松下等精密元件,并提供更有竞争力的价格和快速交货服务。
联系我们与您的特定需求。

下载 PDF 版本: 金属膜超精密晶圆电阻 RJM

特性 :
  1. 纯锡端子及镍阻隔层。
  2. 非常高的性能价格比。
  3. 压入式铁帽,镀锡于镍皮。
  4. 高精度公差低至 ± 0.05 %。
  5. 兼容无铅(Pb),及含铅焊接工艺。
  6. 优越的整体稳定,最先进的薄膜技术。
  7. 尺寸:DIN 0102, DIN 0204, DIN 0207, DIN 0411。
  8. 温度系数低至 ± 5ppm/°C,宽广阻值范围:0.1Ω to 22MΩ。
常应用于:
  1. 医疗电子。
  2. 测量和校准设备。
  3. 工业制程控制系统。
  4. 航天和飞机电子设备。
  5. 测试与测量仪器。
  6. 电子电信设备。
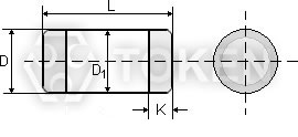
RJM 金属膜晶圆系列 尺寸及建议焊盘尺寸
超精密无引线电阻 (RJM) 尺寸图
超精密无引线电阻 (RJM) 尺寸图
建议焊盘尺寸 (RJM)
建议焊盘尺寸 (RJM)
型 号 RJM72P RJM73P RJM73M RJM74S RJM74P RJM16M RJM17M RJM18M
Metric type DIN: 0102 DIN: 0204 DIN: 0207 DIN: 0309 DIN: 0411
尺寸 (单位: mm) L(±0.3) 2.0 3.5 3.5 5.7 6.0 8.7 11.8
D(±0.3) 1.25 1.3 1.3 2.1 2.1 3.1 3.6
K(±0.2) ≥0.4 ≥0.6 ≥0.6 ≥0.6 ≥0.6 ≥1.0 ≥1.0
D1(±0.1) ≥D-0.1 ≥D-0.2 ≥D-0.2 ≥D-0.3 ≥D-0.3 ≥D-0.4 ≥D-0.4
建议焊盘尺寸和间距 (单位: mm) S 1.3 1.5 1.5 2.8 3.2 5.6 8.2
W 2.0 1.6 3.0 3.0 3.5 4.0 5.0
H 1.3 1.6 3.0 3.0 3.5 4.0 5.0
RJM 金属膜晶圆系列 电子特性
型 号 RJM72P RJM73P RJM73M RJM74S RJM74P RJM16M RJM17M RJM18M
Metric type DIN: 0102 DIN: 0204 DIN: 0207 DIN: 0309 DIN: 0411
额定功率 (W)   P70 0.125W 0.25W 0.5W 0.25W 0.50W 1.0W 2.0W 3.0W
阻值范围 (Ω) 10 ~ 1M 10 ~ 10M
精度 (%) J ( ±5 ); F ( ±1 ); D ( ±0.5 ); C ( ±0.25 ); B ( ±0.10 ); A5 ( ±0.05 )
温度系数 (ppm/°C) C1 ( ±100 ); C2 ( ±50 ); C3 ( ±25 ); C5( ±15 ); C6 ( ±10 ); C7 ( ±5 )
气候类型 (LCT/UCT/days) 55 / 125 / 56
工作电压   Umax 150V 200V 250V 250V 300V 350V 400V 450V
工作环境温度 -55°C to 125°C
绝缘电压 (V) 300 500 500 500 600 700 800 900
绝缘阻抗 >1GΩ
备注: 德铭特可以提供精度和温度系数选配服务。
RJM 金属膜晶圆系列 料号标识
RJM74P 10R D C6 P
型号
RJM72P
RJM73P
RJM73M
RJM74S
RJM74P
RJM16M
RJM17M
RJM18M
阻值 (Ω)
0R1 0.1Ω
10R 10Ω
100R 100Ω
1K 1KΩ
10K 10KΩ
100K 100KΩ
1M 1MΩ
10M 10MΩ
阻值精度 (%)
J ±5%
F ±1%
D ±0.5%
C ±0.25%
B ±0.10%
A5 ±0.05%
温度系数 (PPM/°C)
C1 ±100ppm/°C
C2 ±50ppm/°C
C3 ±25ppm/°C
C5 ±15ppm/°C
C6 ±10ppm/°C
C7 ±5ppm/°C
包装方式
P 散装
TR 编带卷装