平面厚膜无感功率电阻器 (TAP120)

平面厚膜无感功率电阻器 (TAP120)

德铭特新型 (2~4) 端子平面无感厚膜大功率电阻器增强调节功率峰值稳定性。

德铭特电子致力于厚膜无感电阻器的开发, 特别专注于小型化大功率型元器件研发。

平面无感厚膜(TAP120)高功率电阻器采用高强度塑外壳 SOT227 封装,底板电阻层为高级氧化铝陶瓷,可优化放电效应和改善热传导。外壳用环氧树脂填封装,使端子之间的空气距离大,达到高绝缘电阻。

功率电阻器 (TAP120) 调节功率峰值,例如当高端电子设备打开和关闭时发生的功率峰值,并且它们转移功率浪涌。它们还有助于调节电动机的转速,例如用于工业设备和有轨电车和机车等车辆的电动机的转速。在电场和变电站中,它们帮助实现以直流为基础产生的能量的传输。

厚膜电阻器 (TAP120) 系列提供 4 种连接组成选项。工作电压可达1500伏,精密度公差为0.5%、1%、2%、5%、10%。当底板的中心温度低于 85°C 时,Type 1和 Type 2 型仍可保持 120W 的全功率。

可依客户规格订制生产规格以外的产品,以满足不同客户的要求。请与德铭特电子业务联系。

下载 PDF 版本: 平面厚膜无感功率电阻器 (TAP120) PDF

特性 :
  1. 厚膜无感。
  2. 体积小,功率大。
  3. 稳定性高,阻值范围宽。
  4. 高绝缘和局部放电性能。
应用 :
  1. 变速驱动器。
  2. 电源、控制装置。
  3. 电信、机器人技术。
  4. 电机控制和其他开关设备。
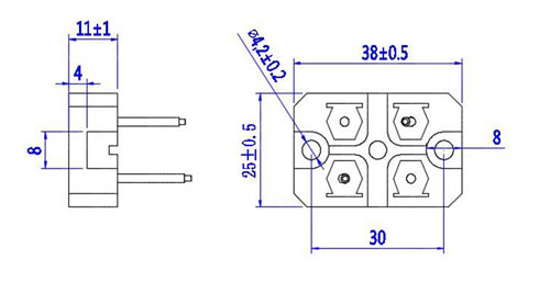
(TAP120) 尺寸 (单位: mm)
功率厚膜无感电阻 (TAP120)
厚膜无感功率电阻 (TAP120) 尺寸(单位: mm)
功率厚膜无感电阻类别
厚膜无感功率电阻 (TAP120) 结构尺寸图 (未注明公差: ±0.3mm)
(TAP120) - 电气特性规格
电气特性 标称值
额定功率 W (底板中心温度 ≤ 85°C) 120W
阻值范围 (Ω) 0.1Ω ∼ 1MΩ
阻值公差 (%) ±0.5% ∼ ±10%
温度系数 TCR (ppm/°C) (25°C~105^°C) ±50 ppm/°C, ±100 ppm/°C, ±300 ppm/°C
最大工作电压 (VDC) 1500V
引线材料 硅胶线/电子线
绝缘电阻 500V, ≥10GΩ
安装扭矩 M4 螺丝最大1.5Nm
工作温度范围 (°C) -55°C ∼ +125°C
(TAP120) - 测试条件
测试项目 测试方法 性能要求
短时间过负荷 JIS-C-5201-1 4.13
1.5P 不超过 1.5 Umax 5s.
ΔR/R ≤±(0.3%+0.1Ω).
绝缘阻抗 JIS-C-5261 6-1 500VDC. 10GΩ 最小.
绝缘耐压 JIC-C-5261 7-1 施以 3000 VAC 或 5000VDC 于
端子与引线中间 1 分钟.
无明显外观或结构变形.
振动测试 JIS-C-5261 6-6
50HZ 振幅2mm,持续 4h.
ΔR/R≤±(0.1%+0.1Ω).
负载寿命 JIS-C-5261 7-7
额定功率 2000Hrs, 底板中心温度 < 85°C.
ΔR/R≤±(1%+0.1Ω).
冷热冲击 JIS-C5201-1 4.19
-55°C ~ 125°C, 5 次循环.
ΔR/R≤±(0.3%+0.1Ω).
稳态湿热 JIS-C5201-1 4.24
+40°C, RH≥95% for 96Hr.
ΔR/R≤±(0.25%+0.1Ω).
(TAP120) - 降额曲线
(TAP120) 降额曲线 (TAP120) 降额曲线图
平面厚膜无感功率电阻 (TAP120) 系列 - 功率塑封模压电阻 料号标识
TAP120 1 D 10R K
型号
TAP120
功率 (W)
1 Type 1, 120W
2 Type 2, 120W
3 Type 3, 40W x 2
4 Type 4, 40W x 2
TCR (ppm/°C)
D ±50ppm
E ±100ppm
G ±300ppm
阻值 (Ω)
10R 10Ω
100R 100Ω
1K 1000Ω
1M 1000000Ω
阻值公差 (%)
K ±10%
J ±5%
G ±2%
F ±1%
D ±0.5%