椭圆电阻 扁型电阻 扁平电阻 扁形电阻 扁管电阻 (ZR)

超薄功率线绕云母板电阻器 - (ASM)

德铭特电子推出高功率超薄尺寸,高电流云母板扁平制动电阻器(ASM)系列。为设计人员提供节省空间设计标准的低成本选择,德铭特 (ASM) 超薄型云母板电阻器采用扁平绕线技术,可改善低电流损耗,在相同的封装大小下,具有出色的热稳定性能和功率容量。

云母板电阻 (ASM) 的结构紧凑扁平超薄,电阻丝缠绕在云母基板上,两侧用云母片绝缘。为了确保电阻器的对称扩展和对高负载脉冲的最大稳定性,该器件采用铝和锌制成的薄金属合金外壳封装。针对电阻绕组,我们使用由 CuNi、NiCr、或 CrAl 合金组成的高品质带状电阻线。这确保电阻器元件达到其最大脉冲负载。

由于其外形超薄扁平,(ASM) 云母板功率电阻器可以轻松安装在电压频率转换器 (VFC) 的背面。特别是,(ASM) 可提供足够的给定空间,非常适合当作内部制动电阻使用,及作为变频器的串联电阻器,当中间电路电容器充电时的电流限制。可作为负载组、动态制动、电机控制或保护电阻器的进一步应用。亦可通过强制空气冷却或将电阻器安装在散热器上可以改善额定负载。

扁平云母板电阻器 (ASM) 提供 100W,200W,300W,400W 四种功率选择。1Ω 至10KΩ 阻值范围,温度系数 TCR ±260ppm /°C。该器件的工作温度范围为 -55°C 至 +275°C,精度公差为 ±5%和 ±10%,符合 RoHS 指令和无铅标准。

如需指定功率负载和制动应用,请联系德铭特电子。对于每种载荷情况,对于每个负载情况,可以计算热模拟以确定给定应用的适用性。也可根据要求定制设计。

下载 PDF 版本: 制动功率线绕云母板电阻器 (ASM)。

特性 :
  1. 卓越的高温负载性能,低电流损耗,优异的机械强度。
  2. 绝热绝缘,高介电强度,低吸湿性,优良的热稳定性。
  3. 产品扁,平,薄,尺寸小,成本效益及性价比高。
  4. 散热器在使用时必须按要求安装。
应用 :
  1. 适用于功率电源,配电,负载测试,变频电源等。
  2. 适用于工业控制系统的驱动和制动部分。
结构尺寸 (单位 : mm)
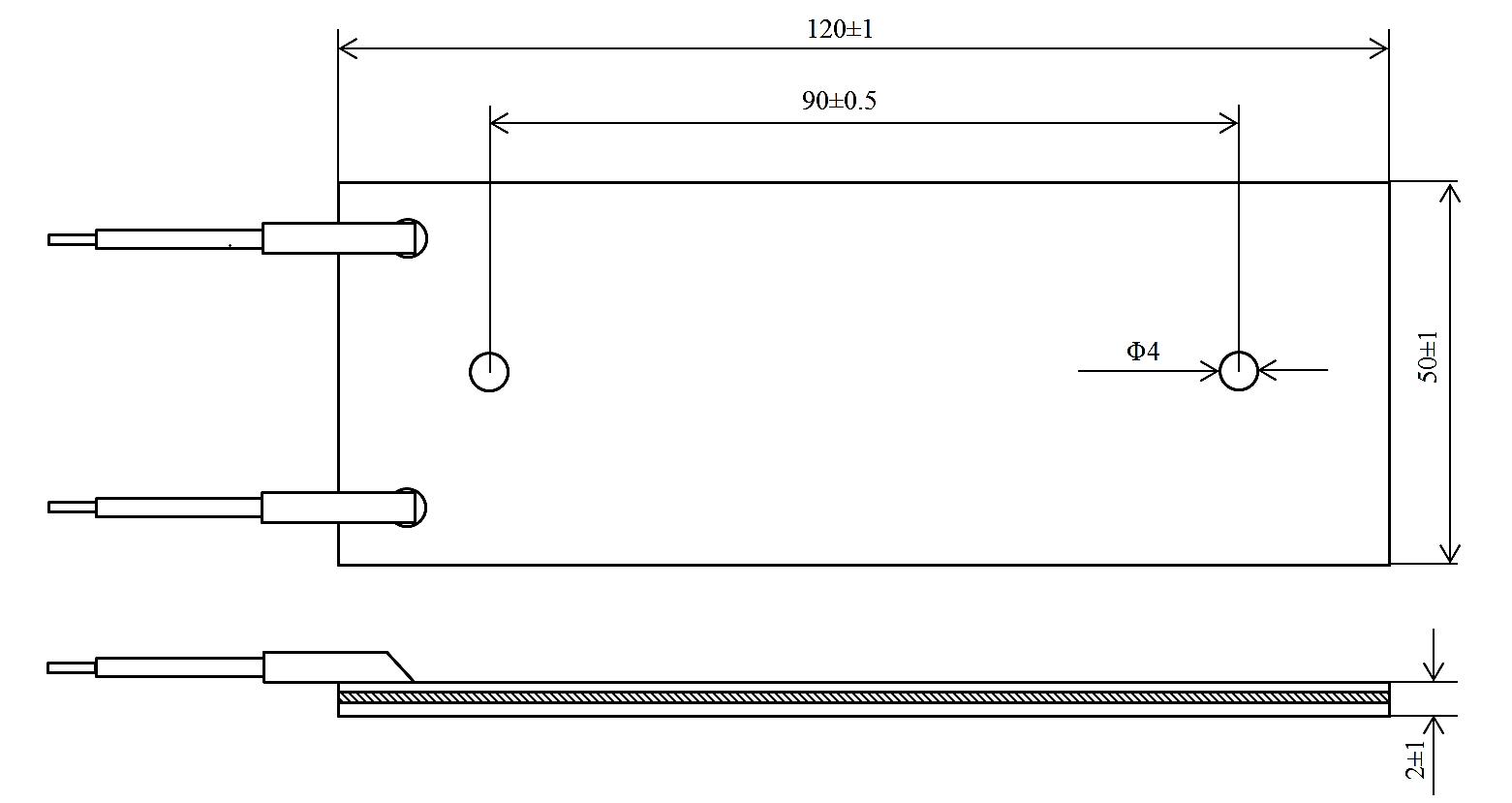
ASM-5002-100W 制动功率线绕云母板电阻器 尺寸
ASM-5002-100W 制动功率线绕云母板电阻器 尺寸
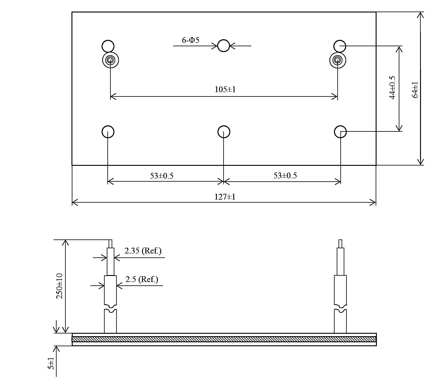
ASM-6405-200W 功率线绕云母板制动电阻器 尺寸
ASM-6405-200W 功率线绕云母板制动电阻器 尺寸
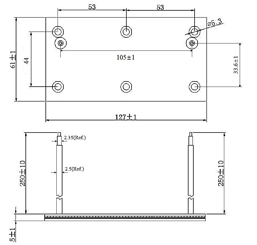
ASM-6405-300W 线绕云母板制动功率电阻器 尺寸
ASM-6405-300W 线绕云母板制动功率电阻器 尺寸
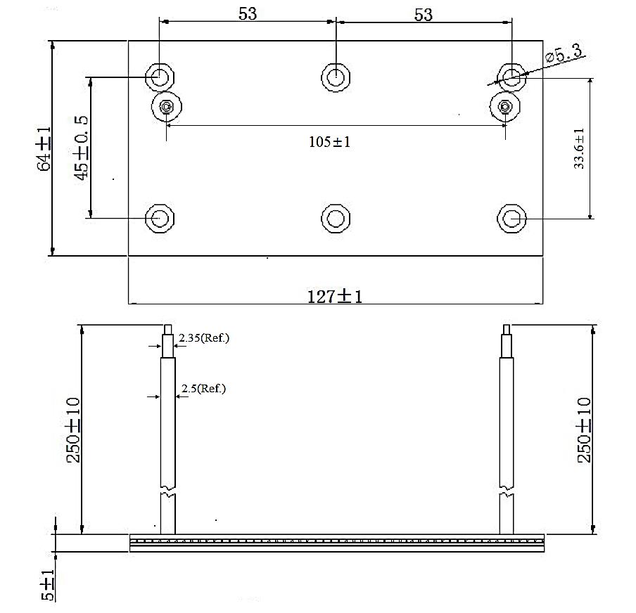
ASM-6105-400W 云母板制动功率线绕电阻器 尺寸
ASM-6105-400W 云母板制动功率线绕电阻器 尺寸
规格 额定功率 (W) 阻值范围 (Ω) 精度公差 (%) 温度系数 (ppm/°C) 最大操作电压 最大过负载电压 绝缘电压 操作温度
ASM-5002 100W 1~10K J(±5%), K(±10%) ±260 PR 5PR 1500VAC -55 ~ +275°C
ASM-6405 200W 1~10K J(±5%), K(±10%)
ASM-6405 300W 1~10K J(±5%), K(±10%)
ASM-6105 400W 1~10K J(±5%), K(±10%)
电气特性 (ASM)
No. 测试项目 测试方法 性能
1 最大操作电压
Operating Voltage Max
- PR
2 最大过负载电压
Overload Voltage Max
- 5PR
3 绝缘电压
Insulation voltage
- 1500VAC
4 温度系数 TCR 在室温下测量受测电阻器的阻值,将其连续放入-55°C 和 125°C 的恒温室中,然后分别在 30-50 分钟后测量电阻。 ±260ppm/°C
5 端子强度
Terminal strength
电阻器主体应牢固安装,在引线方向上施加 8kg 的预定直接拉力,每次保持一端 10±1 秒。试验后,电阻器无明显损坏,电阻变化不大于 ± (1.0%R+0.05Ω)。 ΔR≤±(1.0%R+0.05Ω)
6 耐高温性能
High temperature resistance
将电阻器放在恒温器中; 将其升至 275±5°C,保持2小时,然后冷却至室温。 电阻器的外观应无机械损坏。 ΔR≤±(1.0%R+0.05Ω)
7 耐压测试
Withstand voltage
电阻器通常安装在金属板上。 金属板应大于电阻体。施加 1500AC 1 分钟,并在连接在一起的端子和金属安装板之间施加电压。 电阻应无损坏,电弧,闪烁和绝缘击穿。 ΔR≤±(1.0%R+0.05Ω)
8 绝缘电阻
Insulation resistance
DC 500V,端子与外壳之间的绝缘电阻 ≥100MΩ。 干燥的条件:R≥100MΩ;
湿度测试后:R≥100MΩ
9 热冲击测试
Thermal shock
电阻器固定安装在规定的铝制底盘上。电阻器应通风良好。 施加电源的额定电压,直至达到热稳定性。然后切断电压。 在 8 到 12 秒内,将电阻器置于 -55±5°C 的恒温室中 15 至 30 分钟。移除2小时后,再次测量电阻。 试验前后的阻力变化不应大于:± (1.0% R + 0.05 Ω)。 电阻应无机械损坏。 ΔR≤±(1.0%R+0.05Ω)
10 短时间过负载
Short-time overload
电阻器固定安装在规定的铝制底盘上。 电阻器应通风良好。 施加 5 倍电源额定功率 5 秒钟。 在电阻器稳定在室温后,测量电阻。试验前后的阻值变化不应大于:± (1.0% R + 0.05 Ω)。 电阻器应无电弧,烧焦和炭化。 ΔR≤±(1.0%R+0.05Ω)
11 防潮性测试
Moisture resistance
MIL-STD-202 端子应无裂缝,裂缝,松动或腐蚀。 绝缘电阻不应小于 100MΩ。 ΔR≤±(1.0%R+0.05Ω)
12 长时间负载测试
Long-time life
电阻器固定安装在规定的铝制底盘上。 电阻器应通风良好。 施加电源的额定电压为 1000h,1.5h 开和 0.5h 关。 电阻应无机械损坏。 绝缘电阻值不应小于 100MΩ。 ΔR≤±(1.0%R+0.05Ω)
13 冲击测试
Impact Test
测试电阻应采用 MIL-STD-202 的 213 方法。 测试条件的符号为 I,加速度:100 g,脉冲持续时间:6 ms,锯齿波。 试验后,电阻应无明显损坏,电阻应能满足规定的介电压力要求。 ΔR≤±(1.0%R+0.05Ω)
14 高频振动
High frequency vibration
MIL-STD-202,方法 204。振动台的振动频率从 10Hz 逐渐增加到 2000Hz,然后从 2000Hz 逐渐减小到 10Hz。 频率变化在 20 分钟内完成,振幅应为 1.5mm。 根据上述方法,在三个方向中的每个方向上扫描 X,Y 和 Z 轴 12 次。 总持续时间约为12小时。 电阻器应无机械损坏,并应能满足规定的介电压力要求。 ΔR≤±(1.0%R+0.05Ω)
降额曲线 (ASM)
ASM Power Mica Resistor Derating Curve
制动云母板电阻器 料号标识 (ASM)
ASM-6105 400W 20R J
规格
ASM-5002
ASM-6405
ASM-6405
ASM-6105
额定功率 (W)
100W
200W
300W
400W
阻值 (Ω)
20R 20Ω
1K 1KΩ
10K 10KΩ
精度公差 (%)
J ±5%
K ±10%