铝壳电阻 黄金铝壳电阻 铝盒电阻 (AH)

铝壳电阻 黄金铝壳电阻 铝盒电阻 (AH)

出色的功率型散热片黄金铝盒电阻器 + 卓越的高精密型铝壳电阻器。

德铭特电子 AH 功率型系列黄金铝壳电阻器,外壳采用铝合金制造,表面具有散热沟槽,体积小,功率大,耐高温,过载能力强,具有耐气候性、高精度,标准低电感电阻,高稳定,强架构,其变通性佳多重组合选择,有利于机械保护,更方便使用者安装。

适用于电源、变频器、伺服器、及恶劣环境下高要求应用,使用寿命长。阻值公差为 10%,5%,2%,1%,0.5%,0.25%,0.1%,并可根据需要进行大功率型号组装。亦可根据客户需求规格订制专门的电阻器,且可以组合成大功率型、或大电力型的电阻箱。

德铭特电子黄金铝盒电阻器 AH 系列,因其功耗大,体积小,具有耐气候性,工作温度范围 -55°C to +275°C,常作为大功率型电阻使用,如煞车电阻器、老化电阻器、铝外壳散热电阻器、制动电阻器、泄放电阻器。

黄金铝壳电阻器 AH 系列,严紧公差精度达 ±0.1%,温度系数 (TCR) 稳定至 ±25 PPM/°C,也是作为电流感侧电阻器、高精密电阻器,最理想的选择。德铭特 AH 系列由于阻抗元器件完成封装在阳极氧化铝架构内,其额定热点远低于标准值。其高性能全焊接结构,保证长期稳定的重负载的螺纹栓轴端子。

德铭特 AH 黄金铝壳电阻系列符合 RoHS 和无铅标准。对于规格外参数和客户定制的特殊应用,请与德铭特业务部门联系,商讨细节。

下载 PDF 版本: 铝壳电阻 黄金铝壳电阻 铝盒电阻 (AH)

无电感量特性:
  1. 可提供 Ayrton Perry 无电感量线绕工艺生产。当需要时,请于料号标识编号后加上“N”。
  2. 标准绕组及无电感量绕组,两种都具有相同的功能特性,小尺寸、高功率、坚固结构、和超精密。
  3. 铝外壳可以安装散热片,以求达到最高的散热效果。
原材料:
  1. 元素:铜和镍合金,镍铬合金或锰铜。
  2. 外壳:铝硬质阳极涂层;       核心:氧化铝或陶瓷。
  3. 密封材料: S - 矽树脂;C: 水泥填充;     端盖:不锈钢。
  4. AHS 标准端子:
    5W ~ 150W 镀锡端子,200W ~ 500 W 螺纹端子。
  5. AHC 标准端子:
    5W ~ 50W 镀锡端子,80W ~ 300 W 螺纹端子。
通用规格:
  1. 工作温度范围: -55°C to +275°C。
  2. 额定功率范围: 5W ~ 500W 有 AHS: 11 种, AHC: 6 种可供选择。
  3. 严紧阻值公差: ±0.1%,±0.25%,±0.5%,±1%,±2%,±5%,±10%。
  4. 卓越温度系数: ±25 PPM/°C,±50 PPM/°C,±100 PPM/°C,±250 PPM/°C。
黄金铝盒 (AHS-5, AHS-5N, AHS-10, AHS-10N, AHS-25, AHS-25N, AHS-50, AHS-50N) 尺寸
黄金铝盒电阻器 (AHS) 尺寸图
黄金铝盒电阻器 (AHS) 尺寸图
类型 A B C D E F G H J Φ L Φ M Φ N P
± 1.0 ± 1.0 ± 1.0 ± 2.0 ± 1.0 ± 1.0 ± 1.0 ± 0.8 ± 1.0 ± 0.8 ± 0.8 ± 0.8 Ref.
AHS-5
AHS-5N
11.4 12.5 15.5 31 8.5 16 8 1.5 4.4 2.2 1.2 1.3 8
AHS-10
AHS-10N
14 16 19.5 40.5 11.2 21 10 2 5 2.5 2 2.2 10.5
AHS-25/30
AHS-25/30N
18.3 20 27 48 14.3 27 13 2 7 3.5 2 2.2 10.5
AHS-50
AHS-50N
40 22 50 71 16.3 29 15.5 2 7.3 3.5 2 2.2 10.5

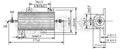
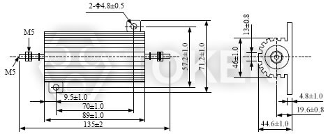
黄金铝盒 (AHS-75, AHS-75N, AHS-100, AHS-100N, AHS-150, AHS-150N) 尺寸
黄金铝盒电阻器 (AHS) 尺寸图
黄金铝盒电阻器 (AHS) 尺寸图
类型 A B C D E F G H J Φ L M Φ N
± 1.5 ± 1.5 ± 2.0 ± 2.0 ± 1.5 ± 1.5 ± 1.5 ± 0.8 ± 1.5 ± 1.2 ± 0.8 ± 0.8
AHS-75
AHS-75N
23.5 37 65.5 90 27 48 26 3.5 12 4.5 3 2.7
AHS-100F
AHS-100FN
35 37 98 119 27 48 26 3.5 11.5 4.5 2 2.7
AHS-150
AHS-150N
52 37 130 151 27 48 26 3.5 11.5 4.5 3 2.7

黄金铝盒 (AHS-200, AHS-200N, AHS-250F, AHS-250FN, AHS-300, AHS-300N, AHS-500, AHS-500N) 尺寸
黄金铝盒电阻器 (AHS) 尺寸图
黄金铝盒电阻器 (AHS) 尺寸图
类型 A B C D E F G H J Φ M Φ N
± 2.5 ± 2.5 ± 3.5 ± 2.5 ± 2.5 ± 3.5 ± 2.5 ± 1.5 ± 2.0 ± 1.5 ± 1.5
AHS-200
AHS-200N
35 58 92 151 46.5 72 45 5 20 M5 5.5
AHS-250F
AHS-250FN
45 60 112 165 46.5 73 45 5 21 M6 5.5
AHS-300
AHS-300N
51 58 130 178 46.5 73 45 5 21 M6 5.5
AHS-500
AHS-500N
87 58 204 244 46.5 73 45 5 21 M6 5.5

黄金铝盒 (AHS-250, AHS-250N) 尺寸
黄金铝盒电阻器 (AHS) 尺寸图
黄金铝盒电阻器 (AHS) 尺寸图
黄金铝盒 (AHC-5, AHC-5N, AHC-10, AHC-10N, AHC-25, AHC-25N, AHC-50, AHC-50N) 尺寸
黄金铝盒电阻器 (AHS) 尺寸图
黄金铝盒电阻器 (AHC) 尺寸图
类型 A B C D E F G H J Φ L Φ M Φ N P
± 1.0 ± 1.0 ± 1.0 ± 2.0 ± 1.0 ± 1.0 ± 1.0 ± 0.8 ± 1.0 ± 0.8 ± 0.8 ± 0.8 Ref.
AHC-5
AHC-5N
10 12.5 15 25 8.5 16.5 8 1.5 4 2 1.2 1.3 5
AHC-10
AHC-10N
14 15.5 19 32 10.5 20 10 2 5 2 2 2.2 6
AHC-25
AHC-25N
18 19 27 47 15 27 15.5 2 7 3.2 2 2.2 10
AHC-50
AHC-50N
39 21 50 70 15 29 15.5 2 7 3.2 2 2.2 10

黄金铝盒 (AHC-80, AHC-80N, AHC-100S, AHC-100SN) 尺寸
黄金铝盒电阻器 (AHS) 尺寸图
黄金铝盒电阻器 (AHC) 尺寸图
类型 A B C D E F G H J Φ L Φ M
± 1.5 ± 1.5 ± 2.0 ± 2.0 ± 1.5 ± 1.5 ± 1.5 ± 0.8 ± 1.5 ± 1.2 ± 1.5
AHC-80
AHC-80N
35 37 66 102 28 47 25 3.5 12 4.5 M5
AHC-100S
AHC-100SN
35 37 66 102 28 47 25 3.5 12 4.5 M5

黄金铝盒 (AHC-100, AHC-100N) 尺寸
黄金铝盒电阻器 (AHS) 尺寸图
黄金铝盒电阻器 (AHC) 尺寸图

黄金铝盒 (AHC-250, AHC-250N, AHC-300, AHC-300N) 尺寸
黄金铝盒电阻器 (AHS) 尺寸图
黄金铝盒电阻器 (AHC) 尺寸图
黄金铝壳 (AHS) 性能规格
类型 种类 额定功率 (W) 阻值范围 (Ω) 阻值公差 (%) 最大工作电压 (V) 最大
重量
(g)t
铝外壳散热片
AHS
有感
AHSN
无感
AHS AHSN AHS AHSN 面积 (cm2) 厚度 (mm)
AHS-5 RE60 5 0.01R~3K 0.01R~750R B (±0.1%)
C (±0.25%)
D (±0.5%)
F (±1%)
G (±2%)
J (±5%)
K (±10%)
F (±1%)
G (±2%)
J (±5%)
K (±10%)
( P * R ) 3 415 1
AHS-10 RE65 10 0.01R~5K 0.01R~1K25 6 415
AHS-25 RE70 25 0.01R~10K 0.01R~2K 11 535
AHS-30   30 0.01R~10K 0.01R~2K 18 535
AHS-50 RE75 50 0.01R~10K 0.01R~2K 30 995
AHS-75   75 0.01R~20K 0.5R~5K 90 995 3
AHS-100 RE77 100 1R~30K 1R~7K 265 2780
AHS-150   150 1R~40K 1R~10K 265 995
AHS-200   200 1R~50K 1R~12K 420 3750
AHS-250 RE80 250 1R~50K 1R~12K 510 4900
AHS-250F RE80 250 1R~50K 1R~12K 480 4765
AHS-300   300 1R~50K 1R~12K 580 5780
AHS-500   500 1R~50K 1R~12K 970 8500
黄金铝壳 (AHC) 性能规格
类型 种类 额定功率 (W) 阻值范围 (Ω) 阻值公差 (%) 最大工作电压 (V) 最大
重量
(g)t
铝外壳散热片
AHC
有感
AHCN
无感
AHC AHCN AHC AHCN 面积 (cm2) 厚度 (mm)
AHC-5 RE60 5 0.1R~3K 0.1R~750R B (±0.1%)
C (±0.25%)
D (±0.5%)
F (±1%)
G (±2%)
J (±5%)
K (±10%)
F (±1%)
G (±2%)
J (±5%)
K (±10%)
( P * R ) 6 415 1
AHC-10 RE65 10 0.1R~5K 0.1R~1K25 11 415
AHC-25 RE70 25 0.1R~10K 0.1R~2K 20 535
AHC-50 RE75 50 0.1R~10K 0.1R~2K 30 995
AHC-80   75 0.1R~20K 0.5R~5K 90 995
AHC-100S   100 1R~30K 1R~7K 160 2780 3
AHC-100 RE77 100 1R~3K 1R~3K 100 995
AHC-250 RE80 250 1R~3K 1R~3K 480 4900
AHC-300   300 1R~3K 1R~3K 580 5780
表面温度与功率负载 (散热板) 曲线图 (AH)
(AH) 表面温度与功率负载(散热板)曲线图
(AH) 表面温度与功率负载(散热板)曲线图

环境温度 降额曲线 (AH)
(AH) 环境温度 降额曲线
(AH) 环境温度 降额曲线

降额曲线于环境温度高于 25°C, 惨附图。 所有安装指定散热片类型的铝外壳曲线。
曲线 A, B, C 未散热片类型。 曲线 A: AH 5W 和 AH 10W 单元, 未安装散热片。
曲线 B: AH 25W 单元, 未安装散热片。
曲线 C: AH 50W, AH 100W 和 AH 250W 单元, 未安装散热片。


散热片 降额曲线 (AH)
(AH) 散热片 降额曲线
(AH) 散热片 降额曲线

当散热片的面积缩小,曲线降额。
Curves A: AH-5 和AH-10 尺寸。
Curves B: AH-25 尺寸。
Curves C: AH-50, AH-100 和 AH-250 尺寸。

功率铝盒 (AH) 电器特性条件
参数 测试条件 规格
温度系数 T.C.R. 室温 /100°C 以上. ±25, 50, 100, 250ppm/°C
短时间过载 5 × 额定功率-5sec. Δ R±(2%+0.05Ω)Max.
振动 10~50~10Hz/Min -X- Y- Z Axis 2 Hours each. Δ R±(0.2%+0.05Ω)Max.
负载寿命 额定负载 (底盘安装) (1.5 Hour on 0.5 Hour OFF) 重复 1000 小时 Δ R±(5%+0.05Ω)Max.
引出端强度 (1) 扭转测试 (30 sec Min)
AH-5: 1kg, AH-10: 2.3kg, AH-25, AH-50: 4.5kg
(2) 扭转测试 (5~15sec)
AH-100: 27kg-cm, AH-250: 36kg-cm
Δ R±(0.2%+0.05Ω)Max.
介质耐压 AHS-5 AHS-10 AHS-25 1000V
AHS-30, AHS-50, AHS-75, AHS-100 2000V
AHS-150, AHS-200, AHS-250, AHS-300, AHS-500 2500V
Δ R±(0.5%+0.05Ω)Max.
AHC-5 AHC-10 AHC-25 800V
AHC-50, AHC-80, AHC-100 1000V
AHC-250, AHC-300 2500V
绝缘阻抗 在同样的介质耐压测试条件下, 加载500V和绝缘性阻值测试 AHS: 1000 MΩ Min.
AHC: 100 MΩ Min.
温度系数阻值 温度 40°C 湿度 95% DC 100V 100 Hrs. Δ R±(5%+0.05Ω)Max.
温度负载测试 90% 湿度, 40°C温度, 1/10 × 额定功率 (1.5 开-0.5 关), 重复 200 小时. Δ R±(5%+0.05Ω)Max.
抗焊接温度 350°C ± 10°C 持续 3±0.5 秒 Δ R±(1%+0.05Ω)Max.
铝壳电阻 (AH) 料号标识
AH S 10/10N 20Ω D
型号
AH
材料类型
S Silicone
C Cement
额定功率 (W)
10 10W
10N 10W
250 250W
250N 250W
N 无感量
F 客制化
S 小型化
阻值 (Ω)
R51 0.51Ω
5R1 5.1Ω
51R 51Ω
510R 510Ω
5K1 5.1KΩ
阻值公差 (%)
B ±0.10%
C ±0.25%
D ±0.5%
F ±1%
G ±2%
J ±5%
K ±10%