
德铭特片式薄膜电感器为设计人员在极高频率处理,提供一个很好的解决方案。薄膜电感器 (TRAL) 的性能优势,对于实现某一特定电路功能,可以减少所需的元件数量。通过减少所用的元件数量,可以减小设计尺寸,还能节省组装时间和降低组装费用,同时提高产品的可靠性。由于薄膜元器件的电气性能更加稳定,损耗更低,因此产品的整体电气性能也得到提升。
薄膜电感与空芯电感相比,薄膜电感具备许多实用的优点(虽然它们无法达到相同的Q值)。在表面贴装的过程中,薄膜电感要比空气芯电感更便于抓取和放置。同时,在处理过程中以及搬运和强震动环境中,都能够保持电感值不变。虽然不能像空气芯电感可以在电路中进行调谐,但是一旦确定了实现一定电路功能所需要的准确电感值,就可以使用薄膜电感来替代空气芯电感。
得益于德铭特的线宽控制以及高绝缘积层的质量/精度,贴片薄膜电感的 ESR(等效串联电阻)和损耗显著降低。这使得成品尺寸可以缩小到 0402 封装,并可以实现大部分所需的电感值。此外,稳定的金属化工艺使得薄膜电感具备了较高的载流能力:不同产品之间载流能力存在差别,最高可达 800mA。
薄膜贴片系列,采用光蚀刻单层陶瓷基板,高共振频率,高 Q 值,高稳定性、高精密度 ±1%,±0.1nH,频率控制范围在 10%、稳定的高频电路电感量,高稳定设计。广泛使用在移动电话,全球定位系统上,VCO, TCXO 电路和射频收发器模组,无线网络,蓝牙模组,通讯设备。
德铭特电子提供完整贴片电感尺寸 0402/0603/0805/1206/1210/1806/1812,感量范围齐全,可依客户的需求制造,特殊规格请与德铭特业务联系。
下载 PDF 版本: 薄膜电感 高频贴片电感 (TRAL)。
| TRAL Series 薄膜电感 - 结构图及规格尺寸(Unit: mm) | |||||
|
|||||
| 型号 | A | B | C | D | |
| TRAL01 (0201) | 0.6 ± 0.05 | 0.3 ± 0.05 | 0.23 ± 0.05 | 0.15 ± 0.05 | |
| TRAL02 (0402) | 1.0 ± 0.05 | 0.5 ± 0.05 | 0.32 ± 0.05 | 0.2 ± 0.10 | |
| TRAL03 (0603) | 1.6 ± 0.10 | 0.8 ± 0.10 | 0.45 ± 0.10 | 0.3 ± 0.20 | |
| 标准电气特性 薄膜电感 - TRAL01 (EIA 0201) | ||||||
| 产品料号 | 电感量 (nH) |
公差 (% or nH) |
Q 值 (min) |
直流阻抗 (Ω)(max) |
定格电流 (mA)(max) |
共振频率 (GHz)(min) |
| TRAL01*TR0N1 | 0.1 | ± 0.1, 0.2, 0.3nH | 8 / 500MHz | 0.20 | 400 | 9 |
| TRAL01*TR0N2 | 0.2 | ± 0.1, 0.2, 0.3nH | 8 / 500MHz | 0.20 | 400 | 9 |
| TRAL01*TR0N3 | 0.3 | ± 0.1, 0.2, 0.3nH | 8 / 500MHz | 0.20 | 400 | 9 |
| TRAL01*TR0N4 | 0.4 | ± 0.1, 0.2, 0.3nH | 8 / 500MHz | 0.25 | 350 | 9 |
| TRAL01*TR0N5 | 0.5 | ± 0.1, 0.2, 0.3nH | 8 / 500MHz | 0.25 | 350 | 9 |
| TRAL01*TR0N6 | 0.6 | ± 0.1, 0.2, 0.3nH | 8 / 500MHz | 0.25 | 350 | 9 |
| TRAL01*TR0N7 | 0.7 | ± 0.1, 0.2, 0.3nH | 8 / 500MHz | 0.30 | 300 | 9 |
| TRAL01*TR0N8 | 0.8 | ± 0.1, 0.2, 0.3nH | 8 / 500MHz | 0.30 | 300 | 9 |
| TRAL01*TR0N9 | 0.9 | ± 0.1, 0.2, 0.3nH | 8 / 500MHz | 0.30 | 300 | 9 |
| TRAL01*TR1N0 | 1.0 | ± 0.1, 0.2, 0.3nH | 8 / 500MHz | 0.30 | 300 | 9 |
| TRAL01*TR1N1 | 1.1 | ± 0.1, 0.2, 0.3nH | 8 / 500MHz | 0.35 | 300 | 9 |
| TRAL01*TR1N2 | 1.2 | ± 0.1, 0.2, 0.3nH | 8 / 500MHz | 0.35 | 300 | 9 |
| TRAL01*TR1N3 | 1.3 | ± 0.1, 0.2, 0.3nH | 8 / 500MHz | 0.45 | 250 | 9 |
| TRAL01*TR1N4 | 1.4 | ± 0.1, 0.2, 0.3nH | 8 / 500MHz | 0.45 | 250 | 9 |
| TRAL01*TR1N5 | 1.5 | ± 0.1, 0.2, 0.3nH | 8 / 500MHz | 0.45 | 250 | 9 |
| TRAL01*TR1N6 | 1.6 | ± 0.1, 0.2, 0.3nH | 8 / 500MHz | 0.55 | 200 | 9 |
| TRAL01*TR1N7 | 1.7 | ± 0.1, 0.2, 0.3nH | 8 / 500MHz | 0.55 | 200 | 9 |
| TRAL01*TR1N8 | 1.8 | ± 0.1, 0.2, 0.3nH | 8 / 500MHz | 0.55 | 200 | 9 |
| TRAL01*TR1N9 | 1.9 | ± 0.1, 0.2, 0.3nH | 8 / 500MHz | 0.55 | 200 | 9 |
| TRAL01*TR2N0 | 2.0 | ± 0.1, 0.2, 0.3nH | 8 / 500MHz | 0.70 | 200 | 8 |
| TRAL01*TR2N1 | 2.1 | ± 0.1, 0.2, 0.3nH | 8 / 500MHz | 0.70 | 200 | 8 |
| TRAL01*TR2N2 | 2.2 | ± 0.1, 0.2, 0.3nH | 8 / 500MHz | 0.70 | 200 | 8 |
| TRAL01*TR2N3 | 2.3 | ± 0.1, 0.2, 0.3nH | 8 / 500MHz | 0.80 | 150 | 8 |
| TRAL01*TR2N4 | 2.4 | ± 0.1, 0.2, 0.3nH | 8 / 500MHz | 0.80 | 150 | 8 |
| TRAL01*TR2N5 | 2.5 | ± 0.1, 0.2, 0.3nH | 8 / 500MHz | 0.80 | 150 | 8 |
| TRAL01*TR2N6 | 2.6 | ± 0.1, 0.2, 0.3nH | 8 / 500MHz | 0.80 | 150 | 8 |
| TRAL01*TR2N7 | 2.7 | ± 0.1, 0.2, 0.3nH | 8 / 500MHz | 0.80 | 150 | 8 |
| TRAL01*TR2N8 | 2.8 | ± 0.1, 0.2, 0.3nH | 8 / 500MHz | 1.00 | 150 | 6 |
| TRAL01*TR2N9 | 2.9 | ± 0.1, 0.2, 0.3nH | 8 / 500MHz | 1.00 | 150 | 6 |
| TRAL01*TR3N0 | 3.0 | ± 0.1, 0.2, 0.3nH | 8 / 500MHz | 1.00 | 150 | 6 |
| TRAL01*TR3N1 | 3.1 | ± 0.1, 0.2, 0.3nH | 8 / 500MHz | 1.00 | 150 | 6 |
| TRAL01*TR3N2 | 3.2 | ± 0.1, 0.2, 0.3nH | 8 / 500MHz | 1.00 | 150 | 6 |
| TRAL01*TR3N3 | 3.3 | ± 0.1, 0.2, 0.3nH | 8 / 500MHz | 1.00 | 150 | 6 |
| TRAL01*TR3N4 | 3.4 | ± 0.1, 0.2, 0.3nH | 8 / 500MHz | 1.20 | 150 | 6 |
| TRAL01*TR3N5 | 3.5 | ± 0.1, 0.2, 0.3nH | 8 / 500MHz | 1.20 | 150 | 6 |
| TRAL01*TR3N6 | 3.6 | ± 0.1, 0.2, 0.3nH | 8 / 500MHz | 1.20 | 150 | 6 |
| TRAL01*TR3N7 | 3.7 | ± 0.1, 0.2, 0.3nH | 8 / 500MHz | 1.20 | 150 | 6 |
| TRAL01*TR3N8 | 3.8 | ± 0.1, 0.2, 0.3nH | 8 / 500MHz | 1.20 | 150 | 6 |
| TRAL01*TR3N9 | 3.9 | ± 0.1, 0.2, 0.3nH | 8 / 500MHz | 1.20 | 150 | 6 |
| TRAL01*TR4N0 | 4.0 | ± 0.1, 0.2, 0.3nH | 8 / 500MHz | 1.20 | 150 | 6 |
| TRAL01*TR4N4 | 4.4 | ± 0.1, 0.2, 0.3nH | 8 / 500MHz | 1.30 | 140 | 6 |
| TRAL01*TR4N7 | 4.7 | ± 0.1, 0.2, 0.3nH | 8 / 500MHz | 1.40 | 130 | 6 |
| TRAL01*TR4N9 | 4.9 | ± 0.1, 0.2, 0.3nH | 8 / 500MHz | 1.60 | 130 | 6 |
| TRAL01*TR5N6 | 5.6 | ± 2,± 5% | 8 / 500MHz | 1.80 | 130 | 4 |
| TRAL01*TR6N1 | 6.1 | ± 2, ± 5% | 8 / 500MHz | 2.00 | 120 | 4 |
| TRAL01*TR6N8 | 6.8 | ± 2,± 5% | 8 / 500MHz | 2.30 | 110 | 4 |
| TRAL01*TR7N4 | 7.4 | ± 2, ± 5% | 8 / 500MHz | 2.80 | 110 | 4 |
| TRAL01*TR8N2 | 8.2 | ± 2,± 5% | 8 / 500MHz | 3.00 | 110 | 3 |
| TRAL01*TR9N1 | 9.1 | ± 2, ± 5% | 8 / 500MHz | 3.25 | 100 | 3 |
| TRAL01*TR9N2 | 9.2 | ± 2,± 5% | 8 / 500MHz | 3.25 | 100 | 3 |
| TRAL01*TR10N | 10 | ± 2, ± 5% | 8 / 500MHz | 3.50 | 80 | 2 |
| 可依客户规格设计生产 | ||||||
| 标准电气特性 薄膜电感 - TRAL02 (EIA 0402) | ||||||
| 产品料号 | 电感量 (nH) |
公差 (% or nH) |
Q 值 (min) |
直流阻抗 (Ω)(max) |
定格电流 (mA)(max) |
共振频率 (GHz)(min) |
| TRAL02*TR0N2 | 0.2 | 0.1/0.2/0.3(nH) | 13 / 500MHz | 0.10 | 800 | 14 |
| TRAL02*TR0N4 | 0.4 | 0.1/0.2/0.3(nH) | 13 / 500MHz | 0.10 | 800 | 14 |
| TRAL02*TR0N8 | 0.8 | 0.1/0.2/0.3(nH) | 13 / 500MHz | 0.15 | 700 | 14 |
| TRAL02*TR1N0 | 1.0 | 0.1/0.2/0.3(nH) | 13 / 500MHz | 0.15 | 700 | 12 |
| TRAL02*TR1N2 | 1.2 | 0.1/0.2/0.3(nH) | 13 / 500MHz | 0.15 | 700 | 12 |
| TRAL02*TR1N5 | 1.5 | 0.1/0.2/0.3(nH) | 13 / 500MHz | 0.25 | 700 | 10 |
| TRAL02*TR1N6 | 1.6 | 0.1/0.2/0.3(nH) | 13 / 500MHz | 0.25 | 560 | 10 |
| TRAL02*TR1N8 | 1.8 | 0.1/0.2/0.3(nH) | 13 / 500MHz | 0.25 | 560 | 10 |
| TRAL02*TR2N0 | 2.0 | 0.1/0.2/0.3(nH) | 13 / 500MHz | 0.35 | 560 | 8 |
| TRAL02*TR2N2 | 2.2 | 0.1/0.2/0.3(nH) | 13 / 500MHz | 0.35 | 440 | 8 |
| TRAL02*TR2N7 | 2.7 | 0.1/0.2/0.3(nH) | 13 / 500MHz | 0.35 | 440 | 8 |
| TRAL02*TR3N1 | 3.1 | 0.1/0.2/0.3(nH) | 13 / 500MHz | 0.45 | 380 | 6 |
| TRAL02*TR3N3 | 3.3 | 0.1/0.2/0.3(nH) | 13 / 500MHz | 0.45 | 380 | 6 |
| TRAL02*TR3N6 | 3.6 | 0.1/0.2/0.3(nH) | 13 / 500MHz | 0.55 | 380 | 6 |
| TRAL02*TR3N9 | 3.9 | 0.1/0.2/0.3(nH) | 13 / 500MHz | 0.55 | 340 | 6 |
| TRAL02*TR4N7 | 4.7 | 0.1/0.2/0.3(nH) | 13 / 500MHz | 0.65 | 320 | 6 |
| TRAL02*TR5N6 | 5.6 | 0.1/0.2/0.3(nH) | 13 / 500MHz | 0.85 | 280 | 6 |
| TRAL02*TR5N9 | 5.9 | 0.1/0.2/0.3(nH) | 13 / 500MHz | 0.85 | 280 | 6 |
| TRAL02*TR6N8 | 6.8 | 0.1/0.2/0.3(nH) | 13 / 500MHz | 1.05 | 260 | 6 |
| TRAL02*TR7N2 | 7.2 | 0.1/0.2/0.3(nH) | 13 / 500MHz | 1.05 | 260 | 6 |
| TRAL02*TR8N0 | 8.0 | 0.1/0.2/0.3(nH) | 13 / 500MHz | 1.25 | 220 | 5.5 |
| TRAL02*TR8N2 | 8.2 | 0.1/0.2/0.3(nH) | 13 / 500MHz | 1.25 | 220 | 5.5 |
| TRAL02*TR9N1 | 9.1 | 0.1/0.2/0.3(nH) | 13 / 500MHz | 1.25 | 220 | 5.5 |
| TRAL02*TR10N | 10 | 1/2/3/5(%) | 13 / 500MHz | 1.35 | 200 | 4.5 |
| TRAL02*TR12N | 12 | 1/2/3/5(%) | 13 / 500MHz | 1.55 | 180 | 3.7 |
| TRAL02*TR13N8 | 13.8 | 1/2/3/5(%) | 13 / 500MHz | 1.75 | 180 | 3.7 |
| TRAL02*TR15N | 15 | 1/2/3/5(%) | 13 / 500MHz | 1.75 | 130 | 3.3 |
| TRAL02*TR17N | 17 | 1/2/3/5(%) | 13 / 500MHz | 1.95 | 100 | 3.1 |
| TRAL02*TR18N | 18 | 1/2/3/5(%) | 13 / 500MHz | 2.15 | 100 | 3.1 |
| TRAL02*TR20N8 | 20.8 | 1/2/3/5(%) | 13 / 500MHz | 2.55 | 90 | 2.8 |
| TRAL02*TR22N | 22 | 1/2/3/5(%) | 13 / 500MHz | 2.65 | 90 | 2.8 |
| TRAL02*TR27N | 27 | 1/2/3/5(%) | 13 / 500MHz | 3.25 | 75 | 2.5 |
| TRAL02*TR33N | 33 | 1/2/3/5(%) | 13 / 500MHz | 3.75 | 75 | 2.5 |
| 可依客户规格设计生产 | ||||||
| 标准电气特性 薄膜电感 - TRAL03 (EIA 0603) | ||||||
| 产品料号 | 电感量 (nH) |
公差 (% or nH) |
Q 值 (min) |
直流阻抗 (Ω)(max) |
定格电流 (mA)(max) |
共振频率 (GHz)(min) |
| TRAL03*TR1N0 | 1.0 | 0.1/0.2/0.3(nH) | 15 / 300MHz | 0.35 | 800 | 13 |
| TRAL03*TR1N2 | 1.2 | 0.1/0.2/0.3(nH) | 15 / 300MHz | 0.35 | 800 | 13 |
| TRAL03*TR1N5 | 1.5 | 0.1/0.2/0.3(nH) | 15 / 300MHz | 0.35 | 800 | 10 |
| TRAL03*TR1N8 | 1.8 | 0.1/0.2/0.3(nH) | 15 / 300MHz | 0.35 | 300 | 10 |
| TRAL03*TR2N2 | 2.2 | 0.1/0.2/0.3(nH) | 15 / 300MHz | 0.35 | 300 | 8 |
| TRAL03*TR2N7 | 2.7 | 0.1/0.2/0.3(nH) | 15 / 300MHz | 0.45 | 300 | 6 |
| TRAL03*TR3N3 | 3.3 | 0.1/0.2/0.3(nH) | 15 / 300MHz | 0.45 | 300 | 6 |
| TRAL03*TR3N9 | 3.9 | 0.1/0.2/0.3(nH) | 15 / 300MHz | 0.45 | 300 | 6 |
| TRAL03*TR4N7 | 4.7 | 0.1/0.2/0.3(nH) | 15 / 300MHz | 0.55 | 300 | 5 |
| TRAL03*TR5N6 | 5.6 | 0.1/0.2/0.3(nH) | 15 / 300MHz | 0.65 | 300 | 5 |
| TRAL03*TR6N8 | 6.8 | 0.1/0.2/0.3(nH) | 15 / 300MHz | 0.75 | 300 | 5 |
| TRAL03*TR8N2 | 8.2 | 0.1/0.2/0.3(nH) | 15 / 300MHz | 0.95 | 300 | 4 |
| TRAL03*TR10N | 10 | 1/2/3/5(%) | 15 / 300MHz | 0.95 | 300 | 4 |
| TRAL03*TR12N | 12 | 1/2/3/5(%) | 15 / 300MHz | 1.05 | 300 | 3 |
| TRAL03*TR15N | 15 | 1/2/3/5(%) | 15 / 300MHz | 1.35 | 300 | 3 |
| TRAL03*TR18N | 18 | 1/2/3/5(%) | 15 / 300MHz | 1.65 | 300 | 2 |
| TRAL03*TR22N | 22 | 1/2/3/5(%) | 15 / 300MHz | 1.95 | 250 | 2 |
| TRAL03*TR27N | 27 | 1/2/3/5(%) | 15 / 300MHz | 2.35 | 250 | 2 |
| TRAL03*TR33N | 33 | 1/2/3/5(%) | 15 / 300MHz | 2.75 | 250 | 1.5 |
| TRAL03*TR39N | 39 | 1/2/3/5(%) | 15 / 300MHz | 3.00 | 200 | 1.5 |
| TRAL03*TR47N | 47 | 1/2/3/5(%) | 15 / 300MHz | 3.00 | 200 | 1.5 |
| TRAL03*TR56N | 56 | 1/2/3/5(%) | 15 / 300MHz | 5.00 | 150 | 1 |
| TRAL03*TR68N | 68 | 1/2/3/5(%) | 15 / 300MHz | 5.00 | 150 | 1 |
| TRAL03*TRR10 | 100 | 1/2/3/5(%) | 15 / 300MHz | 7.50 | 100 | 1 |
| 可依客户规格设计生产 | ||||||
| TRAL 系列 薄膜电感 - 包装数量及卷装规格 (Unit: mm) | |||||||
|
|||||||
| 型号 | ΦA | ΦB | ΦC | W | T | 纸带 (PCS) | |
| TRAL01 | 178.0 ± 1.0 | 60 ± 1.0 | 13.5 ± 0.7 | 9.5 ± 1.0 | 11.5 ± 1.0 | 10,000 | |
| TRAL02 | 178.0 ± 1.0 | 60 ± 1.0 | 13.5 ± 0.7 | 9.5 ± 1.0 | 11.5 ± 1.0 | 10,000 | |
| TRAL03 | 178.0 ± 1.0 | 60 + 1.0 | 13.5 ± 0.7 | 9.5 ± 1.0 | 11.5 ± 1.0 | 5,000 | |
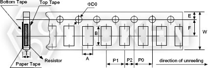
| TRAL 系列 薄膜电感 - 纸带规格(Unit: mm) | |||||||||||
|
|||||||||||
| 型号 | A±0.05 | B±0.05 | W±0.10 | E±0.05 | F±0.05 | P0±0.10 | P1 | P2±0.05 | ΦD0 | T | |
| TRAL01 | 0.40 | 0.70 | 8.00 | 1.75 | 3.5 | 4.00 | 2.00±0.05 | 2.00 | 1.55±0.03 | 0.42±0.02 | |
| TRAL02 | 0.70 | 1.16 | 8.00 | 1.75 | 3.5 | 4.00 | 2.00±0.05 | 2.00 | 1.55±0.05 | 0.40±0.03 | |
| TRAL03 | 1.10 | 1.90 | 8.00 | 1.75 | 3.5 | 4.00 | 4.00±0.10 | 2.00 | 1.55±0.05 | 0.60±0.03 | |
| TRAL Series 薄膜电感 -环境特性 | ||
| 项目 | 规格 | 测试方法 |
| 抗弯强度 | 如规格 | JIS-C-5202-6.1.4 弯幅3mm,10 秒钟. |
| 耐电压 | >100V | MIL-STD-202F 301 方法 施以100VA电压一分钟。 |
| 绝缘阻抗 | >1000MΩ | MIL-STD-202F 302 方法 施以100VDC 一分钟。 |
| 抗焊温度 | ΔL≤10% | MIL-STD-202F 210E 方法 260±5°C,10±1秒钟。 |
| 高温曝光 | ΔL≤10% | JIS-C-5202-7.2 85±2°C, 1000 +48/-0 小时 |
| 耐湿试验 | ΔL≤10% | MIL-STD-202F 103B 方法 40±2°C,90~95%RH,1000 +48/-0 小时 |
| 低温储藏温度 | ΔL≤10% | JIS-C-5202-7.1 -40±3°C,1000 +48/-0 小时 |
| 温度循环 | ΔL≤10% | JIS-C-5202-7.4 -40/RT/85/RT,10 次循环 |
| 可焊性 | 最小95% 的覆盖率 | MIL-STD-202F 208H 方法 245°C±5°C,3秒钟 |
| 注: 储存温度:25±3°C;湿度:<80%RH | ||
| TRAL 系列 薄膜电感 - 料号标识 | ||||||||||||||||||||||||||||||||||||||||||||||||||
| TRAL | 02 | G | TR | 10N | ||||||||||||||||||||||||||||||||||||||||||||||
![]() | ![]() | ![]() | ![]() | ![]() | ||||||||||||||||||||||||||||||||||||||||||||||
|
|
|
|
|
||||||||||||||||||||||||||||||||||||||||||||||