贴片共模电感器 共模线圈 - TCB4F 系列

贴片共模电感器 共模线圈(TCB4F)

贴片式共模电感(Common mode Choke),也叫共模扼流圈、共模线圈、或共模扼流线圈,常用于电脑的开关电源中过滤共模的电磁干扰信号。贴片共模线圈、贴片共模电感采用高频之杂讯抑制对策,共模扼流线圈结构,讯号不衰减,体积小、使用方便。

什么要用共模扼流圈?当电感中流过较大电流时,电感会发生饱和,导致电感量下降,共模扼流圈可以避免这种情况的发生。共模扼流圈的结构:是将传输电流的两根导线(例如直流供电的电源线和地线,交流供电的火线和零线)绕制。这时,两根导线中的电流在磁芯中产生的磁力线方向相反,并且强度相同,刚好抵消,所以磁芯中总的磁感应强度为 0,因此磁芯不会饱和。

而对于两根导线上方向相同的共模干扰电流,则没有抵消的效果,呈现较大的电感。由于这种电感只对共模干扰电流有抑制作用,而对差模电流没有影响,因此叫共模扼流圈。

德铭特电子提供完整共模线圈贴片尺寸,电感量范围齐全,若需特殊规格产品,请与德铭特电子业务联系,我们将竭诚为您服务。

下载 PDF 版本: 贴片共模电感器 共模线圈(TCB4F)

特性 :
  1. 使用双线并绕方式平衡度更佳
用途:
  1. 双平衡调音装置、多频变压器、阻抗变压器、平衡及不平衡转换变压器...等
结构图及规格尺寸 (TCB4F) 单位:mm
贴片共模电感器 (TCB4F) 尺寸图
贴片共模电感器 (TCB4F) 尺寸图
型号 A B (max) C (max) D E (max) F G H I J K L
TCB4F 3.8 4.4 3.2 2.0 5.5 0.45 3.0 2.7 4.4 1.3 3.0 1.0
注: 可依客户特殊需求设计
贴片共模电感器 电气特性 (TCB4F - 617DB)
产品料号 圈 数
1-6=2-4=2-6=3-4
μiac
TCB4F - 617DB1673 2 1/2 T 300
TCB4F - 617DB1674 3 1/2 T 300
TCB4F - 617DB1675 4 1/2 T 300
TCB4F - 617DB1714 5 1/2 T 300

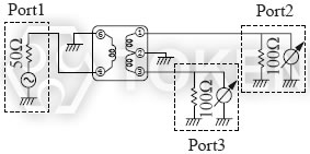
贴片共模电感器 测试电路 (TCB4F - 617DB)
贴片共模电感器 (TCB4F - 617DB) 测试电路
贴片共模电感器 (TCB4F - 617DB) 测试电路

贴片共模电感器 代表特性图 (TCB4F - 617DB)
贴片共模电感器 (TCB4F - 617DB) 代表特性图
贴片共模电感器 (TCB4F - 617DB) 代表特性图

贴片共模电感器 电气特性 (TCB4F - 617DB)
产品料号 圈 数 μiac
TCB4F - 617DB1653 2 1/2 T 300
TCB4F - 617DB1654 3 1/2 T 300
TCB4F - 617DB1655 4 1/2 T 300
TCB4F - 617DB1724 5 1/2 T 300

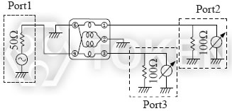
贴片共模电感器 测试电路 (TCB4F - 617DB)
贴片共模电感器 (TCB4F - 617DB) 测试电路
贴片共模电感器 (TCB4F - 617DB) 测试电路

贴片共模电感器 代表特性图 (TCB4F - 617DB)
贴片共模电感器 (TCB4F - 617DB) 代表特性图
贴片共模电感器 (TCB4F - 617DB) 代表特性图

贴片共模电感器 电气特性 (TCB4F - 617DB)
产品料号 圈 数 μiac
TCB4F - 617DB1643 2 1/2 T 1500
TCB4F - 617DB1644 3 1/2 T 1500
TCB4F - 617DB1645 4 1/2 T 1500
TCB4F - 617DB1646 5 1/2 T 1500

贴片共模电感器 电气特性 (TCB4F - 617DB)
贴片共模电感器 (TCB4F - 617DB) 测试电路
贴片共模电感器 (TCB4F - 617DB) 测试电路

贴片共模电感器 代表特性图 (TCB4F - 617DB)
贴片共模电感器 (TCB4F - 617DB) 代表特性图
贴片共模电感器 (TCB4F - 617DB) 代表特性图
贴片共模电感器 电气特性 & 电路 (TCB4F - 617PT)
产品料号 圈 数
1-2=2-3=4-6
μiac
TCB4F - 617PT1667 2T 300
TCB4F - 617PT1669 3T 300
TCB4F - 617PT1699 4T 300
TCB4F - 617PT1664 5T 300

贴片共模电感器 测试电路 (TCB4F - 617PT)
贴片共模电感器 (TCB4F - 617PT) 测试电路
贴片共模电感器 (TCB4F - 617PT) 测试电路

贴片共模电感器 代表特性图 (TCB4F - 617PT)
贴片共模电感器 (TCB4F - 617PT) 代表特性图
贴片共模电感器 (TCB4F - 617PT) 代表特性图
料号标识 (TCB4F)
TCB4F - 617DB1673
 
型号
TCB4F
 
型号
617DB1673 Frequency mixer
617PT1667 Frequency mixer
617DB1653 Balun Transformers
617DB1643 Balun Transformers