贴片平衡-不平衡变压器 共模扼流电感(TCB5F)

贴片平衡-不平衡变压器 - TCB5F 系列

平衡器即 Balancing Device,其主要作用是完成由单端传输(如:同轴线、微带线等)变换为差分传输(如:半波振子天线,推挽电路等)之间的变换,又称为平衡-不平衡变压器,即 Balance-Unbalance,英文将其合并缩写成一个新词 Balun,音译为巴伦。一般设计工程师所提到的平衡器、平衡-不平衡变换器、巴伦,都是指这一类器件。

平衡器有很多种,按平衡条件可以分为四大类:扼流式(扼制不平衡电流)、对称式(对地阻抗平衡)、倒相式(电压倒相)、磁藕合式(电流共扼)。同时具备阻抗变换作用的巴伦,兼有扼流式和磁藕合式的特征。其原理结构多种多样,并且可以互相组合。平衡-不平衡变压器的重要指标,可以用类似电路中的共模信号和差模信号来描述不平衡信号和平衡信号,或用共模抑制比来描述这个指标,也可以称做不平衡抑制。它即受阻抗变换比例的影响,也受共模电感量的影响。

在板卡设计中,共模扼流圈共模电感也是起 EMI 滤波的作用,用于抑制高速信号线产生的电磁波向外辐射发射。为了消除信号线上输入的干扰信号及感应的各种干扰,我们必须合理安排滤波电路来过滤共模和串模的干扰,共模扼流圈共模电感就是滤波电路中的一个组成部分。

共模扼流圈(Common mode Choke),也叫共模电感、共模线圈、贴片平衡-不平衡变压器、或共模扼流线圈,常用于电脑的开关电源中过滤共模的电磁干扰信号。德铭特电子共模扼流圈/共模贴片电感采用高频之杂讯抑制对策,共模线圈结构,讯号不衰减,体积小、使用方便。

下载 PDF 版本: 贴片平衡-不平衡变压器 共模扼流电感(TCB5F)

特性 :
  1. 使用双线并绕方式平衡度更佳
用途 :
  1. 双平衡调音设置、多频变压器、阻接变压器 ..等
结构图及规格尺寸 (TCB5F) 单位:mm
贴片平衡-不平衡变压器 (TCB5F) 尺寸图
贴片平衡-不平衡变压器 (TCB5F) 尺寸图
型号 A
(max)
B
(max)
C
(max)
D E F G H I J
TCB5F 6.9 6.9 4.4 4.0 3.8 0.6 5.7 1.7 1.2 4.0
注: 可依客户特殊需求设计
电气特性 (TCB5F - 458DB)
产品料号 圈 数
1-6=2-4=2-6=3-4
μiac
TCB5F - 458DB1614 2 1/2 T 300
TCB5F - 458DB1615 3 1/2 T 300
TCB5F - 458DB1616 4 1/2 T 300

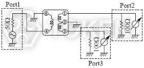
测试电路 (TCB5F - 458DB)
(TCB5F - 458DB) 贴片平衡-不平衡变压器 测试电路
(TCB5F - 458DB) 贴片平衡-不平衡变压器 测试电路

代表特性图 (TCB5F - 458DB)
(TCB5F - 458DB) 贴片平衡-不平衡变压器 代表特性图
(TCB5F - 458DB) 贴片平衡-不平衡变压器 代表特性图
电气特性 (TCB5F - 458PT)
产品料号 圈 数
1-2=2-3=4-6
μiac
TCB5F - 458PT1619 2 T 300
TCB5F - 458PT1586 3 T 230
TCB5F - 458PT1587 4 T 230
TCB5F - 458PT1565 5 T 230

测试电路 (TCB5F - 458PT)
(TCB5F - 458PT) 贴片平衡-不平衡变压器 测试电路
(TCB5F - 458PT) 贴片平衡-不平衡变压器 测试电路

代表特性图 (TCB5F - 458PT)
(TCB5F - 458PT) 贴片平衡-不平衡变压器 代表特性图
(TCB5F - 458PT) 贴片平衡-不平衡变压器 代表特性图
料号标识 (TCB5F)
TCB5F - 458DB1614
 
型号
TCB5F
 
型号
458DB1614 Frequency mixer
458DB1615 Frequency mixer
458PT1619 Frequency mixer
458PT1586 Frequency mixer