Balun 变压器、共模扼流线圈(TCB5FL)

Balun 巴伦 (BALanced to UNbalanced) 用于将平衡信号转换为不平衡信号,反之亦然,是一种平衡馈电转换器,在 80 年代之前,国内一直称平衡器。此外,Balun 巴伦还能提供阻抗变换功能,因此被命名为平衡-不平衡变压器 (Balun Transformer),或巴伦变压器。

Balun 变压器 共模扼流线圈 - TCB5FL 系列

馈电平衡的器件可以通过几个方式定性:是指电流大小相等,方向相反,对地阻抗一致,共模电流为零。这些概念产生出磁藕合式,反向式,对称式,扼流式等的平衡器类型。衡量 BALUN 的常用指标:工作频率,带宽,承载功率,阻抗变换比,共模抑制比。

共模线圈(Common mode Choke),也叫共模电感、共模线圈、或共模扼流圈,常用于Dell等电脑的开关电源中过滤共模的电磁干扰信号。在板卡设计中,共模扼流线圈共模线圈也是起EMI滤波的作用,用于抑制高速信号线产生的电磁波向外辐射发射。

美国FCC、国际无线电干扰特别委员会的CISPR22以及我国的GB9254等标准规范等都对信息技术设备通信端口的共模传导干扰和辐射发射有相关的限制要求。为了消除信号线上输入的干扰信号及感应的各种干扰,我们必须合理安排滤波电路来过滤共模和串模的干扰,共模线圈共模扼流线圈就是滤波电路中的一个组成部分。

德铭特电子贴片型的小型共模电感、共模线圈,Balun 变压器,采用高频之杂讯抑制对策,共模扼流线圈结构,讯号不衰减,体积小、使用方便,具有平衡度佳、使用方便、高品质等优点。

下载 PDF 版本: Balun 变压器、共模扼流线圈(TCB5FL)

特性 :
  1. 使用双线并绕方式平衡度更佳
用途 :
  1. 双平衡调音设置、多频变压器、阻接变压器 ..等。
结构图及规格尺寸 (TCB5FL) 单位:mm
贴片式 Balun 变压器、共模扼流线圈 (TCB5FL) 尺寸图
贴片式 Balun 变压器、共模扼流线圈 (TCB5FL) 尺寸图
型号 A
(max)
B
(max)
C
(max)
D E F G H I
TCB5FL 6.9 6.9 3.6 4.0 5-0.6 5.7 1.7 1.2 4.0
注: 可依客护特殊需求设计
电气特性 (TCB5FL)
产品料号 圈 数
1-6=2-4=2-6=3-4
μiac
TCB5FL - 616DB1196 2 1/2 T 300
TCB5FL - 616DB1197 3 1/2 T 300
TCB5FL - 616DB1198 4 1/2 T 300

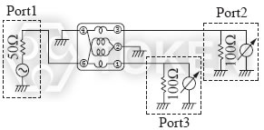
测试电路 (TCB5FL)
贴片式小型巴伦共模线圈 (TCB5FL) 测试电路
贴片式小型巴伦共模线圈 (TCB5FL) 测试电路
代表特性图 (TCB5FL)
贴片式小型巴伦共模线圈 (TCB5FL) 代表特性图
贴片式小型巴伦共模线圈 (TCB5FL) 代表特性图
料号标识 (TCB5FL)
TCB5F - 616DB1196
 
型号
TCB5FL
 
型号
616DB1196 Frequency mixer
616DB1197 Frequency mixer