LTZ 系列 - 調幅陶瓷濾波器

調幅陶瓷濾波器 (LTZ)

德銘特電子 LTZ 調幅用系列是設計用來搭配滿足標準 AM 濾波的需求,主要應用在低單價的產品上,使之更經濟、更有成效的設計。

德銘特生產的陶瓷濾波器、諧振器、鑒頻器等壓電陶瓷產品符合 RoHS 標準,可依客戶的需求製造,若需特殊規格型式,請與德銘特電子業務聯系。

下載 PDF 版本: 調幅陶瓷濾波器 (LTZ)

特性 :
  1. 小體積尺寸(單位 mm):7.0 × 9.0 × 6.5。
  2. 中心頻率 (fo) (KHz) 455.5±2.0。
  3. 插入損耗 (dB) 7。
  4. 雙片件直接連接型結構。
  5. 與 Murata SFZ 系列相容。
LTZ 調幅系列 外形尺寸(單位: mm)
LTZ 系列 - 調幅陶瓷濾波器 尺寸圖
LTZ 系列 - 調幅陶瓷濾波器 尺寸圖
LTZ 調幅系列 技術特性
LTZ 系列 - 特性曲線
LTZ 系列 - 特性曲線
型 號 中心頻率 (fo) (KHz) 3 分貝帶寬 (KHz) 離諧選擇性 9KHz off (dB) min 插入損耗 (dB) 結 構
LTZ455HL 455.5±2.0 4.0±1 23 7 雙片件直接連接型
LTZ455JL 456.0±2.0 5.5±1 18 7
中心頻率可以根據需要在 450 - 470 KHz 範圍內選擇。標稱頻率公差±2 KHz。
LTZ 調幅系列 推薦中頻變壓器(7mm 正方形)
項 目 LTZ455HL/JL
繞組規格

底視圖
一~二 二~③ 四~⑥
68T 84T 14T
空載Q值 90
調諧電容量 108PF
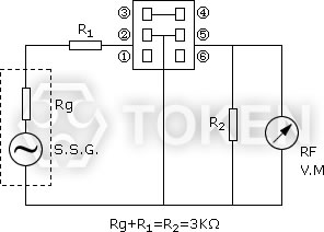
LTZ 調幅系列 測試電路
LTZ 系列 - 測試電路
LTZ 系列 - 測試電路
LTZ 調幅系列 料號標識
LTZ455HL P
型 號
包裝方式