贴片超精密电阻 (AR)

贴片超精密电阻 (AR)

德铭特的片式精密贴片电阻,立产业精密标杆及增加强大功率的新选项。

因应市场需求,提高精度和稳定性,德铭特电子扩大了其薄膜晶片电阻器 AR 镍铬合金系列,并分为三大部分:标准系列,高精度系列,高功率系列。

除了提供宽广的阻值范围,紧密的公差精度,和低温度系数 TCR,德铭特更提供在温度波动下的高稳定度性 2ppm/°C,和低至 ± 0.01% 的超精密度公差,定义了表面贴装电阻器的总轮廓。

德铭特 AR 精密贴片系列提供下列产品的解决方案:高精度的测试与测量,和电压调整设计于工业、军事、和医疗监测设备市场。展现出严格紧密的公差,高稳定性的低温度系数 TCR,和高性能的额定功率。

德铭特 AR 系列现在还提供了额外的贴片尺寸。主要增强功能包括提供各种标准尺寸的 AR01(0201), AR02(0402), AR03(0603), AR05(0805), AR06(1206), AR13(1210), AR10(2010), 到 AR12(2512)。

精密 AR 的优势是其内部结构的防渗钝化层外加正常的保护涂层。在构建 AR 芯片系列时,镍/铬薄膜材料选择性沉积在高纯氧化铝衬底上,加上两端镀一层镍,锡金属。 经过热处理的 AR 贴片,使所需温度系数(TCR)更加稳定,精确激光控制过程中调整出精确的电阻值。

德铭特 AR 系列提供 4Kpc,5Kpc,10Kpc 编带封装,符合 RoHS 标准和 100% 无铅。
如有常规外的参数及技术要求或特殊应用,请与德铭特的业务代表联系。

下载 PDF 版本: 贴片超精密电阻 (AR)

特性 :

  1. 最小尺寸可做到 0210
  2. 紧密公差精度至 ±0.01%
  3. 超低温度系数至 ±2PPM/°C
  4. 100% 无铅及符合 RoHS 标准
  5. 宽广阻值范围从 1 Ω - 3Mega Ω
  6. 钝化保护膜及薄膜 NiCr 表面封装贴片

常应用于:

  1. 医疗设备
  2. 测试/测量设备
  3. 转换器,整流器
  4. 自动化设备控制器
  5. 打印机设备,消费产品
  6. 通信设备,移动电话,全球定位系统,掌上电脑
超精密贴片 - AR 系列 外形尺寸
超精密贴片电阻 AR结构图
超精密贴片电阻 - AR 系列 结构图
超精密贴片电阻 AR尺寸图
超精密贴片电阻 - AR 系列 尺寸图
品名 L (Unit: mm) W (Unit: mm) T (Unit: mm) D1 (Unit: mm) D2 (Unit: mm) 重量(g)/(1000pcs)
AR01 (0201) 0.58±0.05 0.29±0.05 0.23±0.05 0.12±0.05 0.15±0.05 0.14
AR02 (0402) 1.00±0.05 0.50±0.05 0.30±0.05 0.20±0.10 0.20±0.10 0.54
AR03 (0603) 1.55±0.10 0.80±0.10 0.45±0.10 0.30±0.20 0.30±0.20 1.83
AR05 (0805) 2.00±0.15 1.25±0.15 0.55±0.10 0.30±0.20 0.40±0.25 4.71
AR06 (1206) 3.05±0.15 1.55±0.15 0.55±0.10 0.42±0.20 0.35±0.25 9.02
AR13 (1210) 3.10±0.15 2.40±0.15 0.55±0.10 0.40±0.20 0.55±0.25 10
AR10 (2010) 4.90±0.15 2.40±0.15 0.55±0.10 0.60±0.30 0.50±0.25 23.61
AR12 (2512) 6.30±0.15 3.10±0.15 0.55±0.10 0.60±0.30 0.50±0.25 38.06
标准电气规格 (AR)
品名 额定功率
at 70°C
使用温度 最大
工作电压
最大
负载电压
精度公差
(%)
阻值范围
(Ω)
温度系数
PPM/°C
AR01
(0201)
1/32W -55 ~ +155°C 15V 30V ±0.5%
±1%
49.9Ω~4.99KΩ ±25
49.9Ω~33KΩ ±50
AR02
(0402)
1/16W -55 ~ +155°C 25V 50V ±0.05% 49.9Ω~12KΩ ±25, ±50
±0.1% 10Ω~255KΩ
±0.25%, ±0.5%, ±1% 4.7Ω~511KΩ
AR03
(0603)
1/16W -55 ~ +155°C 50V 100V ±0.05% 4.7Ω~332KΩ ±25, ±50
±0.1% 4.7Ω~1MΩ
±0.25%, ±0.5%, ±1% 1Ω~1MΩ
AR05
(0805)
1/10W -55 ~ +155°C 100V 200V ±0.05% 4.7Ω~1MΩ ±25, ±50
±0.1% 4.7Ω~2MΩ
±0.25%, ±0.5%, ±1% 1Ω~2MΩ
AR06
(1206)
1/8W -55 ~ +155°C 150V 300V ±0.05% 4.7Ω~1MΩ ±25, ±50
±0.1% 4.7Ω~2.49MΩ
±0.25%, ±0.5%, ±1% 1Ω~2.49MΩ
AR13
(1210)
1/4W -55 ~ +155°C 150V 300V ±0.05% 4.7Ω~1MΩ ±25, ±50
±0.1% 4.7Ω~2.49MΩ
±0.25%, ±0.5%, ±1% 1Ω~2.49MΩ
AR10
(2010)
1/4W -55 ~ +155°C 150V 300V ±0.05% 4.7Ω~1MΩ ±25, ±50
±0.1% 4.7Ω~3MΩ
±0.25%, ±0.5%, ±1% 1Ω~3MΩ
AR12
(2512)
1/2W -55 ~ +155°C 150V 300V ±0.05% 4.7Ω~1MΩ ±25, ±50
±0.1% 4.7Ω~3MΩ
±0.25%, ±0.5%, ±1% 1Ω~3MΩ
  • 工作电压 = ( P * R ) , 或上表格中所列相对最大工作电压, 两数取其低者。
  • 负载电压 = 2.5* ( P * R ) , 或上表格中所列相对最大负载电压, 两数取其低者。
  • 低阻值范围:(1~10)Ω。规格外惨数,可洽德铭特。

超精密特殊电气规格 (AR)
品名 额定功率
at 70°C
使用温度 最大
工作电压
最大
负载电压
精度公差
(%)
阻值范围
(Ω)
温度系数
PPM/°C
AR02
(0402)
1/16W -55 ~ +155°C 25V 50V ±0.01%, ±0.05%, ±0.1% 49.9Ω~4.99KΩ ±2, ±3
±0.01%, ±0.05%, ±0.1%, ±0.25%, ±0.5%, ±1% 49.9Ω~4.99KΩ ±5
±0.01%, ±0.05% 49.9Ω~12KΩ ±10, ±15
±0.1%, ±0.25%, ±0.5%, ±1% 49.9Ω~60KΩ ±10
±0.1%, ±0.25%, ±0.5%, ±1% 49.9Ω~69.8KΩ ±15
AR03
(0603)
1/16W -55 ~ +155°C 50V 100V ±0.01%, ±0.05%, ±0.1% 24.9Ω~15KΩ ±2, ±3
±0.01%, ±0.05%, ±0.1%, ±0.25%, ±0.5%, ±1% 24.9Ω~15KΩ ±5
±0.01% 24.9Ω~100KΩ ±10, ±15
±0.05% 4.7Ω~332KΩ ±10, ±15
±0.1%, ±0.25%, ±0.5%, ±1% 4.7Ω~511KΩ ±10, ±15
AR05
(0805)
1/10W -55 ~ +155°C 100V 200V ±0.01%, ±0.05%, ±0.1% 24.9Ω~30KΩ ±2, ±3
±0.01%, ±0.05%, ±0.1%, ±0.25%, ±0.5%, ±1% 24.9Ω~30KΩ ±5
±0.01 24.9Ω~200KΩ ±10, ±15
±0.05%, ±0.1%, ±0.25%, ±0.5%, ±1% 4.7Ω~1MΩ ±10, ±15
AR06
(1206)
1/8W -55 ~ +155°C 150V 300V ±0.01%, ±0.05%, ±0.1% 24.9Ω~49.9KΩ ±2, ±3
±0.01%, ±0.05%, ±0.1%, ±0.25%, ±0.5%, ±1% 24.9Ω~49.9KΩ ±5
±0.01% 24.9Ω~499KΩ ±10, ±15
±0.05%, ±0.1%, ±0.25%, ±0.5%, ±1% 4.7Ω~1MKΩ ±10, ±15
AR13
(1210)
1/4W -55 ~ +155°C 150V 300V ±0.01%, ±0.05%, ±0.1% 24.9Ω~49.9KΩ ±2, ±3
±0.01%, ±0.05%, ±0.1%, ±0.25%, ±0.5%, ±1% 24.9Ω~49.9KΩ ±5
±0.01% 24.9Ω~499KΩ ±10, ±15
±0.05%, ±0.1%, ±0.25%, ±0.5%, ±1% 4.7Ω~1MΩ ±10, ±15
AR10
(2010)
1/4W -55 ~ +155°C 150V 300V ±0.01%, ±0.05%, ±0.1% 24.9Ω~100KΩ ±2, ±3
±0.01%, ±0.05%, ±0.1%, ±0.25%, ±0.5%, ±1% 24.9Ω~100KΩ ±5
±0.01% 24.9Ω~499KΩ ±10, ±15
±0.05%, ±0.1%, ±0.25%, ±0.5%, ±1% 4.7Ω~1MΩ ±10, ±15
AR12
(2512)
1/2W -55 ~ +155°C 150V 300V ±0.01%, ±0.05%, ±0.1% 24.9Ω~100KΩ ±2, ±3
±0.01%, ±0.05%, ±0.1%, ±0.25%, ±0.5%, ±1% 24.9Ω~100KΩ ±5
±0.01% 24.9Ω~499KΩ ±10, ±15
±0.05%, ±0.1%, ±0.25%, ±0.5%, ±1% 4.7Ω~1MΩ ±10, ±15
  • 工作电压 = ( P * R ) , 或上表格中所列相对最大工作电压, 两数取其低者。
  • 负载电压 = 2.5* ( P * R ) , 或上表格中所列相对最大负载电压, 两数取其低者。
  • 低阻值范围:(1~10)Ω。规格外惨数,可洽德铭特。

高功率型-电气规格 (AR)
品名 额定功率
at 70°C
使用温度 最大工作电压 最大负载电压 精度公差
(%)
阻值范围
(Ω)
温度系数
PPM/°C
AR03
(0603)
1/10W -55 ~ +155°C 75V 150V ±0.01%, ±0.05%, ±0.1% 24.9Ω~15KΩ ±2, ±3
±0.01%, ±0.05%, ±0.1%, ±0.25%, ±0.5%, ±1% 24.9Ω~15KΩ ±5
±0.01% 24.9Ω~100KΩ ±10, ±15, ±25, ±50
±0.05% 4.7Ω~332KΩ ±10, ±15, ±25, ±50
±0.1%, ±0.25%, ±0.5%, ±1% 4.7Ω~332KΩ ±10, ±15
±0.1%, ±0.25%, ±0.5%, ±1% 4.7Ω~1MΩ ±25, ±50
1/6W -55 ~ +155°C 100V 150V ±0.05%, ±0.1%, ±0.25%, ±0.5%, ±1% 10Ω~332KΩ ±25, ±50
AR05
(0805)
1/8W -55 ~ +155°C 150V 300V ±0.01%, ±0.05%, ±0.1% 24.9Ω~30KΩ ±2, ±3
±0.01%, ±0.05%, ±0.1%, ±0.25%, ±0.5%, ±1% 24.9Ω~30KΩ ±5
±0.01% 24.9Ω~200KΩ ±10, ±15, ±25, ±50
±0.05% 4.7Ω~511KΩ ±10, ±15, ±25, ±50
±0.1%, ±0.25%, ±0.5%, ±1% 4.7Ω~511KΩ ±10
±0.1%, ±0.25%, ±0.5%, ±1% 4.7Ω~1MΩ ±15
±0.1% 4.7Ω~1MΩ ±25, ±50
±0.25%, ±0.5%, ±1% 1Ω~1MΩ ±25, ±50
1/4W -55 ~ +155°C 150V 300V ±0.05%, ±0.1%, ±0.25%, ±0.5%, ±1% 10Ω~499KΩ ±25, ±50
AR06
(1206)
1/4W -55 ~ +155°C 200V 400V ±0.01%, ±0.05%, ±0.1% 24.9Ω~49.9KΩ ±2, ±3
±0.01%, ±0.05%, ±0.1%, ±0.25%, ±0.5%, ±1% 24.9Ω~49.9KΩ ±5
±0.01% 24.9Ω~499KΩ ±10, ±15, ±25, ±50
±0.05%, ±0.1%, ±0.25%, ±0.5%, ±1% 4.7Ω~1MΩ ±10, ±15, ±25, ±50
1/3W -55 ~ +155°C 200V 400V ±0.05%, ±0.1%, ±0.25%, ±0.5%, ±1% 10Ω~1MΩ ±25, ±50
AR13
(1210)
1/3W -55 ~ +155°C 200V 400V ±0.01%, ±0.05%, ±0.1% 24.9Ω~49.9KΩ ±2, ±3
±0.01%, ±0.05%, ±0.1%, ±0.25%, ±0.5%, ±1% 24.9Ω~49.9KΩ ±5
±0.01% 24.9Ω~499KΩ ±10, ±15, ±25, ±50
±0.05%, ±0.1%, ±0.25%, ±0.5%, ±1% 4.7Ω~1MΩ ±10, ±15, ±25, ±50
AR10
(2010)
1/3W -55 ~ +155°C 200V 400V ±0.01%, ±0.05%, ±0.1% 24.9Ω~49.9KΩ ±2, ±3
±0.01%, ±0.05%, ±0.1%, ±0.25%, ±0.5%, ±1% 24.9Ω~49.9KΩ ±5
±0.01% 24.9Ω~499KΩ ±10, ±15, ±25, ±50
±0.05%, ±0.1%, ±0.25%, ±0.5%, ±1% 4.7Ω~1MΩ ±10, ±15, ±25, ±50
AR12
(2512)
3/4W -55 ~ +155°C 200V 400V ±0.01% 24.9Ω~2KΩ ±10, ±15, ±25, ±50
±0.05%, ±0.1% 4.7Ω~2KΩ ±10, ±15, ±25, ±50
±0.25%, ±0.5%, ±1% 1Ω~2KΩ ±10, ±15, ±25, ±50
1W -55 ~ +155°C 200V 400V ±0.1% 4.7Ω~100Ω ±25, ±50
±0.25%, ±0.5%, ±1% 1Ω~100Ω ±25, ±50
  • 工作电压 = ( P * R ) , 或上表格中所列相对最大工作电压, 两数取其低者。
  • 负载电压 = 2.5* ( P * R ) , 或上表格中所列相对最大负载电压, 两数取其低者。
  • 低阻值范围:(1~10)Ω。规格外惨数,可洽德铭特。
电气特性测试 (AR)
薄膜电阻 (AR) 系列 降额曲线图
薄膜电阻 (AR) 系列 降额曲线图
项目 规格 测试方法
Tol.≤0.05% Tol.>0.05%
温度系数 如规格 MIL-STD-202F 304 方法
+25/-55/+25/+125/+25°C 温度系数
短时间过负荷 ΔR±0.05% ΔR±0.5% JIS-C-5202-5.5
RCWV*2.5或最大过负荷电压 5 秒
ΔR±0.5% for high power rating
耐电压 依规格而定 MIL-STD-202F 301方法,
施以最大工作电压一分钟
绝缘阻抗 >1000M Ω MIL-STD-202F 302 方法,
施以 100VDC 一分钟
热冲击 ΔR±0.05% ΔR±0.25% MIL-STD-202F 107G 方法,
-55°C~150°C,100 循环
负载寿命 ΔR±0.05% ΔR±0.2% MIL-STD-202F 108A 方法,
RCWV, 70°C, 1.5 小时开, 0.5 小时关, 1000~1048 小时
>7KΩ ΔR±0.5%
ΔR±0.5% for high power rating
耐湿
(稳定状况下)
ΔR±0.05% ΔR±0.3% MIL-STD-202F 103B 方法,
40°C, 90~95%RH, RCWV 1.5 小时开, 0.5 小时关, 1000~1048 小时
ΔR±0.5% for high power rating
耐干热 ΔR±0.05% ΔR±0.2% JIS-C-5202-7.2
96 小时 @ +155°C 无负载状况下
低温测试 ΔR±0.05% ΔR±0.2% JIS-C-5202-7.1
1 小时, 于 -65°C 下做 45 分钟的 RCWV
ΔR±0.5% for high power rating
抗弯强度 ΔR±0.05% ΔR±0.2% JIS-C-5202-6.1.4
弯幅 3mm, 10 秒钟
可焊性 95%min coverage MIL-STD-202F 208H 方法,
260°C±5°C, 2±0.5(sec)
抗焊温度 ΔR±0.05% ΔR±0.2% MIL-STD-202F 210E 方法,
260±5°C, 10±1 秒钟
  • 额定工作电压 (RCWV) = 额定功率 × 阻值 (Ω) 或最大工作电压) 两数取其低。
  • 储存温度: 15 ~ 28°C; 湿度 < 80%RH;
建议使用焊接区 (AR)
Precision Chip Resistor (AR) Recommend Land Pattern
精密贴片电阻 - AR 系列 建议使用焊接区
料号 A (mm) B (mm) C (mm)
AR12 4.90 1.60 3.10±0.2
AR10 3.60 1.40 2.50±0.2
AR13 2.00 1.15 2.50±0.2
AR06 2.00 1.15 1.70±0.2
AR05 1.00 1.00 1.35±0.2
AR03 0.80 1.00 0.90±0.2
AR02 0.50 0.50 0.60±0.2
AR01 0.25 0.30 0.40±0.2

建议焊接条件 (AR)
IR 回流焊IR 回流焊
波峰焊 (流焊)波峰焊 (流焊)
  • (1) 回流焊在最高温度点的时间 260°C:10s。
  • (2) 波峰焊在最高温度点的时间 260°C:10s。
  • (3) 烙铁在最高温度点的时间 410°C:5s。
包装数量及卷装规格 (AR)
AR 系列 包装数量及卷装规格
AR 系列 包装数量及卷装规格
料号 ΦA ΦB ΦC W T 纸带
(PCS)
内衬塑胶带
(PCS)
AR01 178.0±1.0 60.0±1.0 13.5±0.7 9.5±1.0 11.5±1.0 10,000 -
AR02 178.0±1.0 60.0±1.0 13.5±0.7 9.5±1.0 11.5±1.0 10,000 -
AR03 178.0±1.0 60.0±1.0 13.5±0.7 9.5±1.0 11.5±1.0 5,000 -
AR05 178.0±1.0 60.0±1.0 13.5±0.7 9.5±1.0 11.5±1.0 5,000 -
AR06 178.0±1.0 60.0±1.0 13.5±0.7 9.5±1.0 11.5±1.0 5,000 -
AR13 178.0±1.0 60.0±1.0 13.5±0.7 9.5±1.0 11.5±1.0 5,000 -
AR10 178.0±1.0 60.0±1.0 13.5±0.7 13.5±1.0 15.5±1.0 - 4,000
AR12 178.0±1.0 60.0±1.0 13.5±0.7 13.5±1.0 15.5±1.0 - 4,000

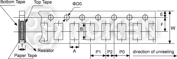
纸带规格 (AR)
AR 系列 纸带规格
AR 系列 纸带规格
料号 A B W E F P0 P1 P2 ΦD0 T
AR01 0.40±0.05 0.70±0.05 8.00±0.10 1.75±0.05 3.5±0.05 4.00±0.10 2.00±0.05 2.00±0.05 1.55±0.05 0.265±0.05
AR02 0.70±0.05 1.16±0.05 8.00±0.10 1.75±0.05 3.5±0.05 4.00±0.10 2.00±0.05 2.00±0.05 1.55±0.05 0.40±0.03
AR03 1.10±0.05 1.90±0.05 8.00±0.10 1.75±0.05 3.5±0.05 4.00±0.10 4.00±0.10 2.00±0.05 1.55±0.05 0.60±0.03
AR05 1.60±0.05 2.37±0.05 8.00±0.10 1.75±0.05 3.5±0.05 4.00±0.10 4.00±0.10 2.00±0.05 1.55±0.05 0.75±0.05
AR06 2.00±0.05 3.55±0.05 8.00±0.10 1.75±0.05 3.5±0.05 4.00±0.10 4.00±0.10 2.00±0.05 1.55±0.05 0.75±0.05
AR13 2.75±0.05 3.40±0.05 8.00±0.10 1.75±0.05 3.5±0.05 4.00±0.10 4.00±0.10 2.00±0.05 1.60±0.10 0.75±0.05

内衬塑胶带规格 (AR)
>AR 系列内衬塑胶带规格
AR 系列 内衬塑胶带规格
料号 A B W E F P0 P1 P2 ΦD0 T
AR10 2.85±0.10 5.45±0.10 12.0±0.10 1.75±0.10 5.5±0.05 4.00±0.05 4.00±0.10 2.00±0.05 1.50+0.10 1.00±0.20
AR12 3.40±0.10 6.65±0.10 12.0±0.10 1.75±0.10 5.5±0.05 4.00±0.05 4.00±0.10 2.00±0.05 1.50+0.10 1.00±0.20

剥离力测试 (AR)
剥离力测试剥离力测试
  • (1) 顶盖胶带剥离力。
  • (2) 剥离力速度t 300mm/min5±5%。
  • (3) 顶盖胶带剥离力应为 20 to 80g。
料号标示 (AR)
AR 05 B TR C3 X 4700  
型号
尺寸
(L×W) (mm)
01 EIA0201
02 EIA0402
03 EIA0603
05 EIA0805
06 EIA1206
13 EIA1210
10 EIA2010
12 EIA2512
精度公差 (%)
T ±0.01%
A5 ±0.05%
B ±0.10%
C ±0.25%
D ±0.50%
F ±1.00%
包装方式
P 散装
TR 编带卷装
温度系数
(ppm/°C)
C7 ±5ppm/°C
C6 ±10ppm/°C
C5 ±15ppm/°C
C3 ±25ppm/°C
C2 ±50ppm/°C
额定功率 (W)
T 1W
U 1/2W
O 1/3W
V 1/4W
P 1/5W
W 1/8W
X 1/10W
Y 1/16W
Z 1/32W
阻值 (Ω)
1000 100Ω
4700 470Ω
1003 100KΩ
1004 1MΩ
1005 10MΩ
标示
  Standard Marking for E96/E24
N No Marking

0805~2512 4 位范例 标示
阻值 100Ω 2.2KΩ 10KΩ 49.9KΩ 100KΩ 1MΩ
标示 1000 2201 1002 4992 1003 1004

0603: 3 位标示 E24 公称值表
E24 code 10 11 12 13 15 16 18 20 22 24 27 30 33 36 39 43 47 51 56 62 68 75 82 91
  • 范例: 101=100Ω 102=1KΩ 第一位数和第二位数是 E24 Code,第三位码是 10乘数
  • 0603 精度公差 1%: 阻值 3 位数列于 E96 表 (E96 为高精密电阻系数,E24 系列除外)
  • 电阻系数范例: 13C=13K3Ω; 68B=4K99Ω; 68X=49.9Ω

标示表 E96 公称值表
code 02 03 04 06 07 08 09 10 11 13 14 15 16 17 19 20 21 22 23 24 25 26 27
E96 102 103 107 113 115 118 121 124 127 133 137 140 143 147 154 158 162 165 169 174 178 182 187
code 28 29 31 32 33 34 35 36 37 38 39 40 41 42 43 44 45 46 47 48 49 50 51
E96 191 196 205 210 215 221 226 232 237 243 249 255 261 267 274 280 287 294 301 309 316 324 332
code 52 53 54 55 56 57 58 59 60 61 62 63 64 65 66 67 68 69 70 71 72 73 74
E96 340 348 357 365 374 383 392 402 412 422 432 442 453 464 475 487 499 511 523 536 549 562 576
code 75 76 77 78 79 80 81 82 83 84 86 87 88 89 90 91 92 93 94 95 96
E96 590 604 619 634 649 665 681 698 715 732 768 787 806 825 845 866 887 909 931 953 976

乘数 E96 标示系数表
Code A B C D E F X Y
Multiplier 100 101 102 103 104 105 10-1 10-2