抗蚀贴片电阻超精密薄膜电阻 - PR 系列

抗蚀防潮高精密贴片电阻 (PR)

德铭特电子增加了防腐精密芯片电阻器新产品,采用特殊抗酸、抗湿的镍铬皮膜,高精密,稳定性佳,具有低温度系数 TCR,散热性好的特性,消除了典型片式镍铬电阻器常见的湿度问题。 德铭特低价格的 PR 系列是替代稀少且昂贵的氮化钽片式电阻的理想片式元件。

抗蚀精密片式电阻 PR 系列,采用一种特殊的钝化层引入了镍铬合金电阻元件之间,加以高纯度氧化铝基底和环氧树脂涂层,在最恶劣的潮湿环境中,确保性能稳定,使用寿命长。

在美军军规 MIL-STD-202F 湿度测试中,PR 系列表现出良好的稳定性,1000 小时寿命试验后,阻值并没随着时间的推移,出现重大飘移变化。 传统的片式镍铬薄膜电阻,应用在潮湿或高湿度环境中,常出现了腐蚀问题。针对这些产品应用,长时间的湿度测试,成为产品在使用设计上不可缺少的一部分。

德铭特 PR 系列提供齐全工业标准尺寸 0402、0603、0805、1206、2010、到 2512 和宽广阻值范围从 10 Ω 到 1M Ω,紧密的精度公差小至 ± 0.10%, 最低温度系数 TCR 可达 25ppm/°C。可操作的温度范围为 -55°C to +155°C。德铭特 PR 芯片电阻器还提供了卓越的电气和环境性能稳定性,是精密仪器设备应用的首选。

标准卷带包装为 4Kpc,5Kpc,和 10Kpc 数量取决于零件尺寸。 大多数尺寸和电阻值备有现货,支援打开短缺,快速发货,使德铭特 PR 系列成为您最佳的选择。
价格随尺寸大小,公差容宽,温度系数,和数量不同而不等。

德铭特 PR 贴片系列是无铅和符合 RoHS 标准。最新详细规格,机械特性或电气特性,请与我们的销售代表联系,以获取更多信息。

下载 PDF 版本: 抗蚀防潮高精密贴片电阻 (PR)

特性:

  1. 最小公差精度 ± 0.1%
  2. 宽广阻值范围 10 Ω ~ 1Meg Ω
  3. 最低温度系数 ±25 PPM/°C
  4. 特殊抗酸抗湿的镍铬 NiCr 皮膜
  5. 长期稳定的使用寿命和与先进薄膜技术
  6. Ta2N 展示了防腐蚀特性

常应用于:

  1. 汽车
  2. 户外电子应用
  3. 高端多媒体电子
  4. 自动化设备控制器
  5. 高端计算机,工业设备
  6. 汽车,医疗设备,通讯设备
抗蚀高精密薄膜贴片尺寸结构 (PR)
抗蚀高精密薄膜贴片电阻结构
抗蚀高精密薄膜贴片电阻结构 Construction (PR)
氧化铝基板
Alumina Substrate
底部电极
Bottom Electrode
顶部电极
Top Electrode
边缘电极
Edge Electrode
阻隔层
Barrier Layer
外部电极
External Electrode
电阻层
Resistor Layer
主要涂层
Primary Overcoat
第二涂层
Secondary Overcoat
 







 
品名 L (Unit: mm) W (Unit: mm) T (Unit: mm) D1 (Unit: mm) D2 (Unit: mm) 重量 (g)/1000pcs
PR02 (0402) 1.00±0.05 0.50±0.05 0.35±0.05 0.20±0.10 0.20±0.10 0.55
PR03 (0603) 1.55±0.10 0.80±0.10 0.45±0.10 0.30±0.20 0.30±0.20 1.85
PR05 (0805) 2.00±0.15 1.25±0.15 0.55±0.10 0.35±0.20 0.40±0.25 4.76
PR06 (1206) 3.05±0.15 1.55±0.15 0.55±0.10 0.42±0.20 0.35±0.25 9.11
PR10 (2010) 4.90±0.15 2.40±0.15 0.55±0.10 0.60±0.30 0.50±0.25 23.82
PR12 (2512) 6.30±0.15 3.10±0.15 0.55±0.10 0.60±0.30 0.50±0.25 38.46
标准型电气规格 (PR)
品名 额定功率
at 70°C
使用温度 最大工作电压 最大负载电压 精度公差 % 阻值范围 温度系数
PPM/°C
PR02 (0402) 1/16W -55 ~ +155°C 25V 50V ±0.1, ±0.25, ±0.5 49.9Ω~12KΩ ±15
24.9Ω~24.9KΩ ±25, ±50
PR03 (0603) 1/16W -55 ~ +155°C 50V 100V ±0.1, ±0.25, ±0.5 24.9Ω~332KΩ ±15, ±25, ±50
PR05 (0805) 1/10W -55 ~ +155°C 100V 200V ±0.1, ±0.25, ±0.5 10Ω~1MΩ ±15, ±25, ±50
PR06 (1206) 1/8W -55 ~ +155°C 150V 300V ±0.1, ±0.25, ±0.5 10Ω~1MΩ ±15, ±25, ±50
PR10 (2010) 1/4W -55 ~ +155°C 150V 300V ±0.1, ±0.25, ±0.5 24.9Ω~1MΩ ±15
10Ω~1.5MΩ ±25, ±50
PR12 (2512) 1/2W -55 ~ +155°C 150V 300V ±0.1, ±0.25, ±0.5 24.9Ω~1MΩ ±15
10Ω~1.5MΩ ±25, ±50
  • 工作电压 = ( P * R ) , 或上表格中所列相对最大工作电压, 两数取其低者。
  • 负载电压 = 2.5* ( P * R ) , 或上表格中所列相对最大负载电压, 两数取其低者。
  • 低阻值范围:(1~10)Ω。规格外惨数,可洽德铭特。

高功率型电气规格 (PR)
品名 额定功率
at 70°C
使用温度 最大工作电压 最大负载电压 精度公差 % 阻值范围 温度系数
PPM/°C
PR03 (0603) 1/10W -55 ~ +155°C 75V 150V ±0.1, ±0.25, ±0.5 24.9Ω~220KΩ ±15, ±25, ±50
PR05 (0805) 1/8W -55 ~ +155°C 150V 300V ±0.1, ±0.25, ±0.5 24.9Ω~680KΩ ±15, ±25, ±50
PR06 (1206) 1/4W -55 ~ +155°C 200V 400V ±0.1, ±0.25, ±0.5 24.9Ω~1MΩ ±15, ±25, ±50
  • 工作电压 = ( P * R ) , 或上表格中所列相对最大工作电压, 两数取其低者。
  • 负载电压 = 2.5* ( P * R ) , 或上表格中所列相对最大负载电压, 两数取其低者。
  • 低阻值范围:(1~10)Ω。规格外惨数,可洽德铭特。
建议使用焊接区 (PR)
建议使用焊接区 (PR)
建议使用焊接区 (PR)
品名 A (mm) B (mm) C (mm)
PR02 (0402) 0.50 0.50 0.60±0.2
PR03 (0603) 0.80 1.00 0.90±0.2
PR05 (0805) 1.00 1.00 1.35±0.2
PR06 (1206) 2.00 1.15 1.70±0.2
PR10 (2010) 3.60 1.40 2.50±0.2
PR12 (2512) 4.90 1.60 3.10±0.2

降额曲线图 (PR)
降额曲线图 (PR)降额曲线图 (PR)

焊接条件 (PR)
IR 回流焊IR 回流焊
波峰焊 (流焊)波峰焊 (流焊)
  • (1) 回流焊在最高温度点的时间 260°C:10s。
  • (2) 波峰焊在最高温度点的时间 260°C:10s。
  • (3) 烙铁在最高温度点的时间 410°C:5s。
超精密抗蚀贴片电气特性测试 (PR)
测试项目 规格 测试方法
Size 0603/0805/1206/2010/2512 Size 0402
短时间过负荷
Short Time Overload
≤ ±0.02% ≤ ±0.1% JIS-C-5201-1 5.5
RCWV*2.5 或最大过负荷电压 2 秒钟。
≤ ±0.2% 高功率型
热冲击
Thermal Shock
≤ ±0.02% ≤ ±0.1% MIL-STD-202F Method 107G
-55°C~125°C, 100 次循环。
负载寿命
(Endurance)
≤ ±0.05% ≤ ±0.25% MIL-STD-202F Method 108A
RCWV, 70°C, 1.5 小时开, 0.5 小时关, 共 1000 小时。
≤ ±0.25% for 高功率型
耐湿 (稳定状况下)
(Damp Heat with Load)
≤ ±0.05% ≤ ±0.5% MIL-STD-202F Method 103B
40±2°C, 90~95%RH, RCWV 1.5 小时开, 0.5小时关, 共 1000 小时。
≤ ±0.25% 高功率型
耐干热性
Resistance to Dry Heat
≤ ±0.05% ≤ ±0.5% JIS-C-5202-7.2
1000 hours @ +155°C 无负载。
抗焊温度
Resistance to Soldering Heat
≤ ±0.02% ≤ ±0.1% MIL-STD-202F Method 210E
260±5°C, 10± 1 秒钟。
可焊性
Solderability
覆盖面最少 95% MIL-STD-202F Method 208H
245°C±5°C, 3±0.5(sec)
  • 额定工作电压 (RCWV) = 额定功率 × 阻值 (Ω) 或最大工作电压) 两数取其低。
  • 储存温度: 15 ~ 28°C; 湿度 < 80%RH;
包装数量及卷装规格 (PR)
包装数量及卷装规格 (PR)
包装数量及卷装规格 (PR)
品名 ΦA (Unit: mm) ΦB (Unit: mm) ΦC (Unit: mm) W (Unit: mm) T (Unit: mm) 纸带 (PCS) 模压带 (PCS)
PR02 (0402) 178.0±1.0 60.0±1.0 13.5±0.7 9.5±1.0 11.5±1.0 10,000 -
PR03 (0603) 178.0±1.0 60.0±1.0 13.5±0.7 9.5±1.0 11.5±1.0 5,000 -
PR05 (0805) 178.0±1.0 60.0±1.0 13.5±0.7 9.5±1.0 11.5±1.0 5,000 -
PR06 (1206) 178.0±1.0 60.0±1.0 13.5±0.7 9.5±1.0 11.5±1.0 5,000 -
PR10 (2010) 178.0±1.0 60.0±1.0 13.5±0.7 13.5±1.0 15.5±1.0 - 4,000
PR12 (2512) 178.0±1.0 60.0±1.0 13.5±0.7 13.5±1.0 15.5±1.0 - 4,000

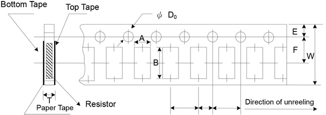
纸带规格 (PR)
纸带规格 (PR)
纸带规格 (PR)
Codes A (mm) B (mm) W (mm) E (mm) F (mm) P0 (mm) P1 (mm) P2 (mm) ΦD0 (mm) T (mm)
PR02 0.70±0.05 1.16±0.05 8.00±0.10 1.75±0.05 3.5±0.05 4.00±0.10 2.00±0.05 2.00±0.05 1.55±0.05 0.40±0.03
PR03 1.10±0.05 1.90±0.05 8.00±0.10 1.75±0.05 3.5±0.05 4.00±0.10 4.00±0.10 2.00±0.05 1.55±0.05 0.60±0.03
PR05 1.60±0.05 2.37±0.05 8.00±0.10 1.75±0.05 3.5±0.05 4.00±0.10 4.00±0.10 2.00±0.05 1.55±0.05 0.75±0.05
PR06 2.00±0.05 3.55±0.05 8.00±0.10 1.75±0.05 3.5±0.05 4.00±0.10 4.00±0.10 2.00±0.05 1.55±0.05 0.75±0.05

纸带剥离测试 (PR)
纸带剥离测试纸带剥离测试
  • (1) 顶盖胶带剥离力。
  • (2) 剥离力速度t 300mm/min5±5%。
  • (3) 顶盖胶带剥离力应为 8gf to 60gf。

模压带规格 (PR)
模压带规格 (PR)
模压带规格 (PR)
Codes A (mm) B (mm) W (mm) E (mm) F (mm) P0 (mm) P1 (mm) P2 (mm) ΦD0 (mm) T (mm)
PR10 2.85±0.10 5.45±0.10 12.0±0.10 1.75±0.10 5.5±0.05 4.00±0.05 4.00±0.10 2.00±0.05 1.50±0.10 1.00±0.20
PR12 3.40±0.10 6.65±0.10 12.0±0.10 1.75±0.10 5.5±0.05 4.00±0.05 4.00±0.10 2.00±0.05 1.50±0.10 1.00±0.20

模压带剥离测试 (PR)
模压带剥离测试模压带剥离测试
  • (1) 顶盖胶带剥离力。
  • (2) 剥离力速度t 300mm/min5±5%。
  • (3) 顶盖胶带剥离力应为 20gf to 80gf.
超精密抗蚀薄膜贴片电阻 - PR 系列 料号标示
PR 02 D TR C3 1002  
型号
尺寸 (L×W) (mm)
02 1.00×0.50mm EIA0402
03 1.60×0.80mm EIA0603
05 2.00×1.25mm EIA0805
06 3.00×1.50mm EIA1206
10 4.90×2.40mm EIA2010
12 6.30×3.10mm EIA2512
精度公差
(%)
B ±0.10%
C ±0.25%
D ±0.50%
包装方式
P 散装
TR 编带卷装
温度系数
(ppm/°C)
C5 ±15ppm/°C
C3 ±25ppm/°C
C2 ±50ppm/°C
阻值
(Ω)
1000 100Ω
2201 2200Ω
1002 10000Ω
4992 49900Ω
1003 100KΩ
1004 1MΩ
1005 10MΩ
标示
  标准标示为
E96/E24
N 无标示

0805~2512 4 位范例 标示
阻值 100Ω 2.2KΩ 10KΩ 49.9KΩ 100KΩ 1MΩ
标示 1000 2201 1002 4992 1003 1004

0603: 3 位标示 E24 公称值表
E24 code 10 11 12 13 15 16 18 20 22 24 27 30 33 36 39 43 47 51 56 62 68 75 82 91
  • 范例: 101=100Ω 102=1KΩ 第一位数和第二位数是 E24 Code,第三位码是 10乘数
  • 0603 精度公差 1%: 阻值 3 位数列于 E96 表 (E96 为高精密电阻系数,E24 系列除外)
  • 电阻系数范例: 13C=13K3Ω; 68B=4K99Ω; 68X=49.9Ω

标示表 E96 公称值表
code 02 03 04 06 07 08 09 10 11 13 14 15 16 17 19 20 21 22 23 24 25 26 27
E96 102 103 107 113 115 118 121 124 127 133 137 140 143 147 154 158 162 165 169 174 178 182 187
code 28 29 31 32 33 34 35 36 37 38 39 40 41 42 43 44 45 46 47 48 49 50 51
E96 191 196 205 210 215 221 226 232 237 243 249 255 261 267 274 280 287 294 301 309 316 324 332
code 52 53 54 55 56 57 58 59 60 61 62 63 64 65 66 67 68 69 70 71 72 73 74
E96 340 348 357 365 374 383 392 402 412 422 432 442 453 464 475 487 499 511 523 536 549 562 576
code 75 76 77 78 79 80 81 82 83 84 86 87 88 89 90 91 92 93 94 95 96
E96 590 604 619 634 649 665 681 698 715 732 768 787 806 825 845 866 887 909 931 953 976

乘数 E96 标示系数表
Code A B C D E F X Y
Multiplier 100 101 102 103 104 105 10-1 10-2