贴片排阻 网阻 合金电阻 (FCR、RCA、RCN) 系列

贴片排阻 网阻 合金电阻 (FCR、RCA、RCN)

高精度表面贴装网络电阻,排列贴片,和倒装贴片是非常成熟,典型的芯片电阻器的代表。德铭特电子采用最新封装技术,优化无引线表面贴装的封装,以满足新的汽车行业对温度和湿度的要求,同时提供高重复性,稳定性的工业、电信、和消费性电子产品。

适用于加工自动化 SMD 或 SMT 装配系统,这些贴片元器件均符合 RoHS 标准,与无铅(Pb-Free)要求,兼容锡/铅(Sn / Pb)回流焊和汽相焊接工艺。

倒装贴片电阻 (Flip Chips) FCR 系列:

  1. 倒装贴片电阻尺寸结构(FCR 系列),有 EIA 0603,EIA 0805,和 EIA 1206 系列标准提供。
  2. 额定功率有 1/10W,1/8W,和 1/4W 可供选择,最大电压 100V,300V,和 300V。
  3. 精度公差有 F(± 1%), J(± 5%) 对应宽广的阻值范围 1Ω to 10MΩ.

贴片排列电阻(排阻) RCA 系列:

  1. RCA 排阻 1.6mm X 3.2mm 的封装尺寸,非常方便于高密度电路的设计使用。
  2. 排阻是由多个电阻元组件排列封装器件,如用一个排列电阻来取代 4 个精密电阻的设计,应用成本相对的节约很多。
  3. 贴片排阻精准公差比有 F(± 1%),G(± 2%),和 J(± 5%) 对应的阻值范围从 10Ω 到 1MΩ.

网络电阻(网阻) RCN 系列:

  1. RCN 网络电阻提供宽广阻值范围从 10Ω 到 1MΩ, 工作温度 -55°C~+125°C.
  2. 网阻的每一个电阻元组件功率为 1/16W 于 +70°C,可由客户定制配置。

如需德铭特最新详细规格,机械特性或电气特性,请与我们的销售代表联系,以取得更新的信息。

下载 PDF 版本: 贴片排阻 网阻 合金电阻 (FCR、RCA、RCN)

厚膜贴片电阻器 (FCR) 外形尺寸
倒装贴片电阻外形尺寸 (FCR)
倒装贴片电阻 外形尺寸 (FCR)
尺寸型号 L W H L1 L2
FCR 03 1.60 ± 0.10 0.80 ± 0.10 0.45 ± 0.10 0.30 ± 0.20 0.30 ± 0.20
FCR 05 2.00 ± 0.15 1.25 ± 0.15 0.50 ± 0.10 0.40 ± 0.20 0.35 ± 0.15
FCR 06 3.10 ± 0.15 1.55 ± 0.15 0.55 ± 0.10 0.50 ± 0.25 0.50 ± 0.25
排列式贴片(RCA) 外形尺寸
 (RCA) 排列式贴片电阻外形尺寸
排列式贴片电阻外形尺寸 (RCA)
 (RCA) 排列式贴片电阻电路图
排列式贴片电阻电路图 (RCA)
尺寸型号 L W H L1 L2 P Q
RCA03-4D (0603) 3.2±0.2 1.6±0.15 0.5±0.1 0.30±0.15 0.35Max 0.8±0.1 0.5±0.1
厚膜排列电阻器 (RCN) 外形尺寸
厚膜网酪贴片电阻器外形尺寸 (RCN)
厚膜网酪贴片电阻器 外形尺寸 (RCN)
厚膜网酪贴片电阻器 电路图 (RCN)
厚膜网酪贴片电阻器 电路图 (RCN)
尺寸型号 L W H L1 L2 P Q
RCN06-10R
RCN06-10S
6.4 ± 0.2 3.1 ± 0.2 0.55 ± 0.1 0.5 ± 0.3 0.5 ± 0.2 1.27 ± 0.1 0.8 ± 0.2
厚膜贴片电阻器 (FCR) 电气特性
型号 额定功率
at 70°C
最高
使用电压
最高过
负荷电压
公差
(%
阻值范围 (Ω) 标准
阻值
Min. Max.
FCR03 1/10W 50V 100V ± 1% (F)
± 5% (J)
10Ω
1MΩ
10MΩ
E-96
E-24
FCR05 1/8W 150V 300V ± 1% (F)
± 5% (J)
10Ω
1MΩ
10MΩ
E-96
E-24
FCR06 1/4W 200V 300V ± 1% (F)
± 5% (J)
10Ω
1MΩ
10MΩ
E-96
E-24
排列式贴片电阻器 (RCA) 电气特性
型号 额定
功率
at 70°C
最大
工作电压
最大
负载电压
T.C.R.
(ppm/°C)
阻值范围 跳线电阻
额定电流
跳线电阻
阻值
使用
温度范围
F(±1%)
E-96
G(±2%)
J(±5%)
E-24
RCA03-4D
(0603)
0.063 50V 100V ± 200 100Ω~470KΩ 10Ω~1MΩ 1A 50mΩ
MAX
-55°C~+125°C
厚膜排列电阻器 (RCN) 电气特性
型号 额定
功率
at 70°C
最大
工作电压
最大
负载电压
T.C.R.
(ppm/°C)
阻值范围 端子数量 电阻数量 使用温度
范围
J (±5%) E-12
RCN06-10R
RCN06-10S
1/16W 50V 100V ±200 10Ω~1MΩ 10 8 -55°C~+125°C
厚膜 (FCR、RCA、RCN) 环境特性
规格 标准 测试方法
直流阻抗 DC Resistance J: ±5%, F: ±1% JIS C 5202 5.1
温度系数
(TCR)
J: ±200ppm/°C
F: ±100ppm/°C
JIS C 5202 5.2 / IEC 115-1 4.8.4.2
T1T2
测试温度:25°C → -55°C
25°C → -55°C
短时间过负荷 J: ΔR≤ ± (2%+0.1Ω)
F: ΔR≤ ± (1%+0.05Ω)
JIS C 5202 5.5 / IEC 115-1 4.13
2.5 x 额定电压(最大过载电压)5秒。
30分钟后测量电阻值。
耐焊温度 J: ΔR≤ ± (1%+0.1Ω)
F: ΔR≤ ± (0.5%+0.05Ω)
无机械损坏
JIS C 5202 6.4 / IEC 115-1 4.18
With 260 ± 5 °C for 10 ± 1秒.
焊接性 超过 95% 的端子
必须覆盖焊料。
JIS C 5202 7.4 / IEC 115-1 4.17
浸入 ± 5°C 焊锡炉,浸 2 ± 0.5秒。
温度循环测试 J: ΔR≤ ± (1%+0.1Ω)
F: ΔR≤ ± (0.5%+0.05Ω)
无机械损坏。
JIS C 5202 7.4 / IEC 115-1 4.19
重复 5 个循环,如下:
-55°C(30 分钟)+25°C(10~15 分钟)
+125°C(30 分钟)+25°C(10~15 分钟)
强度测试 ΔR≤ ± (0.5%+0.05Ω)
无机械损坏。
JIS C 5202 6.1
500g for 10 秒。
负载寿命 J: ΔR≤ ± (3%+0.1Ω)
F: ΔR≤ ± (1%+0.05Ω)
JIS C 5202 7.10 / IEC 115-1 4.25.1
1000+48/-0 小时后电阻值变化
(1.5 小时开,0.5小时关) 于 RCWV 或 最大值。
保持元件于 70 ± 3° 烤箱中。
耐湿性 J: ΔR≤ ± (3%+0.1Ω)
F: ΔR≤ ± (1%+0.05Ω)
JIS C 5202 7.9 / IEC 115-1 4.24.2
保持元件的温度 40 ± 2 °C
及 90~95% RH 额定功率施加电压。
循环,1.5小时开,0.5小时关,1000+48/-0 小时后,测量电阻值。
断续过负荷 ΔR≤ ± (5%+0.1Ω)
无机械损坏。
JIS C 5202 5.8 2.5 x 额定电压(最大过载电压),
1秒 ON,25秒 OFF,测试 10,000 个循环。
厚膜 (FCR、RCA、RCN) 系列阻值标示
贴片电阻 阻值标示 (FCR、RCA、RCN)
贴片电阻 阻值标示 (FCR、RCA、RCN)
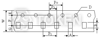
厚膜 (FCR、RCA、RCN) 系列卷带尺寸 (单位:mm)
厚膜贴片电阻 卷带尺寸 (FCR、RCA、RCN)
厚膜贴片电阻 卷带尺寸 (FCR、RCA、RCN)
规格 A B W F E P1 P2 P0 D G
FCR03 1.10±0.20 1.90±0.20 8.0±0.3 3.50±0.05 1.75±0.10 4.0±0.1 2.00±0.05 4.0±0.1 1.5±0.1
-0
2.75
FCR05 1.65±0.20 2.45±0.20 8.0±0.3 3.50±0.05 1.75±0.10 4.0±0.1 2.00±0.05 4.0±0.1 1.5±0.1
-0
2.75
FCR06 2.00±0.10
-0.15
3.57±0.10
-0.15
8.0±0.3 3.50±0.05 1.75±0.10 4.0±0.1 2.00±0.05 4.0±0.1 1.5±0.1
-0
2.75
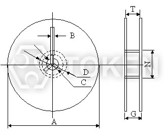
厚膜 (FCR、RCA、RCN) 卷盘尺寸 (单位:mm)
贴片电阻 卷盘尺寸 (FCR、RCA、RCN)
贴片电阻 卷盘尺寸 (FCR、RCA、RCN)
符号 A B C D G N T
Dimension尺寸 (mm) 178 ± 2.0 20 ± 0.5 13.0 ± 0.5 20 min. 100 ± 1.5 80.0 ± 0.5 14.9 max.
厚膜贴片电阻器 (FCR) 料号标识
FCR 03 100 J TR
型号
FCR
尺寸
(单位:mm)
03 1.60×0.80mm
05 2.00×1.25mm
06 3.10×1.55mm
公称阻值
贴片
元件
3-Digit E24 系列
EX  10Ω=100
      47Ω=470
4-Digit E96 系列
EX  10.2Ω=10R2
      10KΩ=1002
零欧姆   000
精度公差(%)
F ±1%
J ±5%
包装方式
TR 编带卷装
P 散装
贴片排列电阻器 (RCA) 料号标识
RCA 03 - 4 D 101 J TR
 
型号
RCA
尺寸
(单位:mm)
03 3.20×1.60mm
 
端子数目
4 4 circuits
电极结构
D 凸形电极e
公称阻值
贴片
元件
3-Digit E24 系列
EX  10Ω=100
      47Ω=470
4-Digit E96 系列
EX  10.2Ω=10R2
      10KΩ=1002
零欧姆   000
精度公差(%)
F ±1%
G ±2%
J ±5%
包装方式
TR 编带卷装
P 散装
贴片网络电阻器 (RCN) 料号标识
RCN 06 - 10 R 103 J TR
 
型号
RCN
尺寸
(单位:mm)
06 6.40×3.10mm
 
端子数目
10
电路架构
R circuit
S circuit
公称阻值
3-Digit E12 系列
EX  10Ω=100
      100Ω=101
精度公差(%)
J ±5%
包装方式
TR 编带卷装
P 散装