
德铭特锰镍铜合金 (FL) 系列,大电流分流电阻器,强化高电流产品应用的精密测量。
分流合金电阻器是通过电路中的电压降电流产生电阻压,常应用于交流或直流电压测量中的精密低阻值电阻,又称为电表分流器,是电流感测电阻器系列中的一类。
德铭特专门设计一系列的精密分流电阻器,可应用于千瓦时表和其他高电流的广范应用。
可互换式的分流电阻器 (FL) 常应用于各种测量的仪器、仪表,可安装于 PCB 板、或主机板上。由铜,锰合金电焊组成,具有低温度系数,低电感量。德铭特 FL 分流电阻器于电压降 75 mV,可承载高达 10000A 的高电流。
德铭特 FLQ-54 型电阻分流器是由精密锰镍铜合金板组成,银合金的铜引脚焊接,保证了焊接点的电气性能。此结实的结构提供了高可靠性能,无电感量,及高负载能力电阻器。FLQ-54 系列广泛用于通讯系统、电子整机、自动化控制电源等限流回路、和均流或取样检测。
德铭特提供散装 FL 系列,符合无铅 及 RoHS 标准。可依客户的需求定制,为客户提供低阻分流系列电流感测电阻器产品。特殊的阻值、尺寸、规格、及产品最新信息,请与德铭特业务部洽询。
下载 PDF 版本: 合金分流电阻器 (FL)。
额定功率计算: 功率 (W) = 电流 (I2) x 电阻值 (Ω)
如何计算电流: 电流 (I) = 电压 (V) / 电阻值 (Ω)
| 精密合金分流电阻器 FL-2 尺寸 (75A-1000A, 单位: mm) | ||||||||||||||
|
||||||||||||||
| 额定 电压降 (mV) |
额定 电流 (A) |
尺寸 (单位: mm) | 高电流螺栓 (mm)-PC (选配) |
并联电压螺栓 (Shunt Voltage Bolt) (mm)-PC (选配) |
||||||||||
| a±1 | c±1 | b±1 | c1±1 | c2±1 | H±1 | S±0.5 | d | d1 | d2 | |||||
| 75 | 75~100 | 103 | 85 | 32 | 21.5 | 10 | M8x35-2 | M5x6-2 | ||||||
| 75 | 150~200 | 115 | 85 | 22 | 21.5 | 6 | M8x35-2 | |||||||
| 75 | 250~300 | 125 | 100 | 26 | 21.5 | 6 | M10x35-2 | |||||||
| 75 | 400 | 125 | 100 | 38 | 21.5 | 6 | M10x35-2 | |||||||
| 75 | 500 | 125 | 100 | 45 | 21.5 | 6 | M10x35-2 | |||||||
| 75 | 600 | 125 | 100 | 62 | 21.5 | 6 | M10x35-2 | |||||||
| 75 | 750 | 125 | 100 | 76 | 50 | 21.5 | 6 | M10x35-4 | ||||||
| 75 | 1000 | 125 | 100 | 95 | 50 | 21.5 | 6 | M10x35-4 | ||||||
| 大电流型合金分流电阻器 FL-2 尺寸 (1500A-10000A, 单位: mm) | ||||||||||||||
|
||||||||||||||
| 额定 电压降 (mV) |
额定 电流 (A) |
尺寸 (单位: mm) | 高电流螺栓 (mm)-PC (选配) |
并联电压螺栓 (Shunt Voltage Bolt) (mm)-PC (选配) |
||||||||||
| a±1 | c±1 | b±1 | c1±1 | c2±1 | H±1 | S±0.5 | d | d1 | d2 | |||||
| 75 | 1500 | 190 | 160 | 95 | 50 | 100 | 13 | M12x60-4 | M5x6-2 | |||||
| 75 | 2000 | 190 | 160 | 95 | 50 | 100 | 13 | M12x60-4 | ||||||
| 75 | 2500 | 190 | 160 | 110 | 50 | 100 | 13 | M12x60-4 | ||||||
| 75 | 3000 | 190 | 160 | 145 | 2-50 | 100 | 13 | M12x60-4 | ||||||
| 75 | 4000 | 190 | 160 | 195 | 2-50 | 55 | 100 | 13 | M16x80-8 | |||||
| 75 | 5000 | 284 | 220 | 195 | 2-50 | 55 | 150 | 18 | M16x80-8 | |||||
| 75 | 6000 | 284 | 220 | 210 | 2-50 | 80 | 150 | 18 | M16x80-8 | |||||
| 75 | 7500 | 290 | 220 | 320 | 3-50 | 2-60 | 150 | 18 | M16x80-12 | |||||
| 75 | 10000 | 290 | 220 | 400 | 3-50 | 2-90 | 150 | 18 | M16x80-12 | |||||
| 精密合金分流电阻器 FL-13 尺寸 (5A-75A, 单位: mm) | |||||||||||||
|
|||||||||||||
| 额定 电压降 (mV) |
额定 电流 (A) |
尺寸 (单位: mm) | 高电流螺栓 (mm)-PC (选配) |
并联电压螺栓 (Shunt Voltage Bolt) (mm)-PC (选配) |
|||||||||
| a±1 | c±1 | b±1 | H1±0.5 | H2±1 | H3±1 | d | d1 | d2 | |||||
| 75 | 5~75 | 120 | 100 | 20 | 10 | 15 | 20 | M5x7-2 | M4x6-2 | ||||
| 大电流型合金分流电阻器 FL-13-A 尺寸 (100A-1000A, 单位: mm) | ||||||||
|
||||||||
| 额定电压降 (mV) | 额定电流 (A) | 尺寸 (单位: mm) | 组装尺寸 (mm) | |||||
| L | B | H | C | C1 | Bolt | |||
| 75mV | 100A | 130 | 14 | 30 | 85 | M8 | ||
| 75mV | 200A | 130 | 24 | 30 | 85 | M10 | ||
| 75mV | 300A | 130 | 30 | 30 | 100 | M10 | ||
| 75mV | 400A | 130 | 42 | 30 | 100 | M10 | ||
| 75mV | 500A | 130 | 52 | 30 | 100 | M10 | ||
| 75mV | 600A | 130 | 60 | 30 | 100 | 50 | M10 | |
| 75mV | 750A | 130 | 77 | 30 | 100 | 50 | M10 | |
| 75mV | 1000A | 130 | 95 | 30 | 100 | M10 | ||
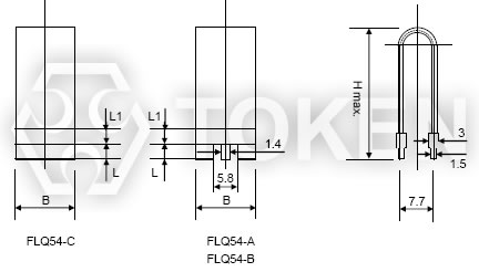
| 径向立式合金分流电阻器 FLQ54 尺寸 (30A-100A, 单位: mm) | ||||||
|
||||||
| 规格 | 尺寸 (单位: mm) | 端子式洋 | ||||
| H max. | B | L | L1 | |||
| FLQ54-A | 37 | 18 | 3 | 3 | 6 | |
| FLQ54-B | 60 | 30 | 5 | 5 | 6 | |
| FLQ54-C | 32 | 15 | 3 | 3 | 2 | |
| 精密锰镍铜合金分流电阻器 FLQ54 电气特性 (30A-100A) | ||||||
| 规格 | 额定电流 (A) | 额定压降 (mV) | 公称阻值 (mΩ) | 精度等级 | 温度范围 (°C) | 温度系数 (ppm/°C) |
| FLQ54-A | 30 | 50 | 1.6667 | 0.5 | -55 ~ +85 | ±25 |
| FLQ54-A | 50 | 50 | 1.0000 | |||
| FLQ54-A | 60 | 50 | 0.8333 | |||
| FLQ54-B | 60 | 50 | 0.8333 | |||
| FLQ54-B | 75 | 50 | 0.6667 | |||
| FLQ54-B | 100 | 50 | 0.5000 | |||
| FLQ54-C | 30 | 45 | 1.5000 | |||
| FLQ54-C | 60 | 45 | 0.7500 | |||
| 精密锰镍铜合金分流电阻器 (FL-2, FL-13, FL-13-A) 性能测试条件 | |
| 测试项目 | 规格标准 |
| 压降 Voltage Drop | 50mV, 60mV, 75mV, 100mV. |
| 精度等级 Accuracy Class | 0.5% for 5~4000 A; 1% for 5000~6000 A。 |
| 过负荷性能 Over Rating Capacity | 施加 120% 额定电流,持续 2 小时。 |
| 操作环境条件 Ambient Conditions | 操作温度:-40~+60°C; 相对湿度:≤95% 35°C。 |
| 负载热温 Giving Out Heat When Loaded | 额定电流 50A 以下,不可超过 80°C;额定电流 50A 及以上,不可超过 120°C。 |
| 机械冲击性能 Mechanical Capacity | 可承受 70m/S2 加速冲击力,及机械震动 80-120 次/分,持续 5 小时。 |
| 精密锰镍铜合金分流电阻器 (FL) 料号标识 | ||||||||||||||||||||||||||||||||||||||||||
| FL-2 | - | 5A | 50mV | F | p | |||||||||||||||||||||||||||||||||||||
![]() |
![]() |
![]() |
![]() |
![]() |
||||||||||||||||||||||||||||||||||||||
|
|
|
|
|
||||||||||||||||||||||||||||||||||||||