Large Current Electron Beam Welding Precision Shunts (FLW)

Increasing pressure from the international produce higher-quality competition at lower prices In a shorter period of time resulting in the use of specialized process, whenever possible to detect an advantage. Adapting this philosophy to electron beam welding (EBW), DeMint Electronics announced the release of a new and enhanced bus bar shunt of blade terminal in (FLW) series producing by the new generation of load-lock machines fulfilling all these requirements in the area of EB welding.

This is a new Bus-Bar Battery Shunt resistor that has rated voltage drop 75 mV capability with 1.5 mΩ to 0.075 mΩ. Specifically, it is possible to output 75 mV from the voltage terminal with a current from 50 A to 1000 A with precision ±0.5% and ±1% tolerance in option.

(FLW) large current shunt resistor is using complete electron beam welding technology, ease assembly, mechanically strong, vibration resistance, and reliable operation in long term. Featuring low inductance values, shunts (FLW) is suitable for energy meters Invertors, AC/DC convertors, UPS, battery management, frequency convertors, and power modules low inductance applications.

The shape and size of these (FLW) series can be customised and is available in bulk packaging with RoHS compliant and lead free. DeMint engineers will work together with the client to create designs and develop products to meet their specific needs. For non-standard technical requirements and special applications, contact us with your specific needs.

Download PDF Specification Electron Beam Welding High Current Precision Shunts (FLW).

Features :
  1. High precision, Low TCR (Temperature Coefficient of Resistance Value).
  2. Low resistance, low inductance, Low watt loss, and Long-term stability.
  3. High power electron beam welding technology
Applications :
  1. Electric power distribution, battery management frequency convertors, load test.
  2. Applied for current limiting, current balance or sampling test of power supply.
  3. Applied for functional low inductance power supply applications.
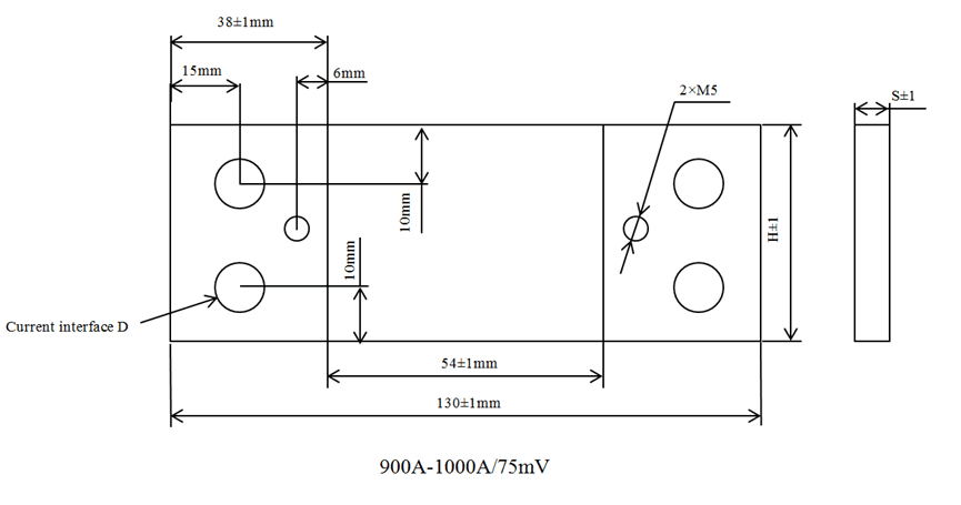
Dimensions (Unit: mm) & Electrical Specifications
(FLW) Type (50A-800A) Electron Beam Welding Precision Shunts (FLW) Type (900A-1000A) Electron Beam Welding Shunt Resistors
Electron Beam Welding Precision Shunt Dimensions (Unit: mm)
Type Rated Current (A) Norminal Resistance (mΩ) Rated Voltage Drop (mV) Tolerance Range (%) T.C.R. (X10-6) Dimensions (mm)
S H ΦD
FLW 50 1.5 75 ± 0.5(D)
± 1(F)
± 20
± 50
1.5 9 Φ6.5x2
100 0.75 2.0 16.5
150 0.5 2.5 20
200 0.375 2.5 26 Φ8.5x2
300 0.25 3.2 30
400 0.1875 4.0 33 Φ10.5x2
500 0.15 5.0 33
600 0.125 6.0 33
700 0.1014 6.0 40 Φ10.5x4
800 0.0938 6.5 40
900 0.0833 6.5 45
1000 0.075 6.5 50
Derating Curve (FLW)
Derating Curve (FLW)
Derating Curve (FLW)
Characteristic Specification (FLW)
Test Items Specifications Test Conditions
Short time overload ≤ ±(1%+0.05Ω) 10PR、5S
Shock ≤ ±(1%+0.05Ω) 1000m/S2、6mS
Vibration ≤ ±(1%+0.05Ω) 10-1000Hz、0.75mm、98m/S2
Durability at room temperature ≤ ±(2%+0.05Ω) 25°C、PR、1000h
Order Codes (LRC)
FLW 50A 75mV D P
Part Number
FLW
Rating Current (A)
50A 50 A
100A 100 A
700A 700 A
1000A 1000 A
Voltage Drop (mV)
75mV 75 mV
Accuracy Class (%)
F ±1%
D ±0.5%
Package-Code
P Bulk